Fórum témák

» Több friss téma
Fórum » Mikrofon
 
Témaindító: fortuna, idő: Aug 8, 2006
Témakörök:
Lapozás: OK   7 / 16
(#) frrrrr hozzászólása Márc 3, 2008 /
 
Az elektret mikrofon tartalmaz félvezetős erősítőt, ezért kell neki a 'táp', ami jelen esetben egy 1-10 kohmos ellenállás(szabi83 itt rajza szerint). Nélküle nem megy. Ha kétkivezetéses a mikrofonod, akkor az ellenállást a jelkimenetre kösd.

Ajánlom Király Tibor honlapját, "nagyon király":
http://haromb.freeweb.hu/index.html


link javítva --szabi83
(#) hapro válasza frrrrr hozzászólására (») Márc 8, 2008 /
 
Sziasztok!

Ha csak lehetséges ezt a kapcsolást szereteném használni a mikrofon előerősítőhöz. Bővebben: Link

Lefényképeztem a mikorfonomat, namost elolvastam a király tibor féle weblapon találhatókat, viszont ő ír olyanokat is, hogy a kis zöld fóliacsíkot el kell vágni, ahhoz hogy két kivezetéses mikrofonként tudjam használni, sőt azt is írja, hogy alapban ebből vonalszintű jelnek kéne kijönni, gondolom úgy ha valamiféle tápot adunk neki valahogy....
És azért kell elvágni a fóliacsíkot, hogy így egy jobb átvitelű és kevésbé torzító hangeszközt nyerjünk, viszont így kell már az előfok hozzá, mert a kimeneti jelszintje jelentősen lecsökken...

Akkor most hogy kell bekötnöm ezt a mérőmikrofont a kapcsolási rajzom alapján? Melyik szálat hova kössem? És egyáltalán el kell-e vágnom bármit is, ha mérő mikrofonnak akarom használni, szóval igényem lenne a jobb átvitelre és a kisebb torzításra

köszi a válaszokat.

Üdv.:

Zoli
(#) titi válasza hapro hozzászólására (») Márc 8, 2008 /
 
Nos, ha ragaszkodsz ehez az erősítőhöz, akkor próbáld meg azt, hogy egy 1k-s ellenálláson keresztül a mikrofon "meleg" pontját felhúzod tápra.
(ezt 9-12V-os táp esetében, ha nagyobb feszről járatod, akkor nagyobb értékű kell)
Mivel az erősítő bemenetén van egy C1-es csatolókondi, így az nem fog gondot okozni.

Persze nem 100, hogy jó is lesz...
(#) frrrrr válasza hapro hozzászólására (») Márc 8, 2008 /
 
Szia,
mondhatnám azt is, hogy próbáld ki a kapcsolást, jól néz ki, legalább megtudjuk működik-e. De nem mondom. Azt is megmondom, hogy miért: Mivel most ismerkedsz a mikrofonnal, talán jobb lenne egy kipróbált kapcsolással kezdeni, pl. amelyiket már ezen a fórumon is közzétettem. Azt hiszem tl072vel csináltam, de bármilyen jobb minőségű ICvel helyetteseíthető. Szerintem bármelyik kapcsolás viszi azt, a sávor, amelyiket egy ilyen kapszula tud (gugli pdf + egy kis angol). Kezdetnek bőven elég, de ha szebbet, jobbat akarsz, akkor bele kell majd ásnod magadat szűrők tervezéséenek világába, hogy a mikrofonok egyenetlenségét korrigálni tudd, ha szükséges.

Ha nem vagyok indiszkrét, mire kell neked az erősítő?

Vissza a konkrét dolgaidhoz:
Ha mindenképpen ki akarod próbálni a kapcsolást: uccu-neki! Legalább tanulunk belőle. A mikrofonod kétkivezetéses (a kép szerint). Az árnyékolás a mínuszra van forrasztva, a fehér éren megy a jel. Ehhez kösd a tápot (12 V) egy 4k7 es ellenálláson keresztül. Ha jó az erősítő, akár működhetne is.

Tudok németül. Küldd el olvashatóan az egész cikket. Ha nem túl hosszú, elolvasom.
(#) frrrrr válasza titi hozzászólására (») Márc 8, 2008 /
 
Természetesen az 1k is ugynaolyan jó.
(#) szabi83 válasza frrrrr hozzászólására (») Márc 8, 2008 /
 
Idézet:
„Ha nem vagyok indiszkrét, mire kell neked az erősítő?”


Én már rájöttem, a HIRAGA-ját akkarja mérni szerintem
(#) Gyimate hozzászólása Márc 8, 2008 /
 
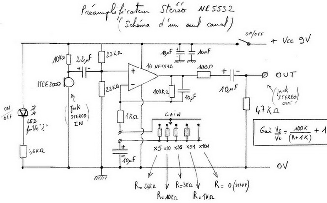
Erre a fajta mikrofonra van egy nagyon egyszerű előerősítő. Én ezt már megépítettem és jól működött.

MIKROFON.JPG
    
(#) hapro válasza frrrrr hozzászólására (») Márc 8, 2008 /
 
Szia!

sajna csak ilyen sz..ar minőségben van meg ez a cikk, és csak ennyi infóm van róla ami ezen az egy lapon. Igazából már jó pár napja megépítettem, csak foggalmam nem volt miért is nem működik. Most látom, hogy egy hete volt...Bővebben: Link

Kipróbálom ezt az ide oda kötözgetést, aztán ha nem boldogulok vele, akkor megépítem amit szabi83 javasolt. Ha nem megy akkor ennyi volt a mérő berendezésese pályafutásom, mivel nem létszükséglet nekem itthonra.

Mire kell? egy mérő rendszert szeretnék építeni speaker workshop, audiotester, illetve loudspeaker lab progikhoz. Azért ennyi, mert ők a potenciális jelöltek, és majd meglátom emlyik mennyire fog tetszeni.

szabi83: nem hiraga-t mérnék vele, de tény, hogy az lenne a referencia végfok. Megbízok azokban a mérésekben amiket láttam róla, és bízok magamban, hogy erősen hasonlít az általam épített ahhoz amit közzé tett a szerző. Amíg ezt hiszem addig legalább jó nekem. Szóval hangfalakat szeretnék mérni ezzel a rendszerrel. Szeretnék egy hasonló cuccot létrehozni mint a DLSA pro, csak töredéke áron. Megelégszem azzal a minőséggel és paraméterekkel amiket képes vagyok létrehozni ezen a téren. Ha meg nem sikerül, akkor meg eltöltöttem egy csomó időt a hobbimban amit szeretek csinálni.


hát addig is köszi a segítségeteket.

üdv.:

Zoli


(#) frrrrr válasza hapro hozzászólására (») Márc 8, 2008 /
 
Ne viccelj. Egy kapszula nem fog ki rajtad. Ebben a fórumban van a kézzel rajzolt kapcsolás tl072vel. Tutira működik: Ez a fórum, 3. old. (#39054)

Azon is látható a "tápellenállás", itt 10 kohm. Egyébként az ellenállásokat 1-12 kohm között szokták megadni. Érkedes lenne lemérni, modjuk 12Vnál mi történik, ha 1-10k között változtatom az értéket.

Az erősítést a rajzon az 1k és az M1 ellenállások arányának megváltoztatásával tudod szabályozni.

Természetesen tl072-t kell használni. A hiba azért van a rajzon, mert (siettem) először csak egy fokozatot építettem meg. Úgy is működik.

Nézd meg guglival a kapszula pdf-jét. Úgy rémlik 16 kHz-ig megy rendesen.

(#) Gyimate válasza hapro hozzászólására (») Márc 8, 2008 /
 
Erre a fajta mikrofonra van egy nagyon egyszerű előerősítő. Én ezt már megépítettem és jól működött. EZT
MÁR EGY SZER ELKÜLDTEM.

MIKROFON.JPG
    
(#) szabi83 válasza hapro hozzászólására (») Márc 10, 2008 /
 
Sikerült?
(#) hapro válasza szabi83 hozzászólására (») Márc 10, 2008 /
 
Szia!

Ma-holnap fogom kipróbálni, tervbe ma volt, de azt hiszem már nem lesz belőle semmi. Szóval inkább a napokban....Na beszámolok róla mindenképpen. Első lépésként kipróbálom ezt a 3 alkatrészes cuccot, de mérő mikrofonnak azt ugysem fogom alkalmazni, mert nem tudom milyen a cucc átvitele, és nekem valami nagyon precíz kis cucc kell. De ha már beindítottam a mikiket, akkor biztosabban ugrok neki a jobb minőségű előfoknak. Egyébként ha ez a FET-es cucc nem megy akkor sincs gond, mert van még két IC-s előfok is hasonlóan jó paraméterekkel, de valahogy viszolygok az IC-s cuccoktól és ezért maradt az a sor végére.

Na majd írok.

üdv.:

Zoli

(#) orizon válasza hapro hozzászólására (») Márc 10, 2008 /
 
mce200
(#) orizon válasza orizon hozzászólására (») Márc 10, 2008 /
 
micpre
(#) hapro válasza orizon hozzászólására (») Márc 10, 2008 /
 
Szia!

Pontosan ez a két rajzom van még meg nekem is amik számításba jöhetnek mint potenciális ügyfél...
A tranyós valahogy szimpatikusabb.

üdv.:

Zoli

(#) attila200 hozzászólása Márc 28, 2008 /
 
Nem tudnátok egy képet küldeni egy kristálymikrofonról? :help:
Mindenhól kerestem, de nemtaláltam. :no:
A válaszokat előre is köszönöm.

Attila
(#) lamalas válasza attila200 hozzászólására (») Márc 28, 2008 /
 
Idézet:
„Mindenhól kerestem...”


Na ne viccelj ... a google-ben is? Ird be, hogy "crystal microphone" es kattints a kepekre. Jut eszembe ... miert kell neked epp a kepe egy mikrofon tipusnak? Nagyon sokfele kulsovel el lehet kesziteni egy adott mikrofont, tehat a kulseje nem arul el sokat rola.
(#) attila200 válasza lamalas hozzászólására (») Ápr 1, 2008 /
 
mert mondják, hogy ehhez a poloskához kristálymikrofon kell.
viszon kerestem a google-ba, de nem így irtam be(kristály).
kösz a segítséget...


Attila

poloska.gif
    
(#) lacikacikacika hozzászólása Szept 12, 2008 /
 
sziasztok !! 1 tanácsterembe kellene valami mikrofonkeverő
16 mikrofont kellene rákötni és stereo jel vagy optika legyen a kijöveten, az lenne jó hogy, ha proceszora lenne és gépről lehetne irányítani és nem potméterről
Kérlek segítsetek !!! Koszi
(#) Dave87 hozzászólása Jan 26, 2009 /
 
Sziasztok!

A gondom a következő lenne. Vettem egy Behringer C-3 kondimikrofont, aminek kell a +48V fantom táp. Ezzel nem is lenne baj, ha a keverőmben lenne ilyen bemenet. A kérdésem az lenne, ha én összelökök egy tápot a mikinek és azt rákötöm a 2-es és 3-as lábra akkor annak elméletileg működnie kéne, de nem tudom hogy a keverő miki erősítője mit szólna ehhez mert az dinamikus mikrofonhoz van. Légyszi segítsetek, fontos lenne

Köszi, Dávid.
(#) Bassmester hozzászólása Jan 27, 2009 /
 
Hali! Csinált már valaki fejmikrofont, elektret kapszulából?
Ötleteket, konstrukciós megoldásokat szeretnék. Köszi.
(#) Bassmester válasza Dave87 hozzászólására (») Jan 27, 2009 /
 
Ha le van választva kondikkal akkor nem lesz a dologban semmi rendkívüli.
(#) Bassmester hozzászólása Feb 11, 2009 /
 
Elkészült a mérőmikrofonom, WM-61-es kapszulából csináltam. Kéne egy kis segítség, mivel nem tudom hogyan lehet kalibrációs fájlhoz jutni. Mit kell keresni? Hogyan kell beírni a gógliba? Artához és Spectra 4.32.11.-hez kéne.
(#) elektrorudi válasza Bassmester hozzászólására (») Feb 11, 2009 /
 
Bocsi, de nem értem. Milyen kalibrációs fájlra gondolsz ?
A görbe egyenes +- 1dB belül... (ilyet egyébként még nem láttam...)
(#) Bassmester válasza elektrorudi hozzászólására (») Feb 11, 2009 /
 
Hangsugárzók átvitelmérésére használnám ezt a mikrofont. Azért rendeltem ilyen kapszulát, mert azt mondták róla hogy megfelel mérőmikrofonnak és van hozzá kalibrációs fájl egyes mérőszoftverekhez, amit azóta is keresek, de nem találok
(#) Bassmester válasza Bassmester hozzászólására (») Feb 11, 2009 /
 
Sikerült kreálnom a Spectrához MIC fájlt...
A kapszula gyári átviteli görbéje (egyenese) alapján, saccra írtam egyet. Remélem jó lesz
(#) elektrorudi válasza Bassmester hozzászólására (») Feb 11, 2009 /
 
Azért nem értettem a kérdésed, mert a progihoz mellékelt 4db *.mic fájl bármelyikét át tudtad volna írni egy szövegszerkesztővel (pláne a "flat"-ot ).
Viszont az értelmét nem láttam, hogy 10kHz környékén csinálj 1dB-es flikk-flakk-ot, miközben 5-10dB-es változások lesznek a görbében csak attól, hogy a mikrofont 5-10cm-el odébb teszed.
Jó méricskélést!

Hol vetted a kapszulát?
(#) Bassmester válasza elektrorudi hozzászólására (») Feb 11, 2009 /
 
Hát ja... igazad van, ez már csak szőrszálhasogatás, de hát majdnem mindenki így csinálja
Ez az egyszerü dolog nem jutott eszembe hogy átírjak egyet, inkább a spectra helpjében olvasható segédlet szerint pötyögtem egyet a windows jegyzettömbbel.
A kapszulát szekszárdon rendeltem az elektropatikában. Majdnem 3 hetet vártam rá, de megvan. 1000 Ft volt darabja, kettőt vettem, biztos ami biztos.
Cím: 7100 Szekszárd, Mészáros Lázár utca 3.
Telefon: 74-415-439, 74-415-439
Honlap: http://www.elektropatika.hu
E-mail: elektropatika@tolna.net
(#) elektrorudi válasza Bassmester hozzászólására (») Feb 11, 2009 /
 
Köszi az info-t !

A honlapjuk csodálatos ! :eek2:
(#) Bassmester válasza elektrorudi hozzászólására (») Feb 11, 2009 /
 
Nagyon szívesen!
Csak nemhogy Te is ilyenre vadászol?
Következő: »»   7 / 16
Bejelentkezés

Belépés

Hirdetés
XDT.hu
Az oldalon sütiket használunk a helyes működéshez. Bővebb információt az adatvédelmi szabályzatban olvashatsz. Megértettem