Fórum témák

» Több friss téma
Fórum » Kapcsolási rajzot keresek
 
Témaindító: Kallai Csaba, idő: Márc 11, 2006
Témakörök:
Lapozás: OK   55 / 386
(#) Kokany82 hozzászólása Jan 27, 2009 /
 
Köszi ezt én is láttam már, de nem vagyok nagyon profi ebben és nem tudom hogy ami ott S D G kivezetéssel van jelölve az ha, elmegyek venni hogy kérjem, mert semmi szám nincs vagy terméknév.Ebben tudsz segíteni?Ja és szerinted a csatolt képemen látható kapcsolás az nem felelne meg egy olyan töltőnek amit mindig rajta lehet hagyni?És hogy 16 V-os trafó elegendő lenne?Ja és ,hogy ahhoz amit te mutattál ahhoz milyen trafó kéne ,hány voltos?

Töltő.jpg
    
(#) Kokany82 válasza (Felhasználó 13571) hozzászólására (») Jan 27, 2009 /
 
Helló!
Akkor amit én feltettem kapcsolást ,az egy 12V-os trafóval rajtahagyhatnám az aksit és feltöltve tartaná és ami a legfontosabb nem csinálna galibát Pl.:tűz, egyebek.Szóval mit kéne alakítani rajt hogy tökéletes legyen?
(#) lapose válasza Kokany82 hozzászólására (») Jan 27, 2009 /
 
Szia!

Próbálhatod L200-al is.
Bővebben: Link

A lényeg az, hogy a feszültséget 13,6V-nál ne állítsd magasabbra, mert az akku nem szereti a nagyobb feszültséget folyamatos üzemben!
A te rajzodon az R2-őt cseréld potira, és azzal kell beállítani a 13,6V-ot.
(#) stistvan54 hozzászólása Jan 27, 2009 /
 
Keresem a YAMAHA TX-500 tipusu tuner kapcsolási rajzát.
Kérem aki tud segitsen!!!!
Köszönöm
(#) Kokany82 válasza (Felhasználó 13571) hozzászólására (») Jan 27, 2009 /
 
Aham.Oké akkor megcsinálom a te rajzod.De "lapos" Te szerinted meg jó lenne?Na ilyenkor nem tudom,hogy most mi van,mert a az én fajtám már kész ,de a Köbzolié ,pedig biztos, hogy jól működik.
(#) lapose válasza (Felhasználó 13571) hozzászólására (») Jan 27, 2009 /
 
Szia!

Miért ne lenne jó? Sima feszültség stabilizátor, egy kis áramhatárolással!
(#) lapose válasza Kokany82 hozzászólására (») Jan 27, 2009 /
 
Szia!

A Köbzoli által linkelt kapcsolás többet tud, de az elkészítése nagyobb felkészültséget kíván, mivel a szabályzó része kapcsolóüzemű!
A te rajzod is jó, csak a kimenetére kell egy diódát rakni, az R2-öt cseréld ki egy potira, hogy be tudd állítani az akkun a 13.6V-ot!
Az 5 ohmos ellenállás változtatásával tudod beállítani a maximális töltőáramot. Az I=1.25V/R képlettel lehet méretezni.
Ha van az akkudhoz adatlap, abban benne van a maximális töltőáram értéke.
Persze ezek a töltők csak akkor jók, ha ólom aksid van!
(#) Kokany82 válasza lapose hozzászólására (») Jan 27, 2009 /
 
Helló Lapose!Milyen potira kéne kicserélni?Egy állítható ellenállásra?És ha igen akkor hány ohm-osra?Mert mint mondtam ez már készen van és jobb lenne ezt kijavítani, mint egy újat építeni.Csak a lényeg hogy mindig rajta maradhasson az akksi.mert ha áramszünet lenne ez csak akkor taraná a frontot a riasztónál ,ott is inkább a teló a lényeg,mert ha kikapcsol akkor újra kell kapcsolnon és ezt elkerülendő akarok egy akksit beiktatni.Olyan akksit veszek amihez ez jó,mert még nincs akksi.Ja és milyen diódát kell rakni?és pontosan hová?
(#) lapose válasza (Felhasználó 13571) hozzászólására (») Jan 27, 2009 /
 
Szia!

Általában egy 12V-os akkumulátor töltésénél a 14,4V-ot adják meg a töltőáram csökkentéséhez, mikor át kell állni csepptöltésre(elnagyolva a dolgokat). De ez csak akkor igaz, ha az akkut felváltva kisütjük-töltjük(pl. zseblámpa).
Ha az akkut készenléti üzemben használjuk(folyamatosan a töltőn van, pl. riasztó), a töltőfeszültséget általában 13.5-13.8V közt adják meg, ez a legkellemesebb az akku részére.
(#) lapose válasza Kokany82 hozzászólására (») Jan 27, 2009 /
 
Szia!

Szerintem így jó lesz! Ha esetleg a feszültség kicsi, lehet változtatni az ellenállás értékeken!

tolto.jpg
    
(#) Kokany82 válasza lapose hozzászólására (») Jan 27, 2009 /
 
Még kaptam egy olyan infót is, hogy a c1 mellé tegyek egy 1000uf/25v elkót ,ez szügségszerű,vagy érdemes?Aha köszi a rajzot és gndolom a diódának megfelel egy 1n4001.Ugye?Ha nem akkor javíts ki.
(#) lapose válasza Kokany82 hozzászólására (») Jan 27, 2009 /
 
Szia!

Természetesen kell puffer az áramkörbe, de ez olyan egyértelmű, hogy nem is foglalkoztam vele.
Jó az 1N4001 diódának!
(#) jandark hozzászólása Jan 27, 2009 /
 
sziasztok!
Nordmende pa 1400 hoz keresnék service manualt ha van valakinek infó elfogadom,,régen stk 055 volt benne de átépitem más véget kap csak hiányzik egy két dolog.....
köszi
(#) Sebi válasza Kokany82 hozzászólására (») Jan 27, 2009 /
 
Ja, ezt én követtem el... Azért nem írtam típust, mert olyat kell választani, ami a kimenőáramot gond nélkül tudja. Egy teljesen mezei P-csatornás teljesítmény FET.
Ez a rész szolgálja a mélykisütés elleni védelmet: a komparátor a megengedett legkisebb feszültség elérésekor kikapcsolja a terhelést és még saját magát is, hogy ne fogyassza tovább az akkut (ez kisebb kapacitásúaknál lényeges lehet). Vissza csak akkor kapcsolja a terhelést, ha megjött a töltés (a FET-et áthidaló két soros diódával). Az akkutól balra látható a kapcsolóüzemű töltő, ehelyett használhatod akár a mellékleted szerinti áramkört is, csak az majd fűteni fog...
(#) Kokany82 válasza Sebi hozzászólására (») Jan 27, 2009 /
 
Szerinted ,az én kapcsolásom úgy ahogy Lapose kijavította,működni fog állandó tölőnek és nem cs...szi szét az akksit?
(#) Kokany82 válasza (Felhasználó 13571) hozzászólására (») Jan 27, 2009 /
 
Csak biztosra megyek!Minnél több vélemény ,annál biztosabb , hogy jó
(#) spetihun hozzászólása Jan 30, 2009 /
 
sziasztok!

Castone CPA 100-H 100 voltos, 400W-os erősítő kapcsolási rajzára lenne szükségem. Az egyik ellenállás kilukadt és leégtek róla a sávok, így nem tudom milyen értékű volt. találtam pár CPA erősítő rajzot itt, de egyik sem ugyan ez.

köszi!
(#) szjoe válasza deguss hozzászólására (») Jan 30, 2009 /
 
Helló! Van DLX208 kisközpont leírásom.Én ma is ezt a közpotot használom. Irj üzit a joevill@enternet.hu címre.
(#) szakács hozzászólása Jan 30, 2009 /
 
üdvözlök mindenkit!szeretném megkérni azt akinek megvan Rádiótechnika ujság 1988/3-1988/11 havi számában közölt telefonközpont leírást kapcsolási rajzal el tudná e küldeni nekem! előre is köszönöm a segítséget!
(#) kitt hozzászólása Jan 31, 2009 /
 
Egy kis segitség kellene. Van egy szélgenerátorom,
ami 18 v-ot tud.Egy akkut szeretnék tölteni vele, ami 6V 24 A. Kellene egy megbizható kapcsolás ami fesz.szabályzó,és töltés vezrő is. Azért a 6V mellet döntöttem, mert az aránylag lassú fordulaton is megvan. Ledes lámpákat szeretnék üzemeltetni vele.
Üdv. mindenkinek.
(#) Sebi válasza szakács hozzászólására (») Jan 31, 2009 /
 
Tessék...

Binder1.pdf
    
(#) sebestyen_ferenc válasza szakács hozzászólására (») Jan 31, 2009 /
 
Szia szakács, feltöltöttem a data.hu adatárhelyre, itt a letöltő link rt1988.pdf
(#) Sebi válasza kitt hozzászólására (») Jan 31, 2009 / 1
 
Gondolom 6V 24Ah-t akartál írni...
Mekkora teljesítményű a generátor (max. kimenő áram)?
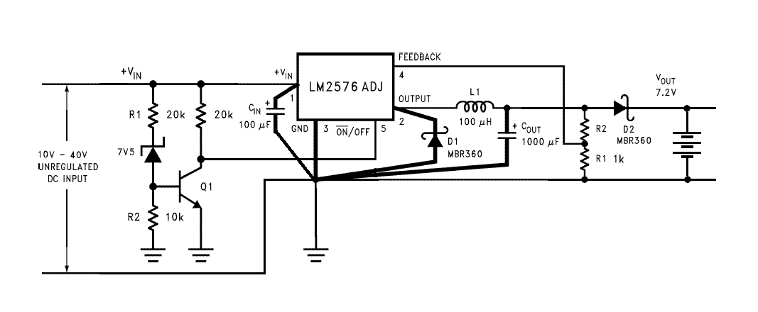
3A-ig jó az LM2576 buck regulator: beállítod a kimenőfeszt a töltési végfeszültségre és végzi a dolgát.
Ha többnyire jó szeled van és kevés a fogyasztás, szükséges lehet átkapcsolhatóvá tenni (csepptöltésre)
(#) kitt válasza Sebi hozzászólására (») Jan 31, 2009 /
 
Igen 6V 24 Ah. A generátor kb 50 W. Kellene kapcsolási rajz.
(#) Sebi válasza kitt hozzászólására (») Jan 31, 2009 /
 
Ezzel el lehet indulni. Gyakorlatban majd kiderül, kell-e túltöltés védelemről gondoskodni.
Minden az adatlapból ollózva, azt is érdemes tanulmányozni. 9,5V bemenő fesz. alatt a tranzisztor leállítja a működést, efölött max. 3A-rel képes tölteni.
A kimenőfeszt pontosan az R2-vel be kell lőni.

2576.GIF
    
(#) kitt válasza Sebi hozzászólására (») Jan 31, 2009 /
 
Köszönöm a gyors választ. Megépítem és tesztelem.
(#) Fules24 hozzászólása Jan 31, 2009 /
 
Sziasztok!
Tud nekem valaki segíteni abban hogy a hamarosan elkészülő etetőhajómra milyen áramkörrel tudnám beszerelni a parti halradarom szonárját?
Esetleg ha valaki meg tudná nekem tervezni a rádiós kapcsolatot azt szivesen honorálnám.
Segítségeteket előre is köszönöm!
(#) szakács hozzászólása Jan 31, 2009 /
 
Köszönöm a gyors segítséget Sebinek és Sebestyén Ferencnek!
(#) alfred hozzászólása Feb 1, 2009 /
 
switching power suply model :350atx_p4 TAP KAPCSOLASI RAJZAT KERESEM NAGYON MEG KOSZONNEM HA VALAKI EL KULDENE KOSZI ELORE IS
(#) Moderátor hozzászólása alfred hozzászólására (») Feb 1, 2009
 
Miért kiabálsz? A Netikett szerint a csupa nagybetűs írás = kiabálás.
Következő: »»   55 / 386
Bejelentkezés

Belépés

Hirdetés
XDT.hu
Az oldalon sütiket használunk a helyes működéshez. Bővebb információt az adatvédelmi szabályzatban olvashatsz. Megértettem