Fórum témák

» Több friss téma
Fórum » Kapunyitás gombnyomásra olcsón! - avagy automata kapu házilag
Lapozás: OK   5 / 108
(#) szabi83 válasza Frankye hozzászólására (») Máj 23, 2006 /
 
hát már földbe van olyan 20 cm-re és nincs gégecsőbe.

Ami az Amper szagott illeti, igen 230-ra mondta h 6A körül a max ebből indultam ki, de a villszerelők is mondták h semmi gond nem lesz vele..

amugy 2*0.5-s hangszórókábelen(4-5 méteres db) ment a motor 12V/2A olyan 10 percet, még teszteltem 2 hónapja, és nem volt semmi melegedés semm..

amugy ha sorba lenne a két motor akkor a vezetéken fele annyi Amper menne igaz?
2A+2A helyet 1A, így gyengébben forog vagy el semm indulna?
(#) Inhouse válasza szabi83 hozzászólására (») Máj 24, 2006 /
 
Ne kösd sorba őket szerintem.
A teljesítmény P=U*I (egyenáramnál), tehát az 1500W pl. ha 12V, akkor 125A (na persze!!!), ha 230V (nem vészes az eltérés váltóhoz képest), akkor 6,5A. Szerintem nem érdemes a 0.75-ös szálon 1500W-os cuccot üzemeltetni, pl. lámpához jó. Most vezetek a kombi tűzhelyhez (villany sütő) külön konektort, külön kismegszakítóval a mérőszekrénytől, 3*2,5-es kábellel.
Szóval megnézném a kábel végén a feszültségesést, mert minél nagyobb áram folyik, annál nagyobb lesz rajta a veszteség. Nézz bele az autód motorterébe, hogy milyen vastag vezetékeken vannak a nagyobb fogyasztók, igaz ezek nagyobb teljesítményűek, de csak 1-1,5m hosszúak a kábelek! Szóval minél kisebb a feszültség, annál nagyobb áram fog folyni, hogy ugyanakkorra teljesítményt tudj leadni. Ezért viszik a távoli helyekre az áramot nagyfeszültségre alakítva, mert vékonyabb vezeték kell és kisebb a veszteség.

A kébelt csupaszon raktad a földbe? Azért egy gégecső nem ártott volna!

Üdv
Inhouse
(#) isamisa válasza szabi83 hozzászólására (») Máj 24, 2006 /
 
Hát ha müködik müködik.
De kicsit lazán álsz hozzá. Bár a lelkesedés nem probléba....
(#) szabi83 válasza isamisa hozzászólására (») Máj 24, 2006 /
 
hát nem parázok az biztos
(#) sirály12 válasza szabi83 hozzászólására (») Jún 14, 2006 /
 
Na ki hogy áll? Én előreléptem egy kicsit.

Megvan a motor, egy 12V-os ablaktörlőmotor, elég erős.
A heggesztési munkálatok fele megvan.
Az elektronika része félig kész.

Most ott tartok, hogy idő kellene, mert az uncsim heggszeti és ő sokat dolgozik, nem ér rá eljönni befejezni, talán valamelyik hétvégén.
Egy infra fénysorompót kell még megcsinálni, legyen biztonságos. A vezérlés panelja kész, már félig beültetve áll előttem, be kell fejezni. Majd ha kész a kapu, fel kell szerelni a 2 végálláskapcsolót, és az infrakaput, (meg a helyzetérzékelőt).

És még meg kell írni a progit a vezérlőbe.

Na itt tartok, szal még van munka.

Ti?
(#) Inhouse válasza sirály12 hozzászólására (») Jún 14, 2006 /
 
Sokkal előrébb vagy nálam, én örülök, ha a füvet van időm lenyírni, pedig a sok eső miatt jól jött volna már a kapu...

Az infrasorompóról adnál több infót, rajz, alkatrészek...

Üdv
Inhouse
(#) sirály12 válasza Inhouse hozzászólására (») Jún 14, 2006 /
 
Az egyik itteni infrás topikban találtam egy szerintem jót. Co**ad-os cucc, megépítem, aztán majd meglátom bírja-e a távot, körülményeket. Minimum 5 m-t kell étvinnie, de inkább többet.
(#) Inhouse válasza sirály12 hozzászólására (») Jún 14, 2006 /
 
Lencsét raksz elé?

Üdv
Inhouse
(#) szabi83 válasza Inhouse hozzászólására (») Jún 14, 2006 /
 
a privátot mikor olvasod?

üdv
(#) Inhouse válasza szabi83 hozzászólására (») Jún 14, 2006 /
 
Bocsi, mindjárt...

Üdv
Inhouse
(#) sirály12 válasza Inhouse hozzászólására (») Jún 14, 2006 /
 
Szerintem fogok rakni elé. De ezt majd akkor döntöm el, ha kész, és ki tudom próbálni. Nemtudom mikor lesz rá időm. (és kedvem).
(#) Gatery válasza sirály12 hozzászólására (») Jún 16, 2006 /
 
Nagyon pang most a téma....senki sem dolgozik???

Szabi83???? Te mér a vezetéket is leraktad....heggesztések? Mostmár jó idő van...esett sok eső a fű is kirohad Szóval Inhouse HAJRÁ! nagyon érdekes a téma! Az eleéről keztem olvasni a témát és nagyon jó volt Szóval dologra mindenki mert nagyon elcsendesedtetek!

A távirányító a probléma?
(#) szabi83 válasza Gatery hozzászólására (») Jún 16, 2006 /
 
nekem még mindig nem csinálta meg az esztergályos, már kételkedek benne!!, hogy nem tudja hogy gondoltam, ill értette ahogy mondtam neki, de az úgy nem jóó asszonta, ő meg szentem nem tudja!!! azért nem csinálta még meg.....
idestova 2 hónapja nála van!!!!!!!!!!!! :duma:

amugy a többi(táv ir, vezérlés) nálam megvan.. kész, csak az időzitéseket kell belőni......
(#) Gatery válasza szabi83 hozzászólására (») Jún 17, 2006 /
 
És akkor mit használsz távirányítóként, maradt a kapucsengőt, relés megoldással?
Tudzs kapcsolási rajzot felrakni? És akkor 555 rulez-es időzítőt használsz?

Ja igen szerintem vezeték lefektetéséhez nagyon jó a hagyományos OBI-ban is kapható zöld nem csavarodás mentes locsoló tömlő....véd mert gumi....és elég nehéz elvágni... a másiug hogy jó rugalmas...és olcsó...

Lehet hogy vezérlésnek nem is kellene távirányító, hanem mondjuk egy oszlop a beálló mellé amin van egy számkombinációs ketyere és csak egy kódod kell beütni úgyis, le kell állni a kocsoval amíg kinyíllik a kapu, és talán ez így biztonságosabb is...
(#) szabi83 válasza Gatery hozzászólására (») Jún 17, 2006 /
 
Idézet:
„És akkor mit használsz távirányítóként, maradt a kapucsengőt, relés megoldással?
Tudzs kapcsolási rajzot felrakni? És akkor 555 rulez-es időzítőt használsz?”

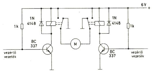
csatoltam amiből ki indultam..

555 rajzon 3 monostabil kapcsolgatja egymást persze ha lejár az idő utána köv ... s közben lehet használni a 3-s lábait úgye bár.. igen jó

555-relé: ez nekem a 2 dik és a 4dik(555) 3-as lábain lévő tranyóval a relét kapcsolja..

az oszlopos ott jo ahol pl nem a kapu bejáró és az utca kőzé esik...
de ha pl falon van és el éred akkor jó de nekem nem lenne jó ha meg jobb oldalon lenne akkor az utason átmászva nyomkodod vagy betolatsz.. már aki szeret tolatni.. nekem erőséggem a tolatás szerencsére, de maradok a csengőnél

áá ez a locsolócső nem hűlyeség, van pár méter ami nem jó thx az 5letér.

fentebb kérdezted a hegesztést, az 1 hónapja kb kész..
+ ezt is:
Idézet:
„Te már a vezetéket is leraktad”

le, de felveszem és teszekle még 1 ilyen kábelt locsolócsőben!


üdv
(#) Gatery válasza szabi83 hozzászólására (») Jún 17, 2006 /
 
Nagyon fel vagy készülve ez a motor kapcolás tényleg elmés

Hogy fogod megoldani hogy ha mondjuk a kerítés elé kerül valami akkor megálljon? lezs racsni vagy kuplunk?

Nekem nagyon tetszett az itt említett akus fúrós megoldás, van benne racsni, erősek házban vannak, a tokmány megléte sem utolsó....könnyebb a szár befogatása gabalytás mentesen.

Mennyibe került az a motor amit vettél?
(#) szabi83 válasza Gatery hozzászólására (») Jún 17, 2006 /
 
Idézet:
„Hogy fogod megoldani hogy ha mondjuk a kerítés elé kerül valami akkor megálljon? lezs racsni vagy kuplunk?”


de ez minek??? nem értem h ez minek kell bele??
oda állok a kapu elé megvárom még kinyilik, aztán be, aztán bezárodik, mi kerülne elé amugy?? kutya biztos nem, peddig van, gyerek meg ne legyen az udvaron se a kapunál mikor száguldozok

Idézet:
„Nekem nagyon tetszett az itt említett akus fúrós megoldás, van benne racsni, erősek házban vannak, a tokmány megléte sem utolsó....könnyebb a szár befogatása gabalytás mentesen.”

- teccik de hogy fogatod be?? müanyagostúl? nah aztán nézki az majd jól
- tokmánya max 10 -es 16-os szár h menne bele?? leeszergálod oké, de szentem el fog fordulni benne
háát...

Idézet:
„Mennyibe került az a motor amit vettél?”

1000Ft volt dbja bontóba ~60-at fordul percenként

üdv
555 forever :nyes:
(#) Inhouse válasza szabi83 hozzászólására (») Jún 19, 2006 /
 
Idézet:
„„Nekem nagyon tetszett az itt említett akus fúrós megoldás, van benne racsni, erősek házban vannak, a tokmány megléte sem utolsó....könnyebb a szár befogatása gabalytás mentesen.”
- teccik de hogy fogatod be?? müanyagostúl? nah aztán nézki az majd jól
- tokmánya max 10 -es 16-os szár h menne bele?? leeszergálod oké, de szentem el fog fordulni benne
háát...”


Bocs, hogy okvetetlenkedek, én még messze állok a gyakorlati megvalósítástól, de ezek fejben már megvannak:
- a burkolata lejön, csak a motor lesz és a tokmány
- le van esztergálva a tengely, előbb így lesz próbálva, ha elfordul, akkor 3 oldalról lecsapom

Üdv
Inhouse
(#) Gatery válasza Inhouse hozzászólására (») Jún 20, 2006 /
 
Szeritetek mindenképpen kell 16-os tengely? miért nem elég a 10-es?

Hol lehet használt aku romlott fúrógépeket kapni (nekem is kettő kéne )?

ezen a távirányításon én még azért elgondolkodom...nekem a kapucsengő túl rizikós.....
(#) Frankye válasza Gatery hozzászólására (») Jún 20, 2006 /
 
Ha nagyon nem kapsz, szólj, és Gyömrőn, a piacon, van egy ismerős mókus, aki mindenféle elektromos kütyü (szerszámgép) javítással foglalkozik. A múltkor éppen arra panaszkodott, hogy az akksis fúrók akksija sorra megy KO-ra, és nem tudja cseréltetni a cellákat. Sztem van neki egy rakattal otthon, ha kell, szerzek tőle. Ingyér biztos nem adja - annál skótabb! -, de tán potom pénzért megszámítja.
Szerk: De lehet, hogy szervizekben is hozzá lehet jutni!
(#) Inhouse válasza Gatery hozzászólására (») Jún 20, 2006 /
 
Én nem bíznám 10-esre, de lehet, hogy elég.
Én kaptam őket 2 villanyász is van a családban...

Üdv
Inhouse
(#) szabi83 válasza Gatery hozzászólására (») Jún 20, 2006 /
 
Idézet:
„Szeritetek mindenképpen kell 16-os tengely? miért nem elég a 10-es?”

miért?
ha kissebb több fordulat kell, lásd M16nál 1 fordulat 2mm "lépés"
10-es nél 1 fordulat szentem 0.75-1 mm

M16 os 620ft volt..

M16osnál eggyel nagyobb M22-es, de az 2* annyiba kerül ~1400Ft

de hogy miért M16-os azt én sem tudom :nyes:

Idézet:
„Hol lehet használt aku romlott fúrógépeket kapni (nekem is kettő kéne )?”

Bolhapiac!!! ezerért kapsz 2őt is talán, ami a talán müxik, de ki tudod próbálni... szentem..

Idézet:
„ezen a távirányításon én még azért elgondolkodom...nekem a kapucsengő túl rizikós.....”

hát nézd az enyém pont 433mhzes...
meg hát városszélén lakom a szomszédokba nincs vezeték nélküli kapucsengő, ergo nem hiszem h lenne vmi zavaró jele, meg amugy is 40méter a hatótávja.


üdv
ui: eszergályos vmit produkált, csak nagyon üt.. holott említetem neki 2 hónapja hogy kb 10 cm lesz használva az 50cm-ből..
ma elmondtam neki hogyé kellene mert az a tuti,s azt mondta akkor úgy megcsinálja..

menetes szár központossan kifúrva, bele a motorszár, rá egy anya és anyástúl motortengelyen keresztűl átfurni 1-1,5mm es fúróval oszt jóvan, a fúratba vmi passzoló cucc és kész..
(#) Gatery válasza szabi83 hozzászólására (») Jún 20, 2006 /
 
Topi felrakott a 433-es adó-vevő-ről cikket, elég érdekes, azt mondja hogy majd csinál pic-es változatot is, ha ez meglasz akkor nem lesz probláma a gombok számával És szerintem, a képek alapján, elég kicsik hogy egy kis dobozba beleférjenek. Az elektrokonthában láttam ilyen két nyomógombos kis dobozt, meg kis dobozt szerintem akár azokba is belefér, így legalább nem lesz gány a kinézete
(#) szabi83 válasza Gatery hozzászólására (») Jún 24, 2006 /
 
:yes:
(#) szabi83 válasza szabi83 hozzászólására (») Aug 4, 2006 /
 
végre! 3.5 hónap után elhoztam(elkértem) amit csináltattam az esztergályossal, de én fejezem majd be. egyiket már megcsináltam 5 perc alatt ..

nincs problémám(csak volt), megoldottam

üdv
(#) szabi83 válasza szabi83 hozzászólására (») Aug 9, 2006 /
 


Egy motor 600mA -t vesz fel, kettő //-ba ~1A -t..

A tápom: 20W-os 12VAC-s trafó, kapott egy 6A graetz-t és 1000µF elkot. 1 motornál nincs gond, de 2-őnél ugrál az áramfelvét.. 300mA - 4A(csúcs)..
mennyi puffert rakjak be neki az 1000uf mellé?
van pár db bontott 470µF/16v, csak mennyit ?

amugy kipróbáltam szépen müxik a dolog
(#) Gatery válasza szabi83 hozzászólására (») Aug 9, 2006 /
 
Küld képeket!
Szerintem rakjár egy 10e mikrosat az biztos elég lesz
(#) szabi83 válasza Gatery hozzászólására (») Aug 9, 2006 /
 
hmmm, te is ezt mondod.. :yes:
más szerint is 10 000µF ?
(#) szabi83 válasza szabi83 hozzászólására (») Aug 10, 2006 /
 
**up**

(#) Inhouse válasza szabi83 hozzászólására (») Aug 10, 2006 /
 
Nem valószínű, hogy kondikkal megoldódik a dolog, lehet, hogy kellene egy nagyobb táp. Ha megterhelődik a cucc, akkor mennyit vesz fel a motor? Többet kell neki...

Üdv
Inhouse
Következő: »»   5 / 108
Bejelentkezés

Belépés

Hirdetés
XDT.hu
Az oldalon sütiket használunk a helyes működéshez. Bővebb információt az adatvédelmi szabályzatban olvashatsz. Megértettem