Fórum témák

» Több friss téma
Fórum » Labortápegység készítése
Egyéb népszerű labortáp témák:
- SMPS labortáp
- Labortáp javítása
Lapozás: OK   118 / 848
(#) Erick válasza Attila86 hozzászólására (») Jan 30, 2009 /
 
Ok!
Akkor letekertem a feszt,az áramot maxra terheletlenül:
8as láb: 2,45V
14es láb: 10,30V
Letekert áram,feltekert fesz.:
8as láb: 9,09V
14es láb: -8,23V
(#) Attila86 válasza Erick hozzászólására (») Jan 30, 2009 /
 
Ez is jónak tűnik. Ennek fényében továbra is azt mondom, hogy a 14-es láb és az ellenállás meg a dióda valahogy nem stimmel. Szakadás vagy zárlat van valahol a 14-es láb és a fet gate-ellenállása közti részen.

Amikor a 14-es lábon negatív feszültséget mérsz (-8,23V), akkor mekkora feszültség van a fet gate-jén?
(#) Erick válasza Attila86 hozzászólására (») Jan 30, 2009 /
 
Nah amikor a 14es lábon -8,23V van akkor a 47ohmos ellenállás után -7,53V van!
Viszont ha feltekerem az áramállító potikat,akkor a 14es lábon a fesz ugye felmegy 10,30V ra,de a fet nél már csak 3,43V van,sőt már a 47ohmos ellenállás előtt is csak 3,43V van!
(#) Attila86 válasza Erick hozzászólására (») Jan 30, 2009 /
 
Ez szintén jónak tűnik. Amikor a 14-es lábon negatív feszültség van, akkor az azt jelenti hogy az áram-szabályozó kör működik és próbálja lezárni a fetet hogy kisebb áram folyhasson. Tehát elvileg nálad mindennek rendben kellene hogy legyen. Ha leterheled a tápot és az áramot állító potikat lejjebb tekered, akkor igenis áramgenerátoros üzemre kell hogy váltson a táp. Az eddigi mérések alapján pedig nagyon úgy néz ki hogy át is vált.
(#) Erick válasza Attila86 hozzászólására (») Jan 30, 2009 /
 
Persze hogy átvált,ha leterhelem a tápot és a terhelésnek szükséges áramnál kisebb áramot állítok be akkor a sárga led elkezd világítani és le is esik a kimeneti fesz,de az a baj egyébként hogy a maximális kimenő áramot nem tudom beállítani a trimmerrel,nem az hogy nem jo az áramgenerátor,hanem nem tudok beállítani max kimeneti áramot!
(#) Attila86 válasza Erick hozzászólására (») Jan 30, 2009 /
 
Basszus...
Akkor ellenőrizd hogy a P1-es trimmer valóban 220k-s, illetve hogy az R8 tényleg 22k-s. Utána mérj feszültséget a P1 trimmer középső lábán és nézd meg hogy változik-e e feszültség a trimmer eltekergetésével.
Ha igen, akkor az áramot állító potikat tekerd maximumra és a P1-et tekerd abba a végállásába ahol a középső lábán a legnagyobb feszültség mérhető. Na ezt a feszültség-értéket írd meg nekem!
(#) Erick válasza Attila86 hozzászólására (») Jan 31, 2009 /
 
A trimmert ha tekergetem a középső lábán 3,02V-tól 0,42V-ig változik!
Ha legkisebb az ellenállása,akkor 0,42V,ha pedig a legnyagyobb,akkor 3,02V!
Ha az áram állító potik maxon vannak,és a trimmer ott van ahol a legnagyobb a feszültség,akkor a középső lábán 3,52V van!Ha tekerem lefelé a potikat,akkor lemegy egészen 0,00V-ig amikor a potik minimumon vannak!
Jah és a trimmer 220k az ellenállás pedig 22K,tehát minden stimmel eddig!
Várom válaszod!
(#) Attila86 válasza Erick hozzászólására (») Jan 31, 2009 /
 
Tegnap este már kicsit fáradt voltam és rosszul írtam az utolsó előtti mondatot.
Helyesen:
Idézet:
„Ha igen, akkor az áramot állító potikat tekerd maximumra és a P1-et tekerd abba a végállásába ahol a középső lábán a legkisebb feszültség mérhető.”


Egy másik kérdés: Mekkorára szeretnéd beállítani a kimenő áram maximumát? 10A-re?
(#) Erick válasza Attila86 hozzászólására (») Jan 31, 2009 /
 
Hát nemtudom még,mert a trafóm még nincsen meg,és majd attól függően mien trafót tudok venni,olyan lesz a kimenő áram maximuma!
Nah akkor a feszültség a középső lábon 0,625V ez a legkisebb fesz ezen a lábon!
(#) Attila86 válasza Erick hozzászólására (») Jan 31, 2009 /
 
Idézet:
„Nah akkor a feszültség a középső lábon 0,625V ez a legkisebb fesz ezen a lábon!”


Ez lesz a gond. Ugyanis a söntökön 10A esetén esik 500mV, nálad pedig a legkisebb állás az áram-határoló trimmernél 625mV. Úgy kellene, hogy a 625mV helyett kb 350mV legyen, és akkor 7A lehet a maximáis áram legkisebb értéke (amit a trimmerrel lehet állítani).

Ezt úgy tudod elérni, hogyha az R8-at növeled. Ahogyan eddig, az áramot állító két potit tekerd maximumra, a P1 trimmert pedig minimumra. Ez után mérj feszültséget a P1 trimmer középső lábán (ahogy legutóbb). R8 helyére pedig tegyél be mondjuk egy 33k-s ellenállást és mérd meg hogy mekkora a feszültség (a P1 középső lábán). Ha még mindig nincs 350mV környékén, akkor R8-at növeld 47k-ra, majd 75k-ra stb mindaddig, amíg kb 350mV lesz a P1 középső lábán.
(#) Erick válasza Attila86 hozzászólására (») Jan 31, 2009 /
 
Nah most beraktam egy 220Kohmos ellenállás és azzal már lement 0,345V ra,sztem igy jo lesz,de most sajna nincvs annyi terhelésem ami felvenne legalább 7A-t ugy hogy majd holnap folytatom!
Köszi az eddigi segítséget!
(#) Attila86 válasza Erick hozzászólására (») Jan 31, 2009 /
 
Nagyon szívesen!

Idézet:
„...most sajna nincvs annyi terhelésem...”

Ezzel én is így vagyok. Én is pont a labortápommal foglalkozom (ezzel) és az a gondom hogy nem tudom teljesen leterhelni mert sajnos csak 250W-nyi műterhelésem van és 500W kellene.
Én 24V 60W-os izzókat használok. Neked is azt javaslom hogy ilyen izzókat használj mert ezek olcsóak és kevésbé melegszenek mint az ellenállások (mivel világít).
(#) proli007 válasza Attila86 hozzászólására (») Jan 31, 2009 /
 
Hello!

Én is szeretek izzót használni. De illik tudatosítani a használójában, hogy hideg ellenállásuk van. Mert ezzel sokan csapdába esnek, és mindenfélével meggyanúsítják a tápot.

Az igazság kedvéért azt is hozzá tenném, hogy egy normál 100W-os izzó, kb. teljesítményének mint egy 5%-át jelenti a fény leadása, és 95% hővé alakul. Persze a hőmérséklete jó magas, így azt is le tudja sugározni, lényegesen jobban mint egy hidegebb ellenállás.

üdv! proli007
(#) Attila86 válasza proli007 hozzászólására (») Jan 31, 2009 /
 
Üdv.!

Ez így igaz! Nálam is össze-vissza mászkálgat az áram az izzó ellenállásának változása miatt. Sőt, alacsony teljesítményen amikor csak éppen hogy világít az izzószál, akkor tök jól használható 'légmozgás-érzékelőnek' az izzó. Ha valaki nem hiszi akkor csak fújjon rá vagy legyintsen az izzó felé egy újságpapírral és figyelje az áram-változást...

Üdv.: Attila
(#) jdani hozzászólása Jan 31, 2009 /
 
Helló Attila86. Azt szeretném megtudni, hogy nincs-e neked a nagyobb tápegységedhez előlapú furatok helyei, mint a kisebbik labornál is volt. Én csak az előlapi matricát találtam, de azon nincs a display kijelölve
(#) Attila86 válasza jdani hozzászólására (») Jan 31, 2009 /
 
Üdv.!

Nem, nincsen. De ebből a képből te magad is tudsz készíteni egyet:
Bővebben: KÉP
Csak paintben a felesleget ki kell törölni. Én magam is így készítem az előlap-terveket.
(#) jdani válasza Attila86 hozzászólására (») Jan 31, 2009 /
 
Aha, ez jó! köszi.
(#) Erick válasza Attila86 hozzászólására (») Feb 1, 2009 /
 
Cső!Hát lehet hogy megpróbálok venni ilyen izzókat majd a héten,mert ez télleg jol jöhet!
Még annyi problémám lenne a táppal,hogy végülis tegnap kerítettem rá ilyen autó fényszóró izzókat,és azzal sikerült belőle kicsalni több mint 7A-t,de végülis a max áramot 7A-re állítottam,és mikor be akartam állítani a kijelzőt is hogy 7A-t mutasson,sajnos a helitrimmerrel nem tudtam lejebb vinni mint 8,2A
ez mitől lehet?!
(#) Attila86 válasza Erick hozzászólására (») Feb 1, 2009 /
 
Ez szerintem azért van, hogy más referenciát használtál. Mekkora feszültség van az ICL7135 2-es lábán? (nem tudom hogy kell-e még mondanom, de az AGND-hez képest)

A probléma egyébként többféleképpen is megoldható, de előbb a 2-es láb feszültségét tudjuk meg (referencia).
(#) mikulamotor válasza Imi65 hozzászólására (») Feb 1, 2009 /
 
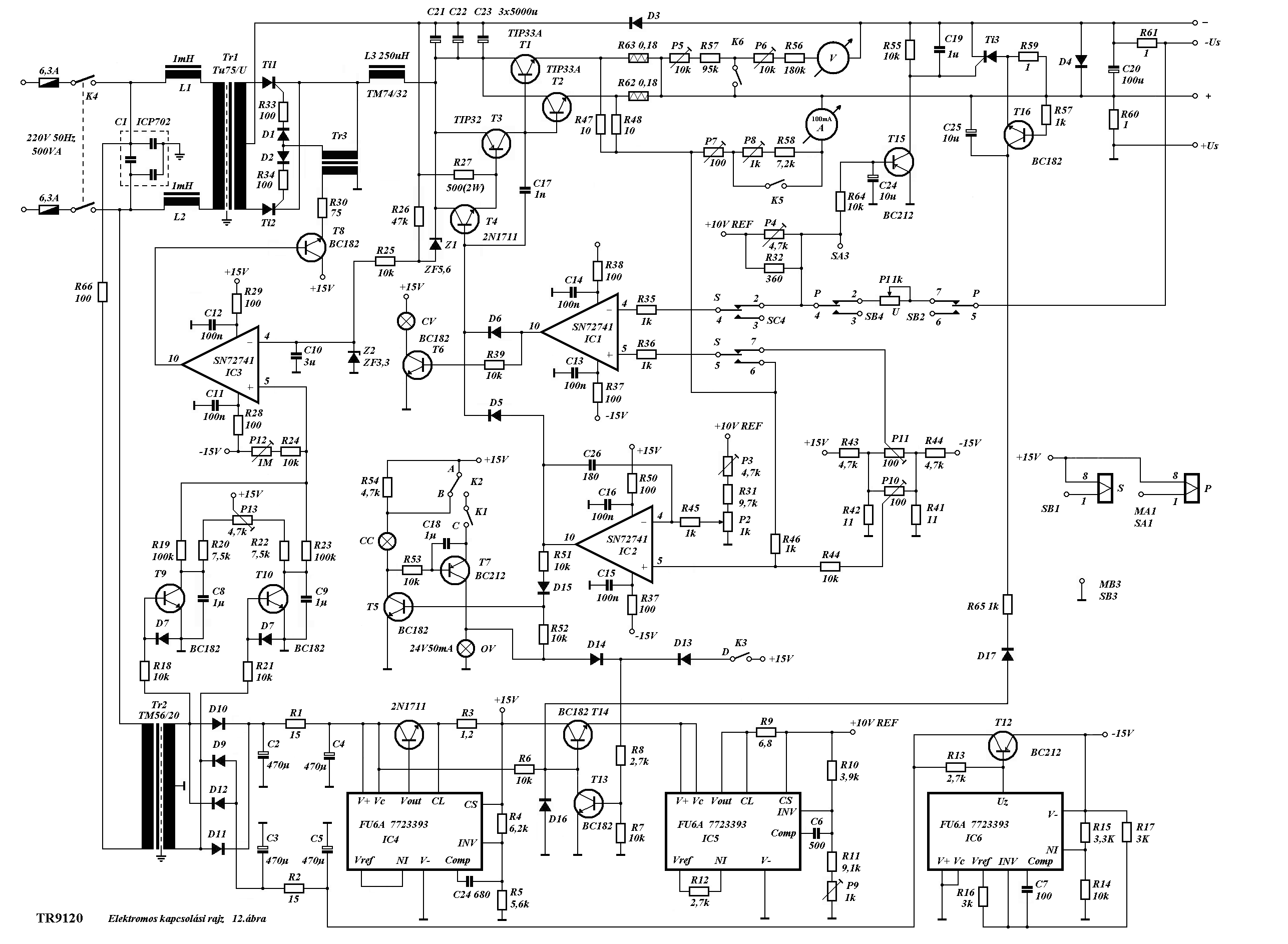
Szia ! Gonddal fordulnék hozzád,a TR9120.jpg . képen látható típus tápot kerítettem és látom te értesz hozzá.
Az lenne a gondom vele,hogy akitől hoztam az akkumulátort akart vele tölteni. A mellékelt képen látható ellenállás elégett, és az egyik triakra nem jól volt felforrasztva a vezeték és csak hozzá ért. Ezeket megcsináltam de így se akar feszültséget adni,de a 3 visszajelző lámpa szokott világítani,trafóból kijön 40V ill.80V Mit kellene megnéznem rajta,hogy életre keljen? Előre is köszi
(#) mikulamotor hozzászólása Feb 2, 2009 /
 
Még a TR9120 kapcsolási rajzot sikerült megtalálni,hátha ez segítség.
(#) proli007 válasza mikulamotor hozzászólására (») Feb 2, 2009 /
 
Hello!

- A két ellenállás, azért égett le, mert rossz kapcson terhelték a tápot. (De ettől még nem kellett volna meghibásodnia.)
- Ez a két pontra csak azért van szükség, hogy vissza lehessen vezetni a feszültséget a szabályzóra. (hosszú tápvezetéken 10A mellett, már jelentős feszültség eshet, de ha a másik két vezetéket az "nagy áramvezető" végére kötjük, akkor azon a ponton állítja be a feszültséget, nem a táp kimenetén)
- Mérd meg először a +-15V segédtápfeszültségeket, hogy megvannak-e. K3 bekapcsolt állapota mellett mérd meg a 10V-os referenciát.
- Mérd meg, a C21/22/23 párhuzamosan kapcsolt kondiban a feszültséget. Itt mindig kb. 5,6V-al nagyobb feszültségnek kell lenni, mint a kimeneti feszültség.
- Terheld meg egy 24V100W-os izzóval a (C21..) kondikat, és mérd meg van-e rajtuk így is feszültség.

üdv! proli007
(#) mikulamotor hozzászólása Feb 2, 2009 /
 
A nyomtatott áramkörön találtam olyat hogy +15 és -15 és a két pont között mértem 29 voltot de estére fogok nekiállni komolyabban belemerülni de az OV lámpán mértem 15 voltot.
(#) mikulamotor hozzászólása Feb 2, 2009 /
 
ja meg még egy olyan észrevételem van hogy szerintem nekünk 3 db kondi helyett 1db 22000qF 63 voltos kondink van 1-2 V van közte .Lehetséges?
(#) proli007 válasza mikulamotor hozzászólására (») Feb 3, 2009 /
 
Hello!
Ezt a tápot nekem is át kellen tanulmányozni, mert nem tudom melyik kapcsolónak, relének mi is az elképzelt funkciója, elég átláthatatlan.
Ha nem a GND-hez képest mértél (ami ennél a tápnál a +Us kimenettel azonos) akkor nem értelmezhető a dolog.

De mindenek előtt a tirisztoros előszabályzónak kellene működni. Mint írtam, ez minden esetben 5,6V-al nagyobb feszültséget biztosít a pufferen, mint az aktuális kimenő feszültség. Ezt az IC3 és a Z1 biztosítja. Teszi azért, hogy a soros áteresztő tranyók disszipációja kicsi legyen, de legyen miből szabályozni.
Ha a Z1-et kicseréled egy 24V-osra, akkor a C21 pufferen egy terhelhető 24V-ot kell kapnod. Ha ez nincs meg, akkor nem szabályoz a fázishasításos tirisztoros rész. Ott viszont egy szkóp nem ártana.
Az egy kondi nem jelet semmit, de az 1V igen kevés.

üdv! proli007
(#) zoly15 hozzászólása Feb 5, 2009 /
 
Jó reggelt kívánok!
Tegnap rábukkantam Skori honlapján egy 555-ic vel üzemelő tápegységre...
Itt a legalsó
Nagyon megtetszett.. Kérnék erről a kapcsolásról véleményeket... Megépítette már ezt valaki?
Nekem jónak tűnik olcsó és jó is...
Az Attila86 féle labor tápegység sorozat nekem sajnos drágának bizonyul :no:

Előre is köszönöm!

Üdv!
(#) Doncso válasza zoly15 hozzászólására (») Feb 5, 2009 /
 
Itt van egy pár kapcsolás, bár én eddig egyiket sem építettem meg, de Skori munkásságát elnézve rosszul biztos nem jársz a kapcsolásaival.
(#) Attila86 válasza zoly15 hozzászólására (») Feb 5, 2009 /
 
Üdv.!

Skori az oldalán leírja a véleményéterről az 555-ös tápról.
Ennek a tápnak szerintem az az előnye, hogy magas a hatásfoka és viszonylag egyszerű. De cserébe a kapcsolóüzem miatt zajt termel (ez minden kapcsolóüzemű tápra igaz), és a kimenetén 2db 1000µF-os elkó van, ami miatt áramgenerátoros üzemben csak korlátozottan használható.
(#) zoly15 válasza Attila86 hozzászólására (») Feb 5, 2009 /
 
Akkor lehet hogy mégsem építem meg...
És gyűjtök pénzt a te tápodra

Üdv!
(#) zoly15 hozzászólása Feb 7, 2009 /
 
Sziasztok!
Most gondolkodtam azon hogy építeni kéne nekem egy "mini labortápot" amire azért gondoltam mert ha pl kondikat formázok vagy valami amihez kis teljesítmény kell minek járassam a mostani tápot (0-24V 0-5A) amiben egy 120VA körüli trafó van....
Amivel szeretném a kicsi tápot: 12VAC 40W os a trafó...
Vagy van egy hipersil magos ami 2X 24VAC...
Valaki tudna valami jó és STABIL áramgenerátoros rajzocskát adni?
Az lenne jó ha minél több lenne a feszültség a kimeneten áramnak elég az 1- 1.5A
Előre is köszönöm!

Üdv!
Következő: »»   118 / 848
Bejelentkezés

Belépés

Hirdetés
XDT.hu
Az oldalon sütiket használunk a helyes működéshez. Bővebb információt az adatvédelmi szabályzatban olvashatsz. Megértettem