Fórum témák
» Több friss téma |
- Ez a felület kizárólag, az elektronikában kezdők kérdéseinek van fenntartva és nem elfelejtve, hogy hobbielektronika a fórumunk!
- Ami tehát azt jelenti, hogy a nagymama bevásárlását nem itt beszéljük meg, ill. ez nem üzenőfal! - Kerülendő az olyan kérdés, amit egy másik meglévő (több mint 17000 van), témában kellene kitárgyalni! - És végül büntetés terhe mellett kerülendő az MSN és egyéb szleng, a magyar helyesírás mellőzése, beleértve a mondateleji nagybetűket is!
Szia! Ahogy didyman is mondja föld, de testnek is mondjuk. Vagy lehet a nulla potenciálnak is venni.
Az MSN-es írási stílust, kérjük, itt mellőzd.
Köszönöm szépen!
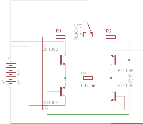
Sziasztok! Gondoltam építek egy egyszerű H-hidat, de lenne egy problémám: hogyan határozom meg R1 és R2 ellenállásokat?
Nem motor vezérlésre akarom, csak a műszeren akarom látni, hogy működik, ezért a motor helyére egy 100Ohm-os ellenállást terveztem. A tranyók BC182B tipusúak, a tápfesz 5V. Arra jutottam, hogy ugye R=U/I. A tranyó nyitófeszültsége 0.6V, 5-0.6 az 4,4V, de mi az I? Előre is köszönöm a segítséget.
A terhelésen (jelen esetben az ellenálláson, később a motoron) átfolyó áram. (Ha jó a gondolatmenetem.)
A tranzisztorok bázisáramát állitod be az R1,R2-vel. A bázisáram viszont függvénye a bétának. Tételezzünk fel egy viszonylag alacsony értéket,az egyszerűség kedvéért legyen 100. Cseréld ki az R3-as ellenállást 47 ohm 1W tipusra. Ezen az ellenálláson 5V tápfeszültség esetén~100mA áram fog folyni,mivel a hid kettő nyitott tranzisztorán is mérhető kollektor-emitter viszonylatban feszültségesés. 100mA kollektoráram létrehozásához 100-as feltételezett áramerősités esetén 1mA bázisáram tartozik,de miután kettő bázist kell vezérelni egyideűleg legyen a bázisáram 2mA. R=U/I=4.6V/0.002=2300 ohm=~2.2k ohm.
Ennél magasabb értéket ne tegyél be. Természetesen a rajzod csak elvi,igy még hiányos,például a védődiódákat is bele kell applikálni induktiv terhelés esetén.
Hogyha egy 24 voltos 100VA trafót veszek és ez az kapcsolás aszt írja AC max 22v abból lehet gond vagy inkább 18 Voltosat vegyek?? Akapcsolás:
Sziasztok!
Szeretnék egy univerzális tápot építeni, de nem találok 4,5V-os feszültségszabályzó IC - pedig kéne - és nem tudom hogy oldjam meg ezt a fogas kérdést. Valamint egy 500mA-es biztonsági transzformátorom van, és a fesz.szab. IC-k - amitket vennék - azok meg 1 A-esek. z nem baj?? Legyetek szívesek segíteni. Mellékeltem a dobozom előlapját (csak úgy)
Inkább 18V-osat vegyél,mert az ic egyik határadata a max 32V tápfesz. Egy 24V-os trafónál a puffer terheletlen állapotba ennél nagyobb értékre töltődik,és annyi a toknak....
Értem.
Köszi szépen. Kimértem a tranyóim erősítési tényezőjét műszerrel átlagosan 260. Akkor szerintem ezzel fogok számolni.A rajzom persze elvi, csak a működési elvet szeretném elsajátítani. :smoke: Még egyszer köszönöm szépen az alapos választ.
Még valami:
Hogyan tudom megszűrni a 12V-ot
Azért van egy kis gond. Figyelembe kell venni a kis,és a nagyjelű áramerősités különbségét. A műszered a kisjelűt méri,igy kedvezőbb az eredmény...
Tulajdonképp az előző hsz-ben irt 2,2k ezekhez a tranyókhoz is megfelel,gondot nem okoz a nagyobb áram,ezt inkább az áramkör tervezésekor kell figyelembe venni,főleg telepes táplálásnál nem mindegy a fogyasztás.
Ha ez az első tápod akkor olvasgass még egy kicsit hozzá,mert a tápfesszűréses kérdést azért neked is tudnod kellene igy tápegységépités előtt.
Egyébként,ha jól értem,minden diszkrét feszültségszintet stabilizátor ic-vel akarsz előállitani? Nekem van egy kis tápom abban MC34063 dolgozik,egyszerű ellenállásos beállitásban 3-14V-ig voltonkénti lépcsőben lehet a feszültséget állitani. Ez ugyan kapcsolóüzemű,de egészen jól használható kisérletezésre. Ami a trafót illeti: ha csak 500mA a terhelhetősége akkor hiába kötsz utána 1A-os stabkockát,nem fog nagyobb áramot leadni,de a stab természetesen jó hozzá.
Éppen az a gondom:
1: hogy nem fogja kiütni a trafót 2: 4,5V-ot előállítani 3: nekem szűrt fesz kell, mert pic égetésére is szeretném használni
Hogy ne károsodjon a trafód áramkorlát is kellene...
Például?
Például mi?
Sziasztok.
Kaptam egy szorgalmi feladatot egy fősulis barátomtól. Sajnos eddig nem jutottam vele sokra. Ha esetleg valaki levezetné nekem azt nagyon szépen megköszönném.
szevasztok!
bocs ha rossz topicba irok de ez a legegyszerűbb mert sietek tegnap írtam az erősítővel kapcsoltaban és az a problémám még, hogy müködik csak egy idő után elnémul teljesen.pedig mindent jo helyre kötöttem és fogalmam sincs hogy mi lehet a probléma.ha tudtok segteni azt megköszönném!
Ez nagyon kis trükkös feladat, a lényeg, hogy ilyenkor mindig a kapcsolódó pontokat nézd. Átrendezve az ellenállásokat már nem is mutat olyan szörnyen.
Azt figyeld meg, hogy pl az R1 érintkezik az R2, R3, R4 ellenállásokkal. Így kell nézni a kapcsolódó pontokat, ez alapján kell átrendezni az egészet. (Remélem jól csináltam xD)
Sziasztok! Ami ebbe a ledes számlálóba van benne IC az szerintetek hanyas lehet mert nem írja. Ha valaki tudja az írjon
Így már tényleg pofon egyszerű számolni. Köszönöm hogy foglalkoztál vele.
ez a link az előző irományomhoz mert most vettem észre hogy kicsi a kép
Tényleg, elnézést, amikor átrajzoltam a papírról gépre, rossz helyre kötöttem. Legközelebb jobban figyelek.
És a shiftet sem találod, meg az írásjeleket ugye?
Semmi gond, csak az nem téved, aki nem "dolgozik".
Köszönöm szépen. watt neked is az észre vételt.
Szobiati semmi gond legalább gyakoroltam Ohm törvényét. Számolgattam egy kicsit. |
Bejelentkezés
Hirdetés |







Ha esetleg valaki levezetné nekem azt nagyon szépen megköszönném.








