Fórum témák

» Több friss téma
Fórum » Elektronikában kezdők kérdései
- Ez a felület kizárólag, az elektronikában kezdők kérdéseinek van fenntartva és nem elfelejtve, hogy hobbielektronika a fórumunk!
- Ami tehát azt jelenti, hogy a nagymama bevásárlását nem itt beszéljük meg, ill. ez nem üzenőfal!
- Kerülendő az olyan kérdés, amit egy másik meglévő (több mint 17000 van), témában kellene kitárgyalni!
- És végül büntetés terhe mellett kerülendő az MSN és egyéb szleng, a magyar helyesírás mellőzése, beleértve a mondateleji nagybetűket is!
Lapozás: OK   444 / 4057
(#) Action2K válasza koval hozzászólására (») Márc 12, 2009 /
 
Szia! Ahogy didyman is mondja föld, de testnek is mondjuk. Vagy lehet a nulla potenciálnak is venni.
Az MSN-es írási stílust, kérjük, itt mellőzd.
(#) csezoli21 válasza Flatlander hozzászólására (») Márc 12, 2009 /
 
Köszönöm szépen!
(#) Szobiati hozzászólása Márc 12, 2009 /
 
Sziasztok! Gondoltam építek egy egyszerű H-hidat, de lenne egy problémám: hogyan határozom meg R1 és R2 ellenállásokat?
Nem motor vezérlésre akarom, csak a műszeren akarom látni, hogy működik, ezért a motor helyére egy 100Ohm-os ellenállást terveztem. A tranyók BC182B tipusúak, a tápfesz 5V.
Arra jutottam, hogy ugye R=U/I. A tranyó nyitófeszültsége 0.6V, 5-0.6 az 4,4V, de mi az I?
Előre is köszönöm a segítséget.

híd.png
    
(#) Frankye válasza Szobiati hozzászólására (») Márc 12, 2009 /
 
A terhelésen (jelen esetben az ellenálláson, később a motoron) átfolyó áram. (Ha jó a gondolatmenetem.)
(#) mex válasza Szobiati hozzászólására (») Márc 12, 2009 /
 
A tranzisztorok bázisáramát állitod be az R1,R2-vel. A bázisáram viszont függvénye a bétának. Tételezzünk fel egy viszonylag alacsony értéket,az egyszerűség kedvéért legyen 100. Cseréld ki az R3-as ellenállást 47 ohm 1W tipusra. Ezen az ellenálláson 5V tápfeszültség esetén~100mA áram fog folyni,mivel a hid kettő nyitott tranzisztorán is mérhető kollektor-emitter viszonylatban feszültségesés. 100mA kollektoráram létrehozásához 100-as feltételezett áramerősités esetén 1mA bázisáram tartozik,de miután kettő bázist kell vezérelni egyideűleg legyen a bázisáram 2mA. R=U/I=4.6V/0.002=2300 ohm=~2.2k ohm.
Ennél magasabb értéket ne tegyél be. Természetesen a rajzod csak elvi,igy még hiányos,például a védődiódákat is bele kell applikálni induktiv terhelés esetén.
(#) Electricboy hozzászólása Márc 12, 2009 /
 
Hogyha egy 24 voltos 100VA trafót veszek és ez az kapcsolás aszt írja AC max 22v abból lehet gond vagy inkább 18 Voltosat vegyek?? Akapcsolás:

LAB táp.jpg
    
(#) kiskacsa2009 hozzászólása Márc 12, 2009 /
 
Sziasztok!
Szeretnék egy univerzális tápot építeni, de nem találok 4,5V-os feszültségszabályzó IC - pedig kéne - és nem tudom hogy oldjam meg ezt a fogas kérdést.
Valamint egy 500mA-es biztonsági transzformátorom van, és a fesz.szab. IC-k - amitket vennék - azok meg 1 A-esek. z nem baj??
Legyetek szívesek segíteni.
Mellékeltem a dobozom előlapját (csak úgy)
(#) mex válasza Electricboy hozzászólására (») Márc 12, 2009 /
 
Inkább 18V-osat vegyél,mert az ic egyik határadata a max 32V tápfesz. Egy 24V-os trafónál a puffer terheletlen állapotba ennél nagyobb értékre töltődik,és annyi a toknak....
(#) Szobiati válasza mex hozzászólására (») Márc 12, 2009 /
 
Értem. Köszi szépen. Kimértem a tranyóim erősítési tényezőjét műszerrel átlagosan 260. Akkor szerintem ezzel fogok számolni.
A rajzom persze elvi, csak a működési elvet szeretném elsajátítani. :smoke:
Még egyszer köszönöm szépen az alapos választ.
(#) kiskacsa2009 hozzászólása Márc 12, 2009 /
 
Még valami:
Hogyan tudom megszűrni a 12V-ot
(#) mex válasza Szobiati hozzászólására (») Márc 12, 2009 /
 
Azért van egy kis gond. Figyelembe kell venni a kis,és a nagyjelű áramerősités különbségét. A műszered a kisjelűt méri,igy kedvezőbb az eredmény...
Tulajdonképp az előző hsz-ben irt 2,2k ezekhez a tranyókhoz is megfelel,gondot nem okoz a nagyobb áram,ezt inkább az áramkör tervezésekor kell figyelembe venni,főleg telepes táplálásnál nem mindegy a fogyasztás.
(#) mex válasza kiskacsa2009 hozzászólására (») Márc 12, 2009 /
 
Ha ez az első tápod akkor olvasgass még egy kicsit hozzá,mert a tápfesszűréses kérdést azért neked is tudnod kellene igy tápegységépités előtt.
Egyébként,ha jól értem,minden diszkrét feszültségszintet stabilizátor ic-vel akarsz előállitani?
Nekem van egy kis tápom abban MC34063 dolgozik,egyszerű ellenállásos beállitásban 3-14V-ig voltonkénti lépcsőben lehet a feszültséget állitani. Ez ugyan kapcsolóüzemű,de egészen jól használható kisérletezésre.
Ami a trafót illeti: ha csak 500mA a terhelhetősége akkor hiába kötsz utána 1A-os stabkockát,nem fog nagyobb áramot leadni,de a stab természetesen jó hozzá.
(#) kiskacsa2009 válasza mex hozzászólására (») Márc 12, 2009 /
 
Éppen az a gondom:
1: hogy nem fogja kiütni a trafót
2: 4,5V-ot előállítani
3: nekem szűrt fesz kell, mert pic égetésére is szeretném használni
(#) mex válasza kiskacsa2009 hozzászólására (») Márc 12, 2009 /
 
Hogy ne károsodjon a trafód áramkorlát is kellene...
(#) kiskacsa2009 válasza mex hozzászólására (») Márc 12, 2009 /
 
Például?
(#) mex válasza kiskacsa2009 hozzászólására (») Márc 12, 2009 /
 
Például mi?
(#) Tama89 hozzászólása Márc 12, 2009 /
 
Sziasztok.
Kaptam egy szorgalmi feladatot egy fősulis barátomtól.
Sajnos eddig nem jutottam vele sokra. Ha esetleg valaki levezetné nekem azt nagyon szépen megköszönném.

1.pdf
    
(#) Lu-Dash hozzászólása Márc 12, 2009 /
 
szevasztok!
bocs ha rossz topicba irok de ez a legegyszerűbb mert sietek tegnap írtam az erősítővel kapcsoltaban és az a problémám még, hogy müködik csak egy idő után elnémul teljesen.pedig mindent jo helyre kötöttem és fogalmam sincs hogy mi lehet a probléma.ha tudtok segteni azt megköszönném!

ne116.jpg
    
(#) Szobiati válasza Tama89 hozzászólására (») Márc 12, 2009 /
 
Ez nagyon kis trükkös feladat, a lényeg, hogy ilyenkor mindig a kapcsolódó pontokat nézd. Átrendezve az ellenállásokat már nem is mutat olyan szörnyen.

Azt figyeld meg, hogy pl az R1 érintkezik az R2, R3, R4 ellenállásokkal. Így kell nézni a kapcsolódó pontokat, ez alapján kell átrendezni az egészet.
(Remélem jól csináltam xD)
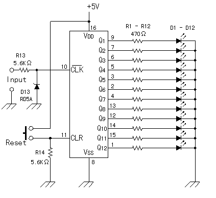
(#) petya100 hozzászólása Márc 12, 2009 /
 
Sziasztok! Ami ebbe a ledes számlálóba van benne IC az szerintetek hanyas lehet mert nem írja. Ha valaki tudja az írjon

ckt14_1.gif
    
(#) Tama89 válasza Szobiati hozzászólására (») Márc 12, 2009 /
 
Így már tényleg pofon egyszerű számolni. Köszönöm hogy foglalkoztál vele.
(#) watt válasza Tama89 hozzászólására (») Márc 12, 2009 /
 
Az lehet, csak nem jó! (szerintem...)
(#) Lu-Dash hozzászólása Márc 12, 2009 /
 
ez a link az előző irományomhoz mert most vettem észre hogy kicsi a kép
(#) mex válasza watt hozzászólására (») Márc 12, 2009 /
 
De igy már igen:
(#) watt válasza mex hozzászólására (») Márc 12, 2009 /
 
Igen, biza!
(#) Lu-Dash hozzászólása Márc 12, 2009 /
 
na megint nem sikerült elküldeni
(#) Szobiati hozzászólása Márc 12, 2009 /
 
Tényleg, elnézést, amikor átrajzoltam a papírról gépre, rossz helyre kötöttem. Legközelebb jobban figyelek.
(#) watt válasza Lu-Dash hozzászólására (») Márc 12, 2009 /
 
És a shiftet sem találod, meg az írásjeleket ugye?
(#) watt válasza Szobiati hozzászólására (») Márc 12, 2009 /
 
Semmi gond, csak az nem téved, aki nem "dolgozik".
(#) Tama89 válasza mex hozzászólására (») Márc 12, 2009 /
 
Köszönöm szépen. watt neked is az észre vételt.
Szobiati semmi gond legalább gyakoroltam Ohm törvényét. Számolgattam egy kicsit.
Következő: »»   444 / 4057
Bejelentkezés

Belépés

Hirdetés
XDT.hu
Az oldalon sütiket használunk a helyes működéshez. Bővebb információt az adatvédelmi szabályzatban olvashatsz. Megértettem