Fórum témák
» Több friss téma |
Szia!
Elég könnyen be tudsz szerezni ún. pákatrafót. Ez általában 24 volt váltófeszültséget ad, 2 amper terhelhetőséggel. Én egy ilyet használok. Ehhez aztán tudunk mutatni rajzot (tök egyszerű). Üdv: FazksG
Sziasztok!
Én is megcsináltam ezt az erősítőt szimpla tápról sztereóban és nagyon jól szól, minden elvárásomat felülmúlta mostmár végre van egy jó kis erősítőm Nekem egy ilyen ősrégi bakelitlejátszós "hifi"ből van hozzá a trafóm aztán meg sima graetz híd meg puffer, így pont 28V jön ki belőle 1-2A-rel.
Hello
1N4001-esekből raktam hidat, majd amikor kiégett, 1N4007-esekből. A kondi 47-100µF között volt. A trafó egy 25 éves tesla bakelit lemezjátszóból van, szakadás, zárlat mentes. A tápom számítógép hűtőventillátort gond nélkül hajt meg, 1 A alatti árammal, de ha az ic-t ráteszem, megugrik. Lehet hogy nagyobb kondi kéne? Esetleg kb mekkora? A melléklet 15/1. oldalán látható "TYPICAL APPLICATION"-t építettem meg.
Hello
A pár sorral fentebbi mellékletben a Vs-nek 22voltot írnak, nem mertem túllépni. Megpróbálok beszerezni egy másik trafót és "túllépem", remélem nem lessz több1000ft. Ha vannak rajzaid átküldhated. Valamelyik elektronikai szakkönyvírónknak volt valamilyen tápegységes könyve, sajnos nincs meg, letölteni se tudom honnan.
még valami: az erősítőben található 2db 1N4001-es dióda csak max 1 Ampert visel el. Nem lessz gond a nagyobb áram? (a 2 hónappal ezelőtti sikertelen próbálkozásomban ezek égtek ki először)
1. Az a 100µF nagyon kevés puffernek! Ajánlott MINIMUM 4700uF.
2. Ehhez +- os, vagyis szimmetrikus táp szügséges, amihez neked egy középleágazásos transzformátorra vagy 2 szekunder tekercsel rendelkező trafóra van szükséged, amit a csatományban levő módon kell bekötnöd és egyenÍrányÍtani. 3. Azért vett fel neked gigantikus telljesÍtményt az erőlködőd mert a hangszóróra rákerült a tápfesz fele vagy egésze, ami nem tesz jót sem a hangszórónak sem az IC-nek.
Sziasztok!
Idézet: „A pár sorral fentebbi mellékletben a Vs-nek 22voltot írnak, nem mertem túllépni.” Ne keverjük már a szimmetrikus és az asszimetrikus tápot . Ennek az Ic-nek a maximális tápfeszültsége +/- 22 volt, VAGY asszimetrikus kapcsolás esetén (kicsivel különbözik a szimmetrikustól) 44 Volt. Ez persze a TDA2030A-ra vonatkozik, sima TDA2030-nál ezek az értékek +/-18 V ill. 36 V. De mostanság szinte csak A-s variánst lehet kapni. A Gyimate által feltett rajzok tökéletesek lesznek Neked! Idézet: a 10 µF tényleg kevés, 4700 ideális, de a minimum 2200 uF, ugyanis amperenként ezer mikrót szokás minimumnak számolni! Ha nagyobb az csak jobb, de drágább+több helyet foglal.. Nekem 2200 uF+470uF+47uF+1uF+100n van. A 100n a nagyfrekvenciás zavarok szűrésére, a 2200-as az "igazi" puffer, a többi a táp belső ellenállását hivatott csökkenteni (ezek simán elhagyhatóak!!!). Illetve a Greatz lábain is van 4x22n, de ez már tényleg csak mánia. „1. Az a 100ľF nagyon kevés puffernek! Ajánlott MINIMUM 4700uF.” Idézet: „az erősítőben található 2db 1N4001-es dióda csak max 1 Ampert visel el. Nem lessz gond a nagyobb áram?” Ezek a diódák csak védelmi célból vannak ott, üzem közben nem nagyon játszanak. Láttam olyan kapcsolást is, amiből ki is spórolták őket. Hogy Te az 1N4001-et 1N4007-re cserélted, az "hivatalosan" nem oszt nem szoroz, mert az 1N400x sorozat tagjai csak feszültségükben különböznek (a 4007 azt hiszem, 1000 (ezer!!!) voltos), de ide nekünk a legkisebb is elég (4001). Üdv: FazksG
Sziasztok!
Én úgy tudtam, hogy amperenként számÍtva 2200µF igazából, de a TDA7294-es topicban pontosan le vannak Írva az értékek: Idézet: „ 2200ľF/Amper otthonra 4400ľF/Amper hangoskodás 6600ľF/Amper hangosítás ” Ezek az erőlködőkhöz vannak méretezve!
Sziasztok!
Köszi a segítséget mindenkinek, ma este kipróbálom.
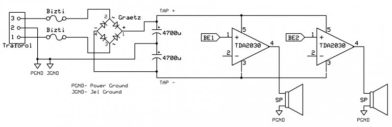
Itt a tápom kapcsolási rajza. Munkahelyen nincs áramkörtervező csak paint, így nem túl szép, de a lényeg látható. Az egész berendezés egy közös fém házban lessz elhelyezve, melynek egyik oldalában a táp, a másikban a két erősítő a kezelőgombokkal. A tápban a biztosíték műszer híján van itt (ha kiég, növelem a kondi értékét), majd kiveszem. A grateznél maradok a szokásos 1N4001-esnél, ha kell teszek rá bordát. A táptól le lessz árnyékolva az erősítő, melyek bordái szigetelve lesznek a doboztól, mert a dobozt a trafóval együtt földelem. Az erősítő és a hangfal áramköreit a rajzon nem dolgoztam ki, felesleges most ide amikor a táp a lényeg.
Ha kihagytam valamit majd még leírom. Ma este valósítom meg.
Ez Így ehhez a kapcsoláshoz nem jó! Ha Így kötöd be az erőlködőket, akkor csak a fele tápot kapják meg. Azthiszem egy kicsit felvilágosÍtalak a szimmetrikus táp lényegéről: Úgy működik, hogy Ahogy egyenirányÍtod a trafóból kijövő kábeleket ( ehhez muszály vagy olyan trafó amelyiken van középleágazás vagy 2 szekunder tekercse van) összekötöd az egyik graetz - kivezetését a MÁSIK graetz + kivezetésével, Így tulajdonképpen sorbakötötted a 2 tekercset. Azt a pontot ahol összekötötted a 2 graetz-t azt kinevezzük "0"-nak. Ezen kÍvül fentmaradt még 2 kábel, az egyik az 1. graetz + lábáról jön a másik kábel a másik graetz - lábáról jön. Szóval ha te veszed a multimétered és a fekete kábelét hozzákötöd a "0" vezetékhez és hozzáteszed a megmaradt kábel valamélyikéhez akkor vagy +24V-t fog mutatni vagy -24V-t. Miért is kell ez? Azért mert a hang is ami kijön a jelforrásból (legyen az CD lejátszó, mikrofon lemezjátszó, MP3...) A "0" vezetékhez képest nemcsak + jelet fog adni, hanem - at is. Az erősÍtőnek pedig hogy ezt torzÍtás és bármilyen nehézség nélkül felerősÍtse kell a +--os táp. Ha a jelbemeneten a 0-hoz képest + jelet kap akkor a kimenetén is + jelet fog adni, ha a jelbemeneten - jelet kap akkor a kimeneten is - jelet ad ( persze egyenesen arányos a bemenő és a kimenő jel). Ha te az erősÍtőnek csak az egyik tápfeszt adod meg, akkor az kikerül a hangszóróra, ami annak a halálát okozhatja + nagy áramfelvételt. Szóval ha megnézed a kapcsolási rajzot akkor fogod látni hogy van ott "+" tápellátásra egy pont utánna egy FÖLD amit nem a konektor védőföldjéhez kell csatlakoztatni, hanem a Tápegység "0" vezetékéhez és még van ott egy "-" csatlakozó amit a második graetz - lábához kötsz be.
( ha valamit elnéztem az nem direkt volt, és ha van ilyen akkor javÍtsatok ki!) Idézet: „A kis belső ellenállás, meg kellően vastag szekunder vezetékkel érhető el.” Szia! Ezt kifejtenéd nekem? a trafó+kondik belső ellenállása tudtommal nagyságrendekkel nagyobb, mint a vezetékekénél (hacsak nem a trafó szekunderére gondolsz), tehát inkább ezeknek a leszorítása vezethet eredményre. Idézet: „Tápfesz puffer elkó méretezésénél, 50Hz-es feszültség és kétutas egyenirányítás mellett, amperenként számoljunk 1000µF kapacitással. (3BMI)” A 3BMI oldalán egyébként le van írva az is, hogy miért kell kb. ekkora. Üdv: FazksG
Szia!
Nem fogalmaztam elég egyértelműen, igazad van, bocsi! Természetesen Gyimate haozzászólására céloztam ott. A Te hsz-edből meg tényleg kiderül, mire gondolsz, csak nem vettem észre .Üdv: FazksG
Hello.
Amúgy amit én terveztem, azzal valami tényleg nincs rendben. 0,7 A-t írtak a trafó szekunderére, és 12 A jön le róla. A 4700µF -os kondi kevés volt, kiégett a biztosíték, 2db-ot kapcsoltam be párhuzamosan. Pár nap és összerakom a Te tápegységedet is,majd megirom h milyen lett. Köszönöm a segítségedet.
Még valami:
tehát akkor az mp4 lejátszóm output jelének a pozitív és a test vezetéke megy ez egyik ic jelbemenetébe megy, amely ic pozitív és negatív tápvezetéke a tápegység pozitív és test sarkaira van kötve. Az mp4 outputjának másik fele (negatív és test) a másik ic-re van kötve, aminek tápfeszültsége a tápegységem negatív és test sarkaira van kötve.
Hello.
Most jöttem vissza, csináltam én is egy rajzot, lehet h rossz, de csatolom az ellenállásokat, kondikat az erősítőből az egyszerűség kedvéért lehagytam.
Ezzel működni kell, ha jól kötöd be. Azért majd ha készen vagy egy fényképet a biztonság kedvéért tegyél fel a tápról és az erőlködőről is!
A tda 2030 nál elkelle szigetelni a hőtőfelülettől ha egy bordán két ic van .Előre is köszönöm a segitséget!!
Ha ugyanarról a tápegységről megy mindkettő akkor nem szükséges elszigetelni.
Üdv!
Első erősítőm ez volt , mint gondolom a legtöbb embernek. Elsőre működött, egy nagyon picike hűtőfelület volt rá rakva, teljesen forró volt az egész, de nem érdekelt, mert örültem, hogy megy, meg hogy rángatja a 80W-os hangszórómat 4 darabot füstöltem el emiatt :idiota: Azután fejlődött a technika...Csatolok neked egy táp rajzot, úgy csináld meg, ahogy itt van, de a köbzoli-é is ugyan az. Itt van még az adatlapja is, a 2. oldalon található a kapcsolása szimmetrikus tápra. Tökéletesen működik. Figyelj arra, hogy az összes olyan alkatrész lába ami GND-n van egy pontba fusson be, elkerülve ezzel a földhurok kialakulását, ami igencsak bosszantó jelenség. ![]()
Szerintem meg szükséges. Mégpedig a földhurok elkerülése végett. Ha megkapja mindkét ic a tápegységtől a földet, viszont a hűtőfelületnél szintén összetalálkozik a két földvezeték, kész is az egymenetes tekercs, ami felszedi a zavarokat. Ha meg arra gondolsz, hogy az egyik ic a CSAK hűtőbordán keresztül kapja a földet (a másik ic-n keresztül), azt NAGYON rossz ötletnek tartom (szilikon zsír szigetelő, ha lesz kontakt, az gyenge lesz - problémaforrás lehet).
Üdv: FazksG
Üdv. Szert tettem egy 5.1-es erősítőre amiben az alábbi 7db D2030A dolgozik. Nos így nem találtam semmit arról, hogy mivel lehetne helyettesíteni mivel egy feladta a szolgálatot. Erős a gyanúm arra, hogy ezek TDA2030A típusok lehetnek. És van nekem TDA2050-ból jó pár darab. A kérdés arra irányulna, hogy kicserélhetem-e erre a típusra a hibás darabot. És, hogy ez nem okozna-e problémát, hogy a többi nem az a típus lenne. A segítséget előre is köszönöm
Ha nem a hidalt végből ment ki az egyik, akkor berakhatod a 2050-est.
Szia!
Más kérdés, hogy legrosszabb esetben kapsz 200 forintért egy TDA2030-t BÁRMELYIK "sarki" híradástechnikai boltban, és azzal biztosan nem lesz baj. Persze ez csak akkor igaz, hogyha van ilyen a lakhelyed/munkahelyed közelében. Ha valaki, akkor én szeretek kísérletezgetni, de egy gyári készüléknek én a helyedben megadnék annyi tiszteletet, hogy odavaló alkatrészt teszek bele. Üdv: FazksG
Hát köszönöm a segítséget jól sejtettem a dolgot. A beforrasztással nincs gond. Hogy hidalt-e nem tudom csak azt néztem meg hogy az arról való kimenet szatelit sugárzóra nem a mélynyomóra megy. Sajna a városban nincs egyetlen egy bolt ahol venni lehetne2030-ast[
volt amúgy csak kidobtamTv erősítőpanellba ] Ilyen ez a kazincbarcika, épp lomtalanítás van a héten és egyik udvarnál szedegettem amikor a tulaj bekínálta a cuccot, egy 1000Ft-ért odaadta kábelekkel egy szatelitsugárzóval és ajándékba adott egy sajna igen meggyepált Panda DVD lejátszót amit szerintem meg lehet csinálni. Na de az a lényeg, hogy használtan is 9000Ft>>> apro.hir6.hu/termek/6558/elta_hangfalszett/<< Mondta máskor is benézhetek hozzá.Mindenesetre valószínűleg beleteszem amim van majd meglátom mi lesz.
Amúgy szemből nézve a jobb oldalán lévő két utolsó láb között sült meg. Rendesen izzott, illetve az előlapon semmi aktivitás nem volt (ledek, gombok). De az aprólékos átnézés során más hibát nem találtam gondolom ezek csak ebből az egy hibából erednek. Remélem...
Hello
Ma este megyek haza, összerakom, holnap jelzek h milyen lett. 1 gondom van csak: ez a TS_PQ4_10 trafó beszerezhetetlen. Debrecenben próbáltam, de az itteni 2 elektronikai bolt nem hallott róla, de még hasonlóról sem. Ráadásul a választék brutálisan kicsi, szinte csak 5-6 wattos trafóik vannak, nagyobb egy-kettőKatalugusaikban sincs. Az egyikben felajánkották hogy ők legyártanak toroidra egy hasonlót kb 7000-9000 Ft-ért. Néztem a guugliban, de csak kapcsolási rajzokon láttam, fotót vagy műszaki adatlapját nem
Hello Neked is köszi a segítségedet. Megnézek mindent amit lehet, imádok elektronikát tanulni.
Köszi a pdf-et, ez még nem volt meg. A 2. oldalon levőt építettem meg csak A típussal ugyanazokkal az alkatrészekkel (ez volt a másik pfd-ben). Viszont itt van nyomtatott panel rajz, csak ki kell szedegetni az írást. (most szedegetem (a főnök velem szemben ül, azt hiszi, azt csinálom amit kiadott))
itt a nyáktervem a 2.oldalon levő kapcsoláshoz: (csak majd a méreteket kell még összehasonlítani a pdfbelivel)
|
Bejelentkezés
Hirdetés |




mostmár végre van egy jó kis erősítőm
Nekem egy ilyen ősrégi bakelitlejátszós "hifi"ből van hozzá a trafóm aztán meg sima graetz híd meg puffer, így pont 28V jön ki belőle 1-2A-rel. 

. Ennek az Ic-nek a maximális tápfeszültsége +/- 22 volt, VAGY asszimetrikus kapcsolás esetén (kicsivel különbözik a szimmetrikustól) 44 Volt. 
.
, mint gondolom a legtöbb embernek. Elsőre működött, egy nagyon picike hűtőfelület volt rá rakva, teljesen forró volt az egész, de nem érdekelt, mert örültem, hogy megy, meg hogy rángatja a 80W-os hangszórómat 

volt amúgy csak kidobtamTv erősítőpanellba
Mondta máskor is benézhetek hozzá.





