Fórum témák
» Több friss téma |
Sziasztok!
A segitségeteket szeretném kérni. Szeretnék késziteni egy páratartalom (levegő nedvesség) érzékelőt. Érzékelné a levegő páratartalmát, és ha egy bizonyos % alá esik, akkor jelezné. Konkrétan egy kapcsolási rajzra gondoltam, vagy ha valaki letudná irni, hogy is kell megcsinálni. Előre is köszönöm a segitséget!
Deguss is pont ilyet keres, milyen érdekes.
[link=http://www.audioscientific.com/89_Remote_humidity_sensor_needs_no_battery.JPG]http://www.audioscientific.com/89_Remote_humidity_sensor_needs_no_b...ry.JPG[/link]
[link=http://library.thinkquest.org/C0111209/parse.php?f=4%2Fhumid]http://library.thinkquest.org/C0111209/parse.php?f=4%2Fhumid[/link]
Esetleg tudja valaki, hogy hol lehet ilyen érzékelőt kapni magyarországon?
Időjárás-jelző állomásokhoz szokott lenni külső-belső páratartalom-érzékelő ( RF-egység )
Ascot -Wetterstation pl. Photo-Hall És a pécsi vásárban 5000 ft.
DS1923 , ez egy egyvezetékes eszköz. Van benne páratartalom mérő, valós idejű óra, tud logolni, van benne hőmérő, és riaszt is. Minden egyben egy csöpnyi kis kapszulában.
Itt lehet megnézni az adatlapot! További szép napot! Üdv:Higgins
Sziasztok!
Köszönöm mindenkinek a segitségeket ![]() Már van honnan kiindulnom De asszem bonyolultabb mint gondoltam ![]() De ezek a szenzorok teccenek, mert ha jol olvasom akkor pc-re fellehet vinni az adatokat amiket mért. Vagy tévedek?
cszotyi által említett SHT 11 szenzor is tud logolni, és amit én mondtam a DS1923-as is, bár az többet is tud ennél.
Ezekből kiolvasod az eltárolt adatot, vagy közvetlenül az aktuális mért értéket mented a PC-dre, ahogy neked kényelmesebb. Annyira nem bonyolultak, csak el kell olvasni az adatlapjukat, és abból kell kiindulni. Egyébként hova kell neked ez a páratartalom mérő? Üvegházba, vagy fóliasátorba? Üdv: Higgins
Háát izé, teróba (terráriumba).
De nagyon teccik ez h kilehet olvasni, meg lementeni. Jolenne ha összetudnám buherálni ![]() Persze szépen, precizen ![]() Szal asszem ráállitom magam a témára. De ezt a két emlitett szenzort csak küldöldről lehet megrendelni? Vagy lehet itthon is kapni?
Az SHT11 -et aRET elektronikánál lehet megvenni kb. 5000 Ft
Amit én mondtam azt MAXIM -tól lehet megvenni. Terráriumban nem hőmérsékletet szoktak mérni? Bár ehhez nem értek, nekem nincs hüllőm se madárpókom! Sok sikert a tervezéshez és építéshez. Üdv: Higgins
Szoktát mind2-t, bár tény, hogy általában csak hőmérsékletet mérnek.
Vicsys ajánlott két kapcsolást: [link=http://www.audioscientific.com/89_Remote_humidity_sensor_needs_no_battery.JPG]http://www.audioscientific.com/89_Remote_humidity_sensor_needs_no_b...ry.JPG[/link] [link=http://library.thinkquest.org/C0111209/parse.php?f=4%2Fhumid]http://library.thinkquest.org/C0111209/parse.php?f=4%2Fhumid[/link] Én az elsőt szemeltem ki. Lehet naiv vagyok, de elvileg ha megépitem az áramkört és ráillesztem a szenzort akkor kész is? Vagy azért ennél egy fokkal bonyolultabb? ![]() Ha hülyeséget beszélek akkor javitsatok ki
Az első kapcsolást megnézve, az egy szenzor távtáplálásának megoldása. Ha tudsz ilyne Hs1101-es kapacitív elven működő páratartalom mérőt szerezni akkor az első kapcsolás a neked való, de valamilyne műszeren még ki kellene jelezni, szóval a jel további feldolgozást igényel. A másik kapcsolás meg ha jól fordítom az angol szöveget a talaj nedvességét nézi, vagyis egy sima nagyimpedanciás indikátor, szóval ez a kapcsolás nem való neked. A helyedben egy mikrovezérlő+páratartalom mérő szenzor+LCD vagy 7 szegmenses kijelzőben gondolkodnék. A progit meg a szenzor adatlapja alapján megírod.
Szép kihívás, remélem megbírkózol a feladattal... Sok sikert. ![]() Üdv: Higgins
Sziasztok! Tud valaki olyan kapcsolást,amivel reális áron fel lehetne turbózni egy szellőztető ventilátort pára- (és esetleg hőmérséklet-) érzékelővel? Reális akkor lenne, ha a végösszeg mondjuk felére csökkenthető lenne, egy gyárilag hasonló paraméterekkel bíró 15-25 eFt-os szellőztetőhöz képest.Egy háztartási helyiség szellőzését kellene megoldanom vele, amiben kazántól a mosógépig minden be van pakolva. Vagyis igen meleg és párás levegőt szeretnék a határérték(ek) elérése esetén automatikusan kifúvatni.A motor 230V-os és szívem szerint a panelt a házba raknám,vagy jobb lenne külön dobozba szerelni?
Sziasztok!
Tipikus fórum hiba, hogy a megoldások a szőnyeg alatt maradnak... Hiába, mindenki félti a kikapart gesztenyéjét. Akkor meg minek pazarolni a tárhelyet? Pedig engem is érdekelt volna egy kelet-europai sovány cost megoldás... Szal' én annak idején foglalkoztam elektronikával, de elmúlt belőlem. Az én tré' megoldásom: LINK Kell hozzá egy kutyaólból visszavett PC. 3290 Ft (bruttó) a fenti linken lévő csodaszer: szép, nagy karakterekkel kirakja a páratartalmat, hőmérsékletet. Ráállítasz egy webkamerát [3E, de ekkor csak 1,8m lehet a távolság] (vagy egy CCD-s, web szerveres ha messze van, és sok a pénzed [24E alatt]) http://www.ebolt.hu/product146991.html Vektorizálod a generált jpg-et (freepascal-ban, vagy 5.5-ös borlandal), majd a párhuzamos porton levezérled az eseményeket. Az elfecsérelt idő, pénz. Elnézést! (komolyan) Sukaar
Gratulálok! Építő jellegű hozzászólás volt.
Idézet: „Szal' én annak idején foglalkoztam elektronikával, de elmúlt belőlem.” Akkor nem kellett volna ide regisztrálnod és bármihez is hozzászólnod!
Sziasztok!
Egyszer már csináltam ilyet, vagyis egy koplexebb project egy részlete volt ez. Én a HIH4000-es érzékelőt használtam, mert gyakorlatilag ez a legolcsóbb. A RET-nél vettem. Lineáris analóg jel a kimenete ezt PIC-cel konvertáltam és LCD-re kiküldtem. PIC-nél az A/D átalakításhoz a +/- ref. feszültségeket be kellett állítani. Ha valakinek kell segítség, akkor szóljon, egyáltalán nem vészes.
Én a HIH4000-es érzékelőt használtam, mert gyakorlatilag ez a legolcsóbb.
Kérdésem Ven-hez: A kimenőjelet akár egy digitális voltmárővel is mérni lehet-ugye? Hogyan hitelesítetted a mérést? Mennyibe került az érzékelő?
Én a következő szenzort vettem kb 480 forintért. (Szerintem ez a legolcsóbb idáig.
)http://www.syhitech.com/pdf/humidity_sensor/SYH-1_SYH-1S.pdf Ellenben még semmit nem tudtam hozzálőni a kapcsoláshoz. Esetleg valaki tudna segíteni?
sziasztok
nekem egy olyan komplett műszer kéne ami ha egy bizonyos érték alá esik a helység páratartalma akkor bekapcsolna egy párásítót majd ha eléri a megfelelő értéket a helység akk kikapcsolna..nekem is terráriumba kéne mert most készülök bevásárolni hüllőből és jó lenne ha biztosítani tudnám a megfelelő körülményeket
Van valaki aki ezt a spéci SHT11-es szenzort be tudná nekem forrasztani?
heló!
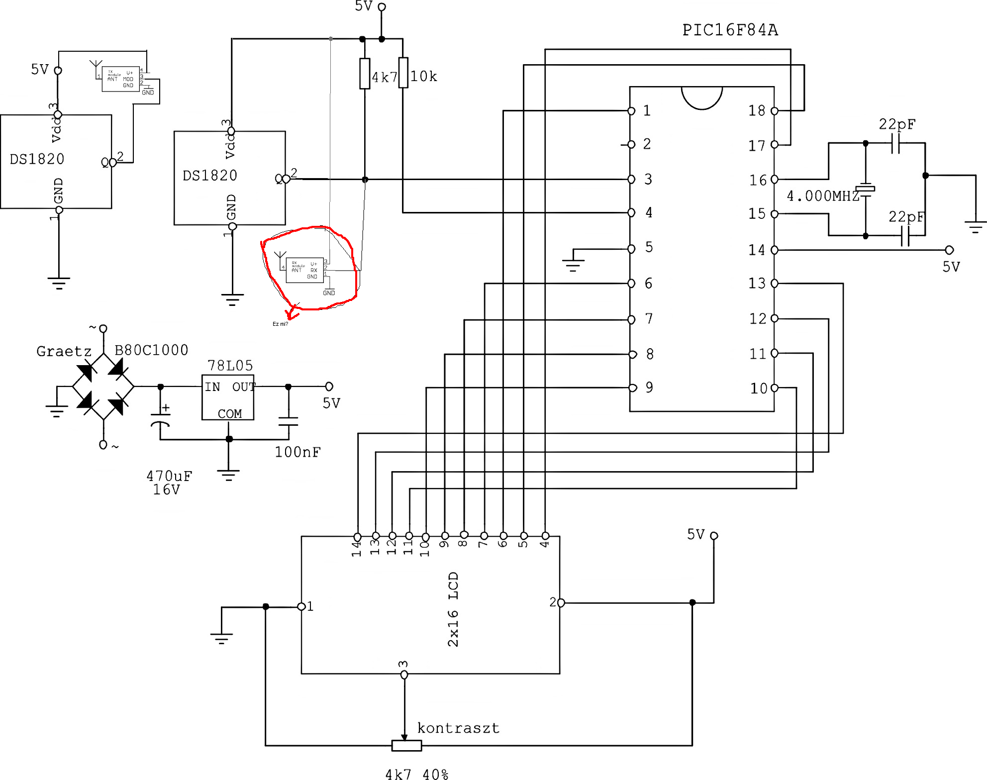
Tudna valaki segíteni égy kapcsolási rajzon nemtudom hogy mi kell oda? Itt a rajz!
Szia!
Én is ezen gondolkodom...
Vezeték nélküli (RF) kommunikáció része.
Amit bejelöltél az a vevő egység, a mellette lévő DS1820-on lévő pedig az adó. (RX->receive; TX->transmit) A kapcsolás leírásából kell, hogy pontosan kiderüljön, mik is pontosan ezek a modulok.
Sziasztok!
Én az SYH-2S szenzort vettem meg erre a célra, azonban most, hogy meg akartam építeni az áramkört ~70% páratartalom mellet multiméterrel rámérve 3 M.ohm volt az ellenállása 13 K.ohm helyett. Először nem nagyon értettem a dolgot, aztán az adatlapon látom, hogy 1Khz váltakozó feszültség mellet érvényes a mellékelt diagram, szóval az áramkör nem biztos, hogy oylan egyszerű lesz, mint gondoltam.Tudnátok benne segíteni?
Sziasztok!
Meg tudná valaki mondani, hogy miért van szükség AC meghajtásra, egy SYH-2T4W szenzornak, mivel ez nem kapacitív, hanem rezisztív elven működik? Ellenállásmérővel mérve is változik az értéke a páratartalom függvényében. Itt a gyártó honlapja: http://www.samyoungsnc.com/english/2products_sensors_1.htm Rendes adatlapot sem találok hozzá. Előre is köszi!
Az elektrokémiai migráció az oka. Egyenfeszültség hatására rövidzár léphet fel, vagy jelentősen módosul a karakterisztika...
Szia!
A HIH3610-002 olcsóbb és nekem bevált (Lomex - 2075+áfa). |
Bejelentkezés
Hirdetés |








)
Esetleg valaki tudna segíteni? 
Először nem nagyon értettem a dolgot, aztán az adatlapon látom, hogy 1Khz váltakozó feszültség mellet érvényes a mellékelt diagram, szóval az áramkör nem biztos, hogy oylan egyszerű lesz, mint gondoltam.