Fórum témák
» Több friss téma |
Hello szeretnék egy poloskát készíteni
találtam is egyí igen könnyű kapcs rajzot de kételkedek benne hogy működne.. szerintetek? kép: Kapcs rajz.. ja és kb menyi lehet a hatótávolsága? előre is köszönöm a válaszotokat
Ez egy elvi rajz, poloskának nem ér semmit.
1 db tranzisztorral komolyabbat lehet csinálni. 1 db földelt bázisú hartley oszcillátorral , ami egyben modulátor is, FM sávban , de bármelyikre seperc alatt meg lehet építeni. Persze, mint ilyen "full komoly" eszköz annyit is tud..., de ettől jóval többet...
Valami hasonlót építettem egyszer, talán ugyanezt és ha hiszitek ha nem, működött! Nem is akármilyen minőséggel!
Viszont csak pókhálóban és elég instabil volt a freki. De állítólag ha árnyékolt dobozba pakoltam bvolna és kiöntöttem volna műanyaggal, akkor ok lett volna.. Így is bírtam használni. Egy próbát megér. a 3. felharmonikuson működik, kb 100MHz-en.
Az én lapomon is van egy rajz az tutira müködik,sokat csináltunk,hatótáv kb 200méter.
dbase.tvn.hu valahol a vegyes kapcsba keresd
Ajánlanék én is két linket ahol sok érdekesség fellelhető a rádióadókon kívül:
Skory oldala Elektronika.iweb.hu Remélem nem bánják, hogy reklámoztam őket picit. Én megépítettem Skory második verzíós adóját, kicsit nehéz hangolni, de egyébként a legjobb amit házilag készíteni lehet, mind minőségben mind az adás távolságban. Az általam tervezett panel mérete (27x17,5mm) pedig igazán aprónak számít, ha ez lényeges egyáltalán, nekem csak mikrofonként üzemel.
Szia Pisti vagyok, én is építettem egy pár poloskát, de ezzel még nem találkoztam.
Ha megkérhetnélek elküldenéd a kapcsolást e-mailban Előre is köszi! E-mail címem:pisti89@citromail.hu
Hello! Tudna valaki nekem egy MŰKÖDŐ kis rádióadó kapcsirajzot? Minőség távolság nem számít, elég 50m és beszédérthetőség. Nagyon fontos lenne. Köszi. Ja és 88-108Mhz-es tartományban legyen valahol. Ja még valami. Nagyon jó lenne ha stabil lenne, és könnyen hangolható. Köszi
Miért kell emailban?
Itt a link... [link=http://skory.gylcomp.hu/urh/urh.html]http://skory.gylcomp.hu/urh/urh.html[/link]
Feltolnád nekem a panelrajzodat? Köszi
Mármint én???
Nekem van címezve....(lehet, hogy eltévesztetted?) Sajnos nincs ehhez paneltervem.
Ja tényleg elnézem. Bocsi
Sziasztok!
Az lenne a kérdésem, hogy a mellékletben szereplő kapcsolás alkalmas lenne-e arra (esetleg kis átalakítással), hogy a falon keresztül füleljek vele (természetesen nem erre kell ) (tégla fal 10 cm vastag).Ha hülyeséget kérdeztem akkor előre is elnézést! Előre is köxi!
Egész pontosan olyasmire gondoltam, mint egy sztetoszkóp. Tehát a falhoz odanyomnám a mikrofont, és hallanám hogy mi van a szomszédban!
TBA810AS típusú műveleti erősítővel még akkor sem fogod tudni zajmentesen és tisztán hallani az odaát folyó beszélgetéseket, HA netán az "erősítő IC" bemenetéig tisztán menne a jel...az a végfokIC egy kalap trágya, marha gerjedékeny, és iszonyatosan torzít...100%-ig ellenzem a mai világban a használatát! Van tőle a piacon már sokkal jobb, kisebb, torzításmentesebb, stb, stb.
Okés akkor ez a rajz felejtős!
Esetleg egy kapcsirajzod van a fentebb említett problémára? Thx Sheff
lm386 ra cseráld ki a végfok részét -a középen lévő 10uf es konditó jobbra lévő dolgot ugy ahogy van elfelejted es az LM adatlapjában lévő kapcsolást építed meg helyette-
de sztem ezzel a kapcsolással semmit nem fogsz hallani:no:
Sziasztok!
Keresem a legegyszerűbben megépíthető, működő poloska kapcsolási rajzát! Aki megválaszolja, annak köszönöm.
Ez jó arra amire kitalálták?
Teszek elé egy kis előfokot jó lenne drótnélküli mikrofonnak. Hogy tudnék kis méretű antennát készíteni hozzá?
Az L1= 5 menet 4mm-es átmérőre 0,3-as CuZ-ból
Üdv!
Én ezt még nem próbáltam ki, de állítólag szépen megy, a hatótáv pedig 200 méter. L1= 5-6 menet 5mm átmérőre 0,3 CuZ-ból. Mellékeltem nyák tervet is. Sok sikert!
Bár ez smd alkatrészekhez való nyákterv
Már megint egy bmp fájl, jpg kiterjesztéssel!
Komolyan mondom, nagyon nem leszünk így jóban!!!!!! :gun: :boxer: :violent:
Miért baj az ha smd alkatréaszekhez való nyákterv nem műkid vagy mi? boicsi még nem megy annyira az elektrotechnika
SMD - Surface Mounted Device, vagyis felületszerelt eszköz. Ezek a sima alkatrészeknél kisebbek, és nem kell a forrasztásukhoz átfúrni a nyákot, hanem a felszínére lehet forrasztani.
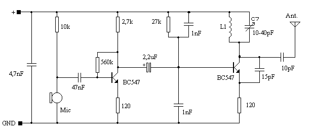
Kép: Hivatkozás
A C7 értéke mennyi? a 120 az 120 Ohm? hány Hz-en megy? azért kérdezek ennyit mert szeretném megépíteni
120 az 120 Ohm.
C7 pedig 10-40pF-os trimmer kondenzátor (változtatható kapacitású kondenzátor, olyan mint egy potméter), és ezzel lehet a frekit is beállítani.
Nem a kép méretével van a baj, hanem azzal, hogy nem minden képnéző progi ismeri fel a hülye fájlkiterjesztést! Nem kell csalni vele, tessék átkonvertálni jpg-be, és mindenkinek jobb, egyszerűbb lesz úgy!
|
Bejelentkezés
Hirdetés |













