Fórum témák
» Több friss téma |
Hi!
Van egy akvárium világításom és úgy szeretném ki-be kapcsolni, hogy amikor a fotoellenállás értéke alacsonyabb egy szintnél, akkor bekapcsoljon, ha meg annál több akkor ki az áramkör és ez az áramkör a világítást kapcsolja. Ezt az értéket pedig egy potméterrel lehessen állítani. pl: ha 100ohm alámegy akkor be, ha fölé akkor ki. Ha valakinek van ötlete akkor szívesen várom, ha még kapcsrajz is van hát az fasza lenne! Előre is köszönöm!
Ja és lehetőleg ne legyen benne mikrovezérlő!
Üdv! Ezt nézted már? Ezt! Sz.tem ilyesmire gondolsz!Ez csak egy tipp
csáá
szem keress egy páka höfokszabályzót és alaktsd át... vagy egy höfokszabályzó á.k.t (áramkört) vagy egy sima komparátorral megoldani (+tranyó+relé...) ezek mind ugyanazon az elven dolgoznak... ha nem megy.. és nem oldja meg senki, akkor maj holnap lefirkantom és felrakom, ha még aktuális marad csááá
Igen! Ez ténleg olyan mint amilyet én akarok, csak a dolog egyik szépséghibája, hogy én nem LED-et, hanem 220Volt-os fénycsövet akarok üzemeltetni! Ezt úgy akarom megvalósítani, hogy a világítás áramkörét megszítom, oda beültetek egy tranzisztort, majd a vezérlőt egy ellenálással a 220-ról működtetem, és amikor bekapcsol akkor zárja az emittert és a kollektort, ezzel működésbe hozva a fénycsövet. Vagy a tranzisztor nem így működik? Egyéként nagyon jó a kapcsolás ha LED-et akarok működtetni!
Figyu! Én nem akarok hülyeséget mondani, de ezt meg tod úgy is oldani, hogy kiveszed a ledet és a helyére egy relét raksz! ha 230V-ot akarsz kapcsolgatni akkor olyan relét veszel ami bírja ezt a feszt!
és nem kell annyi minden! De ez csak szerintem....Ui:. és nem csak ledet lehet vele működtetni....
Heló
Az a legbiztonságosabb megoldás, ha a led helyére kötsz egy relét, és azzal kapcsolod a fénycsövet. A relével meg párhuzamosan egy diódát, hogy megvédd a tranzisztort a relé önindukciójától.
Ez a pákás ötlet is egész jó, de én nem akarom nagyon túlbonyolytani a dolgot!
azért kössz
Köszönök mindent, most már ez a gondom is megoldódott!
ha belegondolsz akkor nme túlbonyi
van egy "whiston"-híd féle meg egy művenetis komparátor +tranyó dióda relé ez kb 4R + fotoR + 1poti 1*tranyó 1*741 vagy akármilyen műveleti 1*relé 1*pl: 1N4001 vagy akármilyen nagyobb dióda + táp ennyi egy kis pozitív visszacsatival még hiszterézist is tucc állítani neki .... azaz keress rá itt a fórumon egyik cikkbe vagy topikba hogy ventillátorszabályzó vagy ilyesmi.. na az pontosam ugyan ez csak hőre múxik.... csá
Szia !
Ha belegondolok, szerettek mindent túlbonyolítani Amit Gab Bee küldött link az totál jó, csak 1K -s photo ellenállás kell bele. Mi a márinak 741, visszacsatolás, Petőfi- hid, ...... Üdv !
Helló !
Ez szerintem jó lesz, már több éve működik megbízhatóan
csáá
hát nemtom ti hogy vagytok vele.. de én úgy, hogy ami túl eccerű az nem tuti, hogy műxik úgy, ahogy én akarom (pl egy tranyós teljesítményerősítő, csak passzív alkatrészekkel + ugye a tranyó, na abból nem sok jó fog kisülni) tehát én mindenképp valami kicsit bonyolultabb cuccra esküszök.... vagyépp a túlbonyolultra persze vannak kivételek :yes: ennyi ...szerintem...
Relé helyett használhatok optocsatolót is?
Szia !
Jó példát hoztál. Hadd kérdezzem meg az elektroncső bonyolultnak számít Csak azért kérdezem mert az igazán drága és profi erősítőket újra abból készítik. Üdv!
Nem! Csak régimódinak! Szóval megérné inkább az elektroncső?
Látom van már pár kapcsi...
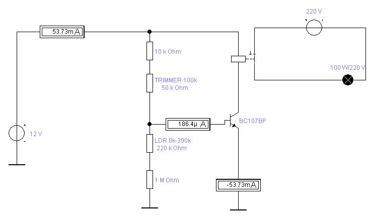
Most "terveztem" egy fénykapcsolót. Szimulátorban műxik, szerintetek?? Az LDR 8k-390k-s (ugye fényben 8k??), a TRIMMER 100k-s, és sötétre kell kapcsolnia.
Egy dióda még hiányzik a relével párhuzamosan, annyit tudok hozzászólni.
A kapcsolásod analóg módban működik. Félfénynél féláram folyik a relén. Lassú elengedésnél szikrázik.
Határozott, digitális módban kell üzemeltetni, ehhez hiszterézis, pozitív visszacsatolás, schmitt trigger kell. Alul az 1 Mohm nem túl sok?
Üdv mindenkinek!
Megépítettem ezt kapcsolást ,12V-ról hajtva tökéletesen műxik.Led helyett egy relét kellene meghajtani triakkal.Ennek a kapcsolásnak az átépítéséhez kérnék segítséget. Előre is köszi!
Szerintem egy kisebb relét (50 mA-es árammal) ezzel a tranyóval is meg tudsz hajtani. A hagszóróvédőmben is egy BC108 hajtja meg. Meg kéne oldani, hogy csak 55mA(ebben az esetben) follyon, vagy semmi.
Kicsiket már próbáltam azokkal műxik , de nekem 12v 150mA-es EVIG relét kellene meghajtani.Még valami:bc 548-cal építettem meg a kapcsit de bizonytalanul húz be a relé de a tranyó nem melegszik.Ezért gondoltam a triakos meghajtásra(inkább legyen túl méretezve).
Sziasztok!
Olyan kapcsolast tudtok-e ami reggel a napfelkeltere ad egy jelet (egy PIC-nek, ami ontozorendszert inditana el). A lenyeg volna, hogy csak 1x kapcsoljon be pirkadatkor(nem szamit 1-2 ora elteres, csak ne delbe a tuzo napon kezdje el). Mindent kiprobaltam mar (Smith-trigger (4093-as IC) ellenallas-kondenzator kesleltetes stb). Egy PIC-cel szamoltatom a napi bekapcsolasok szamat, de 7 ala meg nem tudtam menni. Valami otlete van valakinek? Kosz.
Ha csak egyszer akarsz locsolni, és már úgyis van benne PIC, akkor az első aktiválás után programból tiltsd meg a további jelfeldolgozást 16-20 óráig, és mire megint figyelni kezdi a napfényt, már bőven éjszaka lesz
Az ötlet remek, én is gondoltam valami hasonlóra. Csak kezdő lévén PIC témában nem tudom hogy kell időzítésre(késleltetésre) programot írni. Már sokmindent megtanultam, de még a timer dolgokig nem jutottam. Adnál valami támpontot hogyan kell ilyen egy adott ideig tartó időzítést assemblyben megírni? A PIC 16F877 az oszcillátor 4Mhz-es. Kösz.
|
Bejelentkezés
Hirdetés |




Ezt az értéket pedig egy potméterrel lehessen állítani. pl: ha 100ohm alámegy akkor be, ha fölé akkor ki.
és nem kell annyi minden! De ez csak szerintem....
azért kössz








