Fórum témák

» Több friss téma
Fórum » Erősítő 9V-s elemről
 
Témaindító: borvendeg, idő: Szept 21, 2006
Témakörök:
Lapozás: OK   1 / 2
(#) borvendeg hozzászólása Szept 21, 2006 /
 
Hello mindenkinek!!
Nos a problémám az lenne, hogy szeretnék építeni egy erősítőt ami 9V-os elemről működik, az mp3 lejátszóm jelét szeretném felerősíteni és a fülest szeretném rákötni.
Tudna vki küldeni nekem egy kapcsolást+nyákrajzot??
Előre is köszi
(#) Frankye válasza borvendeg hozzászólására (») Szept 21, 2006 / 4
 
Szia!

Nézd meg ezt: megafon link
Ezt megépítettem, és remekül működik. Nem tudom, hogy a be- és kimeneti jelszintek mekkorák Nálad, és mekkorák ebben a kapcsolásban, de alapnak jó (sztem).
(#) Norberto válasza Frankye hozzászólására (») Szept 21, 2006 /
 
Vagy akár itt is szétnézhetsz:

[link=http://www.hobbielektronika.hu/forum/topic_1074.html]http://www.hobbielektronika.hu/forum/topic_1074.html[/link]
(#) milan válasza borvendeg hozzászólására (») Szept 21, 2006 /
 
Itt egy neked való kapcsolás!
Egyébként ha szétnézel ezen az oldalon, elég sokat fogsz találni, úgyhogy hajrá!
(#) borvendeg válasza milan hozzászólására (») Szept 21, 2006 /
 
Bocsi srácok de amiket irtatok mindenhol mono erősítő kapcsolások vannak. Nekem sztereó kellene.De azért köszi
(#) milan válasza milan hozzászólására (») Szept 21, 2006 /
 
Valamiért nem jött be a link. Talán most jó lesz.
(#) mechanikus válasza borvendeg hozzászólására (») Szept 21, 2006 /
 
Üdv!

Szerintem felejtsd el ezt a megolsást. A kereskedelemben kapható 9V-os elemeknek olyan kevés az áramuk, hogy 10 perc nem sok, annyi ideig sem fog működni az erösítő.
Sajna ez van!

Üdv: mechanikus
(#) borvendeg válasza mechanikus hozzászólására (») Szept 22, 2006 /
 
Köszi a jótanácsot de tudtommal vannak tölthetőelemek is amiknek jó a minőségük
(#) Frankye válasza borvendeg hozzászólására (») Szept 22, 2006 /
 
Idézet:
„Bocsi srácok de amiket irtatok mindenhol mono erősítő kapcsolások vannak. Nekem sztereó kellene.”

A sztereo erősítő felfogható két, egymással párhuzamosan működő mono erősítőként is, ergo ha egy mono erősítőt látsz, és azt két példányban építed meg, akkor egy sztereo erősítőt kapsz.
Persze, a profi megoláds egy szereo erősítő, ebben igazad van.
(#) PCB válasza Frankye hozzászólására (») Szept 22, 2006 /
 
Szia !

9V-ról is megy !


http://torolt_link6/webtartalom/kapcsolasok/tda1517/tda1517.pdf


Üdv!

link javítva. szabi83
(#) Frankye válasza PCB hozzászólására (») Szept 22, 2006 /
 
Nem nyert a link...
(#) árpix válasza borvendeg hozzászólására (») Szept 22, 2006 /
 
Hali !

LM386 duplán, ez 1W-os talán bírja az elem is !
(#) ndavid87 válasza borvendeg hozzászólására (») Szept 22, 2006 /
 
Szia!
Én építettem nemrég ilyet!
LM386-os végfokkal, 9V-os elemről, bár ez
kis hangszórókat hajt meg.
Hordozható erősítőnek szántam, de ez még csak
egy teszt verzió.
Egy, a Lidl-ben kapható 9v-os elemről hajtom, már vagy
egy órát használtam nagy hangerőn, de még bírja!
(8,valamennyi volt van még benne)
A hangja sem rossz!
(#) PCB válasza Frankye hozzászólására (») Szept 22, 2006 /
 
Szia !

Miért nem nyert ?

Nem jó a rajz, vagy nem jutottál oda ?

Ha nem jutottál oda akkor ........

Üdv !
(#) borvendeg válasza ndavid87 hozzászólására (») Szept 22, 2006 /
 
Hello ndavid87!
Tudnál küldeni ehhez az erőlködőhöz kapcsolási meg nyák rajzot?
(#) ndavid87 válasza borvendeg hozzászólására (») Szept 22, 2006 /
 
Dolgozom rajta...
(#) árpix válasza borvendeg hozzászólására (») Szept 22, 2006 /
 
google LM386
(#) ndavid87 válasza ndavid87 hozzászólására (») Szept 22, 2006 /
 
Itt van!
Forrása, Willi Priesterath Hobbielektronika című könyve.
Sajnos csak ilyen kapcsolási rajzot tudok csinálni.
(Ilyenről szoktam nyáktervet csinálni)
Próbapanellel kijelölgetem az alkatrészek helyét
egy papírlapon, azt átrajzolom egy fóliára, a pontokat
átmásolom a panelre, összekötögetem őket, és
maratás....
Nekem bevállt!

A kapcsolás egyébkén 0,7W-os
(Az ic első lába az, amelyik a 10µF-es kondira
csatlakozik)
(#) Frankye válasza PCB hozzászólására (») Szept 23, 2006 /
 
Csatolom a képernyőfotót.
Azt írja az extra, hogy nincs a szerverén...

extra-bug.jpg
    
(#) Frankye válasza ndavid87 hozzászólására (») Szept 23, 2006 /
 
Miért nem használsz tervezőprogit? Pl. Eagle...
(#) ndavid87 válasza Frankye hozzászólására (») Szept 23, 2006 /
 
Ez tünt a legegyszerűbbnek.
Szórakoztam már ilyen progikkal, de akkor nem sokra
jutottam velük eddig.
Végül is, mivel saválló filctollal rajzolom meg a peneleket
a kész panel nem lesz olyan, mint a kinyomtatott
nyákterv, akár mivel is csinálom.
Persze a programok jobb, gyorsabb és pontosabb munkát tudnak
végezni, mint én, ez természetes.
Idővel talán majd tálok én is valami más módszerre, de
addig marad ez.
(Nem rossz ez a módszer sem szerintem!)
(#) szabi83 válasza ndavid87 hozzászólására (») Szept 23, 2006 /
 
Én legelőszőr, úgy csináltam, hogy a beültetés felöli nyákot tükrözve nyomtattam ki, majd indigóval + a kinyomtatott tükör képpel rárajzoltam a vonalakat a nyákra, majd filcel kihúztam ahol indigos/vonalas lett.

üdv
(#) PCB válasza Frankye hozzászólására (») Szept 23, 2006 /
 
Szia !

Sajnos a fórumban való linkelésnek meg van az a "hibája" hogy az extra.hu-s linket belső linknek, kivülről nem hozzáférhetőnek tekinti.

Ennek megoldására irtam a link szövegének magát a linket, hogy esetleg aki feltalálja magát , és kijelöli a link szövegét valamint azt beilleszti a böngészőjébe, könnyedén eléri a nevezett helyet. :yes:

Üdv !

Van megoldás hogy a link link legyen, csak nem tudom
mit kell a linkbe + beilleszteni
(#) PCB válasza ndavid87 hozzászólására (») Szept 23, 2006 /
 
Szia !

Ismerkedj meg a Sprint-Layout programmal.
Egyszerű, érthető, és hála nekem magyar is lehet

Üdv!
(#) Frankye válasza PCB hozzászólására (») Szept 23, 2006 /
 
Aha! No, ez az, amit nem tudtam. Azt hittem, hogy valami okból (már) nincs fent a szerveren.
Köszi, idő közben megleltem!
(#) ndavid87 válasza PCB hozzászólására (») Szept 23, 2006 /
 
Ok, majd utánnanézek!
Köszi!
(#) bandita31 válasza ndavid87 hozzászólására (») Ápr 10, 2008 /
 
Ez jó dolog !
Én is épitek egy ilyen erösitöt ha lessz idöm.

Itt egy másik lm386 al müködö erösitö rajza.

http://www.elektrolight.hu/alkat/integralt/A-ana-k/a-lm386.png
(#) ZLED hozzászólása Okt 1, 2008 /
 
Sziasztok!

Van egy 2.5W-os 3.2ohm-os hangszóróm, ehez akarok építeni egy erősítőt. Találtam itthon egy LA4597-es IC-t, meddig menne egy 9V-os elemmel?
Vagy ha van másik kapcsolás, ami ehez a hangszóróhoz jó, és megy egy 9V-os elemről, elkülditek?

Előre is kössz.
(#) niedziela válasza ZLED hozzászólására (») Okt 1, 2008 /
 
próbálkozz vele !

lm4597.gif
    
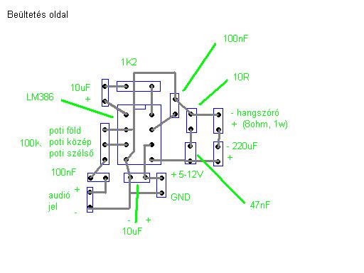
(#) brezinajanika hozzászólása Feb 22, 2009 /
 
Lm386-hoz sztereóban gyártottam gyorsan nyákrajzot,mert unatkoztam.Mindent nyákcsatlakozóval csináltam,mert az van itthon meg olcsó is.
Következő: »»   1 / 2
Bejelentkezés

Belépés

Hirdetés
XDT.hu
Az oldalon sütiket használunk a helyes működéshez. Bővebb információt az adatvédelmi szabályzatban olvashatsz. Megértettem