Fórum témák
» Több friss téma |
- Ez a felület kizárólag, az elektronikában kezdők kérdéseinek van fenntartva és nem elfelejtve, hogy hobbielektronika a fórumunk!
- Ami tehát azt jelenti, hogy a nagymama bevásárlását nem itt beszéljük meg, ill. ez nem üzenőfal! - Kerülendő az olyan kérdés, amit egy másik meglévő (több mint 17000 van), témában kellene kitárgyalni! - És végül büntetés terhe mellett kerülendő az MSN és egyéb szleng, a magyar helyesírás mellőzése, beleértve a mondateleji nagybetűket is!
Jó hosszú idejű, akár több perces időzítőt lehet belőle csinálni. (Ennek a felületszerelt változatával csináltam meg a multiméterem automatikus kikapcsolását, hogy ne merüljön le mindig az elem.)
nicns egy kapcsolásod hozzá?... Egy időzitő jó lenne
üdvözletem!
WSCAD-ben kéne rajzolnom egy medence vezérlését (vízforgatás, vízpótlása, csak a legszükségesebb/legegyszerűbb dolgok) valaki le tudná írni, h miknek kell szerepelni a kapcsolásban, illetve hogy kell kinéznie a programban (esetleg egy kapcsolási rajz) előre is köszönöm
Néha én is belekavarodok az átváltásokba.
Próbáld ki ezt, írd be a google-ba: 0.05microfarads in nanofarads
Ejjha
ez egész jó,köszönöm.
Sziasztok!
Ha egy transzformátort kapcsolok egy kapcsolóval szerintem köztudott, hogy kikapcsoláskor szikrázik. Olvastam olyat, hogy ennek megakadályozására egy kondenzátort kötnek a kapcsolóhoz, de mekkorát, és hogyan? (párhuzamosan, vagy sorosan)?
függ az áramfelvételtől is; a magát a kapcsoló mindegyik ágát hidalod át egy - egy 100nf-330ohm soros komplexummal. Kondi:630V, ellenállás 1W
Hello ! Csúzlid van ?
Hello ! Ne dobd el. Egyszer az ükunokáid még hálásak lesznek érte. Mint muzeális értének jó ára lesz a gyűjtök körében. Ezt ne vedd viccnek. Hosszú életem során rengeted elavult dolgot kidobtam már. Most némelyik aranyat érne, mert az emberek rengeteg dolgot gyűjtenek hobbiból. És 50 év múlva lehet ,hogy ez lesz az összes germánium a földön ami ebben a 150 tranyóban van !
Hát az jó mert még 50 év múlva én is élni fogok s így ahogy belegondolok manapság tényleng mindent gyűjtenek. Már csak annyi a teendőm hogy 50 évig megtartsam, és ne dobodjon ki lomtalanításkor véletlenül vagy költözések meg akármi hasonló dolgok. Elásom
Mondjuk azért a fejemben nem fér hogy akár 200 év múlva is kinek fog kelleni ekkora mennyiségben, s aligha hiszem ha visszajönnek "divatba" mint sok más dolog. S egyáltalán megéri tartogatni éveken át egy 1000-esért.
hallo!
egy 12V-os akkuról működtettek egy szerkezett és egy olyan kapcsolóáramkőrt szeretnék ami,hogy ha az akku már merül,és teszemfel márcsak 11V-ot ad,lekapcsoljon a szerkezetről,és áttegye az akkut töltőre! remélem megoldható,a válaszokat köszönöm!
Hello! Üdv a fórumon!
A kérésed egy komparátorral megoldható. De hiszterézis is van a világon. Avagy, mi történjen ez után? - Ki kapcsolja be a töltőt, a hálózatra? Vagy az mindig feszültségen van? - Egyáltalán mivel töltöd? - Mi történjen ha fel van töltve? Szóval ezt a "folyamatot" még végig kell gondolni, hogy tényleg használható valamid legyen. A dolog még hiányosnak tűnik. üdv! proli007
Helló!
Lenne egy kérdésem lehet elég hülye kérdés de már sokat gondolkodtam rajta és nem jöttem rá... Szóval itt EZ A KAPCSOLÁS. A motor párhuzamba van kötve a szabályzó áramkörrel? Vagy a testhez egy külön negatív pólus kell ? Remélem értitek mit kérdezek! Előre is
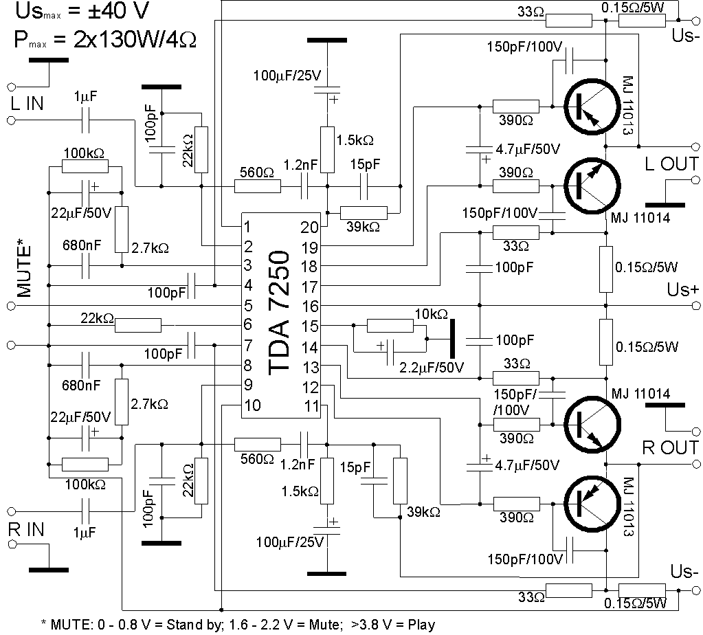
ehhez a kapcsoláshoz meg tudná valaki mondani hogy jó e a következő egyenirányító?
Értjük, félrevezető a rajzod. A motor alsó pontját nem kell sehova kötni. Persze, a FET-ekre be kell, de ide a tápfeszültség egyik pontja sem kapcsolódik. A tápfesz pozitív pontja tehát a motor felső pontja, a negatív pedig a testpont.
Nem jó, az erősítő 2 telepes táplálást igényel a rajz szerint. A feltüntetett 100 µF is roppant kevés, legalább 100X-os érték szükséges (2X).
nos igazából nekem egy olyan valami kéne ami,ha az akkufesz. 12V alá csökken megszakítja az ellátást.már most köszönök minden segítséget,egy rajz eszméletlen jó lenne!
Hello!
Az nem gond, csak félek nem erre van szükséged. (Válaszodnál használd a Válasz gombot! Ott van a hozzászólás fejlécében.) üdv! proli0007
szóval legyen 1000µF vagy nagyobb kondi kettő darab sorosan kötve?
vagy olyan transzformátor kell aminek egy pozitív és két negatív kivezetése van és a kondik pozitív oldalai mennek az egyenirányító pozitív lábához és a két negatív a negatív lábhoz? esetleg tudnál kapcsrajzot készíteni? kösssz
Hello!
Mellesleg a rajz sem jó, a 10nF nem jó helyen van, és az egyik diódát is meg kell fordítani. A stabi, meg csak "szimbolikusan" van jelölve. üdv! proli007
Sziasztok!
Építettem egy kis tápot ami hálózatról állít elő 9V-ot. Áll egy trafóból, graetz, töltőkondi, 7809 stab, 100nF. A töltőkondenzátor még nincs beforrasztva. Kérdésem lenne hogy mekkora kéne. Van valami képlet ami ezt megmondja hogy mekkora kell? Amúgy a trafó 15V, 1,8VA. Kapcs rajzot nem tudok adni. Kösz...
Üdv!
Puffernek, általában 1000mikro Farad-os szokott a legkisebb lenni. Annál kisebbet nem igazán szoktak tenni...
Nagyon durván amperenként 1000 µF - ot szoktak használni, de számolni is lehet. A lényeg, hogy a bemeneten sose essen a feszültség a kimenet+DropOut alá.
Rendben nekem ennyi is elég az pont van itthon.
Köszi a választ.
Hello!
Vettem egy quad405-öt ki lett próbálva és szólt. Most meg mire hazaértem vele nem szól. Nem kapja meg a bemeneti jelet. Esetleg tudna valaki segíteni hogy mik lehetnek az okai
És az járható út, ha a stereo jelet egy stereo encoderrel közösítem, és az így kapott "mono" jelet egy fm transmitterrel sugárzom a rádió felé? A rádióban lévő stereo decoder pedig visszaadja a jobb és a bal oldali jelet.
Helló ! A most épülő labortápomba - ha köbzoli is úgy akarja-szeretnék árammérésben három mérés határt.( 50 mA, 500 mA, és 5 A ).Ha megtudom oldani a segítségetekkel akkor automatikus váltást szeretnék. Csak abban kérem a segítségeteket ,hogy hol található erre kapcsolási rajz. Természetesen a HE-t és a google-t már nézetem.
Háát...majdnem.
A sztereó encoderrel a jelet nem csak "közösíted", hanem az előállít egy sztereó multiplex (nem "mono") jelet. Azt rávezetve egy adóra sztereó jelet kapsz. A sztereó FM transzmitterben a sztereó encoder benne van, arra csak a bal és jobb csatorna jelét kell rávezetni, a többit a transzmitter elvégzi.
Igen, tudom, hogy létezik sztereó fm transmitter IC, de kell hozzá egy 38kHz-es kvarc, ami sehol sem találok, így egy másik megoldást kell alkalmaznom, és én ennek az IC-nek a működéséből azt szűrtem le, hogy sztereó jel-encoder-transmitter-rádió-decoder, és megjelenik a sztereó jel.
|
Bejelentkezés
Hirdetés |




ez egész jó,köszönöm.


