Fórum témák
» Több friss téma |
Fórum » Labortápegység készítése
Hello!
Nem arra a szabályozásra gondoltam, ami neked megfelelő lenne, hanem amit alkalmaznak tápokban.. üdv! proli007
Hello!
Nem túl komplikáltra gondoltam, két igen hasonló megoldásra.. - Az egyik, hogy egy tranyóval elő lehetne feszíteni az áramszabályzó tranyót, hogy annak kb. 650mV nyitófeszültségét, ne az osztóval állítsuk be. (Leszimuláltam, és a 40ohm/100ohm poti helyett, csak egy 100ohm-ot alkalmaztam. A 2kohm poti helyett, pedig egy 1kohm-os ellenállást. Így is megfelelő volt. 0..5,12A jött ki.) Szóval az áramszabályozás karakterisztikája kb. négyzetes a poti elfordulására. Így középállásban nem 2,5A a korlát, hanem kb. 250mA. - A feszültség szabályzónál is betettem egy tranyót. Így a poti alsó szakaszában nincs holt terület, míg a szabályzó tranyó ki nem nyit. (A tranyót nem szükséges a poti alá tenni, felette is jó, csak nem tudtam úgy lerajzolni. A tranyók kissé hőfok kompenzálják is a szabályozást. Én megfordítottam a PNP/NPN tranyókat és ezzel persze a feszültségeket is. A kimenetnél komplementer végfokozatot készítettem. Így a 2N3055 végtranyó maradhat. Számításaim szerint nincs szükség háromszoros darlingtonra, így T5 elmaradhat. (csak növeli a maradék feszültséget) üdv! proli007
Hamár így szóbajött,más módszer nincs?
Hello mindenkinek!
A segitsegeteket szeretnem kerni nem tudja valaki hol juthatnek hozza Attila86 Labortap II meretaranyos nyakjaihoz? Elore is koszonom
Hali! A következő gondom van az Attila86-féle labortápommal: a maximális kimeneti feszültség 29,1V, akárhogyan is tekergetem a korlátozást beállító potikat(P1, P3). Forrasztási hibát nem találtam, egyébként meg tök jól működik a táp. Kivéve, amikor nem. Előfordul ugyanis, hogy bekapcsolás után 34V jelenik meg a kimeneten, függetlenül a potik(P2, P4, P5) állásától. Illetve nem is teljesen függetlenül, mert ha mindegyiket 0-ra tekerem, akkor utána már rendesen megy. Szerintetek mi lehet a hiba?
Üdv.!
A nyákjaihoz sehogy, mivel még a nyákterv sem készült el ahhoz az áramkörhöz.
A kimeneten megjelenő maximális feszültség problémára a csatolt képen lévő módosításokat végrehajtva megszűnik a probléma. (Attila ajánlása) Nekem a módosítás óta tökéletesen üzemel.
Hali!
Szeretnék ötletet kérni (ha van kapcs rajz az persze még jobb lenne) Galvanizáláshoz kéne egy olyan táp ami 1.5V-ot és változtatható áramerősséghet 1A-max 5A-ig tud leadni (ezt az elején kéne beállítani), úgy hogy eközben a 1,5V nem változik, és a galvanizálási folyamat alatt sem változik az egyik érték sem. Maga a folyadék gondolom a galvanizálás folyamán (kb. egy óra) változó ellenállást fog jelenteni, és az 1,5V*5A az 7,5W tehát a potméteres megoldás nem biztos hogy jó, mert kérdéses lehet e ilyen potit reális áron kapni, miközben a galvaizálás folyamán történő ellenállás változást is kezelni kéne tudni. Ha valakinek van ötlete erre, és nem a 30-40.000Ft-os labortáp kategóriában van, akkor legyen oly kedves és írja meg.
Üdv.!
Idézet: „Galvanizáláshoz kéne egy olyan táp ami 1.5V-ot és változtatható áramerősséghet 1A-max 5A-ig tud leadni (ezt az elején kéne beállítani), úgy hogy eközben a 1,5V nem változik, és a galvanizálási folyamat alatt sem változik az egyik érték sem.” Ezt csak akkor lehetne megvalósítani, hogyha a galvanizáló közeg ellenállása változtatható lenne. (Ohm-törvénye.) Vagy a feszültséget állítod be, vagy az áramot. Olyan nincs hogy mind a kettőt, kivéve hogyha az ellenállást tudod állítani. De itt most az magától változik.
Ez a feladat. Van egy sönt amit változtatni kell a galvanizálás folyamán.
A sönt a galvanizáló közeg? Annak az ellenállását hogyan változtatod?
Slogan: Igen, fogok...
Nem. A sönt és a galvanizáló közeg az ellenállás, és a söntöt kell változtatni, hogy a galvanizáló közegen 1,5V xA follyon ahol az amper a felület nagyságától függően állítható kell hogy legyen.
Egy megoldást már mondtak erre, de az túl bizar. Egy nagy fémlap, amit ahogy meríted a folyadékba úgy csökken a tetején elhelyezett elektródához képest mért ellenállása. Idézet: „A sönt és a galvanizáló közeg az ellenállás” Tehát két ellenállás (sönt és közeg) van, amik sorba vannak kötve? Erre kapcsolsz 1,5V-ot? Mert akkor a közegen nem 1,5V lesz. És egyébként miért kell sönt? A galvanizáló közegen vagy a feszültséget tartod megadott értéken, vagy az áramot. A kettő együtt nem megy! Ha sorba kötsz a közeggel egy ellenállást, attól nem dől meg Ohm törvénye, hiszen ettől a közegen mérhető feszültség változik meg. (Vagy ha párhuzamosan kötöd akkor az áram.) Vagy én nem értelek?
Hello!
Most már nem tudom miről is beszélünk. Mint mondottam, módosítani csak úgy lehet, hogy ha ismerjük a kapcsolási rajzot, vagy legalább is azt a részt, ahol a szabályozás van. Ezt, az antagonisztikus ellentétet, csak Te tudod feloldani. De írtam azt is, hogy ez a táp, nem labortáp, tehát a szabályozhatósága tuti korlátozott mértékű... Légy oly kedves, olvasd el figyelmesen a hozzászólásomat ha eddig még nem tetted volna. üdv! proli007
Hello!
Attól, hogy te söntölöd az áramot, a galvanizálón átfolyó áram még nem változik meg. Ez a bemerítéses, valami "parasztos" módszer lehetett anno, mikor még nem tudták szabályozni. Gondold át! Ha a feszültség 1,5V és a galván csak 3A áramot vesz fel, Te meg a söntön 2A vezetsz el, akkor a terhelő áram ugyan 5A lesz, de a galvánon akkor is csak 3A folyik át. De amit kérsz, abból az derül ki, hogy a feszültséget kell állandó értéken tartani. És így tényleg sönt szabályozást kell alkalmazni, ha a kádak sorba vannak kötve egymással. És hogy ne jusson a nagyobb ellenállású (kisebb fogyasztású) kádra magasabb feszültség, az alacsonyabb fogyasztású kádakat lesöntölöd. Szóval gondold át (v. fogalmazd meg) a kérésedet még egyszer, hogy teljesíthető legyen.. üdv! proli007
Küldjek képet a panelrol amin rajtavan ez a kis aranyos IC?
Ugyan is külön panelon van
Itt vannak a képek,remélem segítenek!
Ott látható a hiba a dobozon jobb alul
![]() " CHINA"
Szokd meg!
Ma már minden kínai Hozzáteszem,szerintem maga a táp is Kínai! ![]() De jó meglátás ![]()
Kipróbáltam a módosításokat, de így is ugyanaz a probléma: nem éri el a 30V-ot maximálisra tekert potik mellett sem. Egyéb ötlet?
Mekkora a feszültség a puffer elkón (a graetz után)?
Hello!
- A módosítások természetesen a kimenő feszültséget nem befolyásolják, csak az IC reteszelődését. (pld. bekapcsoláskor) - A kimeneti feszültség maximális értékét, a referencia feszültség nagysága és a kimeneti osztó aránya határozza meg. ezek pontosságát (arányát) kell ellenőrizni. - A referencia feszültség, a TL431 anód katód között mérhető. Értékét az R16/R15 osztó határozza meg. Az R16 ellenálláson mindig 2.5V mérhető. Ezért rajta átfolyó áram, 2,5V/1kohm=2,5mA. Ez az áram folyik át az R15 ellenálláson is. Tehát azon eső feszültség 2,5mA*1,5kohm=3,75V. A referencia feszültség, a két ellenálláson eső feszültség összegével egyenlő 2,5V+3,75V=6,25V. Ha nem ennyi, a két ellenállás értékével módosítható. (1..2%-os eltérés nemlényeges) - Ez referencia feszültség fog esni, az R18 ellenálláson és a P3 poti beállított soros értékén. (P3,R19 és P5 közös pontja és a plusz kimeneti pont között mindig nulla volt mérhető. Kivétel, ha az áramkorlát működésbe lép.) A táp kimenő feszültsége a C16 kondin (azaz a P4+P5 ellenállásán) mérhető. Ha ez 30V, akkor a potikon folyó áram 30V/10+1kohm=2,72mA. (Amúgy ez az áram állandó, míg a feszültségszabályozás fenn áll.) Tekintve, hogy ugyan ez az áram folyik át az R18-P3 ellenálláson, miközben a referencia 6,25V. Ezért az R18+P3 ellenállása: 6,25V/2,72mA=2,29kohm. Ebből lejön az R18 értéke: 2,29kohm-2,2kohm=91ohm. Mint látható, az a 91ohm a P3-on játszva beállítható. Persze most visszafelé számoltunk, mert a cél, hogy a referencia feszültségből az R18-P3 ellenállásokon akkora áramot tudjunk beállítani, ami a potik maximális ellenállása mellett, a maximális kimenőfeszültséget adja. Tehát ha nem lehet a kimenő feszültséget beállítani, a referencia feszültség értékét és (R18+P3)/(P4+P5) arányát kell ellenőriznünk. Tekintve, hogy a tápfesz 30V és a referencia feszültség 6,25V, ennek aránya: 30V/6,25V=4,8. Tehát az ellenállásoknak is ezt az arányt kell mutatnia. Tehát (P4+P5)/(P3+R18)-nak is 4,8-at kell kiadnia. Ha 11kohm és 2,29kohm-al számolunk, akkor látható, hogy tényleg 4,8 az arány. Ez után, már neked is ki kell tudni számolni, ill. be kell tudnod állítani a maximális kimenőfeszültséget. üdv! proli007
Ismét kérdezem ,hátha valaki megszán
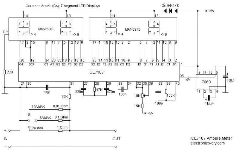
![]() Lehet ezt a két kapcsolást egyszerre a táp kimenetére tenni ? Külön külön mennek ,de egyszerre nem szeretnének.... Köszi !
Hello!
Mi itt a kérdés, mert én nem értem. - Ugyan azon IC-vel szeretnél mérni feszültséget és áramot? - Két külön kapcsolás egy tápról? Mert a gond a műszeráramkörök táplálása. Annak függetlennek kell lenni egymástól és és a tápegységtől, ha más-más potenciálon van a mérési pont. És sönt ellenállásokat nem így szoktunk kapcsolni, mert a kapcsoló átmeneti ellenállása, jelentősen meghamisítja a mérést. Főleg a 0,01ohm esetén! üdv! proli007
Szia !
Bocsi ,tényleg lemaradt ! A táptól független külön tápon vannak ,de az közös.... Idézet: „Annak függetlennek kell lenni egymástól és a tápegységtől” |
Bejelentkezés
Hirdetés |




) 











