Fórum témák
» Több friss téma |
- Ez a felület kizárólag, az elektronikában kezdők kérdéseinek van fenntartva és nem elfelejtve, hogy hobbielektronika a fórumunk!
- Ami tehát azt jelenti, hogy a nagymama bevásárlását nem itt beszéljük meg, ill. ez nem üzenőfal! - Kerülendő az olyan kérdés, amit egy másik meglévő (több mint 17000 van), témában kellene kitárgyalni! - És végül büntetés terhe mellett kerülendő az MSN és egyéb szleng, a magyar helyesírás mellőzése, beleértve a mondateleji nagybetűket is!
Mindkét bemenetet felhúzod egy-egy ellenállással magas szintre. A bemenet és a föld közé teszel egy-egy nyomógombot. Mikor megnyomod (alacsony szintet adsz a bemenetre) nem fog történni semmi, csak akkor, ha elengeded (akkor lesz a felfutó él).
Elvileg... Gyakorlatilag viszont a kapcsoló prellegni fog, azzal kell valamit kezdeni. Klasszikusan RS-tároló bemenetére rakott morse nyomógombbal lehet jól megoldani, de lehet kondenzátorokkal is próbálkozni. A kondenzátoros prellmentesítésnek problémája lehet, hogy az órajel maximális fel- és lefutási ideje 5-15 us lehet (nem lehet hosszabb).
Vagyis errol a kapcsolasrol lenne szo. Udv.
Jóh majd kipróbálom mindennel hogy hogyan viselkedik és rakok rá bordát is aránylag nagyot
Hello!
Végül nem egyszerűen, de előkapartam a rajzot (vagy 20-an ugyan azt az ábrát közölték más-más cégektől) A vasat sajnos nem ismerem. De kérdezd meg Cimopata kollégát mi jó bele. (de gyanítom akármi jó hozzá) De ha ilyen kis teljesítményű szabályzót akarsz építeni, egy MC34063A IC sokkal egyszerűbb számodra. Akkor egy sima induktivitással is elő tudod állítani a 28V-ot és nem is kell hozzá szinte semmi. üdv! proli007
Hello!
Nem akarok beledumálni, de a védelmet és a ventiket akár nyers 24V-ról is járathatod. (két-két venti sorban) De az előfokot semmi esetre nem tenném közös stabira a relével, meg a ventivel.. üdv! proli007
Sziasztok!
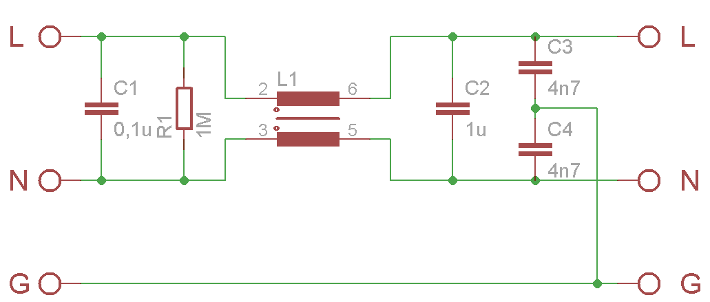
Valaki legyen szíves segíteni mekkora tekercset használjak ehhez az emi-filterhez. Innen kéne egyet választani. Egy 200W -os erősítő tápegység elé lenne.
Kozben feltoltottem a kapcsolast
Koszonom, az utobbit fogom valasztani mert egyszerubb. Viszont mindenkepp kiprobalom a TL-es valtozatot is. Udv.
Helló ! Az normális ,hogy a két bázis össze van kötve ?
Multisimben legyártottam az alábbi villogót:
http://www.hobbielektronika.hu/kapcsolasok/elektronikai_alapkapcsol...z.html Kép csatolva, jól is működik. A kapcsolási rajz elvileg pont ugyanaz, mint ami a cikkben van, de a szimuláció állandóan elszállt meg meg sem akart mozdulni, amíg hirtelen ötlettől vezérelve rá nem raktam a kép jobb szélén látható földelést... Így már jól működött... :] Más áramkörön kipróbálva, ha nem volt rajta a föld, a feszültségek össze-vissza ugráltak az áramkör különböző pontjain (pl. a 4,5V-os elem lazán kiadott 11V és -7V-ot is közvetlen egymásután ), szval gondolom valami olyasmi gond lesz itt, hogy nem volt konkrét vonatkoztatási pont kijelölve és ezt oldotta meg az odarakott földelés... Tud valaki mondani erre valamit? Mennyire valószerű ez a megoldás egyáltalán? ![]() (Ha a villogót kézzel építettem volna össze, nyilván /gondolom/ nem kellett volna a kapcsolás egyik pontját sem a földhöz kötnöm...) Köszi!
Szia ! Tenyleg..
Nem ertem miert kotottek ossze..
sziasztok.
most építgetek egy erősítőt, és lenne pár kérdésem a belső zavarok és földhurkok elkerülésére. igazából ezt a topic ot találtam a leg megfelelőbbnek.. szóval a cucc egy vas "ládában lesz" (régi benzineskanna) És ebbe a benzines kannába alulról belemegy egy olyan lemezből hajtott konzol, aminek az alja egy síma lap, és rá van rögzítve egy U alakú hajtott lemez (a kép többet mond )és ennek a tetejére lesz még egy lemez rakva, amiben lesz 4 luk, és távtartókkal lesz ráfogatva egy nyák, amin van az elektronika. ez a távtartó az, amit a számítógépeknél is használnak, kettőt egymásba lehet tekerni, és különböző hosszúságban van. így azt gondoltam, hogy a nyákokat, mivel több kell egymásra rakom ezekkel a távtartókkal. mert a kannát 2 darabra vágni nem lehet, és csak felfele van benne hely, hogy bele lehessen pakolni. de mivel ez az első erősítőm mindenféle haszontalan dolgot belepakolok, és kell a sok hely, és emelet, viszont azzal nem igazán vagyok tisztába, hogyha most ezt így frankón összerakom majd, akkor nem fog belül valami zavar keletkezni?? természetesen belül is, meg minden hol árnyékolt kábelt használnék, az árnyékolást a GND re kell kötni ugye!? és több trafót is rakok bele valószínűleg, de ezt a részét még nem tudom mert kell bele 5V +-12V és 15V így amit olvastam, hogy mindegyik GND jét össze kell kötni. igazából gondoltam a csillagpontos vezetésre is, de azt nem tudtam kivitelezni sajnos :S nade még egy kérdés az árnyékolással kapcsolatosan: esetleg az egyes "emeleteket" leárnyékoljam, vagy ne? ezt még egy nyáklap beiktatásával gondolom a kettő közé, és ezen nem lesz semmi, és a GND t természetesen rákötném. épp úgy, mint a kanna házára. bár ezzel sem vagyok igazán tisztában, mert ugye a védőföldet is rá kéne apprikálni a fém házra, ha már egyszer hálózatra lesz kapcsolva... szóval van pár kérdésem a zavarokkal szemben. esetleg valakinek van pár ötlete, amit megosztana velem? ![]() köszönöm: lewi
Hello!
Ez a föld nem földelést jelent, hanem a feszültség mérések vonatkoztatási pontját, a számításokhoz. Ha nincs semmihez hozzákötve, olyan mint ha a műszerünk mérőzsinórjának egyik fele, a levegőben lógna és úgy szeretnénk mérni. Akkor az egész áramkör lebeg a levegőben és össze vissza mérünk. A valóságban itt természetesen nem kell semmit földelni. Áramköri terven is általában jelölve van a GND vagy föld pont, hogy ezt tartjuk az áramkör váltóáramú "hideg" pontjának. Legtöbbször a készülék fám házát is erre a pontra kötjük, vagy esetleg a tényleges érintésvédelmi földelést, ha a készülék a hálózatról üzemel. Néha azért alkalmazzuk a földelés jelet, hogy a rajzon ne legyen szükség ezen pontok huzalozott összekötésére, mert zavaró lenne a sok vonal. De természetesen a tényleges áramkörnél ezek a "földelt pontok" össze vannak kötve. üdv! proli007
Jól rajzolsz! Mivel csináltad? Paint-el? Engem érdekelne a rajzmód!
Hello!
Inkább a benzines kanna felrobbanásától kell félni, mint a földhuroktól! Ha már volt benne benzin, akkor töltsd fel vízzel, mielőtt elkezdenéd a megmunkálását. Semmi képen ne legyen benne légtér, ahol a benzingőz felrobbanhat!A tápok összekötését, csak akkor lehet megmondani, ha ismert a kapcsolási rajz. De nem értem, miért nem lehetne csillagpontos földelést alkalmazni. Ez csak akkor nem kivitelezhető, ha a GND pontok valamin keresztül eleve összeköttetésben vannak a kannával. De ezt el kell kerülni. A kanna, csak egy ponton keresztül legyen földelve. Nem hiszem, hogy a fokozatokat külön árnyékolni kellene. Csak akkor van gond, ha a végfok nagyjelű részei igen közel vannak az előfok bemenetéhez. Az árnyékolt vezeték harisnyáját kell a GND pontra kötni. De legjobb ha csak az egyik fele van lekötve, a másik a levegőben lóg. (Ha jól emlékszem, az erősítős topikban a földhurok kérdése és vezetékezési megoldásai ki vannak tárgyalva. Azt keresd meg, és annak logikája alapján járj el. A lényeg, hogy a nagyáramok záródási útjait le kell követni, és azok ne emeljék meg a kisebb jelű erősítő földpotenciálját) Én azért az "Erősítő mindig és mindig" topikban tettem volna fel ezt a kérdést.. üdv! proli007
köszi. a kanna már félig meddig kész. meg amúgy is vagy 20 éve áll üresen..
a csillagpontot azt azért nem gondolom kivitelezhetőnek, mert a nyákok nem igazán olyan kialakításúak. mert a csillagpontot én úgy tartanám kafának, ha minden nyák közepén lenne egy forrpont, és össze lennének kötve, és minden nyákon oda futnának be a földek... ettől fogva még lehet az, hogy egyetlen helyre kábellel kötöm majd be a gnd ket, csak még azt annyira pontosan nem terveztem ki. a tápról egy mellékelt kép. a többi trafo az mind egy sima diódahidat kap, meg valami stabilizátort. a szimmetrikusat még nem tudom.. (A rajz az paint. de építés suliba járok, szóval onnan a technika )
a benzinszaggal sincs probléma, mivel a kanna hátulja, és alja az ki lett vágva. a hátulja az azért, mert oda kerül a hűtőborda, amire a végfok van erősítve (TDA7294) és a borda van egy trükkös megoldással a hátfalra szorítva-csavarozva. alulról meg kell a hely, hoyg bele lehessen pakolni, na és ezen a 2 vágáson pont be tudtam rakni a flex et, és a kezemnek is volt helye a másik nyílásból..
ezek után kapott egy 3 rétegű hammerite ot, kívülről is fullra le lett csiszolva, és rozsdamarózva, és most épp az alapozó fedi a tiszta fémet. elöl 40 led es sztereo kivezérlésjelső lesz, ezek lukai is már ki vannak fúrva. szóval az a kanna már csak egy-két vonásában a régi.. ![]() amúgy meg miért nem számítógép??? mert az olyan snassz, és ha már csinálok valamit, akkor az legyen eredeti, és nem egy összehákolt szutyok..
én se le hurrogni akartalak, csak a sz gép házat azt totál fantáziátlannak tartom, meg szokványosnak. én egyáltalán nem akarok már valami tök átlagosat csinálni..
szeretem, ha csinálhatok valamit, és akkor már az lehet akkár milyen bonyolult, ha a végén egy totál egyedi, és sajátezű cucc jön belőle ki. szerintem másnak ilyen ötlete még a fejében sem fordult meg, és nem is nagyon fog, de nekem viszont lesz egy naggyon brutálul kinéző erölködőm. a másik, hogy ez önmagát reklámozza, és nem hiszem, hogy így olyan nehéz lenne eladni valakinek, aki vágyik egy ilyesmire, és ilyen csomagolásban kapja... de majd, ha kész végre vaalhára majd lesz belőle részletes bemutató. úgy is szeretnék egy részletes dokumentációt róla. ha esetleg szervizelni kéne, akkor meglagyen mind a kapcsolási rajz, mind a nyákterv, vagy az alkatrszek adadtai.. szerintem nagyon ott lesz a végén.
Sziasztok!
Az a gondom, hogy nincs 474 (470nF) jelzésű kerámia kondim. És az a kérdésem, hogy 3db 104-es (100nF), és 17db 103 -as (10nF) kondikból párhuzamosan kötve pótolható-e a 470nF-os kondi? Válaszotokat előre is köszi! szerk.: Mégse csak 1db 100nF-osat találtam...
Csak nem szeretnel 17 db kondit osszekotni?
Amugy igen, parhuzamos kapcsolasnal osszeadodik a kapacitas.
Inkább összekötök, minthogy költsek rá...
egyébként van itthon egy vagonnal...
Hello!
Nem tudom mit készítesz, de hogy nem kell bele ekkora kerámia kondi, az majdnem biztos. És ha 470 helyett 400 vagy 500nF van benne az sem gond, mert ezek tűrése, hőfokfüggése (típustól is függően) elég rossz. üdv! proli007
Köszi az infót, ezek szerint elég lesz 4db 100nF-os kondi, mert hogy ezt szeretném megépíteni: LINK
Hello!
A gond, az, hogy én 470µF-os kondit látok benne. Az meg egy elkó, nem kerámia.. üdv! proli007
Sziasztok! Elég kezdő vagyok még és kellene nekem egy egyszerű 555ös IC vel működő késleltető amire ha ráteszem az áramot, akkor kb 10-20mp között bekapcsol egy relét. Kerestem ilyen kapcsolást, de csak olyat találtam ami pont fordítva működik, tehát egy bizonyos idő után kapcsolja a relét
Előlre is köszi! Üdvw Máté!
És Hol fog folyni a legtöbb áram milyen vastag legyen a fólia?
Csinálhatom e úgy hogy Draineket összekötöm a hűtőbordán mármint hogy nem teszek vezetéket! Vagy inkább ne? És mekkora hűtőbordát rakjak ha a motor ~15A vesz fel? Előre is....
Sziasztok!
Kezdő vagyok még az elektronika meg az MC-k terén. Bővebben: Link A fenti projektet próbáltam megépíteni, egy próbapanelen raktam össze a kapcsolást. A probléma a következő: a táp ráadásakor nem csinál semmit az áramkör, még az LCD sem kapcsol be. Ha kiveszem a szenzort az áramkörből, akkor rendesen működik (az LCD kiír egy próba szöveget). Miért van ez?
Helló ! Ez militari kivitel lesz ? Érdekelne ,hogy a benzines kanna mit erősítő doboz, hogy jött be? Nekem is van 2 db de erre még nem gondoltam.
Helló ! Piros ledes panelméter kijelzője elé piros plexit szoktam tenni és akkor csak a szám látszik amit éppen kijelez. De most zöld kijelzővel van dolgom, tudom az elé zöld plexi kell tenni de az nincs itthon. Ti ,hogy oldanátok meg miből lehet esetleg kitermelni ? Találtam egy darabka szürkét de van rajra egy felirat pont rossz helyen.
Köszi:nagy hoho
Hello!
Nemtudom mennyire használható az ötletem de én mindenképp megpróbálnám egy olcsó műanyag mikróstállal minek egyenes átlátszó zöld a fedele. Csak egy tipp, nemtudom mennyire használható, hanem vannak elég kemény műanyagos zöld füzetborítók is, esetleg nagyon sok folyadékot tároló edény is átlátszó zöld (spriccoló, viráglocsoló flakon, vagy pár üdítő flakonja is) De egyik sem garantált csak ezek jutottak eszembe mik átlátszók és zöldek. |
Bejelentkezés
Hirdetés |






Koszonom, az utobbit fogom valasztani mert egyszerubb. Viszont mindenkepp kiprobalom a TL-es valtozatot is. Udv.
), szval gondolom valami olyasmi gond lesz itt, hogy nem volt konkrét vonatkoztatási pont kijelölve és ezt oldotta meg az odarakott földelés... Tud valaki mondani erre valamit? Mennyire valószerű ez a megoldás egyáltalán? 
és több trafót is rakok bele valószínűleg, de ezt a részét még nem tudom mert kell bele 5V +-12V és 15V
így amit olvastam, hogy mindegyik GND jét össze kell kötni. igazából gondoltam a csillagpontos vezetésre is, de azt nem tudtam kivitelezni sajnos :S 






