Fórum témák
» Több friss téma |
- Ez a felület kizárólag, az elektronikában kezdők kérdéseinek van fenntartva és nem elfelejtve, hogy hobbielektronika a fórumunk!
- Ami tehát azt jelenti, hogy a nagymama bevásárlását nem itt beszéljük meg, ill. ez nem üzenőfal! - Kerülendő az olyan kérdés, amit egy másik meglévő (több mint 17000 van), témában kellene kitárgyalni! - És végül büntetés terhe mellett kerülendő az MSN és egyéb szleng, a magyar helyesírás mellőzése, beleértve a mondateleji nagybetűket is!
De igen, hallottam. Szóval akkor ilyen ú.n. földelésses jellel áramkört földeléses konnektorben lehet csak használni?
A testtel, meg az a bajom, hogy nem igazán tudom, mit is értsek az alatt a fogalom alatt, mert beszéltek róla nekem már, de nem mondták meg, hogy mi is a lényege.
Idézet: „Szóval akkor ilyen ú.n. földelésses jellel áramkört földeléses konnektorben lehet csak használni?” Nem. Ahogyan Köbzoli is írta ez egy jelölésrendszer, nem összekeverendő az érintésvédelemmel. Elektromágneses terekben a potenciál szempontjából nincs olyan, hogy abszolút nulla potenciálú hely. Mindig egy vonatkoztatási pont szükséges, hogy potenciálkülönbségről (feszültségről) beszélhessünk. A kapcsolási rajzokon ezt tüntetik fel ily módon, tehát a föld vagy a test áramköri jelével. Tehát az a pont lesz az áramkörben a 0 potenciálú pont, minden mérhető feszültség ehhez a ponthoz van viszonyítva az áramkörben. Üdv.
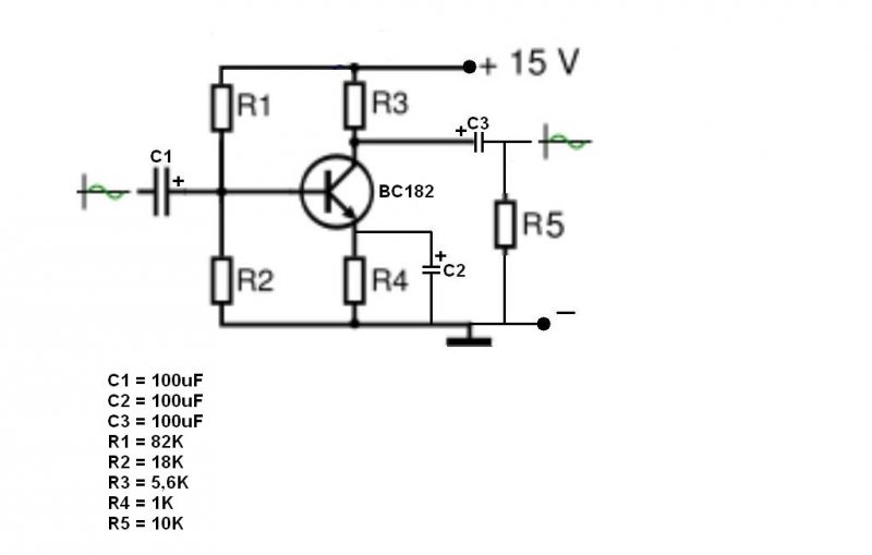
Sziasztok.Meg szeretném építeni ezt a kis erősítőt.Nekem ha 30 wattot tudna az elég is lenne.Csak mono lenne és egy 300w-os pc-tápról szeretném működtetni.Szerintetek megoldható??
köszönöm
Hello!
Akkor tudnál egy rajzot csinálni hogy hogyan működne? Egy H-hidat szeretnék összehozni.
Világos mint a vakablak.
Így már jobban el tudok igazodni.
Hello!
Nem fogok rajzolni, mert hitem szerint ez nem olyan egyszerű dolog azért. Vagy N és P csatornás Fet-eket kell alkalmazni, vagy biztosítani kell a meghajtást, mint írtam. Aztán van olyan gond is, hogy a tranyók ne nyissanak egymásba. Azaz, hogy ha a felső tranyót kikapcsolod, akkor az alsó tranyót ezzel egy időben nem lehet egyből bekapcsolni, mert a Fet kikapcsolási ideje nagyobb mint a bekapcsolási idő. A sebességtől, viszont függ a Fet disszipációja.. s sorolhatnám. Nem véletlenül gyártanak H hídhoz külön IC-ket. (L298-LP2954-TC4424..) De van erre külön topik is itt van egy kapcsolás is. Ebben láthatod, hogy van. és a hálón a "H-bridge Fets" keresésével. üdv! proli007
Halihó!
Azt szeretném megkérdezni a kedves kollégáktól, hogy a belinkelt toroid magnál mit jelent a mag impedanciája? Felhasználhatom ezt a magot rövidhullámú (3-20 Mhz) rezgőkörök tekercsének elkészítéséhez? Bővebben: Link A válaszokat előre is köszönöm.
Sziasztok!
Lenne egy olyan kérdésem hogy miként lehetne elektromos energiát továbbítani tekercsekkel levegőben? Elég sok kérdésem felmerült, mert tekercsek terén nagyon kezdő vagyok, de tudom hogy lehetséges a dolog hogy pár cm-n keresztűl levegőbe elégséges áramerősség melett, természetesen veszteséggel áramot továbbítsunk (gondolok itt pl 100mA-ra). Elég sokat kísérleteztem viszont mint mondtam kezdő vagyok ezért inkább vaktába való lövöldözgetés volt minek az eredmenye nem volt több mint pár mm, mi a centiméterekhez képest édes kevés, ne is beszélve a hatalmas veszteségekről. Próbátam többféle tekercsel, változtatva a menetszámot, átmérőt s a drótvastagságot is, de hiába. Pl ilyen kérdéseim lennének hogy légmagos vagy vasmagos tekercsben kell gondolkozni és pl hány menet, milyen vastag huzalból, és mekkora átmérővel. Ugyanakkor pl milyen frekvenciatartományban éri meg keresgélni. Meghajtásként egy astabil multivibrátorra gondoltam. Elégésges ha csak impulzusokat kap a tekercs vagy nem árt az áram váltakozásának megoldása sem? De egyelőre a meghajtás és elektronikai része elhanyagoható met azt sokkal könnyebben megoldom, a fő gondom mint mondtam a tekercsek. Semmit nem tudok ezeknek ilyen jellegű felhasználásáról és kivitelezéséről, keresgéltem neten de sehol nem bukkantam ezzel kapcsolatos anyagra. Előre is köszönöm
Egyszóban összefoglalva: miktől függ (huzal átmérője, tekercs átmérője, menetek száma, frekvencia, és hogy légmagos vagy vasmagos) az "átvivendő" teljesítmény nagysága?
Helló ! Nézd meg Skori weboldalát. Az érdekes kapcsolások között van egy ahol 6 cm-es távolságot hidal át néhány alkatrésszel.http://skory.gylcomp.hu/kapcs/kapcs.htmlal
Szia!
Keresgéltem itt is de nem találtam rá, talán a téma neve miatt, de azthiszem miután áttanúlmányozok 79 oldalt már sok kérdésem nem marad. Köszi szépen.
Az a baj a Skori-ét már tegnap megcsináltam csak nem mondtam. És működött is és azt is tudom hogy amit meglehet egyszerűen oldani azt minek kéne tovább bonyolítani az elektronikában, de én pl egy astabil multival szeretném megoldani pl 555-el. Meg is csináltam de az lett a következménye hogy bármilyen frekvencián járattam hatalmas volt ennek a huroknak az áramfelvétele és már nem működött sehogy. Nemtudoa skori-nak a kiváló művének hogy olyan kicsi az áramfelvétele és jó a hatásfoka, ahoz képest mikor 555-el hajtottam meg ugyanazokat a tekercseket. És nagyjából átfutottam az ajánlott topicot de az egész csak a Skori-éról szól, és nincsenek más verziók, persze ez egyértelmű mert nagyon egyszerű. Szóval szeretném megtudni mivel különb a Skori működése mint az 555-el való meghajtás. Ugyanakkor konyhanyelven nagyon megköszönném ha elmondanád hogy mit eredményez a menetszámok változtatása, a huzal vastagságának változtatása és a tekercs átmérőjének változtatása. Elég lenne ha az egészre csak egy-egy rövid választ adnál, konyhanyelven hogy én is megértsem. És a mágneses tulajdonságok változására gondolok. Nagyon megköszönném ha kicsikét felvilágosítanál(tok).
Rendben. Akkor megköszönném ha ott is velem tartanál
Sziasztok!
Beszeretném gerjeszteni a csatolt kapcsolást. Én a kimenet és a bemenet összekötésére gondoltam. Pozitív visszacsatolását szeretnék, hogy ismétlődjön a dolog. Ha nem úgy van ahogy gondoltam, kérlek javítsatok ki. Üdv
Az oszcillációhoz pozitív visszacsatolás kell. Ez a kapcsolás fázist fordít, tehát önmagában nem jó. A kimenti jel fázisa fordított, mint a bemeneti, a rajzon nem jó.
1. Kettőt sorba kötsz RC tagokkal ( T - RC - T - RC - vissza az elejére ) és lesz egy astabil multivibrátorod. 2. Fázistolóval csatolsz vissza ( T - RCRCRC - vissza ) és lesz egy fázistolós oszcillátorod. Az RCRCRC tag fog 180 fokot fordítani és így lesz pozitív visszacsatolásod.
Mire jó a dióda híd?
Kerestem rajzot róla, hogy mit is lehetne vele csinálni, de nem találtam. Igazság szerint H-Hídhoz gondoltam védőnek, de lehet, hogy oltári nagy hülyeséget írtam? L298-as híd Helytakarékosabb és esztétikusabb lenne.
Diódahíd = Graetz híd vagy más néven egyenirányító híd, egyetlen tokban
A következőt tettem:
egy forgó motor forgó részén lévő hengerre 150 menetet tekercseltem egy trafótól letekert rézhuzalból (0.2 mm vastag, zománcozott). A forgó rész köré egy álló henger részt tettem, kb 3-4 mm távolságra a forgó részre tekercselt rész köré. Erre az álló részre is tekercseltem kb 100 menetet ugyanakkora szélességben. Az álló rész rézhuzalának két végéről a zománcot lekaparva, a rézdróton semmi feszültséget nem tudok mérni, a rákötött izzó és sötét. Arra számítottam, hogy az álló rész huzalainak végén feszültség indukálódik. Mit rontottam el?
1. A forgórész tekercsére kapcsoltál áramot? Mert kell.
2. Ha a két tekercs tengelye ugyanabba az irányba mutat mindvégig ( a tekercs önmaga körül forog ), akkor nem lesz áramod. A forgórész tekercsének tengelye legyen merőleges a motor tengelyére, az állórész tekercse is legyen merőleges, tedd úgy, hogy a kezdőpozíció folytatása legyen. Azaz a forgó tekercs forogjon az állórész előtt. A forgáskor fél fordulatra a forgó tekercs másik vége legyen az állórészhez közel.
Köszi a választ.
- Hogyan kapcsoljak feszültséget a forgórészre? Hiszen az forog. - A motor tengelye függőleges, a forgórészre tekercselt tekercs tengelye is függőleges, ha jól értem. Hogyan lehetne ez merőleges? Rosszul értem? Pontosan mit értesz a tekercs tengelye alatt? Az ötletet a http://propellerclock.uw.hu-ról vettem. A képeket a csatolásban találod.
Sziasztok!
A következőt szeretném elkészíteni: Egy "kapcsoló" amire ha 12v feszültséget kapcsolok vár egy másik jelre(amit egy reed relé adna) és amint megkapja ezt a jelet bekapcsol és mindaddig így is marad amíg feszültség alatt van. Ha lekpacsolom a feszültségről kikapcsol, vagyis amint újra rákapcsolom a 12v-t megint vár a reed relé jelére. Tudna nekem segíteni valaki ebben? Előre is nagyon szépen köszönöm!
Ennek a "kapcsolónak" milyen terhelést, és mekkora feszültségen kell kapcsolnia? Esetleg további relét működtetne? A reed relé pozitiv vagy negativ impulzust ad, (egyáltalán impulzusról van-e szó, vagy hoszabb idejű jelről)?
Benzinpompára szeretnék rejtett kapcsolót, amit reed relével kapcsolnák(impúlzus).
Nem igazán értem, mit akarsz.
A) Demonstrálni, hogy forgó elektromágnes áramot indukál egy tekercsben? Erre írtam az előző válaszomat. Ha a motor tengelye függőleges, akkor a tekercs(ek) tengelye legyen vízszintes. Mint a kép001-en is látszik ilyen, 4 darab. B) Áramot átvinni olyan transzformátorral. aminek egyik tekercse forog a másokhoz képest. Ekkor a motor tengelye és a tekercsek tengelye megegyezik, az egyik tekercs benne van a másikban. Az egyik tekercsre váltóáramot kell kapcsolni, ami megjelenik a másik tekercsben. Később lerajzolom.
Elkészítettem a tervét az L298-as motor szabályzómnak csak féle nem fog működni:
A felső piros a +12 V a kék a GND. 2,3-as láb az out az alsó rész az input. A diódák pedig kb úgy néznek ki, mint a rendes diódák. Ha valaki ránézne megköszönném.
Ne kockáztass, tegyél egy soros ellenállást, és egy 9,1V-os zenert,igy biztos a siker. Az ellenállás 560-680 ohm legyen.
Erre gondoltam.
B) + Csak váltóáramot tudsz transzformálni.
Ahham keresek itthon zenerjeim vannak még dögivel
Esetleg 24v dc-ből 12v dc-be tudsz segíteni?Szval egy legalább 3A-ros stab ic-hez kéne a lehető legegyszerűbb kapcsolás. |
Bejelentkezés
Hirdetés |





Így már jobban el tudok igazodni.












