Fórum témák
» Több friss téma |
Fórum » Labortápegység készítése
Köszönöm gyors válaszod. Hát az a helyzet hogy én is ilyentől tartok , de hátha valaki…
Köszönöm a kimerítő válaszokat (mindenkinek) !
Trafót szeretnék vásárolni ,láttam is párat ,de nem tudtam melyik lehet jó.... Igen a 30V -ot céloztam meg ,de a 25 is elég lehet.... Üdv : István
Ha a 24v-ost építed akkor ez lesz jó és szimetrikus (dupla) táphoz is jó!Bővebben: Link
Egesz egyszeruen :
Egyenaramban VA=W Valtoaramba de csak tisztan rezisztiv terheles eseten is VA=W Valtoaramban ha a terheles nem csak rezistiv akkor az aram es a feszultseg nem lessz mindeg azonos fazisba igy a P= V*A erteke az adott terhelest valtoaramu viselkedesetol fugg (rezisztiv,kapacitiv,Induktiv ) . A fizikaoran tanultunk rolla a valtoaram fejezetben soros RLC kor ,talan emlekszel mikor vektorialissan kellett megszerkeszteni az eredo ertekeketBővebben: Link Meg bővebben (magyarul nem talalm hirtelen)
Hogy a viharba ne emlékeznék !
Mintha csak tegnap lett volna )))Csak kíváncsi voltam figyelsz e ? )Na.... viccet félre téve ,köszönöm ,sokat segítettél a megértésben ! Köszönöm szépen ! UI: kb. 25 éve volt az uccsó fizika órám
Ugyan született már pár válasz, de a sajátom is elmondom. És próbálok egyszerű lenni.
A "VA" a felhasználó által megkívánt kimeneti feszültség és áram szorzata. Erre is utal a jelölés. Aztán, hogy ez azonos-e a "W"-al, az csak akkor lesz érdekes, ha mondjuk magad akarsz trafót méretezni. Ugyanis ekkor már valóban előjön a veszteség fogalma, ami többek között pl. a fáziseltolódásból is adódhat, ami akár induktív, akár kapacitív irányú is lehet (régen erre volt a "cosinus fí"). De a lényeg mégis csak az, hogy a felhasználónak ne kelljen bajlódni semmivel. Megadja a neki kellő "VA"-t, és megkapja a trafóját. Ha egyszóval akarnám leírni, ez a haszhos teljesítmény. Más! Szerintem el kellene fogadni (végre), hogy a mai, viszonylag specifikus áramkörökhöz, nem lehet megfelelő trafót találni a polcon. Annak esélye, hogy teljesítményben és tekercsrendszerében is megfelelőt találjunk, gyakorlatilag elhanyagolhatóan kicsi. Ez is egy alkatrész, amit meg kell venni, és akkor már lehet rá kérni optimális tekercselést (mint pl. külön tekercseket a műszereknek). Alkotó
Neked is köszönöm a választ !
Mindenképp új - szerintem - toroid trafót veszek. A 25V ,120-160 VA szerintem nekem elég (javíts ha tévedek) . Ahoz képest ,hogy most mindenféle dugajtápokkal küzdök - fokozatmentes állításról nem beszélünk - ,elemek ,akksik a LED kipróbálására ,ÁK.- k kipróbálására ,ahoz képest nekem ez nagy mérföldkő lesz. Tehát - ha jó gondolom - pl. a 160VA -rel meg tudom oldani a ~30V / 4A -t ? És még egy kis tűrés is marad a trafóban.... Egyéb iránt már a tekercseléskor van egy kis ráhagyár - úgy hallottam - . A műszereknek pedig megtekerném én a 4x +/- 5V -ot - ebben majd még később kérnék segítséget- ! Mindent összevetve szerintem nem tekertetek magamnak ,hanem választok valamit - újat/használtat -. Köszönöm a segítséget és javítsatok ,mert külömben "erdő" ![]() Üdv : István
Csak akkor tudok véleményt formálni "elég vagy kevés" ügyben, ha már a kapcsolás is megvan. De én itt nem látom mit is akarsz megépíteni (nem nyomoztam alaposan, csak éppen visszanéztem egy kicsit).
De ettől függetlenül, általánosan igaz, hogy sokat számít a majdani funkció. Elég ritka, mikor ténylegesen határterhelést kap egy labortáp, de ez nem jelenti azt, hogy ne kéne kibírnia azt. Csak az a kérdés mennyi ideig. Mert ha tényleg csak egy kis pár perces próbáról van szó, akkor egészen más méretezési hozzáállás kell, mint ha a végletekig akarod órákon át terhelni a majdani tápodat. Ebben azért célszerű már az elején jól állást foglalni, mert anyagilag ez számottevő különbözőségeket von magával. Ennek egyik eleme a trafó, másik meg az áteresztó tranyók milyensége, mennyisége, és azok hűtése. És még egy fontos dolog. Nem biztos, hogy a bonyolultabb az jobb is, és van pár olyan dolog ami most ugyan olcsóbbá teheti a dolgot, de később majd sokszor visszaköszön a kompromisszumból eredő hatás. Egy szerintem jó példa ez. Kicsit hőfokfüggő az áramhatár, kicsit régi a kapcsolás, de nálam még mindig megvan ennek a tápnak egy dupla verziója, és nem tudja kiszorítani okosabbnak tűnő társait. (mostanában raktam fel nyákterveket is hozzá) Alkotó
Köszi ,hogy ilyen behatóan foglalkozol velem !
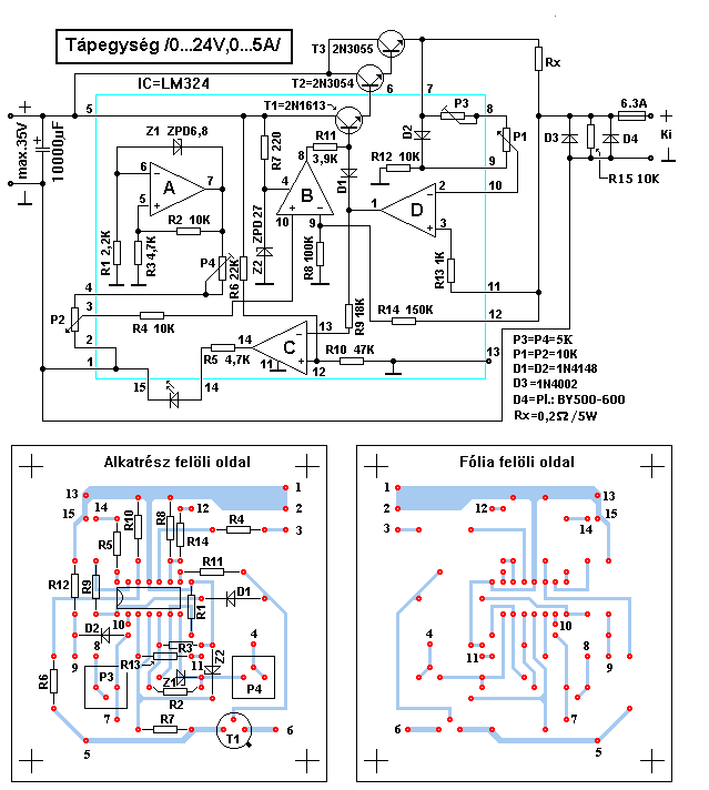
Itt mutatom (file) a megépíteni kívánt (fele már meg van ) tápot. Szerintem nem bonyi ,és jókat írnak róla. A 3054 helyett is 3055 van ! Valamint vettem (még nem fizettem ki) egy toroidot ,de nem annyira vagyok biztos a bekötésében ,hátha láttatok már ilyet ![]()
A két pirossal kezdődő a primer (230VAC), a 3 db sárga a szimmetrikus (középmegcsapolásos) szekunder, a többi szekunderről a háttérben nem tudható semmi, ki kell mérni... aztán kiderül.
Az itt keringő népszerű kapcsoláshoz készítettem olyan NYÁK rajzot amibe beforraszthatóak a szabályzó potméterek. Így közvetlenül az előlapra szerelhető.
Köszönöm szépen !
A Lottót töltsd a héten feltétlen ! Pont valami ilyesmin voltam ,csak még megnézem ( kinyomtatva) elég távol/közel vannak e (M10 doboz ). Más : van nekem 4db ilyenem és - ha lehet- ezzel oldanám meg a kijelzést. Szerintetek "átkonvertálható" az ICL 7107 re ? Gondolkozom ,csak nem fog az agyam ![]() Lábszám kevesebb ,de ugye ez nem minden....
Hello!
Gyanítom, hogy ez egy mutiplex vezérléshez való kijelző. Tehát azonos szegmens kivezetések, össze vannak kötve. Következésképpen nem jó. üdv! proli007
Feltétlenül kitöltök egyet, csak jó lenne hozzá 5 nyerőszám is
Ja már látom is ...
![]() Köszi ! Az a baj ,hogy a "gyári" nyákkal nem nagyon férek el
Ezt a rajzot sokat látni itt. Én még csak hallottam olyanokról akik meg akarják csinálni, de készen egyetlen fotót sem láttam.
Ami viszont biztos: egyetlen áteresztő tranyó csak nagyon szélsőséges hűtési intenzitással képes itt dolgozni. Sőt SZERINTEM nem is képes! Ha mondjuk rövidre zárod 5A-re beállított áramkorlátnál, és mondjuk 10% tartalék feszültséggel számolunk, akkor az 24*1,1*5=132W. No ezt a teljesítményt nem tudja egyetlen tranyó eldisszipálni. Persze ez csak az én álláspontom (mondjuk ettől azért még hiteles), és szerintem éppen ez az egyik alapok, amiért távolról sem ez a legjobb kapcsolás, amit labor célra érdemes megépíteni. Hiányzik belőle a megbízhatóság (viszont valóban nem bonyolult ezt el kell ismerni!). De mint sok más, ez is ízlés dolga, ha neked ez tetszik építsd meg ezt. Csak fejezd is be, és írd le ide, hogy miként működik. Alkotó
Már megépítettem ,sőt szét is bontottam !
Nem teszteltem sokat ,elvette a kedvem a ronda dobozolás és úgy gondoltam "kettősre" ,azaz szimmetrikusra építem át. Sajnos ez a szerény hűtőborda nem fér az új dobozra ![]() De csutkán zártam rövidre ,nem történt semmi ,kivéve a led reakcióját....
Nálam jól működik. Ezzel az áramkörrel láttam el a li-ion töltőmet, és hasonló kapcsolású tápot örököltem édesapámtól. Már lassan 2 évtizede működik.
Attila használt a Kapcsolóüzemű előszabályozós, négydigites labortápegységéhez, multiplex kijelzőmeghajtást. 7135-ös Ic vel megoldható a kijelződ meghajtása!Bővebben: Link
Köszi ,azzal meg az a baj ,hogy van itthon 6db 7107
Akkor itt az ideje felmenni a Maxim-ic-re és beszerezni pár mintapéldányt
Már nem küldenek
Hmm, én tudok pakolni a sample cart-ba...
Lehet velem van a baj,de nekem két hete még küldtek 7107-et...Na de nem akarom reklámozni az ingyenélést...
Úgy értem : Nekem nem küldenek
Én is megépítettem, nálam is remekül megy. Igaz, csak 2.5A -es trafóm van. Nem akarlak megbántani, de inkább ez a táp, mint a másik féle, ahol ha kontaktos a poti, akkor kikerül a maximális tápfesz a kimenetre. Az gyilkos lehet egy mikrokontrollerre nézve. (meg gondolom sok más áramkörre is). Aki meg hegeszteni akar labortáppal, az sokszorozza meg az áteresztő tranyókat.
Idézet: „Aki meg hegeszteni akar labortáppal” ez nagyon tetszik ! |
Bejelentkezés
Hirdetés |




)))











