Fórum témák

» Több friss téma
Fórum » Rádió adó-vevő készítése
 
Témaindító: mosomate, idő: Szept 30, 2006
Témakörök:
Lapozás: OK   2 / 11
(#) Ferkógyerek válasza mosomate hozzászólására (») Szept 30, 2006 /
 
Szerintem még senki nem épített magátol elsőre olyan rf áramkört ami tökéletes lett volna.
Az alapoknál kell kezdeni ez pedig arra tökéletesen megfelel.
Majd szépen lassan a már megszerzett tapasztalatokkal tovább lehet lépkedni.
Ez nálam így működött.
Sok működőképes áramkört!
És ha tudok továbbra is segítek.
(#) Ferkógyerek válasza mosomate hozzászólására (») Szept 30, 2006 /
 
MIKROFON BETÉT D=10 62dB KPCM-15
Akár még az is lehet.
Bár jó lenne tudni hol találtad
(#) mosomate válasza Ferkógyerek hozzászólására (») Szept 30, 2006 /
 
Megcsinálom az alapot aztán áttérek a komolyabbra. találtam egy olyan vevőt ami nem tűnik olyan bonyolultnak, még lehet is belőle valami. én innen szoktam alkatrészt beszerzni.
(#) mosomate válasza mosomate hozzászólására (») Szept 30, 2006 /
 
Ez lemaradt:

vevő_2.gif
    
(#) Ferkógyerek válasza mosomate hozzászólására (») Szept 30, 2006 /
 
Az árából ítélve ez egy kondenzátor mikrofon a célra tökéletes.
A vevő megépítéséhez pedig sok sikert.
(#) mosomate válasza Ferkógyerek hozzászólására (») Szept 30, 2006 /
 
KÖSZÖNÖM! Eddig te voltál a leginteraktívabb fórumpartnerem, kevés az ilyen.
(#) Moderátor hozzászólása mosomate hozzászólására (») Okt 1, 2006
 
Uraim!

Most kijavítottam több helyen a vulgáris szavakat, de ha még egy ilyen napvilágot lát ebben a témában, akkor zárolni fogom!
Sokszor, sok helyen kértem már, hogy tartózkodjunk az ilyen szavaktól, úgy látszik, hiába!
(#) mosomate válasza (») Okt 1, 2006 /
 
Nagyon sajnálom!:kuss:
(#) mosomate válasza mosomate hozzászólására (») Okt 1, 2006 /
 
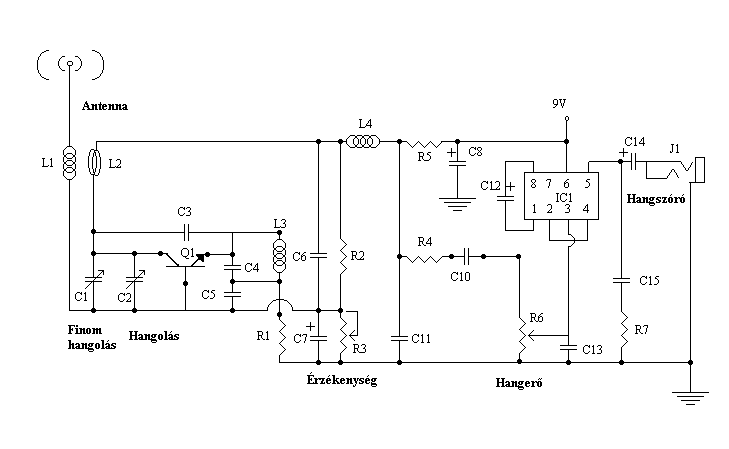
Találtam egy 3 tranyósat, nem is túl bonylult, mi a véleményetek?

skorimic.jpg
    
(#) mosomate válasza mosomate hozzászólására (») Okt 1, 2006 /
 
Betehetek a tekercsekkel párhuzamosan a kondik helyett trimmerkondit a hangolás végett? Ja és hagyan kell bekötni a bf961-es tranyót?
(#) szabi83 válasza mosomate hozzászólására (») Okt 1, 2006 /
 
tranyó:nezze:

üdv

bf961.GIF
    
(#) mosomate válasza szabi83 hozzászólására (») Okt 1, 2006 /
 
Köszi! Én ré nem jöttem volna,hogy így kell!
(#) mosomate válasza mosomate hozzászólására (») Okt 1, 2006 /
 
A tranzisztorok helyettesíthetőek ugyan olyan frekvenciájú smd tranyókkal?
(#) dancika hozzászólása Nov 28, 2006 /
 
hy!
Tudna valaki abban segíteni hogyan lehetne a rádiós fejhallgatóm hatótávolságát növelni?
Előre is kösz!
(#) Norberto válasza dancika hozzászólására (») Nov 28, 2006 /
 
A számítógép oldali ADÓ-rész teljesítményét kellene növelni...
(#) dancika válasza Norberto hozzászólására (») Nov 28, 2006 /
 
áramilag, vagy hogyan?
(#) Moderátor hozzászólása dancika hozzászólására (») Nov 28, 2006
 
Egyszer is elég elküldeni egy hozzászólást.
(#) dancika hozzászólása Nov 28, 2006 /
 
de hogyan tudnám növelni azt a teljesítményt?
(#) tams hozzászólása Jan 5, 2007 /
 
Üdv!
Én szeretnék csinálni 2 db ugyanolyan fm adót, amit arra használnék, hogy a motoron ülve beszélgessek úgy hogy mp3 lejátszót használok vevőnek.
nekem egy olyan kapcsolás kellene aminek kics az áramfelvétele és jó minőségű az adás 9 vagy 3Vról menjen. hatótáv lényegtelen.
2-t találtam
Az első egyszerűbb és egy trimer potival egyszerűbb lehet a hangolás is talán ráadásul smd alkatrészekkel kisebb helyen is elfér, a második bonyolutabb drágábban is tűnik és ott problémát okoz az L1 gyakorlati megvalósítása viszont használhaték cerkaakksikat.
Lehetne ezeknek a hatótávolságát lecsökkenteni, esetleg álíthatóvá tenni valahogy az adás minőség megőrzése mellett? mert nekem akarom, hogy mindenki halljon körülöttem mármint az autósok ilyesmi és az elemek is tovább bírnák.
(#) bbatka válasza tams hozzászólására (») Jan 5, 2007 /
 
Az első felejtsd is el. Nemfog müködni így ránézésre. A Skoriét már páran sikeresen utánépítették. A hatótávot a tápfeszültséggel tudod szabályozni.
(#) tams hozzászólása Jan 5, 2007 /
 
értem köszi!
El tudná még mondani valaki, hogy az L1-es tekercs hogy oldható meg? csak 2 tekercs az egyik lábánál összekötve?
(#) tams hozzászólása Jan 5, 2007 /
 
ja és nem lehet beletenni valami trimerkondit? amivel egyszerűbben lehetne hangolni? és nem lehetet gyári induktivitásokat venni??
(#) tams hozzászólása Jan 5, 2007 /
 
és ha már SMD-s a témai is az SMD alkatrészek teljesen megegyeznek a normálakkal? szóval ugyanúgy kell bánni velük, úgyanúgy lehet őket megmérni beazonosítani?
Tranzisztor is van?
Ezek drágábbak?
(#) Sebi válasza tams hozzászólására (») Jan 5, 2007 /
 
A legtöbb normál - gyakran használt - félvezetőnek van SMD kivitelű típusa is, de helyettesítő biztosan akad. A nagyobb műanyag tokokban sem lakik nagyobb félvezető, csak a lábak miatt akkora amekkora...
Ugyanúgy mérheted őket, csak néha elugrik mint a bolha
Általában olcsóbbak is mint "lábas" testvéreik, mert kevesebb az anyag bennük.
Néha ért velük meglepetés, mert vannak olyanok amiknek hőre lágyuló(!) a SOT23-as tokjuk. Ezeket aztán épségben leszedni nem igazán lehet.

L1: úgy is jó ahogy írod, vagy egyszerre feltekersz 4 menetet és középen megkapargatva hozzáforrasztod a leágazást.

Ilyen gyári induktivitást venni nem lehet, de nem nagy gond elkészíteni: pucér rézdrótból még nagyobb jóságút is tudsz készíteni.
(#) tams hozzászólása Jan 6, 2007 /
 
lenne még ott az a BB105-ös varikapnak gondolom én, de nem vagyok biztos, mert ilyen alkatrészt még soha nem láttam.
Na azt nem találom egy internetes rendelőnél sem.
lehet azt helyettesíteni valmi mással?
(#) tams hozzászólása Jan 7, 2007 /
 
mi az a varikap egyébként?
(#) Dudus válasza tams hozzászólására (») Jan 7, 2007 /
 
Variable Capacitor.

Tulajdonképpen egy dióda, aminek lezárt állapotban a kiürített réteg szélessége és ezáltal a kapacitásának a nagysága a zárófeszültség mértékétől függően változik.
(#) tams hozzászólása Jan 7, 2007 /
 
értem
(#) Dudus válasza tams hozzászólására (») Jan 7, 2007 /
 
Csak egy javaslat:

Használd a válasz linket, úgy egyértelműbb mihez szólsz hozzá.....
(#) tams válasza Dudus hozzászólására (») Jan 7, 2007 /
 
ok renben
És szerinted azt a bb105 öset honnan lehetne szerezni? vagy mi lenne jó helyette?
Következő: »»   2 / 11
Bejelentkezés

Belépés

Hirdetés
XDT.hu
Az oldalon sütiket használunk a helyes működéshez. Bővebb információt az adatvédelmi szabályzatban olvashatsz. Megértettem