Fórum témák
» Több friss téma |
Mielőtt kérdezel, a következő két dolgot ellenőrizd!
I. A helyes tápfeszültségek megléte.
II. A kimeneten van-e egyenfeszültség.
Élesztés.
Helló
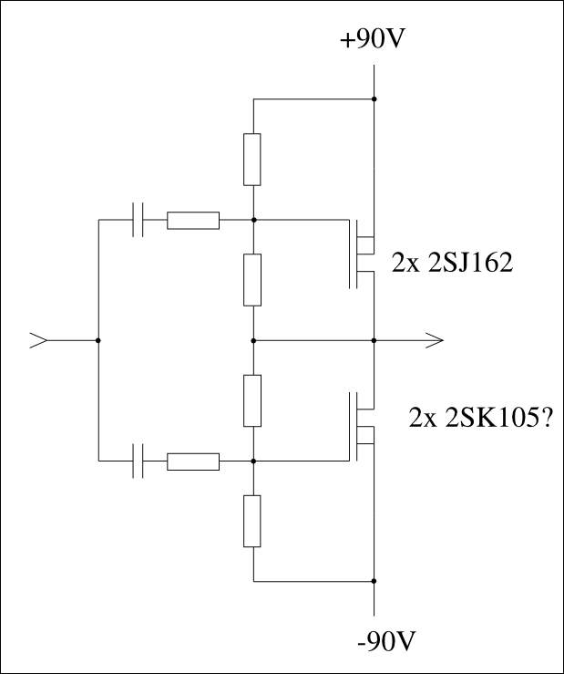
Az nem lehet hogy a másik oldal tele van bombázva smd alkatrészekkel. Mert ha ebbe csak tényleg a 4 végtranyó vagy fet van akkor engem is nagyon érdekelne a működési elve és a kapcsolási rajza.
Helló
Hogy állsz az 1 tranyóssal?
Az eddigi legjobb egytranyós fettel és folytótekerccsel,
1,6 A nyugalmi árammal. Nagyon szépen szól többek szerint és végre a teljesítmény is elégnek tűnik (nekem) :
Szerintem valami ilyesmi lehet. De azt a 2x1000µF-ot így is keveslem.
Helló
Tegnap el is felejtettem írni róla. Megépítettem és szépen szól. Egyedüli problémám a kis hangerő de ezen ma fogok dolgozni. Megpróbálom csökkenteni az ellenállást és ezzel növelni a nyugalmi áramot. Majd megírom az eredményét.
Sziasztok! Én magam nagyon nem értek az erősitő épitéshez , én inkább hű használója vagyok, ill. voltam
Van itt olyan valaki aki kaposvári és szívesen meg nézné hogy mi a baja az erősitömnek? Használat közben el halkult és azóta nem szól. tip. IONNER SX700L
Sziasztok!
Van az egyik haveromnakegy erősítője ami elromlott arra lennék kíváncsi , hogy szerintetek amíg jó volt leadta a 150-200W -ot . IRFP 9240 , IRFP240 Fet van benne. Ezzekelet el leeht érni ekkora teljesítményt ? Köszönöm a válaszokat.
Hány darab volt benne? Ezekkel..még többet is, csak több darab kell belőle hozzá.
Szia!
1-1 volt mind a kettőből. Ha tudsz kacsolási rajzot hozá akkor az jó lenne mert újra akaarom neki építeni, mivel elromlott és ő már szerelgette , így nem akarok hibát keresni, mivel 1 párt már ki égetett belőle.
Nézd a google mit talált:
Bővebben: Link És ezt írja róla: power : 100 wrms 8 ohms - 160 wrms 4 ohms egy -egy párral oldalanként.
Helló
Az ellenállás változtatásával talán csak kicsibe változik a helyzet. A tápfeszültséget meg nem akarom drasztikusan növelni mert félek hogy kinyírom a 12 voltos izzót. El kellene kezdeni kísérletezni de nincs itthon fet párom . Csak két darab N-csatornás fetem van. De majd még kísérletezek ha lesz időm és kedvem.
Sziasztok!
Van egy erősítőm és az egyik fele tökéletesen szól, de a másik serceg, ropog, meg mindenféle hangot ad ki. Szeretném a segítségeteket kérni hogy hol keressem a hibát. Elvileg ha valamelyik végtranyó száll el akkor meg sem szólalna ugye? De akkor mi a baja? A csatolt kapcsolásról lenne szó.
Helló
Majd várom a fejleményeket a két n csatornás tranyós ügyében is,... az 1 fetesről meg dobhatnál képeket,.... helló
Talán valamelyik forrasztás ment tönkre. Érdemes ilyenkor óvatosan megmozgatni az alkatrészeket, hogy kiderüljön hol lehet a hiba.
Helló
Itt vannak a képek. Néhány változtatás belekerült a kapcsolásba: -Az izzó helyett egy 47 ohmos 5 wattos ellenállás van. -IRF830-as fetem volt itthon. -A kimenő kondi 2200 uF -A bemenő maradt 10 uF -Az ellenállás helyet egy 22 kOhmos trimmer poti van. -A hangszóró 4 Ohmos ( Ezt biztos nem üti ki )Tapasztalat: -Nőtt az áramerősség felvétele az áramkörnek, ezért csökkentenem kellett a feszültséget 5-6 voltra, mert még így is a 600 mA körül van. -A trimmer potméterre nem érzékeny, alig tapasztalok változást a forgatás közbe. -Nőtt a teljesítmény is. Ha még nem tetted és akarsz egy jó hangú fetes erősítőt ami egyszerű is, ajánlom neked a VF3-at. Nekem is van egy és nagyon szépen szól. De emellett tovább folytatom majd az egy tranyós erősítővel való kísérletezést. Remélem te se hagyod abba.
1 tranyós építők, figyeljetek, kísérletezgettem még és rájöttem pár dologra. 1. Mivel az 1 tranyós invertál, a hangszórót fordítva kell bekötni, a + lába megy a földre, a - a kimenőkondira. 2. Ez így nincs jól beállítva, a fet és a munkaellenállás vagy ízzó vagy fojtótekercs közös pontján a tápfesz felének kellene lenni, ehelyett nekem pl. most a 15w-os ízzóval csak 3,8V. Ez nagyon nem jó, mert így sokkal gyengébb a kivezérelhetősége és hamarabb kezd torzítani. Meg kellene úgy csinálni mint a ZCA-ban van. Itt a rajza leegyszerűsítve a szükséges minimumra. Tehát kellene egy poti amivel a nyitófeszültséget beállítjuk pontosan. 3. Fojtótekerccsel sokkal jobb a hatásfok és a hang is. Nekem 125w-os higanygőzlámpához való fojtó volt kéznél, azzal nagyon jól szól. Csak sajnos nincs belőle 2 db a sztereóhoz csak 1... venni kellene... További jó kísérletezést, csezoli21 és Szegedi Sándor!
Idézet: „1. Mivel az 1 tranyós invertál, a hangszórót fordítva kell bekötni, a + lába megy a földre, a - a kimenőkondira.” Ez igaz, de honnan tudod, hogy a jel fázisa a bemeneten megegyezik-e a stúdiómikrofonról lejövő jel fázisával? Ha nem, éppen jó, hogy invertál. Idézet: „Ez így nincs jól beállítva, a fet és az munkaellenállás vagy ízzó vagy fojtótekercs közös pontján a tápfesz felének kellene lenni, ehelyett nekem pl. most a 15w-os ízzóval csak 3,8V. Ez nagyon nem jó, mert így sokkal gyengébb a kivezérelhetősége és hamarabb kezd torzítani.” Ez ellenállásra igaz, fojtóra nem.
Szia!
Nagyon szépen köszönöm, én is keregettem a googleban, de ezt nem találtam meg. Ez nagyon jó, kérdésem volna viszont vele kapcsoltban. A p1, és a p2 az ugye állítható ellenállások , az egyik 100Ohm-os, a másikhoz az van írva , hogy 2k5, az 2Kohm-ot akar jelenteni?, és mennyire kell beállíatnai ezeket? 25 turns-25 fordulat? ezt nem értem. Segítséget kösznömöm előre is.
Helló
Egyenlőre így néz ki ![]() Ki kellett vennem a műanyag dobozból mert nem fért el benne a nagyobb izzó, meg a nagyobb hűtőborda,... ![]() A kísérletezgetésnek nincs vége ![]() Ez a borda 15 perc maxon hallgatás után már langyos ![]()
Hoppá egy profi! Akkor segíts már egy kicsit nekünk:
1. akkor végülis mindegy hogy invertál-e ? Mert azt nem tudhatja senki hogy egy felvétel hogyan is készül... de ez akkor minden más esetre is igaz, nem ? 2. Fojtóra miért nem igaz ? Magyarázd el légyszi ! De egyszerűen ám...
Sziasztok! Nincs senki aki kaposvári itt? Aki segítene nekem? Előre is köszönöm!
Helló
Én a VF2 KD mester által átdolgozott verzióját fogom megépíteni a conduktort, 2*80Wattos verzióját! De oda már kell beruházni, úgyhogy csak ősz környékén állok neki,... Helló
Sziasztok!
Van aki tud erről a tipusról mondani nekem valami használhatót : FN 1016 93y. SI-N DARL+D 160V 8A 70W 80MHz szeretnék építeni valami egyszerű nem a hangzása lenne az elsődleges szempont hanem a hangereje. Ebből van nekem kettő darab. És van még kettő ebből a tipusból is: D1933 SI-P DARL+D 80V 4A 30W NF/SL Ha van aki tud segíteni valami rajzal vagy legalábbis hogy mit lehet ebből kihozni. Előre is köszi a válaszotokat!
Na itt az én 1 tranyósom ahogy most van, hazahoztam kipróbálni és fényképezni. A nagy fojtót nem cipeltem haza úgyfogy arról nincs kép. 15w-os ízzó van rajta.
A nagy hangfalaimon is szépen szól, de kicsit jobban erőlködik, az hallatszik. De valahogy mindenképpen nagyon természetes és kellemes a hangja. Erre mondják hogy az audiofil nem egyenlő a high-end -del. Egy gagyi erősítő is szólhat nagyon kellemesen, bár műszakilag elég gyenge. Pl. régi 1 csövesek. Ebben az erősítőben is, minden hibája ellenére "élet" van.
Jól néz ki
![]() Az enyém milyen? Amit írtál abban maximálisan igazad van, mindig a nem agyonbonyolított erősítők szolnak a legszebben,....
A tiéd is jó! Kicsit kaotikus, de legalább dobozban van... :yes: Nekem is kellene valami doboz majd, lehetőleg olyan amibe belefér két nagy folytótekercs, egy pc-táp, meg egy jókora hűtőborda... lehet csinálok bútorlapból... Nem ízzóval akarom a véglegest mert nem akarom hogy világítson.
Csak meg kellene tudni hogy akkor fojtóhoz hogy kell beállítani a munkapontot. Hátha Imi65 leírja.
1.Az igazán nagyok e szakmában azt mondják, hogy a hangszóró(hangsugárzó) polaritását váltva egyik állapotában valamivel jobb lesz a hang. Ez lesz a felvételi állapottal egyező irány. Természetesen ez más esetre is igaz.
2.Gondolj az elektroncsöves erősítőre. A valós ellenállásos erősítőn szimmetrikus váltófesz csak úgy jöhet létre, ha nagyjából féltápfeszültségre állítjuk be a munkapontot. Ez induktív munkaellenállásra nem igaz (az ideális induktivitásnak nem is volna egyenáramú ellenállása, elvileg bármekkorára állítanád a nyugalmi áramot, feszültség nem esne rajta), de nem is lényeges. A csöves kimenőtrafókon is csak max 5% feszültség esik (az 50% helyett), de ez is csak a veszteségeket növeli. Az induktív munkaellenálláson a tápfesztől nagyobb feszültségek is felléphetnek az anódon, kollektoron, stb, míg ez ellenállás esetében lehetetlen. Az induktív munkaellenállás éppen ezért jó, mert a kivezérelhetősége sokkal nagyobb az ellenállásos megoldással szemben.
Akkor ez a gyakorlatban azt jelenti hogy így is jó a megoldásom ? Nem kell finoman szabályozható nyitófeszültséget csinálni a fojtótekercses változathoz ? Vagy hogy csináljam meg ? Amúgy nem teljesen értem... ha nem féltápfesz van a kimeneten (hanem ezek szerint majdnem a teljes tápfesz) akkor hogy fog + és - irányba is egyenlően lengeni a kimenő jel ?
Ha az erősítő elem kinyit, akkor a feszültség csökken, majd, mikor az erősítőelem "elengedi", akkor a tápfeszültség fölé lendül, majdnem ugyanennyivel. Én egy szabályozható beállítást képzelnék el, ahogy egy másik rajzon már láthattuk.
|
Bejelentkezés
Hirdetés |






Van itt olyan valaki aki kaposvári és szívesen meg nézné hogy mi a baja az erősitömnek? Használat közben el halkult és azóta nem szól. tip.
IONNER SX700L
helló
)



















