Fórum témák

» Több friss téma
Fórum » Fordulatszámmérő
 
Témaindító: source2, idő: Júl 7, 2005
Témakörök:
Lapozás: OK   12 / 39
(#) Manyoc válasza Bush hozzászólására (») Ápr 13, 2009 /
 
Nekem a képeid alapján úgy tűnik, hogy a MCLR láb lóg a levegőben, ami azt eredményezheti, hogy államdóan reszetál a PIC. kösd egy 10k ellenállásal a tápra.
(#) Bush válasza Manyoc hozzászólására (») Ápr 13, 2009 /
 
Szia!
Köszi az ötletet,de nemvállt be.
Még mindég ugyan az a helyzet!
(#) Vacok válasza Baxi hozzászólására (») Ápr 16, 2009 /
 
Köszi a választ.
Szerintem a kapcsolással nincsen baj, mert hanggenerátorral tökéletesen működik, csak a kocsiban nem megy.
Én nekem nem 12V-os stab. IC van benne, hanem egy 9V-os, és egy 5V-os, így a feszültségstabilizálást egyszerűbben oldottam meg.
(#) Pörköltszaft hozzászólása Ápr 19, 2009 /
 
Sziasztok!

Elég új vagyok még kérdezésben, de az eddig látottak alapján, megpróbálom összeszedni gondjaimat és bajaimat.

Saját kútfőből nekiálltam elkészíteni egy fordulatszám mérőt (gondoltam igy érdekesebb lesz, mintha előre elkészített kapcsolást csinálok - úgy látszik ez bebizonyosodott). Nemrégiben NYÁK-ra is került a nagy mű, a programot is megírtam, fel is programoztam (ATTINY2313).

Bent, asztalon kipróbálva, csengőtrafót rákötve, 1499- 1503 között változik a kijelzett érték, tehát számomra elfogadható, amit produkál. Autóba kihurcolva azonban használhatatlan. Utánnajárás és olvasgatás, valamint egy gáztűzhelybegyújtó (szikrás) segítségével megbizonyosodtam róla, hogy a nagyfeszültség hatására bolondul meg. Bekerült hát egy fémdobozkába, illetve árnyékolt vezetéken jut el a jel a motortérből a fülkébe(árnyékolás földelve). Az autó egy Oltcit Club 11R, amit édesapám "turbózott" fel gyújtásügyileg: HALL jeladós gyújtáseloszó CPI trafóval, valamint magyar gyártmányú REMITEL gyújtáselektronikával. A fordulatszámjelet két helyről tudjuk levenni: a gyújtáselektronika 7-es lába, illetve a CPI trafó RPM kimenetéről. Utóbbira csatlakozik az autó gyári mérője is. Ez a jel ugrál (a gyári mutatós műszer, és egy nem gyári LED-es mérő szerint is), az én művem pedig kb. nyolcszorosát méri annak, aminek lennie kellene. A másik forrásra csatlakozva kb. 3000-ig jól működik, aztán megbolondul.

Nem tudok másra gyanakodni, minthogy a jelre valami zavar kerül, ami interruptot okoz az AVR bemeneti lábán... Először a csatolmányban látható kapcsolással kötöttem össze a dolgokat, ez bent mint mondtam tökéletesen működött is. Miután kint rosszalkodott, betettem még egy 100k-s ellenállást a legelejére (4k7 elé), mivel elég sok fordulatszámos kapcsolásban egyből 100k-s van a megszakító után. Nem hozott javulást. Volt próbálva 5v1-es zenerrel is (jel és a föld közé, az RC filter elé, 100k után...). Mondanom sem kell, egyik helyről mérve sem működik megfelelően. Érdekesség, hogy az auto gyári mérője CSAK a trafóról képes mérni, a gyűjtáselektroniká(k)ról nem Próbáltam megcsapolni egyből a HALL szenzor jelét, ismét sikertelenül, egy bizonyos fordulatszám után megbolondul.

Tápot a sok helyen látott 7805 biztosítja, adatlapjában található elrendezésben (0,33 µF kondi helyett ugyan 0,47-es van bent). Az AVR VCC és GND lába között ott a 100nF-os kondi. Reset láb 10k-val VCC-re húzva. Mivel bent jól működik, ezért a programra, és a kapcsolás többi részére nem gyanakodtam, de mivel elég kezdő vagyok ezen a téren, előferdülhet, hogy ott van valami gubanc. Ha szükséges, természetesen beküldöm őket.

Kérdés(ek) tehát:
- Hogyan tudnám a jelet mégjobban megszűrni, illetve mitől van az, hogy 3000 fölött bolondul meg - alatta frankó.
-Van itt pár kapcsolás (jelformáló), amit megszakítóra illetve eleve gyújtáskábelre kell kötni -> ha ezek közül valamelyiket megépítem (pl. amelyikben van 555), és a CPI-hez vagy a meglévő gyújtáselektronikához kötöm, elképzelhető hogy jó lesz? Vagy ide (mivel nincs megszakító) másféle kapcsolás kell?
- Lehet-e az a baj, hogy a CPI trafót (ugye ez magában egy elektronikus gyújtás), egy másik elektronikus gyújtás vezérli?
- Vagy szimplán adjam fel?

Bocs, a terjedelmes szöveg miatt, de nem akartam csak úgy bevágni a kérdést mindenféle előzmény nélkül.

Üdvözlettel:
Pörköltszaft

kapcs.jpg
    
(#) mikimilla hozzászólása Ápr 23, 2009 /
 
Hello , szeretnék mezőgépen,konkrétan aratócséplőn tengely fordulatszám mérést végezni(0-1000 ford/perc),segitségeteket szereném kérni tud e valaki valamily egyszerübb megoldást esetleg szettet amely könnyen felszerelhető induktiv érzékelővel. A kijelző lehet ledes is csak kb 100as nagyságrendekben mutasson.
(#) potyo válasza Pörköltszaft hozzászólására (») Ápr 24, 2009 /
 
Szerintem az a baj, hogy nincs hiszterézise az áramkörnek. Az RC szűrő ebben az elrendezésben nem segít azon, ha a bemenő jel épp azon a határon mozog, ami billegteti az AVR bemenetét. Az RC után tegyél egy jó nagy hiszterézissel rendelkező komparátort (ami pl. a táp feléhez komparálja az RC-ről lejövő jelet). Műveleti erősítővel egyszerűen lehet ilyet építeni, a tápja is mehet a 12V-ról. A komparátor kimenete meg mehet a mostani 10k ellenállás bal oldalára.
(#) Vacok hozzászólása Ápr 24, 2009 /
 
Sziasztok!
Korábban már ebben a topicban tettem fel kérdéseket egy problémás fordulatszámmérőről, most nincs vele semmi probléma, csak egy furcsaságra lettem figyelmes a mai nap. Erről a fordulatszámmérőről lenne szó, jobban mondva csak a jelformálóról. A tranzisztor bázisára volt kötve egy a gyújtáskábelen lévő kis tekercs, de a motortérből szikrázás hallatszott, meg vibrált a fordulatszámmérő, meg mondták is, hogy nem jó ötlet, így a múlt héten le lebontottam a tekercset, az árnyékolt kábelt ami a jelet továbbította meg odaszalagoztam a gázbovdenhez, hogy ne lógjon ott minden merre. Ma éppen hozzáfogtam volna, hogy rendbe teszem, erre szólnak, hogy működik, megnéztem és tényleg... Vajon hogy működhet, hogy ha a jelet továbbító vezeték csak "lóg a levegőben"?
(#) kobold válasza Vacok hozzászólására (») Ápr 24, 2009 /
 
Naná Van olyan is, aki szándékosan építette "vezeték nélkülire": link
(#) mex válasza Vacok hozzászólására (») Ápr 24, 2009 /
 
Kapacitásúton összeszedi a jelet, képes megvezérelni a tranzisztort. Többek közt ezért kell árnyékoló fémdobozba szerelni az érzékenyebb elektronikákat, hogy ne "bolonduljanak" meg a gyújtásjel hatására.
(#) Vacok válasza kobold hozzászólására (») Ápr 24, 2009 /
 
Köszi a választ, amikor szembesültem ezzel a jelenséggel meglepődtem, hogy így is képes működni. Már kezdtem azt hinni, hogy valami különlegeset fedeztem fel.
(#) tihi válasza mikimilla hozzászólására (») Ápr 25, 2009 /
 
Milyen Csépelögéped van?
(#) mikimilla válasza tihi hozzászólására (») Ápr 26, 2009 /
 
Dronninborg D9000-es de ez a probléma megoldásához teljessen mindegy lehetne akár egy régi Claas is vagy bármilyen más.
(#) tihi válasza mikimilla hozzászólására (») Ápr 26, 2009 /
 
Nemazért kérdeztem csak azért hogy utánanézzek hogy milyen neki a kivezetése amire az elektronikát fel birod rakni.Én most csinálok egyet ami szereintem kis fordulatot is képes mérni. Van valahol fent ebben a topicban egy kép is rola amit feltettem nézd meg és ha érdekel akkor ha meglesz a panelrajz akkor elküldöm.
(#) mikimilla válasza tihi hozzászólására (») Ápr 26, 2009 /
 
Ok,és köszönöm előre is a segítségedet
(#) Pörköltszaft válasza potyo hozzászólására (») Ápr 27, 2009 /
 
Köszönöm szépen a választ, amint lesz időm kipróbálom amit írtál, és visszajelzek az eredménnyel!
(#) Pörköltszaft válasza potyo hozzászólására (») Máj 3, 2009 /
 
Sajnos, nem vezetett megoldásra a komparátor... Ugyan az a jelenség tapasztalható vele... A BASCOM fórumán találtam EZT a kapcsolást, és megépítettem. Azt írták, ez TTL jelet ad ki, közvetlenül ráköthető az AVR bemenetére. Minden frankó is (bent), tesztpontra csengőtrafót kötve szépen 1500-at mutat a kijelző. Kocsinál viszont ugyan az a helyzet... A kijelző megbolondul, néha elmegy a kép, ha visszajön, a számok futnak, néha "beragad" egy digit (ilyenkor csak az látszódik) szóval baromságokat mutat na...

Kipróbáltam 9V-os elemről is(hátha a tápnál van a gubanc), az eredmény ugyan az... Másik AVR-ből csináltam négyszögjelgenerátort (nem egy pontos valami, de a lényeg, hogy megnézzem mi történik 3000 felett), bent azzal is jó. Hozzáteszem, a programot is átírtam már egyszer, bemenetet is változtattam (eddig PCINT-et használtam, most rákötöttem a Timer1/Counter1 clock source lábra - ez az ATTINY2313-mon a PD5 - de ezzel sem jó)

Teljesen tanácstalan vagyok
(#) slave557 hozzászólása Máj 3, 2009 /
 
Üdv
ezt a fordulatszámmérőt:
http://www.szocimotoros.hu/hu/tuningfejlesztes/8
hova kell kötni egy babetta 210-esen?
(légyszi írjátok le pontosan mert a neveket se tudom..)
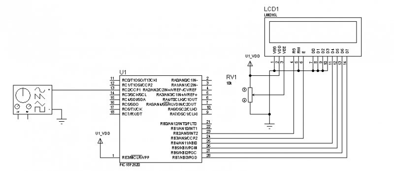
(#) Bonca hozzászólása Máj 4, 2009 /
 
Sziasztok!
Épp a napokban írtam egy impulzusszámláló programot PIC-re MikroC programmal. Ez a program 10Hz-10kHz közötti tartományban jelzi ki us-ban az impulzus hosszát. Egy kis otthoni bogarászással könnyedén átalakítható a program tetszőleges tartományra még olyan számára is, aki nem annyira jártas a programozásban. Ezért próbáltam alaposan elláttni a programot segítő magyarázattal. Ha valakit inkább a beégetendő hex fájl érdekel, mert nem akar bíbelődni a C nyelvvel, a mellékletek közé azt is feltöltöm, bár az az előbb említett frekvencia-tartományra működik helyesen.
Remélem, ezáltal sokan kedvet kapnak a MikroC-hez.

  1. /**************************************************************************************
  2. Kontroller: 18F2520
  3. Oszcillátor: belső, 4MHz-en megy
  4. Kijelző: 2x16 karakteres 44780-as vezérlővel
  5. **************************************************************************************/
  6.  
  7.  
  8. unsigned tOld, tNew, tword;        // ide kerülnek a CCP regiszter értékei
  9. char edge = 0, capture = 0;        // flag-ek
  10. char lcd_1st_row[6];               // impulzus darabszám az LCD-re
  11. char *period = "T=";               // karakterek az LCD-re
  12.  
  13. void interrupt() {
  14.      if(PIR1.CCP1IF){
  15.        if(!edge){
  16.        tOld = (256*CCPR1H)+CCPR1L; // kezdő érték
  17.        edge = 1;
  18.                 }
  19.      else{
  20.        tNew = (256*CCPR1H)+CCPR1L; // végérték
  21.        capture = 1;                // impulzusok a tNew változóban, flag beállítása
  22.        edge = 0;
  23.           }
  24.      PIR1.CCP1IF = 0;              //clear CCP flag
  25.                     }              // if(PIR1.CCP1IF) vége
  26. }                                  // interrupt vége
  27.  
  28. void main() {
  29.      OSCCON = 0x62;           // belső oszcillátor 4MHz-en megy, pdf 32. oldal
  30.      OSCTUNE.PLLEN = 1;       // oszcillátort 4-szerez, pdf 29. oldal
  31.      ADCON1 = 0x0F;           // minden láb digitális, pdf 226. oldal
  32.      CMCON = 0x07;            // minden komparátor tiltva van, pdf 235. oldal
  33.      TRISB = 0;               // PORTB kimenet
  34.      PORTB = 0;               // PORTB kezdőérték-beállítás
  35.      TRISC = 4;               // RC2 bemenet, itt kapja az impulzusokat
  36.      CCP1CON = 0x05;          // Capture mode, felfutó él figyelés, pdf 149. oldal
  37.      T1CON = 0x21;            // timer1, belső ostcillátor Fosc/4, előosztó 1:4, pdf 129.
  38.  
  39. oldal
  40.      INTCON.GIE = 1;          // global megszakítás, pfd 95. oldal
  41.      INTCON.PEIE =1;          // peripherial megszakítás, pdf 95. oldal
  42.      PIE1.CCP1IE = 1;         // megszakítás engedélyezés, pdf 100. oldal
  43.      PIR1.CCP1IF = 0;         // CCP flag törlés, pdf 98. oldal
  44.  
  45.      LCD_Init(&PORTB);        // LCD inicializálás a B porton, MikroC help
  46.      LCD_Cmd(LCD_Clear);      // LCD törlés
  47.      LCD_Cmd(LCD_CURSOR_OFF); // nem kell a villogó kurzor
  48.  
  49.      while(1){
  50.      if(capture){
  51.        PIE1.CCP1IE = 0;       // megszakítás letiltása az impulzusok megszámolása alatt
  52.        capture = 0;           // flag törlés
  53.        tword = ~tOld + tNew +1;  // felfutó éltől felfutó élig tartó pulzushossz
  54.        WordToStr(tword, lcd_1st_row); // adat küldése stringként az LCD-re
  55.        LCD_Out(1,1,period);           // LCD 1. sor 1. karaktertől
  56.        LCD_Out_Cp(lcd_1st_row);       // impulzus darabszám a követlező karaktertől
  57.        LCD_Chr_Cp(228);               // ľ jel, LCD pdf 21. oldal
  58.        LCD_Out_Cp("s");               // s karakter a kijelzőre
  59.  
  60.        delay_ms(300);
  61.        PIR1.CCP1IF = 0;       // CCP megszakítás flag törlése
  62.        PIE1.CCP1IE = 1;       // megszakítás engedélyezése a számolás végén
  63.                  }            // if(capture) vége
  64.              }                // while vége
  65. }                             // main vége


Bonca

Pulse.hex
    
(#) Bonca válasza Bonca hozzászólására (») Máj 4, 2009 /
 
Hopsz, a kapcsolási rajz lemaradt. Íme!
Annyiban pontosítanám magam, hogy nem az impulzusok hosszát, hanem a bejövő impulzusok felfutó élei közötti időt jelzi ki us-ban.

Bonca

pulzus.jpg
    
(#) r3pl4y hozzászólása Máj 6, 2009 /
 
Hali mindenki...

Én ezt a Josepino féle for számmérőt szerertném megépíteni az eddigiek olvasásával eddig arra jutottam h ezt a kapcsolást építem meg:

Bővebben: Link

Na itt már mingyárt jönne is a kérdés micel nekem ilyen kijelzőim vannak:

SC52-11HWA

ez pedig közös katódos... akkor a picnek közös anódos formába kell lennie mert igy is invertálja majd az ULN2003AN?

és jelformálónak meg akkor ha jól értelmezem kb ilyet kellene építnem és ezzel menni fog?

Bővebben: Link
(#) slave557 hozzászólása Máj 6, 2009 /
 
Üdv
ezt a fordulatszámmérőt:
http://www.szocimotoros.hu/hu/tuningfejlesztes/8
hova kell kötni egy babetta 210-esen?
(légyszi írjátok le pontosan mert a neveket se tudom..)
(#) tihi válasza slave557 hozzászólására (») Máj 6, 2009 /
 
Hogy néz ki a motorodnak a gyujtorendszere vagy esetleg a kábelokat ha megtudnád mutatni képen hogy hova mi van kötve
(#) tihi válasza mikimilla hozzászólására (») Máj 6, 2009 /
 
Hello! Bocsi hogy nem voltam eddig de sok a munka és nem birtam felnézni se az oldarra. A fájlt megprobálom ma feltenni ha kijavitom mert eltoltam egy ic bekötést de már elkeztem átalakitani csak nem fejeztem be mert fáradt voltam.Sprint layout -on van tervezve remélem hogy megbirod majd nézni. Ami a probát illeti én még nem probáltam ugyhogy nemtudom milyen lesz vagy egyáltalán müködik e,de ha a rajz ér valamit akkor menni fog.
(#) tihi válasza mikimilla hozzászólására (») Máj 10, 2009 /
 
Szia. Bocsi hogy enyit késtem az egészel ,de nagyon el voltam foglalva . Az ültetési rajzot azt kézzel rajzoltam be ,de ha nem világos valami akkor szolj. Ez még probálv nem lett ughogy nemtudom miljen lesz majd.
(#) mikimilla válasza tihi hozzászólására (») Máj 10, 2009 /
 
Köszönom az adatokat és a rajzot is.
(#) mikimilla válasza tihi hozzászólására (») Máj 10, 2009 /
 
Köszönom az adatokat és a rajzot is.
(#) r3pl4y hozzászólása Máj 12, 2009 /
 
Hello mindenki....

Megpróbálkoztam megépíteni a josepino féle digitális fordszámmérőt de az nem igazán működőképes ... legalábbis nekem nem igen megy... vagy csak nem tudok nyákot készíteni nem tudom... de szerintem alapból se lenne jó...

mindegy is...

Nem tud valaki egy olyan forszámmérőt amit 4 üteműre lehet csinálni és a trafó 1 -es pontjára kell kötni? azaz ha jól tudom ez a primer része...és biztosan működik is...?

digitális lenne a legjobb abból is a 4digites de az nem megy... szóval lehetne ledes is... jó lenne mindemelett ha lenne egy nyákrajz is mert számomra kész lehetetlenség eagle-el nyákrajzot készíteni...

Előre is köszi a válaszokat...
(#) Medve válasza r3pl4y hozzászólására (») Máj 12, 2009 /
 
Hello, EZ működőképes, gyakorlatilag két digites.
(#) r3pl4y válasza Medve hozzászólására (») Máj 12, 2009 /
 
Hello

Köszi ez tetszik is mivel ledes is egyben.. de nemlehete valahogy megoldani 16f628A -ra?

arra nem jó a hex?
(#) Medve válasza r3pl4y hozzászólására (») Máj 12, 2009 /
 
Nem próbáltam ezt ki, de ugy hallottam, kicsi a különbség a két proci között.
Következő: »»   12 / 39
Bejelentkezés

Belépés

Hirdetés
XDT.hu
Az oldalon sütiket használunk a helyes működéshez. Bővebb információt az adatvédelmi szabályzatban olvashatsz. Megértettem