Fórum témák
» Több friss téma |
Mielőtt kérdezel, a következő két dolgot ellenőrizd!
I. A helyes tápfeszültségek megléte.
II. A kimeneten van-e egyenfeszültség.
Élesztés.
Ha van kedved próbáld ki a csatolásban lévő kapcsolást . Ebben sincs több tranyó , kevés alkatrésszel megoldható , amit Te fontosnak tartasz és nem drágább az AD712-vel megépített verziódnál .
Minimalista kivitel ez is , de hallgatható hosszabb távon is , teljesítménye is jóval több .
Sziasztok.Csak annyit szeretnek hozza szolni a SHAMAN-hoz hogy en is megepitettem es "jol" szolt. Ez a egyszeru kapcsolas biztos hogy sokkal tobbet er egy TDA2030-nal vagy hasonlo tarsainal.Nekem csak egyetlen problemam volt vele hogy nagyon sokat kitert a hangszoro.De mas problemat nem tapasztaltam.Szoval egyszeru "jol" szol de semmi mas(ezzel nem akarlak megbantani Mayan csak leirtam a velemenyemet)
![]() Sziasztok
Mayan!
Nem szabad ennyire kiakadni. Idézet: „És még soha senki nem volt képes megépíteni hogy valóban meghallgassa, és azután véleményezze.” Ezt nem mondd biztosra. Mert nekem pl. semmi időm, nincs, pedig szivesen kipróbálnám, csak míndíg akad fontosabb dolog. Türelem Lehet, hogy a rendszeredben most jónak találod, de lehet, hogy hónapok múlva nem találod már olyan jónak. Erre jó példa a saját esetem: PCL86 csöves hálózati trf-es kimenőkkel. Most megmondom bátran: Ma MÁR NEM tetszene... Kimenőtrafót egyszer tekercseltem, de az volt szerintem az utolsó eset. Ha mégis kell inkább megtekertetem valami céggel, de addig kiválók nekem a gyári trafók is (TV, rádió). Csak ennyit akartam. Ne add fel. Üdv: Müszi
Én is csatlakozok Müszihez, mert gyakorlatban nekem az erősítő nekem csak csöves, én ezt szerettem meg, ami nem csöves az max Ge tranyós fuzz face vagy egyéb op ampos effektpedál gitárhoz, szvsz nem szeretem az analóg, de attól még nem fikázom persze mert pl zsebben egy csöves mp3 lejátszót elvinni pl XD
Azt ajánlom én is hallgasd meg a szakikat, mert igazán értenek hozzá. Ennyi erővel fikázni lehetne azokat akik sima csipogókat használnak, nempediglen plazmahangszórót, aminek sokkal "szebb" hangja van. Sz.v.sz. Szerény véleményem szerint hagyd az XD szerűségeket a fórumon kívül ha lehet. szamóca.
Sziasztok
Találtam itt az oldalon egy elég egyszerűnek tűnő kapcs rajzot amit szetnék megvalósítani. Csak pár dolgot megkéne változtatni. Én Mp3 lejátszóra v. telefonra szeretném rákötni (remélem rá lehet). 12V-ról szeretném hajtani ugyanis van számítógép tápom meg adapterem is és ezt tűnt a legegyszerűbbnek. A hangszórókat egy kis Tv-ből szereztem amik (KKA) 8 ohm és 3 W osak (legalább is eze van ráírva) ezt a kapcs rajzot kéne ezekre méretezni. Csak a legfőbb baj hogy eléggé kezdő vagyok főleg a hangtechnika téren és ezért szeretnék segítséget kérni tőlettek. A segítséget előre is köszönöm!!! üdv szaky27
Szia! Ez az IC 8 ohm-on 500mW-ot tud, a hangszóróid pedig 3W-osak. Nincs itt semmi probléma. Az a jó, ha a hangszóró nagyobb teljesítményű, mint az erősítő.
22 éve -e kapcsolást megépítettem LM 741 IC-vel + AC 187,188 germánium tranzisztorokkal(Igaz ócska germánium tranzisztorok voltak, de majdnem fele akkora nyitófeszültséggel - elvileg kisebb keresztezési torzítással) Nem kettős táplálást alkalmaztam, hanem sima 9 V-t, a + bemeneten 2 db 10 K-s ellenállást az alsót 10 UF-dal átblokkolva. A - visszacsatolással 30x-s erősítést állítottam be.Ha egyszer megtalálom a kapcsolást lehet, hogy az IC foglalatba beteszek egy TL 071-t és 2 db BD-t és rákötöm a szimmetrikus tápra. Kiváncsivá tettél mennyire voltam akkor nagy balfék, mert kis kivezérlésnél is nagyon torzított. Impulzus erősítőnek 100 %-s neg. vissz. csatolással dallamcsengőhöz 1X-s erősítéssel viszont bevált. Ha tényleg elfogadható akkor kezdőknek ajánlom, mert lehet vele tanulni és sikerélmény is van.
Toronyórát láncostul - ill. toronyerősítőt 100-500 W-tal nem javaslok, pláne szakértelem, műszerezettség hiányában, mert borítékolva van a sikertelenség = alkatrész temető roncs.
köszi a választ
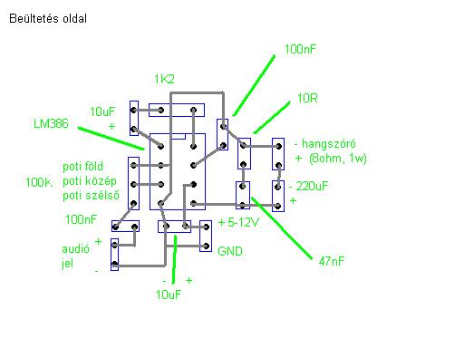
Még lenne pár kérdésem ha nem gond. A rajzon van olyan 1K2 az 1K az 1K ohm ha jól tudom de 2 az mit jelent? 10R az 10 ohm? v mi? elnézést a 2 hülye kérdésért csak nem tiszta. Meg ezen rajzon csak 1 hanszórót lehet rákötni nekm 2 van ha ebből 2-t csinálok akkor az úgy má sztereó lesz? mer jó lenne. Ahol találta ott a srác is 2-t csinált belőle csak nem tudom h úgy sztereó lesz-e. üdv szaky27
az a 1k2 az azt jelenti, hogy 1,2k a 10r meg 10ohm.Ha két hangszóróhoz inkább építs még egy erősítőt.Ha 2-ő kapcsolást csinálsz az lehet sztereo is meg lehet hidaskapcsolás is.
Sziasztok
Van egy Hitachi ha-2500m típusú erősítőm az a probléma vele hogy nem szól csak a baloldal de az is elég gyengén ,hogy mi lehet a baja mit cseréljek ki benne? Előre is köszönöm
hát fejből nemtudom mi lehet a baja.Csinálj egy pár képet a belsejéből.
tessék meg még lesz 4 kép
ennyi elég lesz? előre is köszi
Tápfeszültségek rendben vannak-e, kimeneten van -e DC, tehát egyenáramilag mérd ki első körben.
Szia és azt hogy tudom meg mérni? nagyon kezdő vagyok még
Ha ennyire, nem lesz könnyű dolgod.
A Hangszóró kimenetre kéne egy műszerrel rámérni, 200V-os DC méréshatárban. Más kérdés, hogy egy valamirevaló erősítő nem enged(het) DC-t a kimenetre, mert a védelme nem kapcsolja rá a hangdobozokat. De a Tiéd valahogyan szól, tehát azt feltételezhetjük, hogy a kimeneti védelem nem szólalt meg. Nem lehet-é, hogy jól megbőgetted az erősítőt, és elszálltak a hangfalak? Próbáltad, mondjuk fejhallgatóval? Ezt próbáld meg, vagy másik hangszóróval..... Akkor, ha a kimeneten nem tudsz mérni feszültséget. :yes:
A jobb oldalon amelyik nem szól ott 1,6-ot mért. Próbáltam fülhallgatóval is és azzal is ugyanolyan gyengén szól és uygis csak a bal szól meg másik hangszórók vannak és azokkal is ugyan az
Azokon a nagy fekete kondikon kéne feszt mérni. Van egy-egy pontjuk, ami össze van kötve. Az a test. Ahhoz képest kéne rajta feszt mérni, kb. egyformát, csak ellentétes előjelűt. A biztiket is nézd meg.
32,7-et mértem a kondikon is meg a biztosítékon is
Ha a biztik is jók, akkor valószínűleg a végfokozatban van szakadt áramköri elem. Ezt csak méréssekkel lehet megkeresni. Szedd ki a néma oldal vég, és meghajtó tranyóit, és mérd meg őket. Ezek lehetnek elsősorban problémásak.
Sziasztok!
Én egy 2x100W-os erősítőt szeretnék építeni, de gondban vagyok a trafóval. tudniillik 40V kell hozzá ![]() Valaki tudna ebben segíteni?
Köszi szépen ma már nincs időm rá de holnap kiszedem majd köszi még egyszer majd még írok ha van valami bajom
40V-ból nemigen lesz 100W, csak ha +- 40V van. Ehhez egy szimmetrikus tekercselrendezésű trafó kell, mely 2X28,5V-os lehet. És legalább 300VA-es.
ha jobban átnéztem a nyáknak a hátlapját találtam rajta 3 gyanús részt.Lehet hogy több is van ott inkább nézzd át teljesen.
melyik részekre gondolsz?
Szereztem egy Yamaha DSP-E580 hangprocesszoros erősítőt olcsón. Álomszép. Van benne 3 db 25W/8ohm erősítő a centernek és a két surroundnak. Nade én sztereó erősítőnek akarom ám használni...
kellene bele tehát építeni egy közvetlen bemenetet, hogy csak a potméter és a 2 surround erősítőfokozat legyen utána, teljesen megkerülni a A/D-DSP-D/A fokozatokat. Vagy egy "source direct" kapcsolót építeni bele... valaki csinált már ilyet ? Belenézve elég bonyolult és egy alaplapon van minden, kivéve a motoros potméter.
Szerintem vétek egy ilyet szétbarmolni. Add el vegéyl másikat! Amugy a legtöbb 5.1 be van olyan mód, hogy a surround is azt szolja mint a front, csak halkabb, de szerintem alapba kisebb az erősítése a surroundnak mindig.
Helló
Gyári erősítőknél van valami clip led ami ha vagy kivezérled, vagy nyélen szóló erősítőnél a mélyekre villog! Ezt hogyan lehetne házilag megoldani? Kivezérlésjelző nem kel csak ez az 1 led kéne,... tud valaki segélni ez ügyben? Köszi helló
Csak mert a
Idézet: del megnevettettél. „nyélen szóló erősítő” |
Bejelentkezés
Hirdetés |





















