Fórum témák

» Több friss téma
Fórum » Elektronikában kezdők kérdései
- Ez a felület kizárólag, az elektronikában kezdők kérdéseinek van fenntartva és nem elfelejtve, hogy hobbielektronika a fórumunk!
- Ami tehát azt jelenti, hogy a nagymama bevásárlását nem itt beszéljük meg, ill. ez nem üzenőfal!
- Kerülendő az olyan kérdés, amit egy másik meglévő (több mint 17000 van), témában kellene kitárgyalni!
- És végül büntetés terhe mellett kerülendő az MSN és egyéb szleng, a magyar helyesírás mellőzése, beleértve a mondateleji nagybetűket is!
Lapozás: OK   513 / 4061
(#) bladika válasza silenthill2 hozzászólására (») Máj 25, 2009 /
 
Szükséges a panelja is!
(#) silenthill2 válasza bladika hozzászólására (») Máj 25, 2009 /
 
köszi bladika!
(#) Zed válasza qvasz2 hozzászólására (») Máj 25, 2009 /
 
Mivel - nagyon nagy valószínűséggel - mindkét kijelző HD44780 kompatibilis, akkor az egyikhez megírt algoritmus a másikhoz is jó. ( Ha a busy figyelést rendesen megcsinálták rajta, illetve ha elég sokat vár a következő utasítás bevitelével. )
Csak annyi a különbség, hogy az egyik lcd-n az első ( bal felső sarok ) karakterpozíció 0x80 címen kezdődik, a másknál viszont 0x00-n. A második sor pedig 0xC0 illetve 0x40. Elméletileg ( hangsúlyozom a dolog elméletiségét ) Csak ezeket a címeket kell átírni és működik a dolog. Ha megvan a forrásprogram és tisztességesen kommentezve van, akkor ez kb. 5 perc egy hozzáértőnek. Ez a magánvéleményem.
(#) Stud hozzászólása Máj 25, 2009 /
 
Üdv!

Mit jelent egy rajzon a potméter mellé írt %? pl. 100k 50%
(#) Norberto válasza Stud hozzászólására (») Máj 25, 2009 /
 
Valószínűleg azt, hogy az áramkör megépítése után, élesztésnél 50 %-os beállítás javasolt elsőként, utána kell finoman egyik vagy másik irányban elmozdítani, a kívánalmaknak megfelelően. Jelen esetben szerintem ez nem a beépítendő alkatrész tűrésére vonatkozik.
(#) Stud válasza Norberto hozzászólására (») Máj 25, 2009 /
 
Köszi! És ezen a rajzon a c1 ha jól gondolom egy elektrolit kondenzátor akar lenni, de nem vagyok benne biztos. Az?
(#) Norberto válasza Stud hozzászólására (») Máj 25, 2009 /
 
Igen, elektrolit-kondenzátor.
(#) Stud válasza Norberto hozzászólására (») Máj 25, 2009 /
 
Ismét köszi. Na bocsi az okos kérdésekért, de akad még: ugyan azon a rajzon a többi kondenzátor "simának" van jelezve, azt milyen néven kell keresni? Én az árlistában csak elektrolitot találtam, ha a kapacitásuk megegyezik használhatok olyat?
(#) Norberto válasza Stud hozzászólására (») Máj 25, 2009 /
 
A többi kondenzátor fólia típusú legyen.
(#) maTaKee hozzászólása Máj 25, 2009 /
 
Üdv!
Valaki tudna nekem mondani egy ötletet, hogy hogyan tudnám kipróbálni a kapcsolást termisztorok nélkül?
(#) Stud válasza Norberto hozzászólására (») Máj 25, 2009 /
 
És nincs ezeknek más nevük, a hqelektronikról szeretnék rendelni, de nem találom őket . Más: mi a különbség a soronként maratott és a pontonként maratott próbapanelek között? Ilyen mezei 5-6 alkatrészes kezdő kapcsolásokhoz melyik ajánlott?
(#) Norberto válasza Stud hozzászólására (») Máj 25, 2009 /
 
Ezen a linken keresztül tudsz rátalálni ezen típusú kondenzátorokra: LINK

A soronként maratott nem a legtutibb választás, a legjobb talán a 3-4 forrpontot tartalmazó, szigetenként maratott lenne.
(#) Baxi hozzászólása Máj 25, 2009 /
 
Hi
Bekötöttem a 10M ohm-os-t meg 100K ohm-ost a panelműszerre, csak az a baj hogy egy tizedes értékkel arrébb mutat. Azaz 1,25V helyet 12,5V mutat.
Melyik értéket kellene növelni?
Válaszokat élőrre is köszi.
(#) Stud válasza Norberto hozzászólására (») Máj 25, 2009 /
 
Köszönöm, gondolom itt a 0.1 µF-esek ugyan azok mint a 100nF nem? A 3-4 forrpontosok pedig az idomok maratva nevűek?
(#) vizor válasza maTaKee hozzászólására (») Máj 25, 2009 /
 
Olyan potikkal, amiknek az értéktartományába nagyjából beleesik a termisztor értéktartománya.
(#) Norberto válasza Stud hozzászólására (») Máj 25, 2009 /
 
Igen, 0,1 µF = 100 nF.

Az idomok maratva nevűek végülis jók, bár én kissé másra gondoltam, olyanra, ami teljesen úgy néz ki (méretileg is, azaz 100 * 160), mint a pontonként maratott, csak éppen 3-4 forrpont egy-egy szigetként meg van hagyva. Csak nem tudom, olyan merre szerezhető.
(#) cleetus hozzászólása Máj 25, 2009 /
 
Sziasztok!
Lenne egy olxan kérdésem,hogy hol lehetne normális áron Fischer kazettás deckhez ékszíjat kapni? Van egy otthon,és szeretném,ha működne.
Ha valaki tud BP-n ilyen boltot,akkor nagyoin megköszönném.
(#) Norberto válasza cleetus hozzászólására (») Máj 25, 2009 /
 
Nyílik a Bajcsy-Zsilinszki útról kelet felé egy utca, ahol található egy magnós bolt/szerviz. Én néhány évvel ezelőtt ott vettem egy speciális ékszíjat egy régi magnóhoz.
(#) Stud válasza Norberto hozzászólására (») Máj 25, 2009 /
 
Ez megint elég okos kérdés, de a pontonként maratott az azt jelenti, hogy minden pont teljesen különálló egymástól, és ha pl. 2 pont között dróttal lehet vezetni az áramot?
(#) Norberto válasza Stud hozzászólására (») Máj 25, 2009 /
 
Idézet:
„a pontonként maratott az azt jelenti, hogy minden pont teljesen különálló egymástól”


Igen, pont ezt jelenti.

Idézet:
„ha pl. 2 pont között dróttal lehet vezetni az áramot?”


Sokan választják ezt az utat. Levágott alkatrészlábakkal teljesen jól meg lehet oldani ezt a feladatot...
(#) cleetus válasza Norberto hozzászólására (») Máj 25, 2009 /
 
Köszönöm szépen a választ! Még a héten fel fogom keresni a helyet.
(#) Glühlampe válasza silenthill2 hozzászólására (») Máj 26, 2009 /
 
Szevasz!
A paneljára szükség van,mert a működéséhez nagyobb feszültség kell.(kb.80-100V)
(#) Fidel hozzászólása Máj 26, 2009 /
 
Sziasztok

Kéne csinálnom egy olyan kapcsolást, ami mondjuk óránként bekepcsol és egy relét vezérel 1-2 percig kéne meghúznia, valami nagyon primitív megoldás kellene!
Mit ajánlanátok erre a célra?

Kapcsoló óra lenne a leg optimálisabb, csak nem értem, hogy mi a bűbája annak, hogy a mai chipek korában a legjobb ilyen eszköz is csak max 10 kapcsolást tud per nap!?
Az is érdekel, ha valakit tud olyan kapcsoló órát, ami legalább 24 kapcsolást tud naponta!?
(#) kendre256 válasza Fidel hozzászólására (») Máj 26, 2009 /
 
A legegyszerűbb mechanikus kapcsolóóra negyedórás tartományokat kapcsol, rövidebbet nem tud, viszont az 24x4 tartomány. Ha óránként jó a negyedórás kapcsolás, akkor használhatnád azt. Ha túl sok a 15 perces bekapcsolás, akkor valami időzítőt kell még utána rakni. Áramszünet esetén nem jár, viszont nem merül le az eleme, mint az elektronikusnak.
(#) Fidel válasza kendre256 hozzászólására (») Máj 26, 2009 /
 
Nem véletlenül írtam az egy-két percet, kút szivattyúra kellene, és ennyi idő alatt merül ki a kút!
30perc mulva megint 1-2 percig mehet.

Nem lehet ezt valami multivibrátorral megoldani kondenzátorokkal, meg trenzisztorokkal?

Pic-es megoldást láttam itt az oldalon, de arról csak annyit tudok, hogy eszik és nem isszák!
(#) gg630504 válasza Fidel hozzászólására (») Máj 26, 2009 /
 
Vízszint kapcsolót nem lehet beépíteni? Ha elfogy kikapcsol, ha jön, bekapcsol. Nekem remekül működött.
(#) bancsi15 hozzászólása Máj 26, 2009 /
 
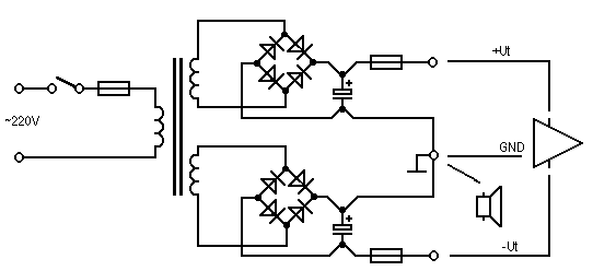
Sziasztok!

Van egy prim:230V~, szek:2*12V~ kb. 80W trafóm. TDA 2030A-s hídkapcsoláshoz menne( 36W), és a kép szerint lenne egyenirányítva. Szerintetek a pufferkondiknak mekkoráknak kell lenniük?

Köszi

vf_alap6.png
    
(#) bankimajki válasza Fidel hozzászólására (») Máj 26, 2009 /
 
szerintem egyszerűbb, ha egy 555 össel csinálod csak olyan kit. tényezőt kell adni neki, 30min-ig alacsony jelszint 3min-ig magas
(#) bankimajki válasza bancsi15 hozzászólására (») Máj 26, 2009 /
 
1000µF-nál még kissé brummogni fog , de 2200µF már elég szépen szűrné
(#) bankimajki válasza bancsi15 hozzászólására (») Máj 26, 2009 /
 
de én nem így kötném be, ha szimm. a trafó két ága! Hanem úgy hogy a képen látható két középső trafókivezetést közösíteném (hideg+melegpont)ő lenne a 0 a kapcsolásban, és a graetz-et a maradék kettőre tenném, és akkor egy dupla akkora fesz.-ű 2200µF-os kondival szűrném (35-40V)
Következő: »»   513 / 4061
Bejelentkezés

Belépés

Hirdetés
XDT.hu
Az oldalon sütiket használunk a helyes működéshez. Bővebb információt az adatvédelmi szabályzatban olvashatsz. Megértettem