Fórum témák

» Több friss téma
Fórum » Ki mit épített?
 
Témaindító: Dióda, idő: Jan 26, 2006
Ez a téma ha úgy tetszik a mi "kiállítótermünk", nem pedig a ki mit csinált volna másképpen, mások helyett, és legfőképpen nem javítós téma. Minden készüléknek van saját témája, ott kell kitárgyalni a részleteket!
FONTOS! A kapcsolási rajzok keresésére is van saját téma, ott keressetek rajzokat!
Lapozás: OK   419 / 1713
(#) bankimajki válasza feki00 hozzászólására (») Máj 27, 2009 /
 
én sem akarom eldobni, csak ismertettem a tapasztalatomat, de azért eléggé elbaltáztam.
(#) gydanee válasza bankimajki hozzászólására (») Máj 27, 2009 /
 
Hali!
Én a helyedben a NYÁK készítés kérdések témába írtam volna.

De csak hogy ne offoljak, szerintem nem sikerült rosszul!
(#) klemo86 hozzászólása Máj 28, 2009 /
 
Frankye, interferi: ezzel a rajzzal is kockáz a frekimérő, de stabilabb az egész

gtk: valószínűleg igazad van, a programba kell belenyúlni...

Viszont elkészült az első SMD-s (fél SMD-s) nyákom, természetesen még filccel húzgálva ez is
Ahhoz képest szerintem jó lett, csak kémiai ónozóra nem futotta... Pedig érdemes lett volna, de azért nekem így is tetszik, az én "szintemhez" képest szép...
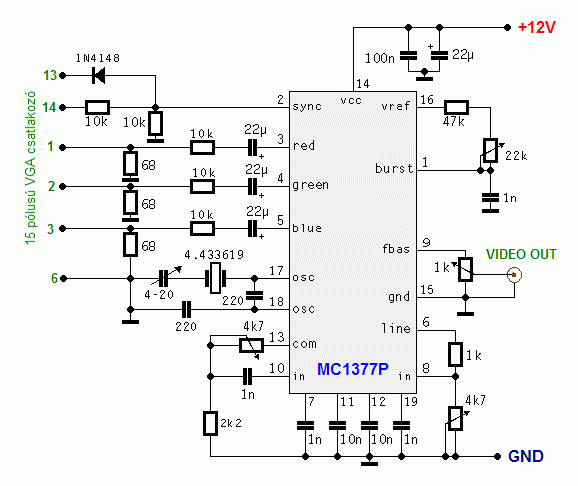
Ja, ez egy VGA/DVI -> kompozit átalakító
[élőben jobban néz ki]

(kéne már valami normális fényképező telefon helyett...)
(#) vizor válasza klemo86 hozzászólására (») Máj 28, 2009 /
 
Belinkelnéd a VGA -> kompozit átalakító kapcsolási rajzát és programját ? Köszi
(#) klemo86 válasza vizor hozzászólására (») Máj 28, 2009 /
 
Ez a dolog annyira nem bonyolult, hogy program kelljen hozzá (egyébként még nem próbáltam ki a cuccot, majd kicsit később... Csak egy sima RGB -> PAL/NTSC Encoder!
(#) vizor válasza klemo86 hozzászólására (») Máj 28, 2009 /
 
Hoppá, bocsi. A homályos fényképen lévő IC-ből és a kristályból azt hittem, hogy egy mikrovezérlő van a képen . Azért még jól jöhet a dolog, utánanézek az encodernek. Köszi !
(#) feki00 hozzászólása Máj 28, 2009 /
 
Üdv

Egy hálózati adathordozóhoz "csináltam" egy usb-soros átalakítót. A hálózati eszközön linux megy és ha netán kizárnám magam a hálózati hozzáférésen keresztül akkor ezzel a mütyürrel soros porton újra tudom éleszteni rendszert.

Az átalakító egy nokia adatkábel volt.

(#) Bxncx hozzászólása Máj 28, 2009 /
 
Sziasztok!
Én egy 555 IC-vel astabil kapcsolást alkottam egy LED-ellenállás emberkével egybe kötve. Annyi baja van, hogy az IC elveszi a LED-től az áramot és ezért halványan világít.(majdnem azt írtam, hogy halkan világít )
Bocs a képminőségért.
(#) bankimajki válasza Bxncx hozzászólására (») Máj 28, 2009 /
 
ötletes
(#) Bxncx válasza bankimajki hozzászólására (») Máj 28, 2009 /
 
Köszi
(#) MolnarG válasza Bxncx hozzászólására (») Máj 28, 2009 /
 
Az biztos, hogy halkan világít, én legalábbis még nem hallottan LED-et világítani . Tegyél az 555 kimenetére egy tranzisztort és azzal hajtsd meg a LED-et.
(#) interferi válasza klemo86 hozzászólására (») Máj 28, 2009 /
 
A akkor ott a kijelzövel lesz a probléma mert én már több kijelzövel is probáltam a kapcsolást és nem csinálta.
(#) Bxncx válasza MolnarG hozzászólására (») Máj 28, 2009 /
 
Nem azzal van a baj, mert már tranzisztorral hajtom meg. Szerintem inkább egy ellenállást kéne a 555 tápjára. De nem biztos.
(#) klemo86 válasza MolnarG hozzászólására (») Máj 28, 2009 /
 
a LED 600 Voltról világít hangosan, de akkor jól szól
csak nem megy neki hosszútávon...

interferi: a kijelző jó, másikkal se megy, a programot nézem át tüzetesebben, ha lesz rá időm, és majd beszámolok...
(#) MolnarG válasza Bxncx hozzászólására (») Máj 28, 2009 /
 
Kisebb előtétellenállásal próbáltad már?
(#) interferi válasza klemo86 hozzászólására (») Máj 28, 2009 /
 
Az általam felrakott progihoz máshogy kell bekötni a kijelzöt és nálam mindig jol müködik a kapcsolás. Itt az oldal amiröl van.
(#) Bxncx válasza MolnarG hozzászólására (») Máj 29, 2009 /
 
Még nem , lehet hogy az lesz a baj. Köszi
(#) aderka hozzászólása Máj 29, 2009 /
 
Üdv!

Egy egyszerű kis stroboszkóp vezérlést építettem, ami nagyon szépen működik.

üdv: aderka
(#) bankimajki válasza aderka hozzászólására (») Máj 29, 2009 /
 
esetleg valami videót nem mutatsz?
(#) szilva hozzászólása Máj 29, 2009 /
 
Ez még csak egy félkész frekvenciamérő, kell majd csinálni egy analóg, jelfogadó panelt is a digitális rész elé. Meg van még egy csomó ötletem, amit a firmware-be bele lehetne programozni a frekvenciamérésen kívül.

Bővebben: Link
(#) bankimajki válasza szilva hozzászólására (») Máj 29, 2009 /
 
Megtudhatjuk a műszered mérési elvét! Ill. milyen pontossággal képes kijelezni?
(#) lidi hozzászólása Máj 29, 2009 /
 
Ma picit alkottunk Bátyámmal közösen. Ledesítettük az egyik modellmozdony (BR218) lámpáit, és belekerült a MERG féle terhelésszabályozós dekóder. Ez emelkedőn is elindul már 1. fokozaton, és a lejtőn se gyorsul be. Picit megfuttattam még egy régebbi mozdonyt is, (BR290) ebben egy egyszerűbb Heiko Schroeter féle dekóder van, viszont ez meg tud izzószimulációt, így szebben kapcsolódik fel s le a lámpája. Ebben a dekóderben találtam már két hibát, de mivel megvan a forrása, így ki tudtam javítani. Látható még egy pár személykocsi szintén ledes világítással. Ebbe még lesz később saját dekóder, hogy le lehessen oltani benne a lámpát.
(#) slogan válasza lidi hozzászólására (») Máj 29, 2009 /
 
Tetszik !

Nekem egy TT Nohab -ban van dekóderem (hang is) ,valamint egy BR130 (Ludmilla) -ban ESU ,csak menetdekódet (azt én tettem bele).

Gondolom fékút ,max gyorsulás,max lassulás,max sebesség ,stb ezen is van ?
Milyen vezérlőd van ,nekem MultiMaus.
(#) lidi válasza slogan hozzászólására (») Máj 29, 2009 /
 
Köszi. A vonataidról te is rakhatnál fel képet. Akár a
Digitális modellvasút topicba. A vezérlő is saját készítésű, úgy mint a dekóderek. Fix fékút nincs ezekben, meg asszimetrikus DCC, vagy ABC funkciót sem tudnak. Itt van kép a központról: Bővebben: Link

(#) szilva válasza bankimajki hozzászólására (») Máj 29, 2009 /
 
Jelenleg belsőleg a PIC órajeléből generált, 100us-os "tick"-ekkel állítok elő kapuzási időt, ami alatt számlálom a bejövő impulzusokat. A kapuzási idő és a számláláskor alkalmazott előosztás helyes megválasztásával tudom a méréshatárt beállítani. A firmware most minden méréshatárban 6 értékes jegyre mér, 999999 a legnagyobb megszámlált impulzusszám. A két kisfrekvenciás bemeneten 1Hz a legfinomabb felbontás, a nagyfrekvenciás előosztóval ellátott bemeneten 100Hz.

A mérés pontossága természetesen a PIC órajelének pontosságától függ, ami egy 20MHz-es kvarcból áll elő.
(#) klemo86 válasza lidi hozzászólására (») Máj 29, 2009 /
 
Szép
A régi mozdonyoknak viszont jobb meghagyni szerintem az origi izzóját, egy 20-30 évesben nincs hófehéren vakító fényszóró, életszerűbb az a sárgás fény
(oké, valamelyiken kifejezetten jól mutat, ahogy a Tiédben is!)
(#) szilva válasza lidi hozzászólására (») Máj 29, 2009 /
 
Ez nagyon jól nézki!

Valamikor tavaly a fiam egyik analóg mozdonyába építettünk sárga/piros kétszínű LED-eket a világításba, de a Te kivitelezésed nagyon profi!
(#) lidi válasza klemo86 hozzászólására (») Máj 29, 2009 /
 
Hát igen, jobb lett volna melegfehér led, az tény. De csak ilyet kaptam 0603 -as méretben. Ezek amúgy "playtime" kivitelű modellek, gyárilag nem is tudnak piros/fehér fényváltást, sőt a 290-esnek még világító lámpája se volt alul. Lehet hogy valami lakkal, vagy filccel még lehet rajta sárgítani picit.

Szilva: Az is klassz lehet. Képeket rakjatok ti is ! Amúgy elvoltunk vele egész délután. Először vezetékeket forrasztottam az apró ledekre, próbáltuk felragasztani a lámpákra belülről. Aztán rájöttünk hogy inkább csinálok egy apró panelt a 4 lednek alulra , aztán meg még átvilágítottak a lámpák a piros / fehér között, de ragasztottunk bele pici papír elválasztót, így már jó lett. De az papír darabka.. hát kb 2mm x 1mm, bekentük pillanat ragival, de inkább ragadt a csipeszre mint a helyére, de megérte szenvedni vele.
(#) bankimajki válasza lidi hozzászólására (») Máj 29, 2009 /
 
Ez szerintem is nagyon szuper lett, lassan elmondhatod hogy te vagy a világ ura :yes: , egy miniatűr világé. De én annyit még hozzátennék, hogy szerintem a mozdonyokba, nem LED-et kellene tenni, hanem sima pici izzót, az élethűbb. Miért LED-et tettél bele?
(#) klemo86 válasza lidi hozzászólására (») Máj 29, 2009 /
 
Fantázia kérdése az egész, de Neked biztos van
A fényváltás nekem is nagyon tetszik benne!
Következő: »»   419 / 1713
Bejelentkezés

Belépés

Hirdetés
XDT.hu
Az oldalon sütiket használunk a helyes működéshez. Bővebb információt az adatvédelmi szabályzatban olvashatsz. Megértettem