Fórum témák
» Több friss téma |
Rendben van.Köszönöm.Akkor így lesz:
Hasonlitsd össze az előzőekkel.
Bocsánat.
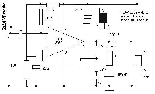
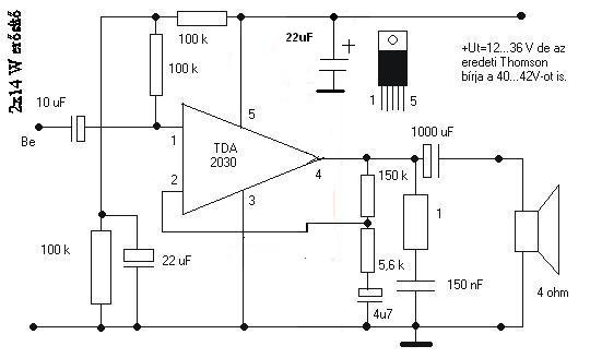
Na szóval itt az eredeti rajz ez alapján van nekem megcsinálva. Ezt még én raktam be jóval korábban Urbán féle
Most vettem észre hogy hozzásszólás érkezett a témához .Szóval az a kép már igen jó, ugy gondoltam a bekőtést ez egyébként a gyári ajánlás is csak ott a 100 mikro helyett 220 mikro van . H aezeket betszed akkor már a 22 mikro ra nem lessz szükség !
Üdv Sanyio
De akár egyedül a 22µF-al is jó. Nem értem minek kell ezt agyon bonyolitani már.
Bocs csak későn vettem észre a válaszokat( valamiért akadozik az explorerem) Egyébként valószinüleg jó lesz mert még én az Urbán elektronikánál, csak jó dolgokkal találkoztam. És ha ott 22 mikró van akkor biztos hogy jokell legyen azzal is. Egyedül a kicsatoló kondi értékét találom kicsit kevésnek, lehetne ott 2200 mikro is (sokat tud javitani a hang dinamikáján, és jobban jönnek a mélyek is !)
Üdv Sanyio
Helló.
Teljesen felesleges ha 4Ohm-os hangszóróval számolunk akkor az alsó határfrekvencia 1000µF-al 50Hz körül van ha 2200µF lenne akkor kb 20Hz körül lenne. Feleslegesen nem érdemes terhelni a mélyhangszórókat.Ehhez csak ennyit tudnék hozzáfűzni.A dinamikáján tudna még javitani a tápegységben lévő puffer kondi 10000µF-nál kisebb nem ajánlott sztereó rendszerhez főleg ha a kimeneten lehet még 4Ohm-os hangszóró is. Hidd el tudom mit beszélek nállam 22000µF van.És tényleg jól szól.
A számolgatás nem a kedvenc műfajom (az a 20 Hz nem tudom hogy jön ki) de a tapasztalatom az, hogy az a 2200 mikro igen is sokat tud javítani a hangon .
Üdv !
A puffer kondikat sem érdemes akár meddig növelni . Nem sok az 22ezer mikro ?. Nem 140 wattrol beszélünk hanem 14 w rol. Még a 10 ezer is sok és pazarlás egy sima TDA 2030 al felépített kapcsoláshoz . Szerintem.
Hiába pakolsz a kimenetével sorba akármekkora kondit ha a tápfeszültséggel párhuzamosan egy 1000µF-os kondi van. Onnantól kezdve vége a dinamikájának. Lehet igazad van, de a tápfeszel párhuzamosan minimum 10000µF legyen.
A kondenzátor értékét a linken található oldal középső képe alapján számoltam ki. Bővebben: Link
Én múltkor bontottam egy Acoustic Slolution AS150-es hangfalszett erősitőjét és tele volt TDA2030A-val és az egészre volt 2db 4700µF-os kondi csodálkoztam miért olyan rosszak a mélyei hát mert jóval kisebb volt az egy IC-re jutó puffer kb 800µF lehetett. Amikor rendesen odatekertem nekik akkor igencsak reccsentek a szatelit hangszórók mert a szub mély elszivta.
Akkor most jó ez a kapcsolás vagy valami nem stimmel még mindig?
Légy szives 1 oldalt lapozzál már vissza ott volt már rá a válaszom link is volt hozzá. Én most hiába válaszolok neked? A rövidzárra koncentráltam és elnéztem valamit rajta.
Bővebben: Link Itt a link mégegyszer.
Jónéhány 2030 as végfokot építettem már az évek folyamán, de 4700mikró fölé még sosem kellet menjek puffer kondi esetében. Kicsatoló kondi pedig minden esetben 2200u volt, és sokkal szebben szólt a kütyü mitha 1000u lett volne benne. Hidd el én is tudom mit beszélek .
Üdv!
Mind kettö kapcsolás jó (((nagyon jó))), (tied is meg a Steven19-é is )a kettő lényegileg ugyanaz ,ugyhogy nyugodtan belevághatsz a megépítésébe !
Üdv sanyio
Én is épitettem már párat.
Azért mondom el az én tapasztalataimat is. Neked kis hangerőn (2-3W) nem lehet észrevenni kis torzitást? Nekem eleinte amikor még csak 2200µF volt a tápfesszel párhuzamosan erősen észrevehető volt de egy kb 2-10uH-s légmagos tekercs megoldotta a problémát ezt a kimenettel sorosan kötöttem a kicsatoló kondi után, de ekkor már 4700µF volt a tápágban. Dani rajzáról hiányoznak a Diódák azért kifogásoltam.Ezért nem tetszik a rajza. Nézd csak meg jobban.
Hát nekem még szerencsére nem volt ilyen gondom, kis teljesítményeknél is jól muzsikált . Én valamennyi esetben a gyári kapcsolást epítettem meg, problémát egyedül a zavarszűrő kondik hiánya (100n és 100u) okozott . A diódákat én sosem rakatam be. Ezek szerepe egyébként, az IC védelme a hangszóróból (esetlegesen ) eredő "induktiv" feszültséglökésekkel szemben .
Kellenek bele a diódák hidd el olvas el Lenz törvényét ott világosan le van írva miért kell oda. Jártam már úgy hogy nem volt dióda és tönkrement az IC-m
Kelettek volna (tudom) de én sosem raktam be őket (spórolás) egy megépített panelbe se
, és ha néha meg halt egy-egy IC akkor volt egy kis plusz munkám , amiért persze fizettek ....
A két rajz ugyan az , a különbség csupán annyi hogy az eggyikben vannak diódák, a másikban meg nincsenek. Bármelyiket megépítheted ! A diódák szerepe pedig fenntebb le van irva !
Rendben,értettem.Köszönöm a segítségeteket.
Azokkal a 10Ft-os spórolásokkal fogod elveszteni az emberek bizalmát feléd mert az egy dolog hogy megcsinálod meg, megjavitod az erősitőjüket amiket csináltál nekik, de amikor te egyszer nem érsz rá és pont máshoz viszik javitani és ő nem csak az IC-t cseréli hanem pótolja a trehányságod eredményét és azután hosszú évekig nem lessz már baja az erősitőnek emiatt fogod majd később elveszteni a megrendelőidet mert az aki pótolta, ő lessz majd a szemükben az isten és szépen elhappol előlled minden melót. Rossz a felfogásod és a fentebbi hozzászólásodat lehet majd ellened fogják felhasználni majd a megrendelőidnél.
Vigyázz azért mit mikor hova irsz. Más szerelők kuncsaftjait igy szoktam magamhoz csábitani. Egyik jött hozzám hogy az a másik szerelő nem tudja vállalni a készülékét és hallotta egyik barátomtól hogy megtudnám csinálni 6 hónappal előtte volt szerelőnél és megint tönkrement ennek már lassan egy éve és a napokban kezdte hiresztelni ez az ember hogy milyen jól sikerült nekem megjavitanom, megjegyzem a hiba ugyanott volt mint előtte csak én mást is cseréltem és pótoltam azóta 4-en voltak nállam ugyanattól a szerelőtöl.
Hát azért annyira trahánynak nem érzem magam . Ugyanis ilyen spórolásokat csak ezzel a kapcsolással csináltam meg s hát van már jó néhány éve annak amikor az utolsót épitettem ! Szóval már rég nem "verek" át senkit. Attól pedig nem félek hogy a kuncsaftjaimat elvesziteném ugyanis csak jó hirem van mindenfelé .Ráérni pedig egy kuncsaftnak mindig ráérek !
Üdv.
Köszönöm az infot.Azt még meg tudnád mondani hogy hogan szűri a zavarjeleket a kondenzátor?Mert én úgy tudom hogy egyenáramú szempontból a feltöltött kondenzátor szakadásként viselkedik.Na most hogy ha a mellékelt képen a 22u-s kondenzátor feltöltődik,akkor ugye az áram az IC lába felé folyik,szóval akkor olyan mint ha a 22u-s már ott se lenne,vagy most hogy van ez?Tuti hogy rosszul gondolom ,máskülönben nem írtad volna azt,amit. °°)
Örülj neki.
Csak azért jobb ha odafigyelsz jobban. Mert ahol dolgozom ott sűrűn látok olyat hogy a relék érintkezője azért megy tönkre mert nincs dióda,vagy mert a dióda adta meg magát és sajnos összeégnek emiatt.
üdv
egy olyan problémám lenne hogy, van egy tda 2030as hidba kapcsolásom bd249,bd250el ügye maximum feszültsége +-18v, nekem pont +-18v tápom van és 4db 35v 4700uf+50v 4700uf kondit tettem rá így a tápfesz 25v.És a kérdése, hogy birná-e az ic? |
Bejelentkezés
Hirdetés |













