Fórum témák
» Több friss téma |
Fórum » PIC - Miértek, hogyanok haladóknak
Adatlapban nézd meg, hogy az adott mikrovezérlőben hogy lehet letiletani az analóg funkciókat. Ezt az AD részen belül az ADCON regiszterek használatánál találod. Ezután nincs más dolgod, csak a megfelelő értékkel fel kell tölteni ezeket a regisztereket.
Először is köszönöm, hogy írtál!
Néha eljátszok a gondolattal, hogy kipróbálom a 16 bites PIC-eket. Az tart vissza, hogy az én egyszerű dolgaimra megfelelőek a 8 bites testvéreik is. Most kezdek majd el a 18F-ekkel foglalkozni behatóbban, és már itt is szégyellem magam, mert sok olyan lehetőséget kínálnak amit nem fogok kihasználni. Habár a 16 bitesek árai sem elrugaszkodottak, és szeretem a C nyelvet is. Nemtudom, lehet a következő ChipCAD-es rendelésemben lesz 2-3 darab PIC24Fxxxx. Idézet: „Az I2C kezelése open drain kimenettel történik, amit a pic-ek portjai nem tudnak (vannak kivételek 24F, stb..).” Azert azt hozza kell tenni, hogy sok 16F-esnek van egy darab OD kimenete, pl a 16F84, 16F628 ill. 16F877. Sok kerdes is felmerul ezzel kapcsolatban mert aki nem olvassa az adatlapot az csodalkozik is hogy a LED miert nem vilagit az RA4-en
Rajzold le egeszen pontosan ugy ahogy Te megcsinaltad -- anelkul maximum kezratettel tudjuk a problemad megoldani...
Ez már kezd megoldhatatlannak tűnni(legalább is innen). Lehetséges, hogy a PIC a ludas, ennek kicsi a valószínűsége, de ki nem zárható.
A PK2-vel más PIC-et gondolom gond nélkül fel tudsz programozni?
Szia!
Az I2C-hez pontosan kettő kellene, a slave a SCLK nyújtásával lassíthatja az átvitelt... (Némelyik pic beépített illesztője is hibás, az utóbbi funkciót nem tudja. pl: 16F88x.) Itt nem is azt szerettem volna leírni, hanem azt, hogy két vagy több különálló, egyenként jól működő programrészlet között kereszthatás jöhet létre a RMW műveletek miatt. Főleg, ha az egyik vagy mindkét (esetleg több) programrészlet megszakítás kiszolgálásában van a RMW művelet. Ekkor még az alapprogram részletekben (nem a megszakítási rutinokra gondolok) a másolat módosítása és a portra történő másolásának idejére a megszakítást is tiltani kell minden esetben. 18F, 24F, stb típusokban használjuk inkább a LATx regisztert....
Mar korabban emlitettem, hogy szerintem az problema, hogy a hidegito kondik nem kozvetlenul a PIC labain vannak. Scope-pal probald megnezni mekkora a zajszint.
OC (OD) vonal kezelése esetén jó praktika, ha a kommunikáció elején a PORT megfelelő bitjét 0-ra állítjuk, majd a kommunikáció alatt a TRIS bit-tel "írunk" a vonalra, a PORT bitet pedig olvassuk, ha a vonal állapotára vagyunk kíváncsiak.
A TRIS bitet lehet BCF/BSF-fel állítgatni, ott nem fog az RMW probléma fellépni, 0-t írva a TRIS bitbe a láb kimenetté válik, és a PORT bitjében lévő nulla szint kerül a lábra, 1-r beleírva pedig lebegő állapotú (bemenet) lesz, a felhúzó ellenállás hatására alakul ki az egyes szint, illetve a külső kommunikációs partner nullára húzhatja. Persze az egész mutatvány bukik, ha az adott porton más biteket is kell matatni közben, akkor tényleg árnyékregisztert kell használni.
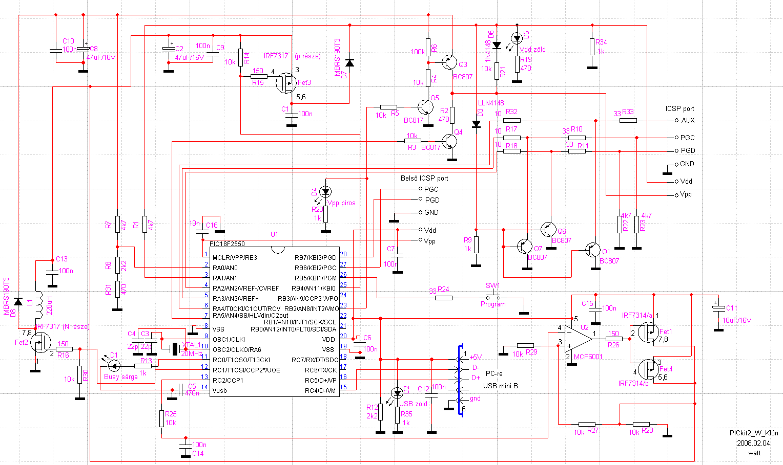
Most ismerkedem a Watt által készített PICKit2 klónnal. Az lenne a kérdésem, hogy a Watt féle változatban használt SMD duál FET-eket milyen furatszerelt alkatrésszel lehetne helyettesíteni?
Tehát melyik lehet az a két fet, ami az IRF7317 és az IRF7314 két részét helyettesíti? Mit jelent az a követelmény, hogy 2,5V-ról is működjön a FET? A katalógust átnéztem, de nem jöttem rá. Különben mi a feladata a kapcsolásban az IRF7317 duálfet-nek (p és n rész is érdekelne) És mi a szerepe az n részre kapcsolt tekercsnek?
A p rész kapcsolja a Vpp-t akkor, ha az nem több mint a Vdd(vannak olyan PIC-ek, amik ezt követelik meg). Az N rész egy kapcsolóüzemű tápegység, ami a Vdd-nél magasabb Vpp-t állítja elő, ha ez szükséges a PIC-hez, amit égetni kell.
A 2,5V-ról való működés azt jelenti, hogy a FET gate-je 2,5V feszültség esetén kellően kicsi maradék ellenállást produkáljon a DS átmeneten. Mivel ez a PK2 a 2,5V-ról működő PIC-eket is kezeli, ez alap követelmény. A szilva féle klón 5V-os PIC-eket kezel alapból, ezért ott nem gond FET-et találni. Én furatszerelt FET-et nem találtam, ami kapható és megfelelő lenne. Azóta nem kerestem, ezért lehet, hogy valaki tud tippet adni, az engem is érdekelne. (Ha erre jár egy modi, kérem a kérdést helyezze át a válaszokkal együtt a PICKit2-es topicba! Köszi!)
Szia!
Az FET1-FET4 IRF7314 helyettesíthető IRF9024 típussal - ha még kapható. A nyitófeszültsége ugyan nagyobb, mint az eredetié, de itt van tartalék. A FET2 IRF7317 N része az eredetiben NPN tranzisztor (az L1 értéke azonban 680uH). A FET3 IRF7317 P részével gond van - nem találtam jó furatszerelt típust. A probléma az, hogy a maximális Ugs feszültség a Vdd. Ha a beállított Vdd alacsony (<2.5V), akkor is ki kell nyitnia. Sajnos alacsony Ugs feszültségű (beszerezhető) furatszerelt típust nem találtam. A FET3 helyén a IRF7314 két felét párhuzamosan kötve használom. A so8 tokot egy kis (4x4) próbapanel darabra forrasztottam fel, a két oldalára alulról 4 db tüske került, amivel egy dip8 foglalatba lehet beledugni. Ugyanez a megoldás mehet a FET1-FET4-hez is. Ha a két felet párhuzamosan használjuk, akkor a dip8 foglalat minkét típushoz (IRF9024 , IRF7314) jó, az IRF9024-et középre kell betenni . A Shotty diódák helyett az 1N5819 jól használható. A teljes PicKit2 furatszerelt aklatrészekkel (IRF7314 -et leszámítva) kitűnően működik, már több példányban is. >
Itt a kapcsolási rajz, és a hex fájl.
Idézet: „az L1 értéke azonban 680uH” Nem. Az bizony 220uH.
Szia!
A 7 szegmenses kijelzők nagy árammal működnek. Az alkalmazott táp feszültsége nem esik-e le, ha sok szegmens van bekapcsolva? Az áramlökések nem zavarják meg a pic-et? (A nagy áramú vezetékek közvetlenül a tápra, földre vannak-e kötve? Az a jó, ha minden más áramköri részlet - külön vezetéken - innen kap tápot és földet. Úgynevezett csillagpontot kellene kialakítani a táp szűrő kondenzátor pozitív és negatív kivezetésénél.) Van-e elegendő hidegítő kondenzátor?
Akkor valószínűleg marad az a megoldás, hogy a duálfetek SMD kivetelben lesznek beszerelve, a többi pedig furatszereltben.
Az a baj, hogy nincsenek megfelelő szerszámaim az SMD alkatrészek szereléséhez, a furatszereltekhez viszont megvan minden, amivel normális és mutatós panelt tudok készíteni. Ezért vonakodom az SMD klón elkészítésétől. Viszont néhány SMD alkatrész beforrasztása nem fog gondot okozni. Szerintetek ez jó megoldás?
Az eredeti kapcsolásban, PICkit2 User Guide 51553a.pdf, a 78. oldalom bizony 680uH szerepel. Nem tudom ide feltölteni, mert túl nagy.
Szia!
Gondold meg, ha valami miatt cserélni kell a fet-et, én csak kihúzom, teszek helyette másikat... Idézet: „Akkor valószínűleg marad az a megoldás, hogy a duálfetek SMD kivetelben lesznek beszerelve, a többi pedig furatszereltben.” Ha el tudtok készíteni egy ilyen fordítót, akkor mi a gond a nyákkal? Csak ki kell nyomtatni és vasalni. Ha elsőre nem megy, majd másodikra. De nekem édesmindegy... Idézet: „Az a baj, hogy nincsenek megfelelő szerszámaim az SMD alkatrészek szereléséhez” Én ugyanazokkal a szerszámokkal dolgozom, mint bármikor máskor. Egyedül fluxot kellett vennem.
Szia!
Dugasztápot alkalmazok, és egy L7805 ös feszültség stablilizáló IC-re van kötve. Ha gondolod teszek fel videót, hogy mit csinál.
Eddig csak laborgyakorlaton SMD-ztem egyszer életemben, vákuumos megfogóval, ónfürdővel, stb.
Otthoni körülményekről nincs semmi tapasztalatom. Mi az a flux?
Viszont ha már csinálok adatpterekt, akkor a az összes duál fet megmaradhat úgy, ahogy a kapcsolásban szerepel, nem?
Esetleg fel tudnál tölteni furatszerelt panelról képet?
A 78L05 nem igazán LED-es kijelzés hez való. Lehet, hogy a túláramvédelme miatt leesik a feszültesége, a PIC meg állandóan resetel. Tegyél oda legalább egy normál 7805-öt, de lehet, hogy a dugasztáp sem túl jó ötlet, nem tudom, hány mA-t képes leadni.
Idézet: „Az eredeti kapcsolásban, PICkit2 User Guide 51553a.pdf, a 78. oldalom bizony 680uH szerepel” Honnan lehet letölteni az A változatot? Nekem csak a B-t sikerült megtalálni, de az rövidebb. Esetleg e-mail-en vagy data.hu-n el tudnád küldeni a pdf-et?
Jó ezt kipróbálom. A dugasztáp 500 mA-t tud leadni.
Szia!
Elég régen töltöttem le. A Microchip-nél a dokumentációk kezelésének módszere van. A szám jelzi, hogy miről szól a dokumentum, a végén a betü a veriziókat jelöli. Minél hátrébb van a betü az ABC-ben, annál újabb a dokumentum.
Szerintem nincs különbség az SMD és a furatszerelt nehézségi foka között, ami a nyák elkészítését érinti. Indokolatlan a tartózkodás. Csak egyszer próbáld ki, soha többé nem szerelsz furatosat...
- Flux -
Amit igy elso rakukkantasra latok, hogy a LED-eken nincsenek ellenallasok es hogy a Vdd-Vss-en nincs 100nF hidegito. Eloszor ezeket kellene megcsinalni, utana valami nagyon egyszeru LED villogtatot ratenni ami egyik LED-et villogtatja hogy lassuk a kontroller egyaltalan megy-e.
Idézet: „Mi az a flux?” Ha jol tudom magyarul folyaszto szernek szokas hivni -- forrasztast elosegito szer. Ha most szerzel be akkor lehetoleg az un. "no-clean" flux-ot kell beszerezni -- na ezt nem tudom magyarul, tehat amit nem kell kulon letisztogatni a forrasztas utan. Sokan gyantat hasznalnak amugy, amit pl zene boltban lehet beszerezni amit hegedu vonokhoz hasznalnak. Az legfeljebb ronda tisztitas nelkul, de nem vezet es nem marja az anyagot forrasztas utan. Cserebe viszont nehez SMD-knel hasznalni ha nem pakaval dolgozol... Idézet: „lehetoleg az un. "no-clean" flux-ot kell beszerezni” - Mondjuk ilyet - Ezt akartam elsőre is, csak eltévesztettem. Egyébként átmentünk a témával az - SMD-s forrasztásos -topicba... |
Bejelentkezés
Hirdetés |





. 




