Fórum témák
» Több friss téma |
- Ez a felület kizárólag, az elektronikában kezdők kérdéseinek van fenntartva és nem elfelejtve, hogy hobbielektronika a fórumunk!
- Ami tehát azt jelenti, hogy a nagymama bevásárlását nem itt beszéljük meg, ill. ez nem üzenőfal! - Kerülendő az olyan kérdés, amit egy másik meglévő (több mint 17000 van), témában kellene kitárgyalni! - És végül büntetés terhe mellett kerülendő az MSN és egyéb szleng, a magyar helyesírás mellőzése, beleértve a mondateleji nagybetűket is!
Rendben köszönöm! Nem is akarom túl bonyolítani! Ezt valaki megkért, hogy csináljam meg neki, szóval így is jobb mint a gyári.
Azért így is sikerült kétszer dolgozni! A csatlakozó fejet gyönyörűen felforrasztottam amikor észre vettem... ..,hogy a burkolatot nem húztam fel! Mindig ezt csinálom! Még egyszer köszi!
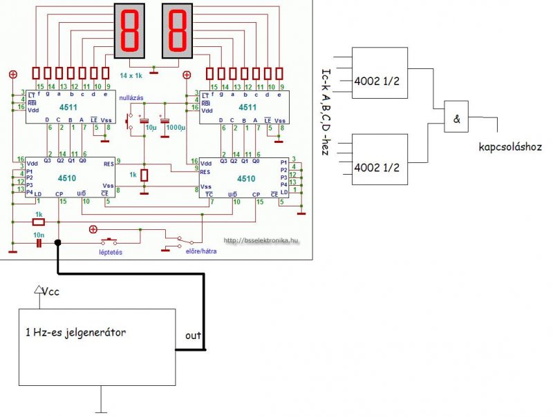
Így jó, valószínűleg proli007 nem vette észre hogy azok nor kapuk az elején.
Viszont az ő megoldása valahogy szimpatikusabb nekem
Hello!
De jó így, csak az elején ÉS kapukat láttam. (Diódával, meg szerintem egyszerűbb, főleg ha utólag akarod "rábarkácsolni.) üdv! proli007
Akkor ez a két kapcsolás egyenértékű?
Na és amit Te küldtél kapcsolás,az hogyan szűri ki,hogy csak 0 0 0 0 0 0 0 0-nál (vagyis amikor a kijelzőn 00 jelenik meg) csipogjon.
Mert mondjuk 0 1 1 0 1 1 0 0-nál (amit nem tudom milyen számot jelez a kijelző) nem csipog?
Ja és még valami,a diódák milyenek? 4148-asok jók?
Hello!
proli007: Nah erre nem is gondoltam, hogy egy NOR kaput ilyen egyszerűen össze lehetne állítani pár diódából és egy tranzisztorból. De igazad van, ez tényleg egy sokkal egyszerűbb megoldás ![]() Legalább ma is tanultam valami újat. üdv. Norbi
Hello!
Félre érted. Ha két számlálót figyelsz, akkor a bemeneten nem négy, hanem nyolc dióda szükséges. Akkor, ha mind két számláló nullát mutat, csak akkor jelez. (Ha bármely bemenet szintje magas, az első tranyó kinyit, és lezárja a másodikat. Erre az oszcilláció leáll.) Bármelyik kis dióda jó. üdv! proli007
Szóval ha a kapcsolásba,a jelenlegi diódák fölé még teszek négyet ,akkor csak 0000000-nál csipog a kapcsolás?
Sziasztok!
Van pár 12V-os relém, de a táp ami behúzná 24V-os. Ha simán bekötök elé egy ellenállást az működne?
Én a helyedben egy 7812-es IC-vel oldanám meg.
Sziasztok!
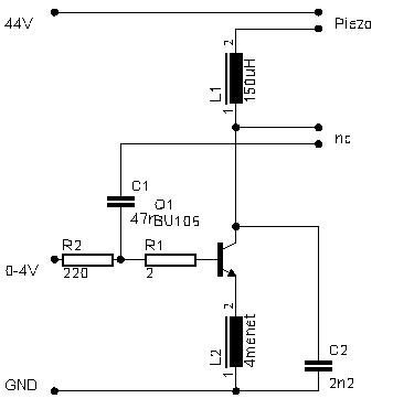
Sziasztok! Még egy kérdésem lenne a csatolt kapcsolást illetően. Az gondot okozna, ha a 4,7K helyett 10K-t, a 10µF helyett 100µF/16V-ot, a tranzisztor előtti 10K helyett pedig 100K-t használnék? A tranzisztor pedig BC546 lenne. Ezek vannak itthon Köszi
Köszönöm a segítségeteket: proli007,norby1,feki00 és kiskacsa2009!
Minden jót!
De elég sokat kéne "húzogatni" vele, és akkor sok 7812-ot kéne vennem ami sokba kerül... Akkor ellenállással nem lehet?
Szia!
De meg lehet oldani egy,a tekercs ellenállásával egyenértékű ellenállás sorbakötésével is. Szerintem mindegy hogy a stabkocka vagy az ellenállás fűt...Az hogy mennyire : relé árama*12V (az ellenálláson eső feszültég). Tehát meg lehet,én is így oldottam meg az akkuőrben ,a 24 V-os változatnál. Üdv Kicsa
Egy ultrahang adó készülékkel kapcsolatban szeretnék segítséget kérni. Elvileg 40kHz-en kéne működnie, de szkóppal nézve csak 100Hz körüli érték jön ki belőle. A piezo lapka egy kb. 2m-es, 4 eres kábellel van csatlakoztatva, de csak 2 ér van bekötve, a másik 2 üresen hagyva (tőben lecsípve a piezo felőli végén). Már átnéztem a fellelhető oszcillátor kapcsolásokat, de nem találtam meg ezt a megoldást. Ha a bemenetén változtatom a feszültséget, akkor a kimeneti amplitudó is változik, de nem a kívánt frekivel. Vajon mi lehet a probléma?
A tranyó melegszik rendesen, valamint a táp egyenirányítója is, tehát valamit "csinál" a készülék. A tekercset próbáltam mérni (kb. 10mm-es ferrit), de furcsa értéket kaptam. Ugyanis a műszer méréshatárának változtatásakor más-más értéket mértem, de még közelítőleg sem 150uH-it, ezért úgy gondolom, hogy a műszerrel lehet gond. A táp kondiját is cseréltem már, mivel az a 100Hz-es jel gyanús volt, de az sem segített.
Sziasztok!
Segítséget szeretnék kérni egy ventilátor kapcsoláshoz. Adott egy késleltetett kikapcsolású 230V-os venti, rákötve a lámpa áramkörére. Sajnos, azonnal elindul a lámpa felkapcsolásakor, ami előnytelen, ha csak valaki beugrik pl.: tisztítószerért. Tehát: szükségem lenne egy kis bekapcsolási késleltetésre (kb. 1-2 perc). Külön trafót és áramkört (IC/tranzisztor) nem szívesen használnék mert kevés a hely a beépítésre. Előre is köszönöm a segítséget!
Az ötlet jó lenne. Mi a helyzet az energia takarékos izzóval és a neoncsővel? :miaz:
Hát azt melegíteni kell bizony hogy bekapcsoljon a hőkapcsoló :wilting:
Sziasztok! A segítségeteket szeretném kérni. Hogyan kell bekötni egy INFRA vevőt úgy, hogy, ha nem kap INFRA fényt, akkor zárjon egy áramkört? Néztem a HESTORE.hu-n egy INFRA vevőt, de annak három lába van. És milyen LED kell hozzá?
Előre is köszi!
Szerintem fogalmaz pontosabban mit szeretnél épiteni.
Mert ez igy egy kicsit homályos .Ezzel az ic-vel infra jelet vesznek mondjuk egy távirányitotol ami egy megfelelő hulámhoszra van hangolva, majd ezt a jelet egy MCU feldolgoza.
Hi!
Épített már valaki digitális iránytűt? Tudnátok segíteni, hogy milyen szenzor kell hozzá és milyen elven működik? Köszi Zoli
Sziasztok.
Adott egy reloop rmx20-as keverőpult, és a master RCA kimenete valahogy nemoké, mert ma meghallgattam minden hangszínt, a mély tartományban úgy szól mintha kilenne ütve a hangszóró, pattogó hangot ad ki... De ha átkötöm a kimenetet a 6,3JACK-re akkor minden oké.. és a hangfal is jó mert 2 hetes.. ![]() szerintetek mi lehet a baj ?
Üdv!
Az lenne a kérdésem hogy hogyan lehet egy aiwa hifin a védelmet kikapcsolni, illetve kiktni?
Miért szeretnéd kikapcsolni ?
Szerintem nem érdemes kikapcsolni, mert zárlatkor igencsak elszállhat a végfokod... és esetleg más is... Én azt javaslom hagyd úgy ahogy van... De ha mégis kiszeretnéd kapcsolni... a többiek biztos segítenek neked
Üdv!
A akkor hagyom igzad van! Van itthon egy 2n3055-ös tranzisztorom, lehetne belőle valamit építeni?
esetleg építhetsz erősítőt is ha van kedved..
![]() itt egy kapcsolás: 10W audio erősitő TIP41,42 2N3055 MJE2055-el
Kössz a rajzot!
Körülnézek itthon és ha megvannak az alkatrészek, neki is állok ! Kössz Üdv: joci |
Bejelentkezés
Hirdetés |
















