Fórum témák
» Több friss téma |
Hello!
Szeretnék átalakítani egy szendvicssütőt, hogy szárítani lehessen vele NYÁK-ot, miutál fotólakkal lefújom! A lényeg az, hogy a sütő hőmérsékletét 70°-on tartsa! Úgy képzeltem el, hogy a fűtőszálat egy dimmer segítségével kellene szabályozni, amin a poti egy digitális poti, amit egy mikrokontroller vezérel, ami méri a hőt, és bekapcsoláskor lassan melegít fel, és amikor elérte a 70°-ot, akkor azon tartsa egy beállított ideig, és utána kikapcsol! Segítségeket, és ötleteket előre is köszönök!
Ha a fűtőszál teljesítményét úgy állítod be hogy csak egy kevéssel tudjon a kívánt hőmérséklet fölé menni, akkor a felmelegedés szerintem már eleve nem lesz túl gyors. Egy egyszerű termosztát plusz időzítő ekkor nem volna kényelmesebb? Úgy értem könnyebben tudnál változtatni a kívánt szárítási hőmérsékleten.
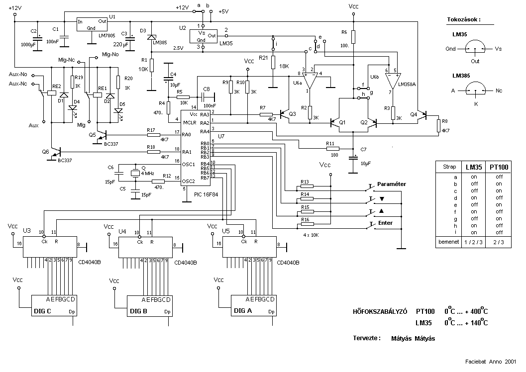
Találtam egy projektet ezzel! Ezzel talán lehetne valamit kezdeni...
Hello!
Szerintem felesleges ennyire túlbonyolítani a dolgot. Nekem pl egy lemezböl készült dobozom van amibe egy rácsot tettem, alulra pedig egy 60W-os fűtőbetétet és az egészet hungarocellel szigeteltem kívűlről. Csak belerakom a nyákot bekapcsolom kb 45 perc mulva kikapcsolom és kész, se időzítő se termosztát. A ventillátor szerintem nem jó ötlet mert port is fúj a nyákra ami nagyon nem jó, vagy valami szűrőt kell belerakni.
Szia !
Próbáld inkább a vasalásost. 1/4 annyi idő 1/4 eszköz 1/4 pénz Üdv !
"Nem kötekvés"
De ez nem feltétleül igaz, nem midnekinek van lézernyomtatója, de ha még van is akkor se 100 hogy müxik. itt elég sokín írták már hogy milyne jól sikerült neki, meg minden ,de voltak olyanok is akiknek egyáltalán nem ment, nekem félig meddig mindig sikerült, de azért néhol mindig bele kellet javítani 0,4 vonalakat nem tudtam csinálni, de a még a 0,6 se volt mindig nyerő. + nincs lézernyomtatóm, akkor kinyomtattma simával, majd elmentem a fénymásolóba, ami kb 3 km ra van tőlem, kétszer fénymásoltma alapból + papír írószer műnyomót venni (szerencsére közel volt egymáshoz) (tom ez még mindig nem nagy összeg, de ezzel már sok idő elment) , ha pedig kettőből se sikerült megcsinálni, akkor mehetem meginn. nekem a nyák mindig meghajlott mikor vasaltam, nem tom neked hajlott-e, miután kész voltam a maratással, már egyenes lett. most ahova eddig jártam kicserélték a fénymásolót egy zsír újra, na azzal nem lehet vasalni :S akorhogy állítottuk a tintahasználatot sehogy sem, sikerült átvasalni. megpróbáltma más helyen is, de a műnyomót általába bekapta a fénymásoló, vlahol azt mondták ők ilyet nem csinálnak, tintaszintet azt se tudja hol lehet állítani, stb becsapós, azért ennek az ára is (legalábbis számomra az volt).
Szia !
feltétlenül tényleg nem igaz, csak abból indultam ki, hogy ugyan itthon nekem sincs lézer nyomtatóm, de sokszor hozzáférek, a papírboltban veszek 30ft/db műnyomópapírt egyszerre 50db-ot (ezzel elvagyok egy darabig). 3db rajzot szoktam nyomtatni egy lapra ha elsőre valami nem megy ott a második. 99%-ban sikerül a vasalás, azt a 2db hiányzó pöttyöt meg kijavítom. Szerintem a fotozás sem 100%-os, mert elnem hiszem hogy mindenkinek egyből sikerül mindig a lakkot megfelelő vastagságban - minőségben felhordani...levilágítani. Üdv !
De akkor meg minek vesz az ember kellékeket (előhívó, maratószer, különleges lámpa), ha utána mást javasolnak neki?
![]() Ha nem használná fel a kellékeket, akkor rárohadna...gondolom, ezért akar mindenképp világítani miklosch kolléga... Egyébként nekem is vannak itthon mindenféle löttyeim, de a lámpám viszont nem jó (letörtem a búráját kb. fél éve, mikor megvettem, és sztem megsérült a belső része is ), ezért nem tudok fotózással dolgozni...illetve mint utóbb kiderült, a napfénnyel is lehet "dolgozni", de arra még nem jutott időm, hogy azzal próbálkozzak.
Szia !
Idézet: „De akkor meg minek vesz az ember kellékeket (előhívó, maratószer, különleges lámpa), ha utána mást javasolnak neki?” Ha azt javasoltam volna hogy fotozzon, utána meg hogy vasaljon, érteném miért irtad ezt. Én azt vettem ki miklosch kolléga válaszából, hogy neki ez az egyszerűbb megoldás és biztosabb számára. Kipróbálta mindkét megoldást, neki ez jött be. Üdv !
A vasalásos módszert nem próbáltam, mert nincsen lézernyomtatóm, meg számomra bonyolult az a sok nyomtatás, meg műnyomópapír, meg egyebek, inkább megvettem mindent a fotózáshoz, és eddig napfénnyel csináltam, meg is van vele 4perc alatt a levilágítás, de a sütőben nem bízom túlságosan, mert volt már, hogy tűszerű pontokban nem lett festék a túl gyors szárítás hatására, és ezért akarom átalakítani az őskori grillezőt!
JANI: Amit csatoltál, mi is akar lenni pontosan? Nem tudtam kivenni belőle!
Én csináltam már ilyen "nyák kemencét" méghozzá fából.
Szerintem jó ha van az embernek egy ilyen mert abban minden félét lehet szárítgatni. Én a légkeverés híve vagyok. A belső levegőt kell keringetni egy kis 8cm-s ventillátorral. Szerintem a lakknak semmi baja sem lesz egy kis portól. Az enyémben egy "mini grillből" származó fűtés (500W) van amiben van egy gagyi hőfokkapcsoló és az tartja melegen a dobozt. Általában túl fűt (60-70 fok), de egyenlőre még ebből nem volt gondom. Én 50 fokon szeretném tratani a belsejét, de majd egyszer a vezérlő is elkészűl... Előtte egy fekete cipős dobozt raktam a sütőbe, de az nem nagyon volt jó. ![]() A nyákot a felső fa lapra rakom (alatta hőterelő lemez van) és alúlról azon a fekete lemezu íven keresztűl fúlyom fel a meleg levegőt. A víz leszárítása az nem az igazi ahhoz a nyákot megpróbálom felálítani, de a lakkokat nagyon jól lehet szárítani.
Hello!
Idézet: „Szerintem a fotozás sem 100%-os, mert elnem hiszem hogy mindenkinek egyből sikerül mindig a lakkot megfelelő vastagságban - minőségben felhordani...levilágítani.” Ezzel én azért vitatkoznék. Igaz hogy amikor kezdtem még nem volt ilyen "vasalásos" technika mivel még lézernyomtató sem volt Akkor a fotózással szembeni alternatívát az Alfaset és a kézzel nyákra való rajzolás jelentette (én ez utóbbit műveltem). Többször próbáltam a fotózásos technikát de nem sikerült se elsőre se másodikra így hát mindig visszatértem a rajzolgatósra. Aztán egyszer több év mulva sikerült egy olyan nyákot fotóznom amin félig megmaradt a rajzolat, nagyon örültem neki. Utána pedig addig kisérleteztem az időkkel, módszerekkel hogy ma már elmondhatom 100-ból 99 sikerül, 0,2-mm es vonalvastagság mellett, pedig nem minden nap ezt csinálom. Úgyhogy ha még nem próbáltad légyszives ne nyilatkozz ilyeneket. ÜDV Idézet: „miklosch kolléga válaszából” miklosch nem válaszolt (időben eddig, csak ezután...), ő nyitotta a topikot... Idézet: „Kipróbálta mindkét megoldást, neki ez jött be.” Ezt én meg source2 szavaiból vettem ki... > > > Source2 és miklosch nem ugyanaz a személy
Szia !
Én sem ma láttam először nyáklemezt, és amikor az elsőt készítettem még alkoholos filc sem volt. Igy aztán pár üveg tust, később Poz20 -at elhasználtam már. Igaz, hogy nem értesz egyet azzal amit írtam, mégis leírtad, hogy ezzel is el kell tölteni pár alkalmat, hogy sikerüljön. Idézet: „ma már elmondhatom 100-ból 99 sikerül, 0,2-mm es vonalvastagság mellett, pedig nem minden nap ezt csinálom.” Ugyan ezt mondhatom neked a "vasalásos" megoldásról is, persze ezzel is el kellett tölteni pár órát mire kialakult az eljárás. És mivel volt szerencsém mintkét módszerrel foglalkoznom, most is csak azt tudom mondani szubjektive persze, szerintem olcsóbb és gyorsabb a "vasalásos" megoldás. De isten őrizz, hogy rábeszéljek bárkit is, hiszen ahány ház annyi szokás. Üdv!
öööö
nem lehetne a témára visszaítérni? üdv
Miért nem veszitek készen a fényérzékeny nyákot?
Én így szoktam, és 1000% hogy megfelelő vastagságú rajta a lakk....Bár lehet hogy így egy kicsit többe kerül... Nekem a fotózásos technika nagyon bevállt. Már 0.3mas vonalakat is marattam hibátlanul vele. Eddig nekem mindegyik nyákom jó lett, csak rá kellett szánni egy kis időt a kísérletezésre (kb 1óra) Nem kerül több pénzbe se ez a teknológia. Kinyomtatom pdfcreatorral pdfbe a nyák tervet, a fénymásolószalonban kinyomtatják fóliára 30 Ft-ért. Egyszer kell megvenni a TN140-es oldatot, ezt felhígitottam 4 liter vízben, és évek óta használom. A megvilágítás meg egy 160w-os higanygőz lámpával van (pár száz Ft), kb 1/4-ed óráig.
pár száz wattos higanygőz lámpa pár száz forint? hol??
[OFF]HMLI-lámpával csinálod? búrával? milyen távolságról? Én MMLI-vel próbálkoztam, 20cm-ről, és kb 20perc kellett neki! Én már megszívtam azzal, hogy PDF-be átkonvertáltam a NYÁKrajzot, és úgy nyomtattam ki, mert kicsit kisebben nyomtatta, és a 40lábú foglalat kicsit nehézkesen fért be a helyére! [OFF]
HMLI-s lámpával csinálom, a búrája rajta van (Ha letöri valaki akkor elég benne az izzószál...). Kb 20 centiről, kb 17percig.
Fureszk: [link=http://www.haluxvill.hu/price.php?ewh=TUNGSRAM]http://www.haluxvill.hu/price.php?ewh=TUNGSRAM[/link] Akkor mégse pár száz Ft.... 1750Ft. De csak egyszer kell megvenni Idézet: „...Én már megszívtam azzal, hogy PDF-be átkonvertáltam a NYÁKrajzot, és úgy nyomtattam ki, mert kicsit kisebben nyomtatta...” Azért, mert amikor az Acrobat Reader beolvassa a pdf file-t, akkor átméretezi, hogy a margókon belül legyen minden. Az is, amit Te margóval EGYÜTT nyomtattál. Ergo: Margón belül még lesz margó. Ezt látni lehet, amikor a nyomtatást (papírra) kiadod, kiírja a nagyítási méretet, ami ált. 95-99% között van. Az átméretezést ki kell kapcsolni, akkor a % felugrik 100-ra, és így nyomtatni papírra. Eleinte én is megszívtam ezzel egy párszor, míg rá nem jöttem! Azóta tökéletes a mérete!
Szia !
Mikor is térünk vissza az eredeti témához Üdv !
[off] Na utoljára offfolok. de ez fontos: Nyomtatás hatására a pauszpapír összemegy. Egy 64lábú SMD IC-nél (atmega128) annyira számít, hogy nem lehet utána felforrasztani (fotózás előtt vettem észre szerencsére...). Ezért csak fóliára nyomtatok
Helló!
Találtam ezt a projektet, de nem tudom hogy működik-e. :nemtudom: Egyébként én is akarok egy vezérlőt csinálni a szárítómhoz, de egyenlőre még kézzel kapcsolgatom ki a fűtőszálat. Még abban sem vagyok biztos hogy érdemes-e PIC-el csinálni. Van valahol egy mezei lakástermosztát rajzom egy Rádiótechnikában amiben egykét ellenállás megváltoztatásával elérhető hogy 20-25 fok helyett 70-80 fokon működjön. Ha megtalálom a rajzot akkor azt is csatolom majd. Ha a hőmérsékletet is folyamatosan látni szeretné az ember ICL7107-el van egy hőmérőkapcsolás. Ha érdekel ezt is élőhalászom.A ventillátorról nekem is az a véleményem hogy a por miatt nem jó ötlet.
Ez egy olyan projekt lenne ami 8bites adatokkal vezérel egy fogyasztót (gondolom lén .....). Ezt ötletadónak szántam, + hátha valakimár elkészítette...
Amugy benne van minden ami kellhet a projekt elkészítéséhez. Gondolom működőképes a cucc. |
Bejelentkezés
Hirdetés |






), ezért nem tudok fotózással dolgozni...illetve mint utóbb kiderült, a napfénnyel is lehet "dolgozni", de arra még nem jutott időm, hogy azzal próbálkozzak. 


Van valahol egy mezei lakástermosztát rajzom egy Rádiótechnikában amiben egykét ellenállás megváltoztatásával elérhető hogy 20-25 fok helyett 70-80 fokon működjön. Ha megtalálom a rajzot akkor azt is csatolom majd. Ha a hőmérsékletet is folyamatosan látni szeretné az ember 





