Fórum témák
» Több friss téma |
- Ez a felület kizárólag, az elektronikában kezdők kérdéseinek van fenntartva és nem elfelejtve, hogy hobbielektronika a fórumunk!
- Ami tehát azt jelenti, hogy a nagymama bevásárlását nem itt beszéljük meg, ill. ez nem üzenőfal! - Kerülendő az olyan kérdés, amit egy másik meglévő (több mint 17000 van), témában kellene kitárgyalni! - És végül büntetés terhe mellett kerülendő az MSN és egyéb szleng, a magyar helyesírás mellőzése, beleértve a mondateleji nagybetűket is!
Szerintem tápnak tűnik. Amit kapcsolgatni lehet az OPE csatlakozón keresztül. Középen meg valami feszültség szabályozó ic van.
Ha tvnek lenne az eltérítője akkor nem egyből a hálózatra kapcsolódna, hanem a tv valamilyen táp vonalára. Plusz lenne még ilyen-olyan szinkron frekvencia bemenete. A hf erősítő is kizárt szerintem.
Üdv!
Bocs a múltkori megtévesztésemért, de aztán megegyeztünk, hogy PCM. (a képen az első érték kicsit becsapós, de a többi jó) A mostani pedig kicsit bonyolult, de csak egy tápegység, több kimeneti feszültséggel, késleltetett bekapcsolással, extra szűrésekkel.
hello abban kérnék sgítséget,hogy rendeltem a d-auditol Bővebben: Link
2db ilyen végfokot és egy Bővebben: Linkilyen előerősítő.Össze is raktam de nem tudom hogy hogyan kössem őket össze.Ha valaki leírnáná vagy rajzpt is mutatna azt nagyon megköszönném.Illetve a másikkérdésem hogy van egy régi hifi-ből egy trafo 3 kimenete van 3,12,és olyan 42-43v.Ezzel a trafoval én hajthatom ezt az erősítő vagy szerezzek hozzá másikat?Hol lehet olyat venni ami jó ehez. Köszönöm
Na jólvan akkor, megjelölöm mindkért választ. Aztán remélem, hogy a többit meg már csak tudom
![]() Sikerült kitölteni a tesztet, sok sok segítséggel De máris elakadtam. Belépéshez adjam meg a felhasználónevet és jelszót. Nem emlékszem rá, hogy kitöltöttem volna valami hasonló űrlapot, ahol felvették volna ezeket az adatokat.Ha meg jelszó pótlásra megyek az email címet kell megadni. Gondoltam megadom azt, amit a tesztnél is, de most meg azt írja, hogy nem felismerhető felhasználói név vagy email cím.. Na jó, maradok az oldal készítőjének a másik oldalán, et meg nem erőltetem annyira
Úgy látom, hogy nagyon be szeretnél regisztrálni arra a honlapra (és ezek szerint a honlap fenntartói szerinti feltételeknek még nem feleltél meg)...
Én a múltkor beregisztráltam, szétnéztem, hidd el nekem, nem különösebben érdekes.
Csak szét akarok nézni mi van ott. Nem tudni mikor kell hirtelen valami, és ha ott lenne fent és akkor nem sikerülne a regisztráció biztos mérges lennék, nem úgy mint most. Bár, ha jól tudom akkor napi 1 vagy 2 dokumentáció regisztráció nélkül is letölthető.
Ne feledd, hogy ha 6 hónapig nem vagy azon az oldalon aktív, akkor törlik a regisztrációdat!
Igen tudom, ma "sikerült" beregisztrálni elméletileg (sikerült a teszt) de még belépni nem tudtam...
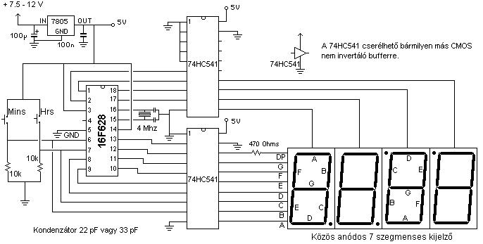
Sziasztok! van egy adott kapcsolás, és nem kijelzőket szeretnék meghajtani vele, hanem szegmensenként 4 db ledet.
Ez kivitelezhető így, vagy kell neki valami tranzisztoros meghajtás. Valamint azt szeretném elérni segítségével, hogy ne hirtelen váltson, hanem elhalványuljon. Remélem, értitek, hogy miről beszélek... Köszi előre is a segíítséget
Javítás:
Idézet: „Valamint azt szeretném elérni segítségével,” kondik segítségével.
Szia! Egy szegmens egy LED-nek minősül. Tehát, kötsd sorba azt a négy LED-et, az előtét ellenállást (470 ohm) csökknteni kell majd némelyest.
Így jó lesz. Az elhalványulásra nincs egyszerű megoldás (csak PWM-es programozással vegyitve), mert ez egy nagyfrekis multiplexeres kapcsolás. ha nem ilyen lenne, akkor azt mondtam volna, hogy a szegmensekkel kös párhuzamosan egy elkót. Mérete kisérletezendő lenne.
amúgy minden szegmens kimenet elé kell előtét ellenállás?
Sziasztok!
Nekem egy olyan kérésem lenne, hogy valaki segítsen olyan fesz. sokszorozót találni hq listájában, ami "elnyűhetetlen". Nagyfesz tápot akarok építeni és eddig a legolcsóbb típusokkal próbálkoztam, de azok kb. 15 perc működés után megadták magukat. Egyikhez se találok adatlapot amin felvan tüntetve, hogy mekkora áramot és feszültséget képesek elviselni, ezért nehéz kérdés. Az ár majdnem hogy mindegy, csak ne lehetőleg legyen hosszú élete. Előre is köszönettel: Chabee
Hu, most megfogtál. Nem kell. Nem néztem, hogy ez egy olyan 7 szegmenses kijelző, ahol egy szegmens már alapból több LED-ből áll. A tizedes pont viszont csak egy, oda kell az ellenállás. Meg kell tudni, hogy az ide szánt kijelző hány LED-et tartalmaz szegmensenként.
Az nem lehet, hogy csak a tervező felejtette le??
Hello!
(Nem kimondottan neked szántam, csak mivel csatlakoznék a véleményemmel, ide kattintottam!) Lehetni mindent lehet, csak számomra kissé illetlen dolog előtét nélkül üzemeltetni valamit. (De ebből már voltak "hitviták".) A HC541 azért még is egy CMOS buffer és nem áramkorlátos Led meghajtó. Számomra az is érdekes, hogy a rajzon, 7,5..12V táp szerepel, míg az adatlapon ajánlott tápfeszültség tartománya 2..6V. Egy-egy kimenet maximális árama 35mA lehet, de a tok összes disszipációja (SOIC) 500mW. Én ezeket a határértékeket nem lépném túl. A sorba kapcsolt Led-ek nyitófeszültsége, típustól függően akár a tápot is meghaladhatja, így vagy "nem világít", vagy úgy világít ahogy akar, vagy tényleg nem lépi túl az IC paramétereit. (Tapasztalatom, hogy 5V tápfeszültség mellett, a CMOS IC-k, általában nem mennek tönkre, még kimeneti rövidzár esetén sem. De 12..15V tápnál már nem esküdnék meg rá. A CD4049-4050 pld. túlterhelésre belül reteszelődik, és zabálja a tápot anélkül, hogy a kimenetét terhelnénk. Bele is pusztul, ha a táp nem szűnik meg.) üdv! proli007
Egy picurkát átalakítottam...
Most már jó lehet???
Üdv!
Mostani projektemben van egy rakás tápcsatlakozó, amit a nyákról ki kéne vezetni a doboz oldalára. Tudnátok mutatni olyan megoldást, amivel ez szépen kivitelezhető? Eddig ilyet használtam, de most dobozolni kéne. Van ennek egy kétrészes összedugható változata, de annak 50 helyett 3-400ft-s ára van. Sok kellene... Van esetleg más használható ötlet? Szépnek is kéne lennie, illetve pár amper is folyna rajta... Köszi!
Sziasztok. Tapasztalatok érdekelnének engem az stk ic-kről. Pontosabban az STK4048-ról és az STK4050-ről. Nemtudom melyiket épitsem. Egy pár reflexládát szeretnék vele járatni, ittvannak az adatai:
(mélygangszóróé!!) 15R300 Átméro: 15" Teljesítmény (RMS): 300 W Teljesítmény (Program): 600 W Érzékenység: 98,7 dB / 1W / 1m Frekvencia tartomány: 50-2500 Hz Lengocséve átméroje: 3" Small / Thiele paraméterek: Fs= 34,8 Hz, Vas= 226,94 liter, SPL= 98,7 dB/1W/1m Qts= 0,25, Qms= 5,34, Qes=0,26 Pe= 300 W, Re= 5,92 O Szeretném, ha bírná a 10 órós bulikat is. Nem hetente, csak évente 1X-2Xkb 10-15 órás hozamot, házibulikba. Melyiket ajánlanátok nekem? Az STK4048 minimum 150W-os Az STK4050 minimum 200W. Az STK4048 - ról már sok jót hallottam, de az STK4050-ről még semmitsem. Próbálkoztam már fet-est épiteni, sikertelenül. Hiába kit-et rendeltem begerjedt. Oda 2X400W-os oldal :S 10ezer forint :'( Inkább mostmár csak IC-zek, mert az stabil és nem gerjed be, mint a Fet. +-63V-om van egyenirányitva, kondi után egy 1000VA-es transzformátorral! Légyszives, segitsetek!
Szia
Én ehhez a dologhoz, csak anniyban tudok hozzászólni, hogy ha tényleg 98dB az érzékenysége a hangszórónak/hangfalnak, akkor nagyoon jó minőségű erősítő kell hozzá, hogy ne gerjedjen! Talán a FET-es változat ezért sem vált be. Javítsatok ki, ha tévednék Én kérdésem még mindig a kapcsitáphoz kapcsolódik.. Nem egészen értem az ezen az oldalon közölt tápegységet(sem). Ha jól értem, akkor van az ic, ami kapcsolgatja a két FET-et, meg van a trafó+ kondi rezgőkör is? Namármost, ha a két fet kapcsolgat, akkor minek a rezgőkör, valamint ha ott a rezgőkör akkor minek a két fet? Talán a FET-ek úgy kapcsolnak, hogy az egyik míg a rezgőkör egy periódust lejár, addig van bekapcsolva, aztán második periódusban meg a másik fet? ? ? Valaki leírná nagyvonalakban?
Tudna valaki nekekm abban segíteni, hogy itt, a negyedik képen látható rajz mire jó pontosan? Azt vágom, hogy nem kaphatja ugyanazt az áramot tápnak minta mit mér, de akkor ezzel az áramkörrel mit kezd az ember?
Ja és esetleg ezen felül mennyire lenne jó megoldás, ha mondjuk egy külön feszstb egységgel adnék neki áramot, de ugyanarról a trafótekercsről amit mér?
Honnan veszed, hogy a nagy érzékenység miatt gerjedt be, ilyet még sohasem hallottam, ez lehetetlen! Csak azt nem értem, hogy miért válaszolsz az én kérdésemre, ha nincs normális válaszod
Annyi lemaradt még hogy több féle daraból is lehet 2 -öt rendeln?
elöre is köszi
onnan veszem, hogy már tapasztaltam ilyet, két különböző érzékenységű hangfal ugyanazon erősítőn másképpen gerjedt, méghozzá az érzékenyebb gerjedékenyebb is volt.
Hi.
Én az STK4048 ajánlanám, nekem volt mar ilyenem csak eladtam azota is bánom STK4050 om nem volt de szerintem nem érdemes kockáztatni kb szerintem 1,5 db-ert . de a te döntésed. Az 1000VA trafo még az STK4050 hez is egy kicsit sok. Izeg-nek üzenem hogy szerintem se sok köze van a 98db-s erzékenységnek a gerjedéshez. De ha igen akkor kiváncsian meghalgatnám hogy miért.
Csak az benne a mulatságos, hogy az STK4048 és az STK4050-nek ugyanaz a kapcsolásirajza és a beültetési is. Am Izeg-nek nincs igaza a gerjedéssel szemben.. Nagyon melléfogott sz.tem. Köszike a választ, de még szeretnék tapasztalatokat az STK4050-ről. Arra gondoltam, hogy hangzás téren mind1, hogy melyiket épitem meg, mert 150W és 200W (Sztereó miatt 300W és 400W) között nemhallom meg a különbséget. Ugyanis aki egy kicsit is ért az akusztikához, az tudja, hogy minden teljesitményduplázásnál nő +3DB-t a hangnyomás, na mind1..... De azért lenne jobb a 200W-os STK4050, mert ha azt nemhajtom ki teljesen, csak kb 150W-ra, az nemfog annyira melegedni, mint az STK4048.. Ugyanezért sz.tem jobban is fogja bírni a hajszolást.
Vagy tévedek???
Sziasztok !
A segítségeteket kérem, egy puhafalú kerti medence vízforgatójával kapcsolatban. A szivattyú lehet, hogy levegőt szívott, mert amikor meghallottam, már eléggé akadozott a járása. szét szedtem, de az állórésze műgyantába van öntve a beázás miatt gondolom. A forgórészét kivettem, ami egy henger formájú mágnes az egyik végén apátkerékkel. Sok mindent nem tudtam vele csinálni, csak megtisztítottam egy kicsit. Összeraktam, és most gyönyörűen megy, de egy baja mégis van. A vízforgás iránya megfordult valamiért, ami persze a szűrő miatt nem túl jó dolog. HA valakinek van ötlete, hogy mitől van, vagy, hogy tudom a forgásirányt visszafordítani, azt megköszönöm. üdv: hortamas75
Hi.
Lehet hogy igazad van abban hogy STK4050 nem fogod ugy kihajtani mint az STK4048-ast de szerintem az STK4050 is ugyananyi hőenergiát fog termelni csak anyi az egész hogy nagyobb hütőt teszel neki ezert fog ugy tünni hogy az erősebb nem melegszik ugy. |
Bejelentkezés
Hirdetés |





De máris elakadtam. Belépéshez adjam meg a felhasználónevet és jelszót. Nem emlékszem rá, hogy kitöltöttem volna valami hasonló űrlapot, ahol felvették volna ezeket az adatokat.









