Fórum témák
» Több friss téma |
Fórum » Inverteres hegesztőtrafó
Még annyit, hogy a leragadás védelem az nem lett beépítve mert nekem nem igazán működött, helyette Erdgab-é lett beépítve! A TP3-as fő trafó kimenetén lévő kütyük sem lettek beépítve, hanem csak a hagyományos 60 APU06 diódák és R-C elemek!
Köszönöm a választ. Most úgy csinálom ,hogy vastag (2 cm) nikecellre rögzítek kockás papírt és abba szúrkálom bele az alkatrészeket így jól átlátom és húzgálhatom is a papíron a vonalakat -ha nem tetszik már mert tévedtem csak cserélem a papírt.
Töltsd le a Sprint-Layout 5.0 hu verziójú rajzprogramot,játszva tudsz paneleket rajzolni,nagyon egyszerű és magyar.
Megrajzoltam!
Layout 5.0 val a vezérlést! Az ERDGAB által működő leragadás védelemmel együtt! Alkatrészekkel! Csak a fólia rajz nyomtatásánál a nyomtatás meg kezdésekor a bal felső részen kikapcsolni a K1-B1-B2-öt! Ekkor az alkatrészek, átkötések számozások eltünnek ez után nyomtatni, így csak a nyák terv nyomtatódik ki! Azoknak akik még nem ismerik írtam le!
Sziasztok
Javítok egy inverteres hegesztőt (ONDILUX 130 tipus) aggregátról használták és tönkrement. Szétszedtem , leégve semmi nincs benne, viszont a kis táptarfót (24V) leterheli valami elég rendesen, kiszűrtem egy SMD ic-t ami nagyon melegedett. UC 3845 (kiszerelt állapotba is melegszik ha 5V ot adik neki) a kérdésem az lenne, hogy ez az áramingadozástól mehetett tönkre vagy valami tönkretette, tehát ha megrendelem az IC-t van rá reális esély, hogy megjavul? Ha valaki javított inverteres hegesztőt annak szívasen fogadom a véleményét. üdv
Szia Zsolti!
Érdemes megnézni a szabályzó másik(többi) IC-jét is(LM324;LM339 stb. gyártótól függően), mert az sem szokta megúszni az aggregátoros üzemet. Az új IC beforrasztása után semmi esetre sem szabad a hálózatról indítani, mindig egy külső tápforrásról kell a szabályzókört feszültséggel táplálni.A kapcsoló tranzisztorok általában multiméterrel tesztelhetők(FET;IGBT esetén kapacitás méréssel)de darabonként. A kapcsolókör diódáit is ellenőrizni kell, szakadásra is. Ha az összes kapcsolóelem és a diódák is hibátlanok, akkor szabályzókör bekapcs, UC3845 kimenetétől végig ellenőrizni az egész meghajtókört a kapcsolóelemekig. Ha van precíz feszültség generátorod, akkor a primer oldali áramfigyelést is tudod tesztelni. A kitöltési tényezőre különösen figyelj,mert más gyártótól származó IC nem biztos hogy az eredetivel azonos értéket ad.(nem érheti el az 50%-ot, általában 43% környékén van)A bemeneti szűrő után levő VDR-t valószínűleg cserélni kell.S20-275V típust használj.
szia
Most ott tartok, hogy áram alá helyeztem kiszerelt IC vel, és nem terheli semmi, szerencsére Van egy 324 (gondolom LM 324) az nem melegszik, de az a kisebbik gond lenne, mert az szerintem van itthon. A külső tápforrást úgy érted, hogy pl. vegyem ki a graetz hidat és a + - ra kössek rá stabil 12V-ot? A feteket átnéztem ohm mérővel, nincs zárlat S14, K320 Varisztor van benne, lehet, hogy ez miatt szált el az IC? kicserélem 275V -re. Du. szállítják az IC-t, majd jelzem , hogy sikerült-e a project. KÖszi, üdv
Szia Zsolti!
Úgy értem a külső tápot,hogy a stabilizátor IC kimenetére adod a +12V(a stabilizátor IC típusának megfelelő pl.7812=12V)tápfeszt. A főáramköri rész feszültségmentes!Így - ha valahol hiba van a szabályzó körben, a végfok drága alkatrészei nem szállnak el.
Szia
ezen csodálkoztam is egyébként mert az IC nem kap stabilizált feszt, nem is igényel (adatlapja szerint 30V a max input). A táp trafó teljesítménye meg nagyon kicsi kb 2W körül lehet. Tehát ha valami nem OK úgy is lerántja a feszt ![]() S14 es Varisztorom van 275 Voltosban, már ki is cseréltem, ez miben külömbözik az S20-tól? köszi a segítséget.
Ha vasalással csinálod a nyákot akkor a tükörképét kell kinyomtatni! Mert a terv most nyák oldali és vasalásnál megfordul! A nyomtatásnál a Layout ablakban ez is be állítható!
Szia
Elnézést a késői válaszért, de közben dolgozni is kellett egy kicsit. Az S20 nagyobb teljesítményű, de az S14 is megfelel. Azt akarod mondani hogy a szabályzó feszültség nem stabilizált? Ezen csodálkozom,mert még olyan gyári inverterrel nem találkoztam, amelyiknek a szabályzó feszültségét ne stabilizálták volna.Egyébként megszokott szabályzófeszültség ellátási mód, hogy a gép a hálózat felől csak a beinduláshoz kap tápot,utána a főtrafó 1 menetes tekercse látja el árammal a szabályzókört. Természetesen stabilizáltan.Ennek a teljesítménye viszont már nem 2W hanem sokkal több, csak az egyenirányító dióda és a stabilizátor teljesítménye határolja.Tehát a szabályzó feszültség csak hiba esetén eshet le, s ez, -mint láthattad az áramfejlesztős üzemnek köszönhetően- a gép meghibásodását okozza. Az UC 3845 IC-t kiszolgáló műveleti erősítőnek is szüksége van referencia feszültségre, ez viszont csak stabil lehet.
Szia
megnéztem, és tényleg nincs benne stab IC, van néhány teljesítménytranyó (tip 122) Le is fényképezném, de nincs itt a gépem sajnos. néhány ellenálláson és fesz osztón, és diódán keresztül kap a 24V ból 16,9 voltot mértem most, a még beépítetlen IC helyén. Most viszont meghozták az IC-t, gyorsan berakom és kipróbálom. Ha nem jött be, buktam egy 500-ast. ![]() köszi, üdv
Szia
Sikerült! működik. kipróbáltam, jól hegeszt Mégegyszer köszi az interaktív segítséget. szép napot
Ha felületszerelt, akkor előfordulhat hogy kettő db zenerrel oldják meg a stabilizálást. de nem ez a lényeg.
Ha beforrasztottad az IC-t ,akkor szkóppal az IC lábain nézd meg az IC adatlapján(vagy a gyártó honlapján található application note-ban) látható hullámformákat kapod-e? Ha ott minden rendben,akkor a meghajtókörön haladj végig, jelentős jelalak torzulás nem lehet! Ezeket a méréseket mindig a 230V-os táp nélkül végezd,mert van gyártó,amelyik nem szigeteli el a főáramkört a szabályzó körtől! Ha a kapcsoló tranzisztorok gate elektródáin is megvan a vezérlőjel,értéke nem kisebb az alkatrész adatlapján megadott minimális értéknél,akkor, és csak akkor próbáld ki a hálózati dugó bedugásával.
OK!
Örülök a sikerednek! További sikeres javításokat!
Üdv!
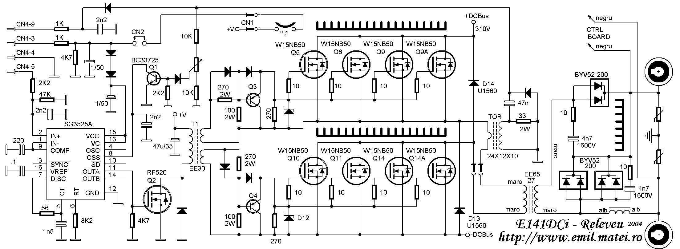
Ebben a kapcsolásban a leválasztó trafó után milyen pnp tranyót illetve diódákat illene használni? Dióda 1N5819 tranyó BD140 lehet? Vagy szerintetek mit? Előre is köszi a választ!
Tubi56 a tab rajzához nincsen véletlenül nyákrajzod? Vagy legalábbis a vezérléshez? Előre is köszi.
Az se baj ha nem smd alkatrészek vannak benne. Bővebben: Link
Hát meg izzasztottál mire megtaláltam! Megvan, bár ez is kézzel rajzolt, külön modulon van a vezérlés, ami függőlegesen csatlakozik az alaplapba, ahol a fő trafó ETD59 van a diódák hűtőn és IGBT-k szintén hűtőn ezen van még a teljes táp is! Hát remélem eligazodsz rajta! A rajz fólia oldali!
A 10 és 1 OHm-ok smd
Sziasztok! Azt szeretném kérdezni ,hogy az antistick-be a PS vagy az SFH optó helyett jó-e a TIL111?, mert ezt találtam hirtelen itthon a fiókban.
Előre is köszönöm a választ!
Igen,az is jó,csak nézd meg a lábkiosztását,valószínű,hogy módosítanod kell a panelt,ami a fórumon megjelent,vagy a TIL111-nek megfelelően alakítod ki.A TIL111 bázisával (6. láb) is kell kezdened valamit,nem lóghat a levegőben,kell rá egy lehúzó ellenállás,ha jól látok,kb. 10k,hogy amikor az opto ledjén alacsony lesz a fesz a tranzisztora biztosan zárva legyen (nem vezet).
Köszönöm a gyors választ, én is úgy emlékeztem ,hogy a bázisát lekell húzni földre ,de biztos ami biztos. Amúgy készülget a gép lassan de biztosan halad. A végfok nyákterv már 90% állapotban van az áramváltó és a bemeneti szűrő trafóit már megtekertem most jön a kimeneti folytó.
Gábor a menetszám számításról kérdeznék egy két dolgot töled amit ebben(#462076) a hsz-ed ben említettél pl: az Umax az ebben az esetben hány voltot jelent ,a max indukció ha jól emlékszem ezeknél a magoknál olyan 0.2T ,de javítsál ki ha tévedek. Üdv:Gyurika
Most nézem,sajnos hibás a képletem!
Az orosz kolléga számításából arra jutottam,hogy Umax=280V és a B=0,4.Ő még a 220V AC értékkel számolt.Tehát n=280v10000/(2x5,4x35000x0,4) Tovább:n=2800000/151200 == 18,52=19 menet A 280V=(gyök 2x220V)-10% A mi 230V hálózatunkra nézve és számolva is elég a 19menet,de a 20 is jó.
Köszönöm a kielégítő választ! Közben elkészültem a "bemeneti kondi,relés,tekercses"panellel is.
üdv:Gyurika
Üdv!
Azt szeretném kérdezni, hogy miként lehetne a gate trafós megoldást és a mosfet-eket házasítani, az igbtk helyett? Opto kaput kerülni akarom, pénzem sincs rá, de van rakat IRFP460-am és marad a gate trafó. Tudom belinkeltétek a 160A-es gépet ahol opto és totem pole meghajtás van de azt ki szeretném hagyni és volt még egy link amihez beszúrom a képet, ezt én összeraktam dugdosós panelon és nem jön ki teljesitmény a gatekre persze a Gábor féle vezérlés volt előtte. Szóval valakinek valami ötlete lenne? Megköszönném! Üdv
Én egyenirányítanám a gate trafó kimenetét, raknák rá egy puffert, és egy npn-pnp emitterkövetővel oldanám meg a meghajtást, a vezérlőjelet pedig az egyenirányító elől szedném.
Így az energiaátvitel és a vezérlőjel átvitel egy trafóval megvalósítható.
Próbáld meg inább ezt összrerakni, én ZTX753,653-at tettem bele 3-4A töltő, kisütő áramot mértem 1ohm-22nF műterheléssel.
|
Bejelentkezés
Hirdetés |





A 10 és 1 OHm-ok smd 








