Fórum témák
» Több friss téma |
Mielőtt kérdezel, a következő két dolgot ellenőrizd!
I. A helyes tápfeszültségek megléte.
II. A kimeneten van-e egyenfeszültség.
Élesztés.
20 fokos?? Nyár van...! Mit csinál ez, hűt?
Szerintem nyáron ha valami csak 20 fokos annak örülni kell
A szobahőmérséklet is több szokott lenni.. hogy lehet 20 fokos?
Nem tudom menyire idevágó téma, de ebben még új vagyok.. Letöltöttem egy szkóp progit és ki szeretném próbálni az újonnan elkészült erősitőmön.
Nem vagyok tisztában hogy kell a pc-re kötni.. Az stimmel hogy egy jelgenerátor progival ráküldöm a jelet a hangkártya kimenetén az erősitőre, de a mérést hogy oldom meg? Az erősitő kimenetét ha rákötöm a hangkártya bemenetére akkor nem fog sokkot kapni a hangkártya? Valami ellenállással gondolom le kell redukálni nem? Mivel csatoljam vissza?
Lehet leköltözöm a pincébe. Nálunk ott 15 fok van nyáron
Ha beüzemelem a cuccosokat akkor több lesz
Sziasztok!
Az lenne kérdésem, hogy milyen műszerrel, lehet kimérni egy erősítő RMS teljesítményét? Egyátalán kilehet mérni? Köszi előre is!
Legegyszerűbb a tápfeszből számolni /becsülni/
Tegyél egy (4-8Ohm) műterhelést az erősítő kimenetére, majd a bemenetére adj színuszjelet (lehetőleg akkorát amit még mér a multimétered. (pl 100Hz)
Mérd meg a maximális feszültséget rajta, a kapott értéket négyzetre emeled, és osztod a műterhelés ellenállásával.
Sziasztok!
Az lenne a kérdésem, hogyha egy erősítő 8ohm-os hangfalon 2x150W RMS-t ad le, Akkor az 4ohm-os hangfalon mekkora teljesítményt ad le? Szerintetek elbírná a 2 db 4ohm-os 200W-os hanfalam? Válaszotokat köszi, és sürgős lenne! Nagyon köszi előre is!
Szia!
Az erősítő bírja a 4 ohm-ot? Ha gyári keress rá az adatlapjára.
Szia
A szkóp rogik többnyire a számítógéped LINE IN bemenetén várják a jelet. Oda tenned kell egy potmétert, vagy ellenállás oszót, annak függvényében, hogy mekkora jelet szeretnél mérni. Nem vagyok benne biztos, de mintha valahol azt olvastam volna, hogy erre a bemenetre maximálisan 5V köthető. Ennek azért még nézz utána.
Köszi.. Potit fogok használni.. Jelenleg azzal küzdök hogy minden búg.. valószínű földhurok, de azt viszont nem értem, hogy miért búg. Egy fadobozba van az erősítő bedobozolva, és a fadobozon van egy fém zsanér. Ha hozzáérek a fémhez hallani a hangszórón.. ?
Az erősítőd konnektoron keresztül le van földelve? Ha igen, akkor szüntesd meg, a PC-den keresztül lesz leföldelve. Erősítőn belül a jelkábelek árnyékolását csak egyik végen kell bekötni. Nézz át mindent, kövesd végig a bemenő jel negatívját is hogy a két ér árnyékolása nem alkot-e földhurkot.
hali szeretnék egy 2*250w erősítőt építeni tudnátok egyszerű rajzot adni nyákkal együtt
Erősítő nincs konnektoron földelve.
Nem értem... A jelbemenő kábelek árnyékoltak, de 2 eres, olyan hogy az árnyékolás rész a Gnd. Valószinű kontakthiba lesz a PC jack kimenetén.
Bocsi ezt elszúrtam, erre akartam válaszolni:Bővebben: Link
Hello!
Idézet: „majd a bemenetére adj színuszjelet” Pontosabban olyan nagyságú szinusz jelet, ahol, még az erősítő kimenete nem torzít. (Ez egy szkóppal mérhető, vagy esetleg a hangszóródat is használhatod hozzá, egy 47..100ohm-os soros ellenállással.) üdv! proli007
Az nekem se volt túl világos...
Én úgy mérek teljesítményt, hogy műterhelés (nekem 18ohmos ellenállások vannak párhuzamba kötve, 9 és 4,5ohm-okat tudok létrehozni) a végfok kimenetére, a műterhelésen multival feszültséget mérek AC állásban. Ugyanide a szkópot is ráakasztom. Amikor szemmel látok egy hangyányi kis torzulást is az 50Hz-es szinusz jelben amit adok rá a generátorból, akkor megnézem mekkora feszültség jön ki a végfokból. Majd ugyanennél a poti állásnál mérek egy áramot is, tehát kikapcsolom a végfokot, a műterheléssel sorba kötöm a multit, AC árammérés állásban megmérem a kimenő áramot. Megkaptam a feszültséget és az áramot is, ezt összeszorzom, és viszonylag pontosan így megkapom a végfok teljesítményét.
Zolikám, ha ismert a feszültség (azt méred), és ismert az ellenállás, az áram számítható ( Ohm törvény). A számított áramot szorzod a feszültséggel, megkapod a teljesítményt. Ezt egy képletben összevonva kapod a P=U^2/R képletet, amit igen gyakran használunk.
Csak biztosra mentem
Ezek szerint eggyel többet mértem eddig.
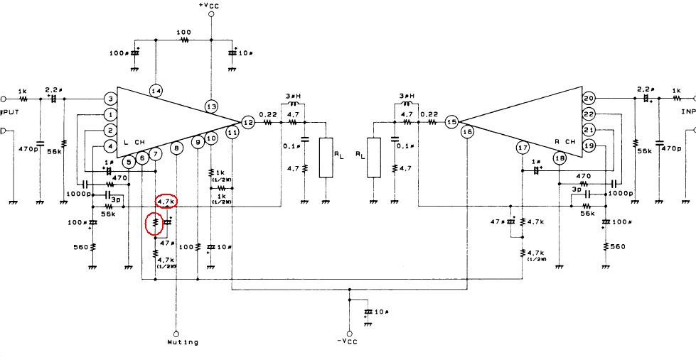
Hali!
A csatolt rajzon bevan karikázva egy elko kondi, egy STK végfok IC adatlapjában van ez a kapcsirajz. Annak a kondinak nem fordítva kéne lennie? Tehát a '+'nak az IC lába fele kell néznie?
Továbbá a bekarikázott ellenállásokból, az a 4,7k ohm-os, azokból csak az alsó 0,5W-os? A jobb oldalt is van, csak ott nem karikáztam be...
Szia
Válaszolni nem tudok, de megkérdezhetem, hogy melyik STK IC ez?
Láttam már így-is úgy-is... Ha a mérnökök úgy rajzolták akkor az biztosan úgy a jó. (STK402-120, 465)
Szerintetek melyik a legszebb hangú STK végfok, ami 8ohmon lead 2x70W-ot? Elnézegetve a karakterisztikákat, elég soknak van a mélytartományban erősítés csökkenése. (20-40Hz)
Hello!
Egy elkó polaritáshelyes bekötése, mindig attól függ, hogy hogyan alakulnak a potenciálok. Tehát a polaritász a potenciálnak megfelelően kell bekötni. Tehát ezzel arra akarok utalni, hogy ha az előző (meghajtó) fokozatból pld. + polaritású DC feszültség is van, akkor így helyes az ábra. (De lehet nem ezt kérdezted. Itt jelen esetben feltételezve, hogy a bemenetre a váltófeszültségen kívül DC feszültség nem érkezik, teljesen mindegy, hogy hogyan rakod be a kondit. Az 56kohm gyakorlatilag nulla poteciált visz a kondi "-" lábára és a bemeneten is ez van. Én egyébként ide egy fólia kondit tennék, annak sokkal jobb a minősége, mint az elkónak. Egy elkót, csak akkor célszerű használni, ha a kapacitás nagysága nem enged mást alkalmazni, és/vagy DC feszültség is lesz a két összekötendő pont között. (Annak ellenére, hogy a 4,7Kohm-nál csúcsban 620mW-ot számolok, én 0,9W alatt nem tennék oda ellenállást, már csak a +-54V feszültség miatt sem.) üdv! proli007
Köszi!
Esetleg ha sikerül bontani akkor kap fóliakondit, boltban jó drága Amugy ilyenre gondoltál: Bővebben: Link ?
Jóestét mindenkinek!
Van nekem egy TDA7566 IC-m és szeretném összeépíteni, ehhez kellene nekem valami egyszerű kapcsolás. Googleba keresgettem, de nemtaláltam csak lábkiosztást és nemtudom mikell még hozzá, hogy jólegyen. A válaszokat előlre is köszi!
Hali!
Szerintem keress másik IC-t, mert ezzel nem lesz egyszerű dolgod. Ugyanis I2C-n kommunikál, vagyis nem csak úgy működik, hogy fogsz néhány kondenzátort meg ellenállást, és rákötöd a bemenetet, meg a hangszórókat, adsz neki tápot, és már hallgatod is. Szóval kell hozzá egy mikrovezérlő, vagy valami olyasmi, ami I2C-n keresztül beállítja a működését. - szerintem... |
Bejelentkezés
Hirdetés |






