Fórum témák
» Több friss téma |
Sziasztok!
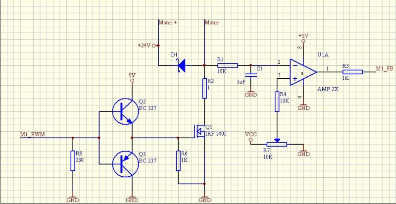
Légyszives nézzétek meg, hogy a mellékelt kapcsolást jól rajzoltam-e meg.Ha esetleg hiba van, vagy netán az egész rossz, légyszives szóljatok. Ja, és még azt szeretném megkérdezni, hogy ez jó-e lenne bele. Üdv
Sziasztok!
Egy kicsit átalakítottam, vessetek rá egy pillantást.A kérdésem még mindig ugyanaz: jó vagy nemjó. Üdv
Szia! Köszönöm! Átrajzoltam, ahogy mondtad.
Még egy olyan kérdés hogy: -a potit hogyan kossem be? -mekkora poti kell? -mi a 2 diódának a szerepe a potinál? -és hogy a lendíto dióda hova keruljon. Bocsánat a sok kérdésért, de érdekel a téma. .
Sziasztok!
Az lenne a kérdésem, hogy vajon milyen típusú smd fet mehetett tönkre ebben a ketyerében? Ez egy bosh psr 1200-as akkumlátoros fúrónak a fordulatszám szabályzó része. Vagy ha tudnátok ajánlani hozzá való smd fetet azt megköszönném. Az is érdekelne, hogy mi alapján kell helyettesítő fetet választani mert ezen pont a számsor durrant el? Köszönöm a válaszokat!
Nincs egy rossz PC alaplapod (atx), amin van fet, próba erejére kipróbálhatnád, ha működik vele, akkor maradhat
szia, tippem szerint valami hasonló lehet, hogy P vagy N típusú azt nem tudom ki kellene mérni.(P-t valószínűbbnek tartom)
PMOSFET N eset most nem tudok, de meg kell nézni mekkora áramot enged a motor full-ra feltöltött akkunál, és ahhoz választani.
Szia! Erre a szabályzó egységre az volt írva 12V 20A
Tehát akkor 20 Ampernál nem lehet több szerintem. 160 amperórás aksival külték meg azér ment tönkre. Nem tudom a rosszat hogy lehetne kimérni?
úgy,hogy az N fet gate-ját minimum +5v al húzza magasabbra az elektrónika, mint source-t. A P fetnél meg -5v al alacsonyabbra.
a fel vagy lehúzó ellenállást kell megkeresni, ami a gate lábán van hogy hova húz, földre(NFET), vagy bemeneti feszültségre(PFET). érdemes nagyobbat berakni, azon a pár forinton nem múlik az életed, talán .. és egy picivel erősebb is lesz a moci..(nem észrevehetően)
Szia!
Én még P csatornás MOSFET-et nem láttam szabályzóban! /P csatornás FET-ek még nem olyan kifejlettek, mint az N csatornásak, és meghajtani is nehezebb őket, mert nagyon tápfesz függőek.../ Lehetőséged nyílik arra is, hogy kivezesd a FET 3 lábát, sok furdancsban külső FET van hűtőbordán, és akkor egy mezei IRFZ44 megfelel neked, de bármilyen 20-30A-es a IRF-IRFZ sorozatból, a 12v-ot mind tudja, még impulzusonkénti fesztullövések esetére a 25v-ot is... Amúgy nem azért ment tönkre, mert 160Ah-s akksiról ment, hanem mert bizonyára túlterheltétek, és nem esett le a fesz, megvédendő a vezérlést, és a motort... Ha erősebb szabályzást teszel bele, a következő a motor lesz!
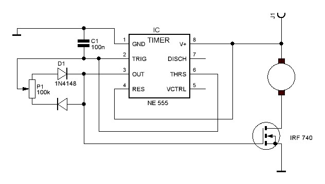
Köszi a segítséget! Ithon van IRF 530-asom és azzal kipróbáltam mert építettem 555-el egy kapcsolást de marhára felforrósodott pedig raktam rá hűtőfület is.
Esetleg ez nem való ilyen helyre?
Szia djgombi!
A #466554. hozzászólásodban feltett kérdésedre válaszolva azt javaslom, csak olyan FET-et keress amelyik logikai szinttel vezérelhető. Ezt onnan tudod,hogy a típusjelzés végén van egy "L" betű. Én még csak "N" csatornás FET-et láttam szerszámgép hajtásszabályzóban.A logikai szinttel való vezérlés azt jelenti, hogy akár 5V-ról is képes bekapcsolni, ellentétben a normál FET-tel, a normál FET-ek stabilan csak 10V felett működőképesek.
Üdv a szakiknak!
Végig olvastam sok-sok topikot, és nem vagyok még mindig biztos a dolgomban. Próbáltam leszűrni a lényeget, kiszedni a jó, használható dolgokat. Azt szeretném csinálni, hogy PWM -mel meghajtani egy 18V-os motort (Akkus fúróból bontva), és figyelni az áramfelvételt.(ha pl. megszorult) A PWM jelet egy Atmel AVR állítaná elő, és figyelné a motor áramát. Kérdés: - Az áram figyelő áramkör jó így? (csak egy előre beállított érték felett jelezzen) - Kell a tranzisztor pár? Az AVR nem tudná meghajtani a fet-et direktben? (a Mega8 doksija azt írja, hogy 200mA ~5V ami kijön) - Ha kell tranzisztor pár, elegendő az 5V? Hirtelen ennyi. A válaszokat előre is köszönöm. Atesz
Szia!
a problémád megoldható 1 db 494-es IC-vel, ami a fet áramát is figyeli, tehát a pwm jel mellett az áram limitet is lehet állítani... google a te barátod
Nos valóban. :google:
De ez egy távirányítós kapunyitó lesz. Tudom van olyan topik is, de kérdésem szorosan a DC motor PWM szabályzásához kapcsolódik. A felhasználási terület, egy más kérdés. Szóval a motor akkor szorul meg ha elakad a kapu. Akkor a procinak dönteni kell mi legyen. Valamint a kapu nyílási sebességét (gyosítás, lassítás) szintén a proci dönti el. A TL494 analóg bemenetét az AVR rel meghajtani..!? (a potira gondolok) És hogy kapok visszajelzést a motor áramáról? Ezért nem gondolkodtam gyári fet meghajtóban. Az előző kérdéseim még mindig állnak. :whistle: Köszi a segítséget. Üdv. Atesz
Sziasztok bocsánat, hogy ide is beteszem a kérdést de már nagyon rég óta nem veszi észre senki a másik fórumtémában és mivel készül a PWM szükségem lenne erre a segítségre.
Van egy nagy áramú dc motorom 24V 1,5KW üresjárati árama 20A. Ha egy változtatható feszültségű nagy torroid tápegységre kötöm (ez egy nagyon nagy szabályozható feszültségű torroid trafó -biztosan láttatok már ilyet), akkor a trafón üresen állítsam be a 24V-ot és aztán kapcsoljam rá a motort (ekkor a 20A terhelés miatt valószínűleg leesik a feszültsége a trafónak) vagy a motoron mérjek feszültséget és addig szabályozzam a trafót míg 24V-ot nem mérek? (ebben az esetben a terhelt trafó már lehet, hogy 40V-ot is lead csak terhelten mérek 24V-ot rajta) ...és épp erre lennék még kíváncsi, hogy ha terhelve mérek egy bizonyos feszültséget rajta az valóban annyi is vagy közben sokkal magasabb feszültséget kap a motor-hogy van ez??? előre is köszi...
Amit terhelés közben mérsz, az a jó érték. De persze itt attól is függ, hogy pontosan mi lesz, mert az egyenirányítás után ha ott a járó motor, akkor magasabb feszültséget fogsz mérni, mint ugyanakkora áramot felvevő izzó esetén (a motor a színusz völgyeiben indukál feszültséget, és emiatt a feszültség középértéke magasabb).
De írd le pontosan, hogy mi is akar ez lenni, mert a PWM-et nem látom, hogy jön a dologba, ha a trafóval szabályzol.
Szia.
Az egész abból indult ki, hogy nagyon gyanús volt a 20A-es üresjárati áramfelvétel. Menetzárlatra gyanakodtam, mert a neten az 500W-os motornak az adatlapja szerint 2,3A az áramfelvétele, így egy 3szor akkora teljesítményű motornak gyanús a 20A! A trafóra lett kötve és a motoron lett mérve a feszültség (24V-ig lett feltekerve) amikor elszállt valami a motorban utána furcsa kattogó zaja lett... ezért gondoltam, hogy talán üresben kellett volna a 24V-ot beállítani a trafón és úgy rákötni... A Pwm úgy jön ide, hogy ha hibás a motor akkor a pwm-et is tönkrevágja pedig az drága mulatság... Mi a véleményed?
Egy kis ajándék, akinek netán szüksége lenne rá:
Ehhez: Nyákrajz és a kapcsirajz, kis módisítással, Eagle formátumban.
a 494 es IC a bementére kötött 0- kb 3,2V feszültséggel a pwm-et 0-96% ig áttítja.(vezérelheted a pwm-et feszültséggel) Az Áram egy sönt ellenállás és egy komparátorral megoldható, ha megszorul a moci akkor a komparátor átbillen, és jelez a avr-nek....
Ez rendben is van, de az AVR-nek nincs analóg kimenete. (tudtommal)
Megcsinálom a PWM-et AVR-el A FET -meg meghajtom direktben az AVR-el. Majd kiderül jó lesz é. FBI CIA KGB stb... (csak még néhány 3 betűs..)
PWM-et megszűröd RC szűrővel, és ott az analóg kimenet...
Hali!
AVR-hez nem értek , csak pichez, de ha ez is egy mikrokontroller, akkor a kimeneti logikai magasszint (3 vagy 5 Volt) ezt kell csak leosztani ellenállás osztóval, két kimenettel 2 sebesség állítható be.... Ha az avr-ben van pwm periféria, akkor adott a helyzet. ....
Köszi a válaszokat.
Megoldottam! Atmel direktben hajtja a Fet-et. Nagyon baba PWM jelet állít elő. A motoron nézve már van "némi" zaj.. De egyébként nagyon pöpecül muzsikál!
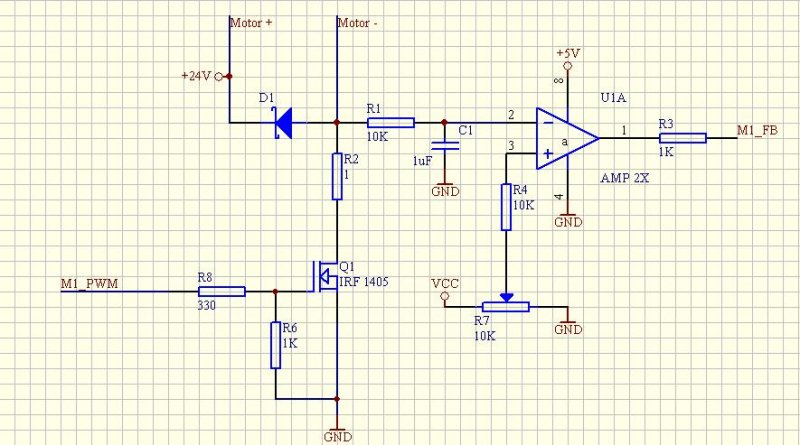
Ez megfelelő lenne egy lada ablaktörlő moci pwm szabályzásához? Mit változtattál és miért? Köszönöm
Sziasztok!
Modell hajót építek, amit 2db egyszerű 6V-os DC motor hajtana meg, így az előre/hátramenethez és a kormányzáshoz is kell szabályzó, de a bolti autós szabályzókkal szemben nekem elég lenne 10A-es. Legszívesebben építenék magamnak, de előtte lenne egy kérdésem, és hozzáértők őszinte válaszait várom: alap elektronikai tudással, úgy, hogy nem értem, amikről itt beszéltek, kapcsolási rajz, NYÁK terv, és más instrukciók után össze tudnék rakni egy ilyen szabályzót? Örülnék, ha igen lenne a válasz, türelmes szakemberek segítenének nekem ebben ![]() Előre is köszönök mindent! Üdv |
Bejelentkezés
Hirdetés |












A felhasználási terület, egy más kérdés.






