Fórum témák
» Több friss téma |
Tudnátok nekem segiteni??
Kéne nekem egy zéner diódás feszultség stabilizátor áramkörének a kapcsolási rajza. email.:jurimpexbt@monornet.hu
Szia!
Csak zéner és egy ellenállás? Vagy más dolgokra is gondoltál hogy legyenek benne? Üdv: Zsolti
HÁt nekem egy olyan kéne h van egy 12V os aksim...és arrol szeretnék muködtetni 2 ledet...mivel az aksi töltés alatt van és nem mindig ugyan akkora feszultséget ad le azért kéne fesz.stab.
persze a led elé ellenálás is kell igy tudsz segiteni??
A ledet sorba akarod kötni v. párhuzamosan?
A fényerőt próbbáltad hogy mennyivel változik ha csak egy soros ellenállást raksz 1 LED elé? A LED hány miliamperes? A legegyszerűbb megoldás ha nem stabilizálsz: egy potit bekötni (1,5k) sorba egy LED diódával és egy árammérővel. A potit utána megméred és kecseréled egy ellenállásra. 20-30mA es LED-re írtam a poti értékét. Az ellenállás teljesítményére vigyázz (P=U*I). Ha a képlet érdekel az előtétellenállásra: R=(Ut-Ul)/Il Ahol: R: előtétellenállás értéke, Ut: tápfeszültség, Ul: led feszültsége, Il: LED árama. Esetleg egy link: Méretező Tudomásom szerint létezik 12V-os LED is. Ha zéner diódával stabilizálsz akkor 2 ellenállás kell 1 zéner és 1 LED. Választol egy szép feszültséget Pl.: 5,1V erre méretezel a LED áramának függvényében egy előtétellenállást. A zéneres stabilizátort 5.1V-ra méretezed a kimeneti áram kiválasztásánál a LED áramával kell számolni. (A LED és a zéner teljesítményét ellenőrizd mert különben füst és tűz .Üdv: Zsolti
Nem hiszem, hogy különösebb fényerőváltozást okozna a töltött-kisütött állapot közti 3-4V-os feszkülönbség, persze ez attól függ, mire használod magát a LED-et.
A zéneres megoldásnál is függ némileg (persze sokkal kevésbé) a "stabilizált" fesz, a bemenőfesztől, hiszen változik a zener munkapontja. A korrekt megoldás egy tranzisztoros áramgenerátor, vagy egy kis 78L05 stab IC alkalmazása. Erősen hangsúlyozom, hogy ilyen megoldásoknak inkább méréstecnikai alkalmazásnál van létjogosultsága. Az abszolút korrekt véglet, amit pl a lézerdiódáknál, analóg optóknál használnak az a kibocsájtott fény intenzitásának monitorolása és ennek alapján az áram folyamatos korrigálása.
párhuzamosan akarom kötni a ledeket.az egyik 3.3v 20mA a másik 5v és 30 mA
a ledek elé gondoltam 1-1 ellenállást ami a megfelelő áramot átengedi csak a zénert nem tom hogy kell bekötni?? szimplán elé?v hogy? üdv.david
csak egy zennerel sehogysem fog összejönni..
és ha az egyik dióda kifigyel (esetleg mindakettő) akkor annak az árama is a zenneren folyna.. ha nem lenne elötte zennerfüstölés...(ha ledek nélkül adsz rá tápot akkor is ez lesz) sztem ecerűbb ha veszel egy 7805öt.. 5V stabil arra rádobod az 5V os ledet, meg egy R el sorba a másikat (vagy 68 vagy 82 ohm al..ha tucc szerezni 75 ohmosat akkor azzal...) sztem..
szal akkor szerintetek kössem sorba a ledeket?
olyan nincs h nem lehet megoldani ic nélkul...
gulyi szted mit kéne még a zener mellé berakni és hogyan?? mert gözöm sincs
így nem jó? :nezze:
:nemtudom: üdv :awink:
Szabi, ez is tökéletesen megfelel, de a tranzisztornak is van 3 lába, zener, ellenállás kell, szal sztem mégis a 7805, mert az csak 3 láb
köszi a válaszokat...de sajnos most nemtok IC-t venni szal zener diodával akkor semmi féle képpen nem megoldhato????
dede..
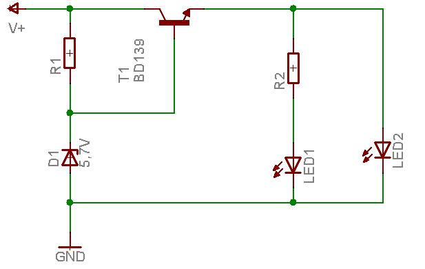
zenent +tranyó lényegében szinte ugyan az mint a 7805soros áteresztőtranyós stab. alapkapcsolás... R értékét számolni kell [(Utáp-UZközép)/(IZkiözép+Ibázis)] naggyából .... tranyó lényegtelen.. NPN es legyen és bírja a ledek áramát.. ennyi
led2 az nem fog meghalni? mien led az amelyik 5 voltos, ne tévesz meg olyanokat szerintem akik még kezdök.
hogy érted h mien led??
10mm piros viztiszta
garaj aszonta 5 voltos
ha nem akkor a zennert kicsaréled 3,akárhány voltosra és nem kell R a ledekhez (3,7 volnál nem kéne nagyobb legyen a zenner.. inkább kisebb )avagy ha nem ugyanolyanok a ledek akkor marad a 5,7V zenner... és a ledek elötti Rt kiszámolod [(5-Uled)/Iled] (egyéni vélemény hogy jobb ha megméred a leden eső/folyó feszt/áramot a kíván fényerőnél....) csá
KÖssz szépen a segitséget mindenkinek!!!!!!!!!!!!!!!!!!!!!!!!!!!4
zener diodakat lehet sorba kotni?
nekem olyanra lenne szukségem hogy 3-4.2V koruli feszultséget kellene 2V ra alakitani olyan 100mA kellene teahat az a tranyos megoldas kellene amit gulyi88 toltott fel ehhez kb hany ohm os ellenallast hasznaljak (4-2)/(?+?) hogyha ezt hasznalnam?
van 2V os zener? azzal jobb lenne mint 2 1V os sal itt nekem a tomeg is szamit
nah akkor 2,7V zenner (ekkor lex a kimeneten 2V)
BC182 rtanyó az R meg zenner függő.. sztem 1,2K (tipp 1mA zenner árammal a tranyó bázisárama nem sok vizet zavar) de ha kisebb Izmin akkor [(Utmin-Uz)/Izmin] kisebbel nem fog menni...
kicsit elszámoltam lol
300ohm 1mA es zeneráramnál
hm tehat az R1 az 300ohm,Zener 2.7V es egy BC182 rendben holnap elszaladok a boltba :yes:
zener bekotes azok a labak "azok" a labak?
Hali!
300 Ohm sok, nagyon sok! Méreteztem neked egy kapcsolást, ezt is kipróbálhatod! Üdv!
jah jók a lábak
lehet hogy kisebb R is kellhet de lehet hogy nagyobb még az is lehet hogy jó a 300 ohm mindenképpen kisteljesítményű zennert kérj.. és ahot kell majd az R..
veszel ZPD2,7 et annak 5mA az Izmin
vagyis R=60ohm
Így van!
Végre van egy kis egyetértés kolléga! Minden jót! |
Bejelentkezés
Hirdetés |




.


lényegében szinte ugyan az mint a 7805
300ohm 1mA es zeneráramnál 




