Fórum témák
» Több friss téma |
Na végre megszólalt
!! Igaz még csak nyák nélkül de ez már ígéretes )
ez nekem szolt?
Na végre, ennek örülünk !
Ha még be is tudod majd a későbbiekben dobozolni , akkor van egy egész szépen szóló kis erősitőd . Üdv Sanyi. :yes:
HELLO MINDENKINEK!
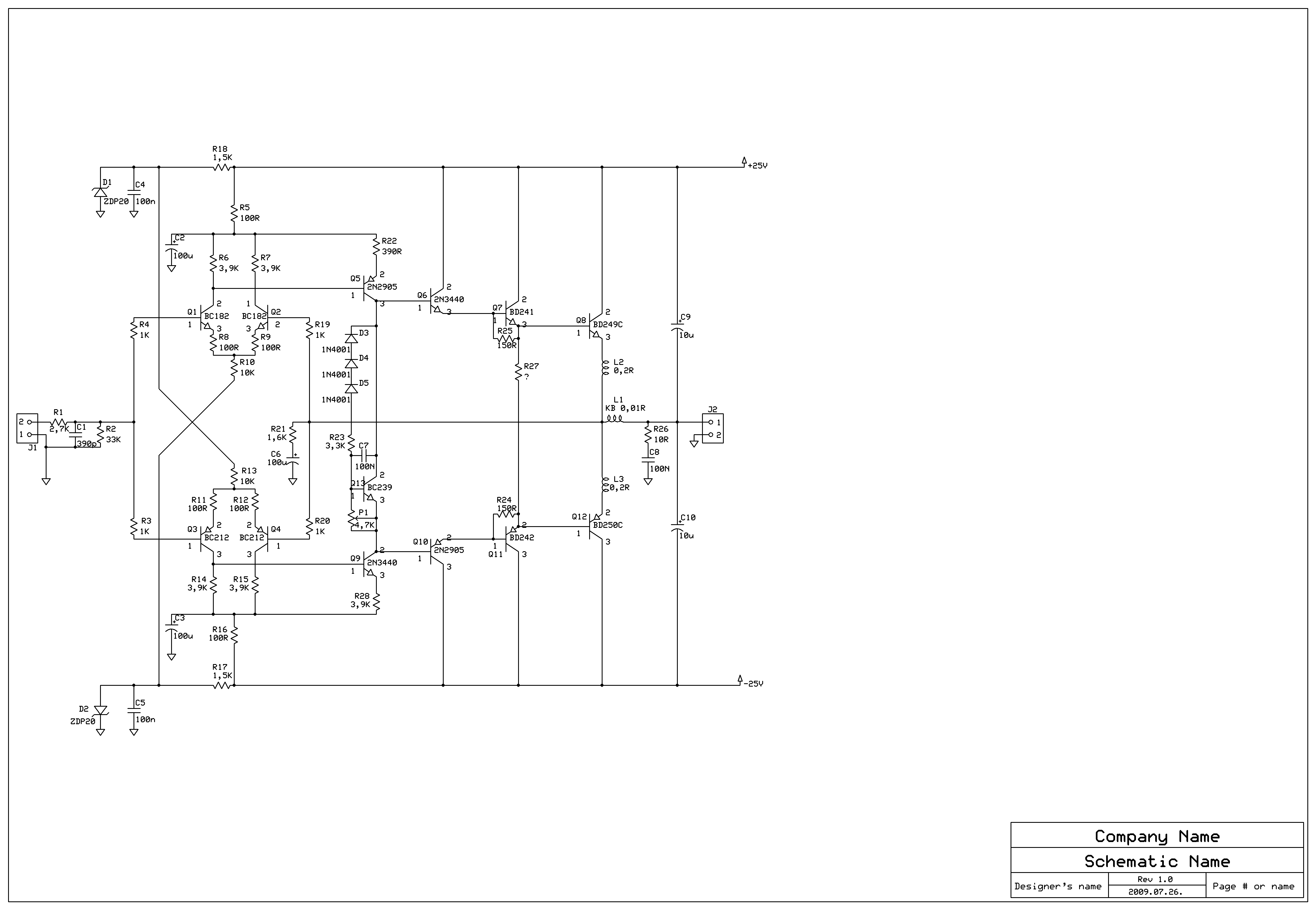
Bocsi de lenne egy olyan kérdésem hogy valaki nem ismeri véletlen ezt az erősítő kapcsolást??? Egy régi barátomtól kaptam és kicsit kikészült ,viszont nem biztos hogy jók az ellenálás értékek mert azok némelyike megsült ennyit tudtam megmenteni... Egyébként kb 120w és meghalgatva majdnem olyan szép a hangja (volt) mint egy csövesé.... Ajánlom mindenkinek az utánépítést. (megéri) Rajz mellékelve. Előre is köszike!
Szia.
Ugyanazokkal az alkatrészekkel raktam össze. Biztos hogy a nyákkal van valami, de még nem volt időm jobban átnézni.
Hello
szerintem D3, D4, D5 diódák fordítva vannak kötve, ( és talán nem is szükségesek) ami miatt megint el fog füstölni, ha bekapcsolod. R27-el lehet beállítani, hogy a nagyBD-k mikor lépjenek be én olyan 50mA-nél léptetém be, ehhez olyan 18-22 ohm kell.
azt hiszem R21 és a kimenet közé még kellene egy kb 39K-os ellenállás.
nem nézem tovább mert még mondtok valami csúnyát...
Szia!
Türelem! Meg lesz az a hiba. A többi meg majd kialakul! S az már fél siker ha a deszkamodell működőképes! Mert van egy referencia áramköröd a mérésekhez...
Na hali! miért mondanál csúnyát???
ez a kapcsolás így ahogy van eddig totál jól müxött egyébként a védelmi cuccokat direkt nem vettem fel a rajzra Csak az a bökkenő hogy dunsztom sincs hogy ez név szerint milyen erősítő lehetett valaha. És szeretném újra megépíteni csak egy félig szénné égett panelról elég nehéz kisirabizálni hogy mi micsoda lehetett valaha... ezért kérdeztem hogy láttatok e ilyet valaha valahol... Ja egyébként a diódák így voltak bekötve és a hűtőre keményen fel voltak szilikonozva.
Udv,
Elnezest, de az a kapcsolas amit mellekeltel hogy jon a TDA2030-as topikba? Egyebkent a rajz tenyleg hibas, ahogy highand is irta forditva vannak a diodak es hianyzik a visszacsatolo halozatbol 1 ellenallas.
Hi
Oké bocsi de más topit hirtelen nem találtam ,és itt láttam a legértelmesebb dolgokat ahogy végigolvastam a dolgokat. És mert nekem is van egy ilyen 200w-nak titulált TDA-m de a mérések alapján max 140w-jön ki torz:5% , ezért ez lett volna a kövi kérdésem hogy az eredeti rajzon lehet valamit változtatni szerintetek? Egyébként köszi a tanácsokat a tranyósra!
Sziasztok!
Azt szeretném kérdezni, hogy a tda2030 IC alapkapcsolásában a bemeneten szereplő 22k-s potmétert el lehet -e hagyni?
Sejtettem, hogy nem fog hiányozni
A hangerőszabályzás a végfok előtt lesz. Kösz szépen!
szeretnék segitséget kérni még csak most tanulom az elektronikát.Volt egy 5.1-es házimozi szettem amiben találtam egy TDA2030A-ast .A cuccnak annyi volt a baja mikor kimúlt,hogy nem jött belle más csak iszinyatos búgás.Mi szálhatott el mert ha ha az ic még jó akkor felhasználnám egy másik erősitőhöz.Erre gondoltam.
Üdv!
Nekem is van egy 5.1-esem, egy Trust 4000P. Abban a "mélynyomót" TDA hajtja. Ha a búgást a TDA adta, akkor annak valószínűleg lőttek.
Helló!
Lehet, hogy a kicsatoló kondi szált ell benne anno (innen a búgás), ebben az esetben a Tda2030 még nem feltétlen halt meg . A kapcsolás pedig amit kinéztél nem más mint a tda egyik alapkapcsolása azt bátran megépítheted ..
hát nagyon megköszöném ha tudna nekem segiteni valahogy mivel még én is csak kezdö vagyok
a történet a következö épitetem egy kapcsolást a kapcsolási rajzot melékeltem egyen 16v rol hajtom szolni szol azal nem is lene gond deh nyugalmi árama 1.5A a hangszoro kimeneten pedig fix 7.8 voltot mérek ami szerintem nem kéne h ott legyen a kapcsolást ugyan ugy raktam ösze ahogy a rajzon van anyi külömbségel h a két tranzisztor nem 711/712 hanem 911-912 adatlapján megnéztem nem térnek el egymástol csak teljesitményben nagyobb 3A ral tud töbet vezérelni ha valaki segitene vagy tanácsot adna azt nagyon tudnám értékelni elöre is köszöntem minden egy lelkes kezdö :eek2:
Üdv!
A kicsatoló kondi állapottát nézted ?, meg kellene vizsgálni rövidzárra . Ha az zárlatos akkor innen származhat egyenfesz....
hát a kondit nincs 1 hete h vetem deh az elöbb néztem, mértem semi baja sincs
A 7.8V-ot úgy mérted hogy volt rajta hangszóró?
Ha volt rajta, akkor nem füstölt el? Mer 7.8V DC-től elszál. A nyugalmi áram viszont aggasztó, nyilván beleszól az hogy más tranzisztorokat raktál bele. Próbáld meg változtatni Az E-B ellenálásokat, pl. köss velük párhuzamosan egy 2,2 ohmost.
Szia!
Ha a hangszórókimeneten ott figyel a 7.8V akkor a rákötött hangszórón lazán átfolyik az az 1,5A. Bár nem tiszta, mert elméletileg van kicsatoló kondi..
a 7.8v ot ugy mértem h rajt volt a hangszoró és igen ot is mértem egy áramot szegény hangszoron is majdnem másfél amper szaladgált és melegedett is szegény ezért is irtam nektek mert amugy elég szépen szol
de ha nagyobb elenálásra cserérem akor nem fog elszálni az ic?? mert ugye a két tranyo a leirtak szerint arra hivatott h 1A res terhelés felett ugymond levegye a terhet az ic röl csak az a baj h hangszoro nélül is 1A a nyugalmi áram és az valahogy nagyon nem tetszös deh amugy köszöntem a tanácsokat mindenkitöl
Szia!
A hangszórón nem folyhat egyenáram! Valamit elrontottál. Vedd ki az elkót a panelból(C6), ha úgy is van feszültség a hangszórón, valami rossz a panelon, pl. összeér két forrasztás. Ha elkó nélkül nincs feszültség a hangszórón, lehet zárlatos az elkó, vagy fordítva raktad be.
Nem olvasol figyelmesen, én nem azt írtam hogy cseréld 2,2ohm-okra, hanem azt hogy köss velük párhuzamosan 2,2ohm-ot.
Ha pedig a kimenetre tényleg kijut a DC akkor ott valamit nagyon elkötöttél, vagy a kicsatoló kondenzátorral hibádzik valami. (Esetleg nem lehet hogy fordítva ültetted be? A hangszórót a kimenet és a negatív pólus közé kötötted?)
hát az elkot kiszedtem és még igy is ugyan az a hejzet a forasztásokat átnéztem /mértem nem érnek ösze egy potit kötötem párhuzamba az elenálásokal egy 150 ohm ost deh sok változás még igyse ugyh szerintem elöröl kezdem az egészet hátha téll elkötötem valamit deh köszöntem szépen a segitséget tiszteletre méltó nagy urak
ha megint nem jön ösze akor maradok a sima verzionál a tranyo nélkülinél az is cépen col csak hét az mégse 40w Idézet: „egy potit kötötem párhuzamba az elenálásokal egy 150 Ω ost deh sok változás még igyse” Ezen nem is csodálkozom. 2,2ohm-ot köss velük párhuzamosan, ne egy nagyságrendel nagyobb potit. Tegyél fel egy fényképet ha tudsz, több szem többet lát. És kezdj valamit az írásképeddel is...
hát kis értékü elenálást nem találtam meg nagyon nincs is a potit pedig 4 ohm ig tudom álitani képet sajna nem tok feltenih deh amint lex rá alkalmam potolom
öm iráskép azaz ??
100w feletti erősítő fejlesztésébe kezdtem, kizárólag a TDA tokok használatával, azaz külső végtranzisztorok nélkül.
ha valakit érdekel, szívesen megosztom a tapasztalatokat már fejlesztés közben is. Addig is javaslom, hogy a TDA 2030, 2040, 2050, stb tokokkal senki se építsen olyan hidat, amiben a tok egységerősítésre van visszacsatolva, mert sajnos ezek az áramkörök még pótlólagos kompenzálással is tudnak gerjedni, ami a tönkremenetelt jelenti. Idézet: „öm iráskép azaz ??” A mondat elejét nagybetűvel kezd és a végére tegyél pontot. Persze a hosszú mondat elválasztására, használj vesszőt. Szerintem (#483744) pimi9 valami hasonlóra :gun: célzott.
Az írásképedre valóban figyelj oda!
Írásjelek a mondat közben, végén... ha fiatal vagy, meg is értjük, de semmire sem magyarázat, csak egy kicsit kellene odafigyelni, hogy ne az egyik legrosszabb, chat-es, MSN-es rövidítgetős stílus kerüljön előtérbe... A hasonló stílusjegyeket sem szeretjük, sokaknak a háta borsózik az ilyenektől: - deh - h - hejzet - ugyh - téll - cépen col - tok - lex - öm Szóval ezeket erőteljesen hanyagolni kéne a jövőben! Ja, és vannak szavak, amelyekben egy betűt kettőzve kell leírni. Abból is írhatnék egy legalább ennyire szép, hosszú listát... Az egész a lustaságra vezethető vissza; ha csak 1-1 betű kimaradna véletlenül, senki semmit nem szólna... |
Bejelentkezés
Hirdetés |




!! Igaz még csak nyák nélkül de ez már ígéretes
) 
A hangerőszabályzás a végfok előtt lesz. Kösz szépen!
:eek2:





