Fórum témák
» Több friss téma |
Sziasztok!
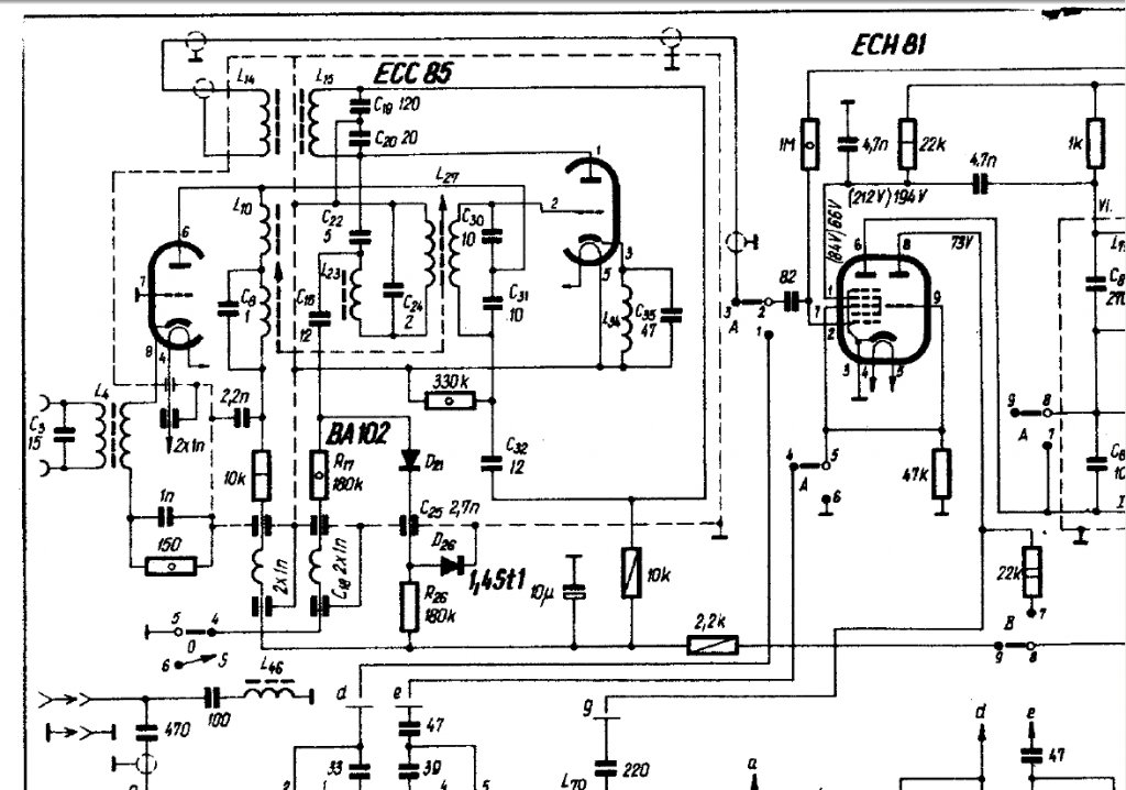
A napokban hozzám került egy régi csöves rádió,melyben az URH rész régi OIRT rendszerű így természetesen nem sok minden jön be rajta.Ezt szeretném áthangolni a nyugati CCIR rendszerűre,a kapcsolási rajzot is megszereztem hozzá,melyből tisztán kijön mi a különbség az orit és ccir.es tuner között.Ez csupán 3db Pf-os kondenzátor.Meg is vettem őket és be is szereltem,de sajnos még mindig nem jó(mostmár semmit se fog,csak zúg)... Talán a kondik tűrése és feszültsége miatt lehet?? Mert a régiben 500V-os kondik voltak 0,5%-os tűréssel ezek pedig csak 50V-os kondik 5%-os tűréssel.(de csak ilyeneket kapni)A kapacitása réginek és újnak is megegyezik. Gondoltam veszek egy freki mérőt és megmérem hol lehet a hiba,de nem tudom pontosan mit és hogyan is kell mérni egy ilyen rezgőkörben?? Ha valaki tudna segíteni a fent említett témában vagy van valami jó ötlete,rajzai stb.azt szívesen venném.. Rajzom is van az áramkörröl,hátha segít...
igen igazad van tényleg 5,már számolni se tudok
azaz inkább 4 mert 0,5Pf kondit sajnos nem árulnak,meg ennél kisebb értékűt se.Szerinted hol lehet venni,nagyon feszültségű kondikat?
jaa,csövekben kicsit kezdő vagyok,no meg rezgőköröben is...Te mit mérnél egy ilyen körben?Mely induktivitásokat és hogyan??
Szevasz!
A második rajzot megnézve, hangolása un. merülőmagos kivitelű, azaz nem a sok helyről ismerős forgókondenzátorral történik a hangolás, /aholis a rezgőkör L-C párosából a kapacitást változtatom/, hanem L tagot változtatja. CCIR sávra 0-0.5 pF-ot ad, 0 azért lehet, mert az elkerülhetetlen szerelési kapacitás is elegendő lehet. 0.6pf -ot két 1.2pF sorbakapcsolásával lehet "előállítani". De van sokkal egyszerűbb is... Mondjuk 1cm hosszú 1mm átmérőjű szigetelt huzalra elkezdesz feltekercselni mondjuk 0.4mm átmérőjű szigetelt huzalt, minél több lesz a menet, annál több a kapacitás. /Már talán 1 menet is kiadja/. A két drótvég a két fegyverzet.. Elsőre talán a bemenőkörhöz hozzá sem nyúlnék, az OIRT felső frekije már nincs messze a CCIR aljától. Csak az oszcillátor frekit vinném fel, keresve a 88MHz közeli adókat antennát használva. Ha megszólal, akkor lehetne a bemenőkörrel maximumra húzni. Aztán a sávon belüli együttfutás beállítása következik Üdv: StMiklos
Üdv! Az én tanácsom az lenne, hogy inkább ne piszkáljon bele a tunerbe, hagyja meg eredeti OIRT sávosra. Külön el kellene készíteni elé egy un. átkeverő adaptert, ami a CCIR adókat lekeveri az OIRT sávba 8MHz-es részletekben. Ezen az oldalon találja meg a kapcs. rajzot és a leírást: http://retroelektro.uw.hu/sajat/urh_konverter.html Nagyon egyszerű megépíteni és nem is kerül sokba hozzá az anyag.Az áthangolgatásról annyit, hogy áthangolás után általában felére csökkken az érzékenység, és nem is biztos, hogy tökéletes lesz. Az 1db ECC85 csővel felépített FM tunerek eleve nem nagy érzékenységűek, a helyi adásokat jól a távoliakat már gyengébben veszik. Tapasztalatból mondom, hogy nem lesz tökéletes az áthangolás mivel magam is próbálkoztam ilyennekkel. Főleg a variométereseket nagyon nehéz áthangolni, ezek a tunerek az OIRT sávra vannak kitalálva.Az áthangolás során a variométer meneteinek 1/4-ét kellene letekerni, majd az így megmaradt tekercshossz meneteit széthúzni, az átfogást csökkentő kondikat kiszedni, modulátort max.ra hangolni, mod. és osc. együttfutása, stb. ....szóval nagyon macerás, és nem is biztos hogy 87,5-108MHz-ig sikerül kihúzni az átfogást.
Remélem tudtam valamit segíteni.
Szia: én a rajzból ezt láttam, de lehet rosszul..
Nálam a variométer, /amivel forgókondi hiányában csináltam első "komolyabb" detektoros vevőmet úgy 50éve/, az két tekercs, a nagyobban körbeforog egy kisebb /banándugó réz része tengellyel és banánhüvely "csapággyal"/, így változik az induktivitása. Üdv: StMiklos
Igen lehet igazad van,de mivel ezt a rádiót exportálták nyugatra is,ezért megvolt a CCIR-es változata is,ami 87-100mhz-ig terjedt és hosszabb tartományt is fogott le.
A rajzban amit az elején mutattam csak pár kondenzátor megváltoztatása szerepelt a OIRT és CCIR norma megváltoztatására...ergo mivel ez egy kapcsi rajz működnie kellene így is,sztm a mai eltérő alkatrészek miatt nem akar összejönni.Ha tényleg nagyon komplikált lett volna és nem lettek volna meg a nyugati normásítás pontos alkatrész mértékegységei Én se mertem volna belekezdeni..
Üdv! A variométer menetei OIRT-on legalább 8 menet, a CCIR-en már csak 4-5 menet. Tehát már alapvetően ebben is különbözik a két változat.Ehhez jön még az általad leírt néhány kondi változtatása.Nem esküdnék arra, hogy a mai alkatrészek miatt nem sikerül, bár kétségtelenül bizonyos régi "békebeli" alkatrészeknek ma nincs párjuk.
A-ha értem...
És ezt hogy számoltad ki,hogy a variometer 8 menet helyett csak 4,5 menet,mert ez nem volt feltüntetve a rajzon.Van erre valami jó képlet? Amúgy melyik varométer lesz csökkentett menetű?Mind a kettő?
Csatlakozom a hsz.-edhez, a linken lévö készülék kiváló minőségű.A mai CCIR sáv 3x szélesebb a OIRT-nál, ezt nagyon komoly műszerekkel lehet csak talán megoldani.Ha mégis kondikcsere, akkor csakis azonos minőségűt(veszteségtényező,hőm.függés) szabad betenni(színjelzés!),lehetőleg azonos geometriával. A "kukackondenzátor" a 30-as években még létező gyári termék volt kb.max. 15MHz-ig.A kerámiakondik min.jellemzői is sokfélék.Egyébként egy másik topicban sok okosság találhatóBővebben: Link
Üdv:gkari
Igen,konverterre én is gondoltam,de ezekkel az a baj,hogy ugyancsak 9mhz sávszélességet fognak át egyszerre
így viszont egyszerűbb ha magot kintébb tekerem vagy leszedek pár menetet az oszciból.Régebben ez működött is,sok ilyen régi rádiót felvittam olyan 90-100mhz körülre,de ez nekem kevés mert minimum 88-101 mhz.et akarnék átfogni,ehhez viszont az oszcit is alakítani kell.
Számítás többek közt a "Thomson"képlettel-ezt itt én nem tudom leírni, de ajánlok egy linket, ahol tengernyi irodalom van:ittA tekercseket azonos arányban kell "rövidíteni".Az antennatekercset én kb. 2 menettel nagyobbra tekerném a nagyobb sávátfogáshoz.
Üdv:gkari
köszi szépen,majd holnap áttanulmányozom,addig is szép estét!!!
Talán ez segít egy kicsit.Bővebben: Link
Szervusztok!
A variométer elnevezés nem túl szerencsés,mert az más. A menetszám-csökkentéssel óvatosan kell bánni,mert előfordulhat,hogy a sáv "nem fér bele" a frekiátfogásba. Külön örömet tud okozni az,hogy a permeabilitás-hangolást többnyire alu,vagy réz "vasmaggal" oldották meg. Csak türelmet,kitartást tudok kívánni hozzá! Többet csináltam ilyet;ma már nem fognék bele,semmi pénzért.
Köszi megnéztem,a baj csak az,hogy a kapcsi rajz
annyira homályos hogy még felnagyítva se látom melyik alaktrésznek mi a jelölése...
Régen a rádiótechnika újságokban foglalkoztak ezzel a témával, és ha jól emlékszem a Sztereó rádiók szervízkönyve 3. kiadásában is fellelhető csak ott CCIR-ről OIRT-ra gondolkodtak, ma ennek a fordítottját kell venni, úgy rémlik, hogy ott vannak ezzel kapcsolatabn összefüggések is.Egyébként mindkettő variométer tekercs meneteit azonos mértékben kell csökkenteni.A rajzon kizárt, hogy ez feltüntetik.Ugynis a menetcsökkentéssel emelkedik a frekvencia.A 4-5 menet közelítő szám és készülékenként változhat +- 1-2 menetet amit jobbhíján úgy kell kikísérletezni.Ezért is mondtam, hogy nagyon macerás dolog.
Remélem így jobban látszik.
köszi szépen,most már tényleg jobban látszik...
Időközben megszóltalt a rezgőkör egy itteni 106mhz-es adót fogtam be vele,ez a legerősebb bár még gyenge a vétel,sokat kell rajta finomítani,de az már fél siker,hogy jó sokat fog,tehát hosszú lett a frekvencia tartomány
Ja,még annyit...Nézegetem itt a rajzot,de valami nem stimmelt,aztán rájöttem,hogy a csövek számozása lett felcserélve az 1-es cső helyére a 2-es számozását írták és fordítva, így az antenna erősítése a oszci kör helyére került....
Üdv urak, karácsonxra ezt a kis kapcsolást kaptam, megépítettem igazi retró dolog elsőre indult, jó kis adó, kis hatótávval 1 méter kb, és az lenen a kérdésem hogyan lehetne ezt pár tízméterre feltornázni? Pincébe szeretnék zenét hallgatni, gyakorlatilag hegy oldalában van mélyen és már nem jut el ide semmi sem, számítógépet meg sajnálok ide tenni páratartalom miatt!
Hali!
Az Elektroncső.hu-n találtam ezt a kis rádiót:ezt. Ehhez vagy hasonlóhoz tudtok ajánlani egy csöves, mono erősítő kapcs. rajzot?
És ha rákötök egy akármilyen csöves erősítőt akkor az egyből működik vele?
Segítséget szeretnék kérni, mert sem a tunerekben, sem a csövekben nem vagyok jó. Az R5932 VT végfokát már rendbe tettem, külső forrásról gyönyörűen szól. Sikerélmény már van.
Problémám, hogy a rádióból nem sikerült kicsikarni semmit sem. URH-n szépen sistereg, adót semmit sem fog, középhullámon például búg erősen. A varázsszem majdnem összeér, meg sem mozdul. A csöveket kicserélgettem, amim itthon volt. A csere 801-esben volt egy kis tűzijáték, de ez lehet, hogy eleve rossz cső volt. Merre kellene elindulnom? Minden esetleg elvetemült ötletet szívesen fogadok. Köszönöm!
Először a nagyfesztápot mérd, a brumm azt gyaníttatja, hogy gyenge a szűrés.Utána a demodulátortól visszafelé haladva jelnyomozás....
Kapcsrajz mellékelve. Üdv!
Szia!
Ez csak a keleti normát ismeri (OIRT), azért nem találsz adót. Át kell hangolni CCIR-FM sávba.
Ha a készülék működik, akkor az OIRT felső részén Bp.-en van adó, amit venni tud(legalább tükörfrekvencián-nálam Zuglóban az összes URH-s működő rádió tudja)
Üdv! |
Bejelentkezés
Hirdetés |







