Fórum témák
» Több friss téma |
7805
Az első válaszodra reagálva: megoldás a hőmérséklet figyelésre jónak tűnik csak nem tudom hogy hol és milyen szenzorokon keresztül mér a gép... illetve ezt hogy lehetne bővíteni. A gépet nem akarnám babrálni... valami külső megoldáson gondolkozom. Úgyhogy sajna ez csak ötletnek volt jó de még valamire hátha fel lehet használni Na az utóbbi már majdnem teljesen helytálló megoldásnak néz ki! Csak az a probléma hogy ez 12V és 5 V között szabályoz. Nekem pedig vagy 12 V kell vagy 0V. be/ki állapot. Szabályzás nélkül. Hát nekem az a variáció is helytálló lenne. Hogy PCI-n keresztül történik meg a gép és a szárító között. A PIC -el kapcsolatban nem vagyok annyira jártas, de hát valahol el kell kezdeni. Várom mások ötleteit a témával kapcsolatban.
Üdv hát én csak eddig jutottam mert nem vagyok valami PCI-s..
Sajnos a linkeidet nem tudom megnyitni, így nem tudom, hogy alapból mire gondoltál.
A hőmérséklet mérésével kapcsolatban én is ezen a vélenyen vagyok, hogy a game port jó lenne. Hőmérőszenzor gyanánt én javasolnám a régi AMD-s alaplapokon található hőmérőszenzorokat (a proci alatt). Ezek ha jól tudom a hőmérséklet alapján változtatják az ellenállásukat, és így a game porton keresztül ki lehetne számolni a hőmérsékletet. Szerintem ilyen szenzort külön is lehet kapni. A kapcsolásra én az LPT portot javasolnám, mivel azt gyerekjáték programozni. Egyszerűen állítható a logikai szint, tehát egy optocsatolóval, tranyóval és egy relével tudod is kapcsolni a ventilátorokat. Mindehhez nagy programozási tudás sem kell.
Ha googleba beírod game portos hőmérő.... akkor ott megtalálod
A hőmérséklet mérését már kipipáltam ... a game portos verzió marad Na és LPT-n keresztül hogy lehetne megvalósítani a dolgot... esetleg nincs kapcsolási rajzod vagy vmi hasonló? Vagy esetleg vázlatosan nem tudnál összedobni vmi működő cuccot, mert látom van elképzelésed a dologról Szétnézek a neten hátha találok énis vmi használhatót, de azért bízom benned.
Találtam valamit az egyik oldalon ami alapján lehetne vezérelni. Nem tudom hogy ez megvalósítható -e?
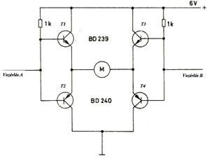
A leírás a következő: A kapcsolás PNP és NPN tranzisztorokból áll. Logikai egynél az NPN (felső), logikai nullánál pedig a PNP (alsó) tranzisztor fog vezetni Így első esetben a pozitív, második esetben a negatív tápfeszültséget kapcsolja a motor sarkára. A jobb és baloldal a relés kapcsolás mintájára szimmetrikus. Hibája a kapcsolásnak a 2*1,2V-os maradékfeszültség a tranzisztorokon, ami jelentős vesztesség (kb. 40%!!!) Ezért ezt a kapcsolást nagyobb feszültségekre érdemes megvalósítani, (pl. 12V) akkor a százalékos vesztesség is elfogadhatóbb lesz. Arra gondoltam ha 2,8 V esik az áramkörön és nekem 12V kell akkor az áramkörre miért ne kapcsolhatnák 15V-ot? A tranzisztorok adatlapját nézve szerintem megoldható lenne, de nem akarok hülyeséget csinálni ezért megvárom a ti véleményeteket a dologról .BD239 BD240
Értem-értem. Hát ha ez jó akkor maradnák ennél a megoldásnál.
Csak egy hibát sikerült azért felfedeznem Ez a kapcsolás a logikai egynél és nullánál polaritást cserél és a ventit ellentkező irányba fog forogni. Na ezt úgy ki lehetne küszöbölni hogy a ventilátor + bemenete elé bekötnék egy diódát ami logikai egynél engedné folyni az áramot, 0-nál pedig nem engedné? Ez megvalósítható lenne? Illetve a tranzisztorokra kell szerelni hűtőbordát?
Az jó kérdés hogy minek a híd
Esetleg át tudnád nekem rajzolni a dolgot hogy mi nem kell bele, hogy jó legyen? Tehát a kapcsolás működését #492466 hozzászólásban leírtam. Az alapján kellene átalakítani a cuccot. Nem tudom átlehet e alakítani...
Az oldal legalján találod a kapcsolást.
Bővebben: Link
Ahha. Már azt nézegetem (darlingtonos)... de az LPT-hez nem konyítok vmi sokat. Tehát ha az lpt jelet ad ki azt ő egy szál vazetéken teszi vagy min 2 kell neki?
Az első variáció lenne szerintem jó. Csak nem találtam sehol ilyen tranzisztort... Ezek közül valamelyiket nem lehetne beletenni? Bővebben: Link A ventilátorok áramfelvétele kb. 1-1.5 Amper
Átgondoltam a dolgot és optocsatolóval fogom megoldani.
Bővebben: Link Csak egyet nem értek a kapcsolási rajzon... Az optocsatolón belül kimegy valami föld vezeték. Na azt a LPT-be kell kötnöm?
Elvesztettem a fonalat...
Na amit küldtél rajzot azon vmi 9 pólusú kimenet van.... az nem COM port véletlenül vagy én már teljesen nem értek semmit Na tehát akkor optocsatolónál maradok, akkor azt a föld lábat az LPT-n hova is kell bekötni? Küldök egy rajzot, vagyis kettőt Na ezt a kettőt kellene összehangolni valahogy... Tehát az optocsatolóból kijövő két vezetéket melyik lábra kell forrasztani az lpt dugón? Csatlakozó leválasztás Illetve ebbe a kapcsolásba ez az optocsatoló jó?
Hello!
Kicsit értelmasebb LPT rajzon, a porta a kép szerint néz ki. - A kifelé mutató fekete nyilak mehetnek a rajzodon szereplő optocsatoló "porta" jelű kivezetéséhez (ellenállásokra). (A szürke nyilak, a bemeti porták.) A csatlakozó 18..25-ös lábain a PC GND feszültsége van. Erre a pontokra jöhetnek az optó Led-diódák katódjai. (Tetszőleges sorrendben) - A optocsatolós rajzod annyiban nem helyes, hogy nem csak a Led-ek katódjához, hanem a kapcsolt 12V negatív pontjához is GND jelet rajzoltak. Holott az optocsatoló miatt a két pont lehet teljesen független is. Sőt, akkor van értelme igazán az optocsatolónak, ha a PC és a működtetett feszültség galvanikusan le van választva egymástól. Tehát a 12V egyik pontja sem közös a PC GND vezetékével. A 12V-os kimenetek terhelését is figyelembe kell venni, mert ennek a "darlington" kapcsolásnak, kicsit sok lesz a maradék feszültsége. Ez vagy megfelelő, vagy nem az alkalmazásod szerint. - LPT-re vissza vinni, pedig a mellékelt ábra szerint lehet jelet vinni. Tekintve, hogy a Portán saajnos 5V feszültség közvetlenül nincsen, Azt vagy a Game portról (ha van ilyen), vagy egy kimeneti porta magas szintre állításával lehet előállítani. (A példában a Strobe kimentet használjuk, de ez lehet tetszőlegesen más kimeneti porta. Ezek a porták, azért nem 5V-ot adnak, hanem kisebbet és gyenge a terhelhetőségük is. Alkalmazásuknál ezt figyelembe kell venni! üdv! proli007
Helló!
Csináltam egy rajzot az én elgondolásom alapján. Nemtudom ez helytálló megoldás? Szerintem a 2. GND az már a 12V -hoz tartozik. A ventilátorokat autó aksiról hajtanám meg, későbbiekben lehet szó arról hogy majd valamilyen transzformátorról menne a dolog. Most egyenlőre elég az aksi. A rajzot mellékeltem az elgondolásom alapján. Ha minden igaz akkor nem fogok darlington féle megoldást használni, hanem maradok ennél a rajznál amit most csináltam. Ahol van az Uki oda jönne a ventilátor. PC ventilátorról van szó. Max 1-1.5 Ampert eszik úgyhogy a BD135-nek bírnia kell (adatlap alapján). Várom észrevételeiteket a rajzommal kapcsolatban.
Hello!
A rajz, most jó. De a kapcsolás már nem annyira. - Az optocsatoló tranyó és a végtranyó együtt alkotják a darlingtont. - A PC ventinek szerintem kb. 100..200mA az áramfelvétele. Hogy lesz abból 1..1,5A? Ha csak nincs belőle egy kazallal. - A BD-nek valóban 1,5A a végárama, de közben mekkora az áramerősítési tényezője? Mert a végáram közelében a béta, csak 10..25-öt szokott mutatni. 1A/25 esetén 40mA bázisáramra van szüksége. Az optóval soros 1kohm-os ellenálláson keresztül, legfeljebb 12mA érkezne, és akkor azon veszne el a 12V. Mi maradna a kimenetre? Esetleg az 1kohm el is maradhatna, akkor jobb lenne a helyzet. Viszont zárlat esetén, biztos "pukk" minden. Szóval át kellene gondolni a fogyasztást, az ehhez szükséges bázisáramot és bázis ellenállás értékét. (Lehet a közös emitteres kapcsolás célszerűbb lenne.) Akkor meg lehet határozni a maradék feszültséget a tranyón, és a hővé alakítandó teljesítményt. üdv! proli007
Lemértem a ventilátorok fogyasztását.
1. ventilátor 80mA 2. ventilátor 920mA (majdnem 1A!) Tehát akkor ha az ellenállást kisebre cserélnénk vagy elhagynánk onnan akkor működőképes kapcsolást kapnánk? Vagy ha 1kOhm helyet 320Ohm lenne ott, az nem lenne jobb? Illetve ha 4N35-ös optot használnák és a 6.kivezetést még kötném vhova?
Hello!
Itt alapvetően, az áramerősítésnek kell megfelelőnek lenni. - Ha adott a motoráram (1A) akkor a tranyó szükséges bázisáramát úgy kapjuk meg, hogy ezt az áramot elosztjuk az áramerősítési tényezőjével, a bétával. - Nagyobb áramú tranyónak, 1A mellett, nagyobb a bétája is. Tehát 1A-hez nem célszerű 1,5A-es tranyót választani, mert annak, itt már kb. csak 20 alatt van a bétája. - Tekintve, hogy ezt a bázisáramot kell szolgáltatnia az optónak, így nem mellékes, hogy az optó diódájába mekkora áramot tudunk vezetni és az optónak mekkora "Courrent Transfer Ratio" paraméter értéke. Ezt általában %-ban adják meg, és azt mutatja meg, hogy 10mA dióda áram mellett, a foto tranzistornek mekkora lesz a kollektoráram/diódaáram aránya. Ugyan is az fogja vezérelni a tranyót. Így a 4N35 jobb választás, mert annak 100% körüli az értéke, míg a PC817-nek 40% a garantált minimuma. - Az LPT portától túl sok áramot nem várhatunk, mert annak kimenete igazából TTL kompatibilis. Tehát ha magas szint esetén abból 2,5V jön ki, az már TTL-nek, bőven megfelel. Tehát, ha ebből a feszültségből még levonjuk az opto Led feszültségét, akkor megkapjuk, hogy mekkora feszültség jut a 220ohm-ra. 2,5V-1,5V=1V Ha ezt elosszuk az ellenállással, akkor 1V/220ohm=4,5mA. 100% CTR esetén, ekkora lesz a kollektor áram is, tehát minimum 4,5mA bázisáramra számíthatunk. - Ha a mellékelt kapcsolást építed meg, akkor a tranyó kollektoráramát az 5,1kohm-al korlátozzuk, kb. 2mA értékre. Tekintve, hogy darlington tranyót használunk (itt két tranyó van egymás után kötve a tokban, így a béta össze szorozódik) 750-es béta van garantálva 1,5A áram mellett. Így a szükséges bázisáram, 1A/750=1,3mA tehát a 2mA bázisáramnak megfelelőnek kell lenni. - Sajnos a darlington tranyónak, a bétája jó, de a maradék feszültsége elég magas, így kb. 2V veszteséggel kell számolni. 1A kollektoráram esetén a tranyóban 2W hő keletkezik, amihez már kisméretű hűtőzászló szükséges. A motorra 12V tápfeszültség esetén 10V fog jutni. - Ennél jobb eredményt, csak Fet alkalmazásával lehet elérni. (pld. IRFZ44-el) üdv! proli007
Hát többé kevésbé értem amit írtál.
Tehát ha megépítem a kapcsolást és a tranyóra teszek hűtőbordát akkor működnie kell a dolognak és ha egy olyan készüléket kapcsolok rá ami 1A vesz fel akkor simán menni kell a készüléknek (adott esetben ventilátor). 10V-al még simán működik a szerkezet. Csak hogy az áramot bírni fogja e a kapcsolás?! Ha ez így oké meg amit te is leírtál az is jó akkor meg is venném hozzá a cuccokat és elkezdeném összerakni a kapcsolást. A FET hez buta vagyok ^^ úgyhogy jó nekem ez a típusú megoldás csak mennyen
Hello!
A Fet is csak egy "tranzisztor". Csak nem árammal vezéreljük, hanem feszültséggel. Ezért nem a vezérlőáramát korlátozzuk, hanem az ellenálláson eső feszültséggel vezéreljük a Gate-et. Cserébe viszont ennek a típusnak, igen alacsony a bekapcsolt állapotú ellenállása (Rds-on). Maradék feszültsége elenyésző, így 1A terhelés esetén hűtőbordára sincs szüksége. (Használd a "Válasz" gombot a fejlécben, mert a modik joggal, meg fognak morogni!) üdv! proli007
Helló!
Mint gondolom észrevetted kezdő vagyok a szakmában, de nagy a lelkesedésem és olyan típus vagyok aki nem adja fel könnyen. " Ha addig élek is megcsinálom" Oké. Ezentúl használom a válasz gombot. Na tehát a témánál maradok. Ha Fet tel építem meg akkor ugyan azt a hatást érem el mint darlington féle módszerrel csak nem fog 2W teljesítmány elveszni a tranzisztoron? Én ezt vettem ki a dologból Akkor ezt a Fet-es témát megépíteném és jelentkeznék az eredménnyel Nagyon szépen köszönöm a segítségedet, és mindazt a fáradozást amit értem tettél. Bár pontot nem tudok adni, de biztos hogy meg foglak jegyezni Köszönöm!
Sziasztok!
Szeretnék építeni egy LM35DT által vezérelt, PWM-es hőmérsékletfüggő ventillátor-vezérlést. Keresgéltem, de nem találtam ilyet sem itt, sem máshol. Pedig valószínűleg nem bonyolult, hiszen az LM35DT 0...100 fokig ad ki 0...1000 mV feszültséget (10 mV/Celsius fok), ezt kéne átalakítanom 0...100%-os PWM jellé. Két db 24 V DC-s ventillátort szeretnék meghajtani vele. Az LM35DT az erősítőm hűtőbordáján lenne és az erősítőt szeretném így hűteni. Előre is köszönöm annak, aki segít. Üdv,Pepe
Szia!
Kell egy 1000mVcs-cs amplitúdójú háromszögjel (vagy fűrészjel) generátor, aminek a jelét rávezeted egy komparátor egyik bemenetére, a másikra pedig az LM35DT jelét. A komparátor kimenetére teszel egy fetet és kész is. Üdv.: Attila
Hello!
Nem igazán látom előnyét a ventilátor PWM meghajtásának. (kipróbáltam és nem tetszett) A teljesítmény olyan kicsi, hogy analóg módon nem sokkal nagyobb a veszteség, viszont csendesebb. Ha a PWM freki magas, akkor fütyül, ha alacsony akkor kapkod és mind kettő zajjal jár. Szóval én a helyedben valami analóg erősítő megoldásban gondolkodnék. Ja, és elsősorban kipróbálnám a ventit egy tápegységről, hogy milyen hőfok mellett, mekkora feszültséggel járjon, (mikor, és milyen módon induljon el..) azaz hogy a szabályzóval szemben milyen követelményeket kellene állítani. Tekintve, hogy álló helyzetből elég nehezen indul el, általában bekapcsoláskor felpörgetik, majd lelassítják... üdv! proli007
Szia Attila!
Köszönöm szépen, akkor nézegetek 555-ös kapcsolásokat. Ha jól láttam, van egy pár itt a fórumon. Üdv, Pepe
Szia!
Köszönöm szépen a javaslatot. Azért gondoltam a PWM-re, mert hűteni úgy szeretnék, hogy közben minél kevesebbet fűtök Persze most, hogy írod, én is elgondolkodtam. Lehet, hogy úgy fogom megcsinélni, hogy átkapcsolható legyen a sima ki- és bekapcsolós verzió és a PWM-es között.Mi van akkor, ha a hallható tartomány fölé tervezem a kapcsolási frekvenciát? Úgy én már talán nem fogom hallani. Mit jelent a "kapkodás"? Azt is szeretném, hogy minél kisebb zajjal járjon, tehát ha nem muszáj, akkor ne forogjon a maximális fordulatszámon a ventillátor. Ha a bekapcsoláskor külön fel kell pörgetni a ventillátort, akkor lehet, hogy egy AVR-es megoldást fogok csinálni, mert akkor azzal már elég szépen be lehet programozni az egész működést. Csak nem akartam elbonyolítani a dolgot feleslegesen. Üdv, Pepe
Hello!
- A 24V-os ventilátoromat nemm mértem, de a 12V-os kb. 180mA-t eszik. A szabályzónál, a legrosszabb helyzet, akkor van, mikor a féltápfesz van. De a maximális teljesítmény kb. 2W. Mi ez a végfok fűtéséhez képest, ha már egyszer ventilátorra van szükség..? - Ha a hallható freki felett üzemel, akkor valószínűleg egy LC integráló tag szükséges (mert a motor induktív jellegű), ez már növeli az áramkör méretét. - A venti úgy fog járni, amennyi hő keletkezik. A maximális fordulatot nem tudod elkerülni, csak ha nem megfelelő a hűtés. Viszont ha procit alkalmazol, kijelezheted a hőfokot, és akkor lehet előreszabályozást készíteni, ha méred a végfok teljesítményét (áramfelvételét). Így a venti már korábban indulhat, nem akkor, mikor a borda már "tüzes". (A procnak a hűtés lehet mellék feladata is) (A kapkodást arra értem, ha a venti tehetetlenségével összemérhető, a PWM jel frekije, akkor lökdösi a PWM. Könnyebben indul el, ha "pofonokat kap", csak sajnos ez is zajjal jár, mert a csapágyakat rángatja.) üdv! proli007
Hello!
Én két darab 24 Voltos ventillátort tervezek vezérelni, a Quad 405-ös erősítőmhöz. Ott az erősítő tápjáról tervezem táplálni, ami közel van a 48 Volthoz. (Megjegyzem, hogy nekem olyan régi toroid trafóm van, amilyennek a szekundere még a 220 Voltos primer feszültségnél adott le 36 Voltot és azt egyenirányítva kaptam az 50 Voltot. Most ez egy picit több, elméletileg 230 V / 220 V * 36 V * sqrt2 = 53 V kb, de ez talán még nem lesz sok a ventillátoroknak.) Lehet, hogy ha tényleg csak pár Wattról van szó, akkor érdemesebb (egyszerűbb) lineáris szabályzót csinálni. Az LC integráló tagot hogyan célszerű méretezni? A maximális fordulatot nyilván nem tudom elkerülni, de csak akkor szeretném azon járatni, ha muszáj. Akkor meg valószínűleg a zene is elég hangos lesz, ami el fogja fedni a ventillátor hangját, de kisebb hangerőnél zavaró lehet (bár még nem teszteltem). A hőfokkijelzésről már gondoskodtam, az LM35DT jelét rávezetem egy LM3914-re, ami tíz fokonként fog kapcsolni egy LED-et. Az előreszabályzás jó ötlet, köszönöm, el fogok rajta gondolkodni. A "kapkodást" most már értem, köszönöm a magyarázatot. Ez tényleg nem lenne jó, inkább nagyobb frekvenciát fogok választani. Közben keresgéltem és találtam egy olyan kapcsolást (illetve egy részét), amiben a négyszögjelgenerátor egy műveleti erősítő és az azt követő integrátor is az. Ezuátn kell ugye egy komparátor, ami szintén lehet egy műveleti erősítő. Hirtelen az jutott eszembe, hogy az 555 helyett lehetne egy quad műveleti erősítőt használni (pl. TL074), ha már úgyis kell ennyi. Üdv, Pepe
Hello!
- Induktivitásnak, akkora kell, ami elbírja a venti áramát, és a maximális kitöltés esetén sem megy telítésbe. (A "kapcsolóüzemű táp 230V-ra" topiknál, Cimopata segít a méretezésnél, ha ez gond.) - Gondolom valami ilyesmire gondolsz. de egy TL494-ben szinte minden benne van, amire szükség lehet. Volt itt valahol egy rajz, pont amit keresel, csak nem találom. üdv! proli007
Itt vagyok csak kicsit be van lassulva a netem.
A pc -mbe használnám. Szeretnék bele rakni 4db ventillátort amit külön-külön tudnék szabályozni, és mindegyiknek lenne ez a ledsor visszajelzője. Igazábol az zavar hogyha kitekerem max.ra a potit, nem világít a teljes ledsor, csak a 10 böl 8. Hogy lehetne ezt megoldani?
Sziasztok!
Egy problémára keresnék megoldást ami számomra nem is olyan ki probléma. Adott egy 24 DC-s ventilátor, amiből 4 kábel jön ki. Ez a ventilátor sajna elszált, ha jól értelmezem ez egy hőmérséglet arányában változó forgulatszámú ventilátor. Hogy tudnám ezt lemásolni, és újraépíteni egy normál 24 DC-s ventilátorból? Segítségeteket előre is köszönöm! |
Bejelentkezés
Hirdetés |




A hőmérséklet mérését már kipipáltam ... a game portos verzió marad 










