Fórum témák
» Több friss téma |
Mielőtt kérdezel, a következő két dolgot ellenőrizd!
I. A helyes tápfeszültségek megléte.
II. A kimeneten van-e egyenfeszültség.
Élesztés.
A Technics SU-V4A egy igazi erőmű STK8050 végfokkal rendkívűl jó minőségű, és elég komoly hangfal kell hozzá.
Ha túlméretezett toroiddal gyártották volna 2x20000µF tápszűréssel csarnok kihangosításra is jó lenne Hi-Fi minőségben.
Sziasztok!
És a másikról mi a véleményetek? Mert jelenleg arra lenne pénzem , és 200W os hagfalhoz használnám
Szia!
Tudom, hogy levan járva, de ennyiért megtudom szerezni, és végül is ennek is 480W-os a teljesítmény felvétele. Igaz, hogy a Technicsnek 580, de 10000 ft-al drágább. És 120W, és 160W/4 ohm, az nemnagy hangerőkülömbség, db-be. Sztem ez is jó nem?
Hát én sok erősítőt halottam ez a Technics nagyon szépen szól kis zajú és bivaj erős, PA erősítőkhőz hasonlitva igen sokat megesz. :yes:
Azért szerintem az a 160W 4ohmon az túlzás egy picit ekkora hűtőbordákkal. A trafó nincs 580W-os az a képről is látszik. Volt már szerencsém 500VA-es trafóhoz és az igen csak 2X akkora. De én egy 2x80W-ot reálisnak találok rá. Ez sem kevés!
Egyébként nem is a Watt teljesítménye a lényeg amiért jobb. Az hogy 4.-16.ohm teljesen mindegy nem térdel le. Mozgás visszacsatolással ellátott végfok, minimál torzítás melett.
Sziasztok! Véleményetek szerint mejik végfokot érdemes megépiteni 30cm-es MNC szubládához?A VF2 es végfokot vagy a 80w-os darlingtonost?Várom szives véleményeiteket és tapasztalatokat!
Sziasztok
Szeretném az erősítőmben kicserélni a TDA7294-eket komolyabb STK végfokra. A táp +-35V, sztereó IC kellene kevés egyéb alkatrésszel, kicsi a hely. De a lényeg a szép hang, minél kisebb torzítás lenne. Ki milyen STK IC-t ajánlana? (a hangfal 8ohmos)
Sziasztok!
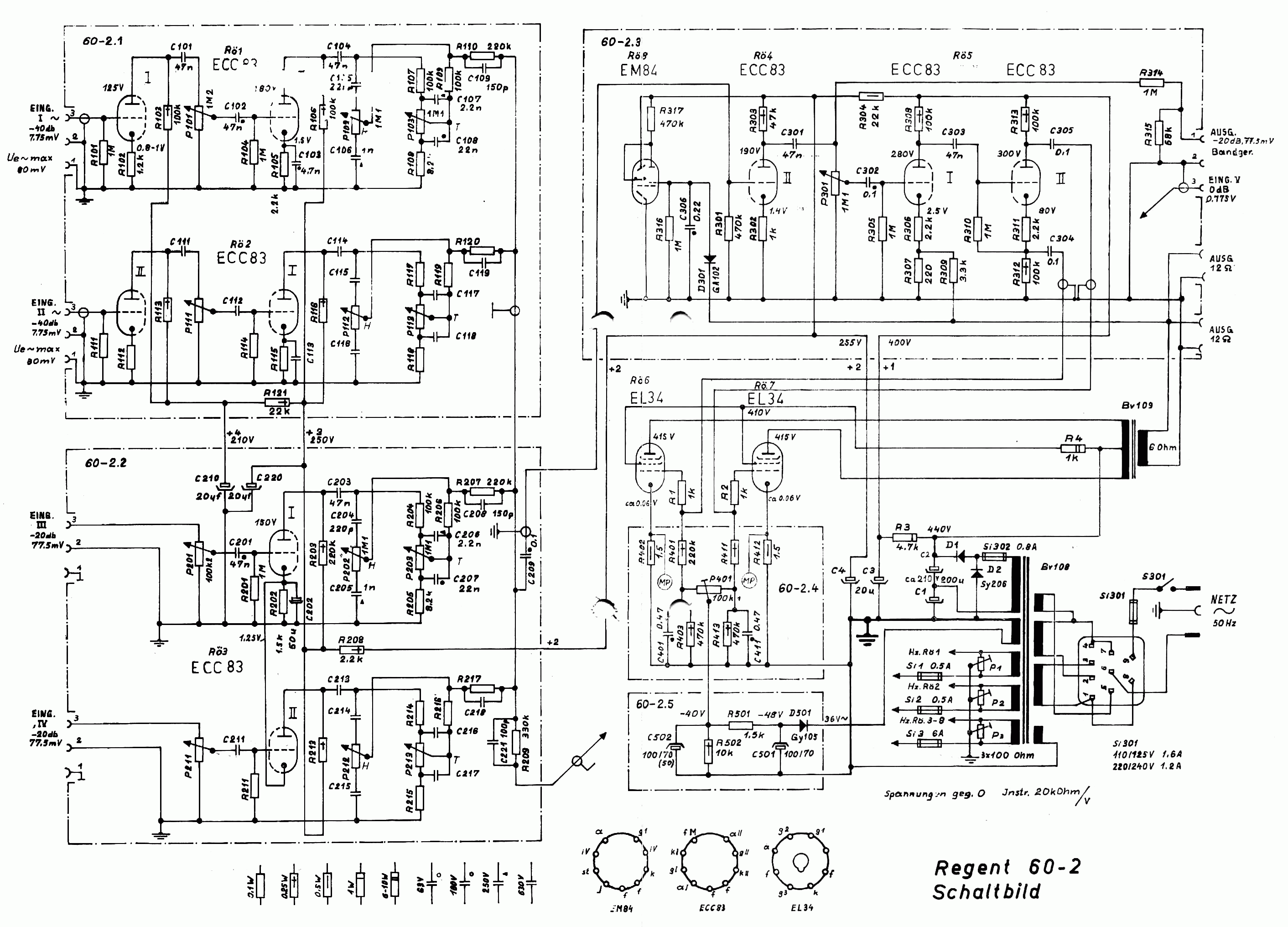
janocsi volt olyan úr, hogy megosztotta velünk a Regent 60-as erősítő rajzát. A rajz birtokában és a H.E. segítségével az évekkel korábban elkezdet erősítő javítását befejezhetem. A tápegység részből az elkókat évekkel korábban csere céljából kiszedtem. Amik a hosszú idő alatt szublimáltak. Fémeknél ez általában ritka jelenség de itt mégis megtörtént. Szóval 2 kondenzátor helyét, értékét sikerült a rajz alapján beazonosítanom. De az én erősítőm felépítése kicsit eltér a rajztól. Az előerősítők és a hangszínszabályzók a rajz szerintiek. De az ECF 82-es csővel kialakított áramköri rész nálam 2 darab ECC 83-mal van megoldva. Így van egy kondenzátorom aminek nem tudom az értékét, bekötését beazonosítani. Ebben tudna nekem valaki segíteni? Esetleg van valakinek másik (újabb/régebbi) rajza? Köszi előre is.
Szia lapose!
Hát ez több mint tökéletes! Köszönöm szépen erre volt szükségem.
Ezzel az rősítővel csak óvatosan barátkoznék .
Teljesítménye sem igaz amit ott írnak , 2x70 W /8 ohm . Már csak utángyártott IC kapható hozzá .
Sziasztok
Lenne egy lérésem. Tudnátok-e nekem - lehetőleg még ma - sűrgőssen egy nyáktervet adni ehhez a a kapcsolási rajzhoz. Bővebben: Link Ha tudna valaki küldeni beültetéssel együtt egy nyáktervet és még ma azt nagyon-nagyon megköszönném. üdv. Csabixszusz Link beszúrva. Ha három s-el sürgős, akkor is van egy IV. pontja a szabályzatnak! Nem is beszélve arról, hogy van saját topikja (nem is egy) a 2030-nak, ahol van nyákterv is. szamóca
Kösz a választ
Csak nem ez a kapcsolási rajz van ebben a cikkbe. Nem tudom miért linkeli be ezt pedig javítottam még a megírás után, hogy a kapcsolásirajzot direkt linkelje be azt a pár íráshibát is javítottam ami még ott van. Amúgy kösz, hogy fáradtál csak én pont egy olyan kapcsolást tudtam kifogni amihez nehezen találok nyák rajzot. Ebből tanulság, hogy először azt is megnézzem van-e NYÁK terv az adott kapcsoláshoz.üdv. Csabixszusz
Heló
Szerintem ebből nem ez a tanulság... Nekiállsz, és megtervezed, nem bonyolult. Ajánlom a Sprint Layout nevű programot, nagyon könnyen bele lehet tanulni a tervezésbe.
Könnyedén elkészíthető próba panelon is .
![]() Sőt találtam a neten igényesen kivitelezett légszerelt megoldást, vissza az elektroncsövekhez.
Hát igen...
Gondoltam rá. Végül is lehet, hogy az lenne a legjobb megoldás a jövőben, mert így nem kéne órákhoszat a kereséssel töltenem. A Sprint Layout-ot pedig ki fogom próbálni. Kösz a tippet.
Sziasztok.
Vettem egy 2*130Wattos erősitő KITet. MJ11015G és MJ11016G tranzisztor párok vannak hozzá. Azt szeretném megkérdezni hogy melyik tranzisztor kapja a + tápfeszültséget? Kéz alol vettem az erősitőt, és ugy kötöttem be a tranyokat ahogy a panelra volt irva. De igy valamiért rettentően melegednek az 5 Wattos 0.1Ohmos ellenállások. 6 amperes greatzel probáltam ki +-35Voltos tápfeszültséggel és a greatz kb 30mp után megadta magát és a trafó is nagyon meleg lett. Megmértem a tranyókat azok jók. Szóval azok nincsenek elpukkanva. Most a + tápfeszen a 15G van a negativon a 16G. Jo ez igy?
Nincsen kapcsolási rajzod hozzá ? Mert akkor megnézném.
Általában a PNP tranyó emiterén kell hogy legyen a pozitív, az NPN emiterén pedig a negatív.
Sajna kapcsi rajzot nemkaptam hozzá, de itt a Collector kapja a tápot.
Mellékelek két képet hátha segit. Remélem jol látható a kép.
Köszönöm a segitséget. Máskor jobban fogok figyelni. Hálisten tul élték a tranyók a megprobáltatást.
Most szól az erősitő. Köszi mégegyszer.
Azzal nemvolt baj. Csak nemtudtam a tranyókat hogyan kell bekötni. De már elküldte a srác a kapcsi rajzot és már jó a cumó.
Szinte mindegy,melyiket építed meg hozzá.Teljesítményben azonos kaliber a kettő,a darlingtonos valamivel egyszerűbb talán(nincs ic-s meghajtás),a hangminőség meg úgyse sokat számít szubládánál(jóformán semmit).
sziasztok!
Még kezdő vagyok és aztszeretném magkérdezni hogy milyen bonyolult elkészíteni és menyibe kerül kb. egy egyszeru de jó erősitő kéne nekem
Hát ha vitafórum lenne most vitába szálnék avval hogy mindegy milyen minőségű egy mélyláda erősítője.
Ezt ne hidjétek el, nagyon is nem mindegy!
Keres komplett kitt-et és kezdésnek azt építsd meg, válaszd a neked megfelelő ár kategóriát. Ha Pl. TDA 1554Q-IC-s végfokot építesz akkor 12V-os kapcsoló üzemű halogén táppal leegyszerűsítheted a tápot is.
|
Bejelentkezés
Hirdetés |








, és 200W os hagfalhoz használnám










