Fórum témák
» Több friss téma |
Hali! Kis kóstolót kérhetnék abból,amit ott a szeánszon szívtatok?
... Idézet: „Csak egy a biztos: ez egy eszméletlen kapcsolás!” Bocs, de mitol eszmeletlen ez a kapcsolas? Egy tok atlagos, egyszeru AB osztalyu erosito. Semmi erdekes v. tobb nincs benne. Mas: A DoZ topikban irtad, de ide is teljes mertekben illik, hogy annak (es a JLH erositonek is) a kimeneti fokozata gyakorlatilag egy SRPP kapcsolas. Ezzel nem ertek teljes mertekben egyet. Az SRPP-nek az a nagyon jo tulajdonsaga, hogy az also cső (v FET) gyakorlatilag fazisforditokent is mukodik es annak az anodjarol kerul a fazisforditott jel a felso cső racsara. Azonban a JLH erositonel egy kulon fesz. erosito fokozat alkotja a fazisforditot tehat nem az also tranyo kollektorarol (azaz a kimenetrol) kerul a jel a felso tranyo bazisara. Ennek nem is lenne ertelme A JLH (DoZ) kimeneti fokozatanak mukodese nagyon hasonlo az SRPP-hez de ettol fuggetlenul en nem nevezem (nem is nevezem) azt SRPP-nek.
Szia!
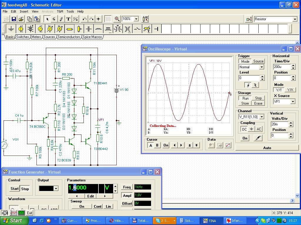
Az általam fent bemutatott kapcsolás azért eszméletlen, mert a vicces történet szerint eszméletlen médium tervezte... vicc volt. Ez a kapcsolás csak annyival tud többet, hogy komplementer a vége így jobban kihasználható a tápfesz, és ha akarod A osztályban járatod a neked tetsző teljesítményig, de ez a kapcsolás nem klippel le, hanem tovább dolgozik ezután, de mint AB osztályú. Most bemutatom a discozásra is alkalmas változatot. Ezt tényleg javaslom megépíteni, mert 8 ohm-ra is tudja a 100W-ot, és hát nagyon-nagyon hasonló hangot kell tudnia, mint az erdeti JLH. A képen látható beállításban 200mA-ig A osztályban van, de ez tetszőlegesen növelhető, csak a hűtéssel kell bírni.
Hozzá kell tennem még, hogy a 200 ohm-sok legyenek 5W-os kivitelűek és a meghajtó tranzisztort feltétlenül a bordára kell szerelni.
Idézet: „Az általam fent bemutatott kapcsolás azért eszméletlen, mert a vicces történet szerint eszméletlen médium tervezte... vicc volt.” Ahaaaa! Ertem. Nekem nem esett le, biztos bennem van a hiba
Hát ez a kapcsolás tényleg vicc,de hogy kamu az biztos.Bd441-442=36W 4Amp.ez még 20W.se tud leadni nemhogy 100-at.Net-ről letöltött elméleti skicc.
Ez tényleg érdekes mindenesetre, kíváncsi vagyok mi sül ki belőle.
Érdekes lehet :yes: 90V szimla táp...nem semmi.
Megépítetted? Van róla képed? Szívesen megszemlélném a kivitelezését. Kicsatóló kondinak milyet raktál bele? Nem rizikós dolog ilyen gyenge végtranyókból csinálni?
Nos nem a netről van letöltve, csak a Tina basicban nincsen erősebb tranzisztor, amivel modellezni tudnám.
Én modelleztem ki a Tina-val. Ezt légyszíves ne vitasd. Tegyél bele 20A-s tranzisztorokat és garantálom, hogy működni fog. De a legegyszerűbb az, ha a meglévő JLH-t átforrasztod próbaképpen.
Ahogyan korábban írtam, csak szimuláció egyelőre.
Persze erősebb végtranyót kér, de mit csináljak, ha a Tina csak ezt ajánlja fel? Egyébként bármilyen 3MHz-s végtranyóval fog menni.
Ha zavar a kicsatoló kondi, akkor mehet 45V-os kettős tápról, semmilyen alkatrészt nem kell módosítani, csak átkötni a földet és beállítani a kimeneti DC nullát.
Pontosítok még egyszer:
Bármilyen 3MHz-s végtranzisztorral, ami elbírja az áramot, meg a tápfeszt és a SOA-n belül marad. A megépítés után, a konkrét építési leírásba bele fogom írni, hogy konkrétan mivel lett kipróbálva, mert én sem tudom. Lehet, hogy nagyteljesítményű tranyó lesz, de lehet, hogy több kisebb áramú párhuzamosan. Amit találok.
Ez nem más , mint a XXI. században a kerék feltalálása .
Biztosan így van és akkor semmi perc alatt tudsz ide linkelni még egy kapcsolást, ami darlington nélkül lead 4Ohm-ra 100 W-ot, ráadásul úgy, hogy a JLH kapcsolásba van illesztve.
Ne haragudj , nem kritizálni akartalak , de a kapcsolást látva ez a véleményem .
A szimulált rajzod sem tudja a valóságban azokat a paramétereket amit feltételezel , ezért nem érdemes erre licitálni . JLH kapcsoláshoz csak is annyi köze van , hogy ránézésre hasonlít , 4db tranzisztort tartalmaz .
Nem akarok cívódni, vegyétek úgy, hogy átterveztem 40 év után a JLH-t 100W-osra, és ennyi.
Én sem , de az állításod nem igaz .
Ez már nem JLH , semmi köze hozzá !
Nem haragszom. Te így látod. De azt ne állítsd, hogy nem fogja tudni a valóságban. A Texas Ins. áramkör szimulátoráról beszélsz.
Szimulátort én is szoktam használni , de mindig figyelembe veszem korlátait . Szimuláció ideálizált helyzetet , körülményeket analizál , számos külső paramétert nem vesz figyelembe , ezért én fenntartással fogadom mindig az eredményeit .
Használható , nagyon jó program , de jól kell értelmezni a lehetőségeit .
Jó, szívesen venném, ha kifejtenéd, hogy szerinted a valóságban melyik lesz az a paraméter, amelyiket nem fogja hozni a kapcsolás, hiszen ezt állítod!
Például megnézted, hogy mekkora BE feszültséggel dolgoztam 8A-nél? Szerintem az a gyakorlatban is elég kellene legyen, szerinted?
Azok a végtranzisztorok amiket a szimulációhoz választottál nem is teljesíthetik azt az eredményt amit vélsz nekik . (A progiból lehetett volna jobbat is választani.)
BD441 A program amit használtál visszajelzett , hogy alkalmatlan felhasznált tranzisztor a kitűzött feladatra ? (Szerinted miért nem ?) Tudom , írtad ,hogy más esetleg több tranzisztorral fogod kivitelezni , de az már ismét más kapcsolás lesz. De az sem JLH , ami nem A/B osztály és nem ellenütemű .
Nézd, a Tina Basic-ot használom, ahogyan azt már ebben a topicban a mai napon korábban leírtam.
A Tina Basicban én nem találtam nagyobb emitter áramú végtranzisztort. Ha te tudsz másikat, akkor szimuláld azzal az áramkört. Ez a kapcsolás múködőképes a Tina szerint, de ha aggályod van akkor 2 db 441-441-vel szimuláld, az már elbír 8A-t, vagy ha mégsem akkor 3 pár végtranzissztor már elbírja. Nem ez a lényeg, hanem az áramkör zseniális topológiája, ami JLH-tól származik és lehetővé teszi, hogy darlington nélkül adjon le 100W-ot 4ohm-ra. Tulajdonképpen az összes audiophile célú kapcsolás erre törekszik, gondolj csak a "single end-ed" -ekre. Ennek a kapcsolásnak ez a lényege. Szerintem.
Azért ha számít valamit, én értékelem a törekvésedet, és örülök, hogy van aki kipróbál új dolgokat is.
Kíváncsiságból azért összedobnám mit mutat. Abban viszont igaza van CHZ-nek, hogy a JLH az JLH, a JLH-hoz hasonló áramkör már nem JLH, nézd meg a DOZ-t, az is hasonló. A másik dolog, hogy tényleg vannak korlátai a szimulációnak, illetve ne vedd mindig kézpénznek a szimulátort. Mindamellett örülök, hogy valami újat próbálsz alkotni, csak így tovább.
Szimulátor azért nem jelezte , hogy alkalmatlan tranzisztorokat választottál , mert vannak hiányosságai .
Nem szeretnélek lebeszélni a megépítéséről , sőt ösztönöznélek rá . Akkor fog kiderülni mit is tud , nem állítottam , hogy nem működőképes . Másokat viszont óvnék , hogy erre időt vesztegessenek , mert nem fogja hozni azt a minőséget (hangban) amit sugallsz . Amit kreáltál az nem "single end-ed" , sima mezei PP !
Nem választottam alkalmatlan tranzisztorokat.
Pár hozzászólással korábban (492541)már közöltem a JLH komplementeresített változatát. Abban még az ellenállások értéke is megegyezik az eredetivel, abba választottam ezeket a tranzisztorokat, mert ez van a TINA-ban. Az 42V-ról ment. Azt nézegetve jöttem rá, hogy tudhat ez a kapcsolás többet is. Na léptem. Idézet: „Nem ez a lényeg, hanem az áramkör zseniális topológiája, ami JLH-tól származik...” Ez bizony mar nem az a zsenialis topologia amit JLH "megalmodott" az A osztalyu kapcsolasahoz. Viszont keszitett a Tiedhez hasonlo topologiaju, de feltetelezem jobb minosegu erositot. A bemeno fokozat es fesz. erosito fokozat majdnem u.a mint a Te erositodben (v. az A osztalyu JLH-ban) legalabbis ami a felepitest illeti. Komplementer szimmetrikus a vege es passziv utanhuzott aramgeneratorral van felepitve mint az A osztalyu kapcsolas. Azonban J.L.Hood a kapcsolasaban a vegtranyokat egy emitterkoveto hajtja meg ami tobb elonnyel jar mint ha csak siman a VAS hajtana a veget. Ugy gondolom hogy JLH alaposabb munkat vegzett. Lehet hogy jobb volt a szeansz amin reszt vett???
Lám-lám JLH is érezte, hogy csak kéne egy AB osztályú jobb hatásfokú erősítő. Hát a T3 nem emitterkövető, hanem az eredeti kapcsolás szerinti szerepet játssza. Részben munkaellenállás, részben végtranzisztor. Ahogyan az SRPP-ben ennek lennie kell.
A kapcsolás T4-el és T5 -el ki van egészítve, komplementer darlingtonnak. Ehhez dukálna még egy meghajtó tranzisztor, hogy legyen minek lehúzni T5 bázisát, amit nagyon szellemesen helyettesített egy alsó utánhúzó kondival. Elliott erőlködött egy hasonló megoldással, persze a saját szintjén, DOZ néven és volt képe saját ötletként elsütni, hát nem gusztusos, az biztos. Neked pedig bizonyára elerülte a figyelmedet, hogy sehol sem állítottam, hogy jobb erősítőt terveztem volna mint Hood! Ezért arra kérlek ne pellengérezz ezzel. Azt a kifejezést használtam, hogy "előnyös tulajdonsággal bír" bizonyos szempontokból, ( mondjuk összesen max 3 órát fordítottam a tervezésre, nem hittem volna, hogy megmagyarázni 5x annyi kell). Sőt azt javasoltam, hogy Disco célra építsék meg, mert a teljesítményt tudja, hűteni nem kell annyira mint egy A osztályút, hőmegfutni nem tud, viszont garantáltan jobb lesz a hangja, mint a szokvány disco erősítőknek. Gondolkoztál már azon, hogy miért a nem darlingtonos kapcsolás maradt a figyelem középpontjában 40 évig? Ez a topic is arról szól, nemde? Nem lehet, hogy mégicsak a kisebb huroerősítésű, a jel útjában kevesebb pn átmenetet tartalmazó kapcsolások válnak be audiophile célra? Idézet: „Hát a T3 nem emitterkövető, hanem az eredeti kapcsolás szerinti szerepet játssza. Részben munkaellenállás, részben végtranzisztor. Ahogyan az SRPP-ben ennek lennie kell.” Tovabbra sem ertek egyet azzal, hogy SRPP-nek hivod azt a bizonyos fokozatot az A v. AB osztalyu JLH erositokben (amikrol eddig szo volt). Attol, hogy a T3 emitterkoreben a munkaellenallas egy fix aramgenerator nem teszi a fokozatot SRPP kapcsolassa. Egyebkent nezopont kerdese de az SRPP kapcsolasban is a felso cső tul.kepp egy katodkoveto fokozat igy a T3-at ebben a kapcsolasban NEM emitterkovetonek hivni szvsz hibanak tartom! De ugy latom ezen nem fogunk dűlőre jutni igy inkabb hagyom es nem forszirozom tovabb ezt a dolgot. Idézet: „Neked pedig bizonyára elerülte a figyelmedet, hogy sehol sem állítottam, hogy jobb erősítőt terveztem volna mint Hood! Ezért arra kérlek ne pellengérezz ezzel.” Annyit allitottam, hogy JLH alaposabb munkat vegzett es ezt tovabbra is fenntartom. Valszeg nem 3 ora alatt tervezte a fentebb belinkelt AB osztalyu erositojet. Egy kapcsolast en nem tennek ugy kozze, hogy nem epitettem meg elozoleg, nem teszteltem rendesen, stb. stb. Idézet: „Nem lehet, hogy mégicsak a kisebb huroerősítésű, a jel útjában kevesebb pn átmenetet tartalmazó kapcsolások válnak be audiophile célra?” Velemenyem szerint nem olyan egyszeru a kerdes, hogy a kevesebb PN atmenet jobb hangzast eredmenyez. Persze kerdes kinek mi a jobb hangzas. Amig ez nincs definialva addig felesleges potcselekvesnek tartom az egesz audiophilizmust is.
Annyit azért megtehetnél , hogy lefuttatsz egy tranziens (10KHz négyszöggel a kimeneti terheléssel párhuzamosan kötött 1u -os kondival ) és egy fourier szimulációt .
Persze csak akkor ha nem nagy nehézség . |
Bejelentkezés
Hirdetés |




...
A JLH (DoZ) kimeneti fokozatanak mukodese nagyon hasonlo az SRPP-hez de ettol fuggetlenul en nem nevezem (nem is nevezem) azt SRPP-nek. 





