Fórum témák
» Több friss téma |
Mielőtt kérdezel, a következő két dolgot ellenőrizd!
I. A helyes tápfeszültségek megléte.
II. A kimeneten van-e egyenfeszültség.
Élesztés.
Vidd rá az egeret keresés közben a kis kérdőjelre a beírt szöveg mellett... ezt fogod látni.
Köszi, így azért egyszerűbb
Ha csak a meghajó BD-k fesztűrése jelent akadályt, akkor tegyél bele helyettük pl MJE 340 et, bár erre a kérdésre közvetlenül KDmestertől kéne kérned a választ. Egyébként +/- 60V-ra sok jó kapcsolás létezik. Mire kéne? HiFi-re, vagy diszkózni?
Hi-Fi-re kéne, itthoni zene hallgatás céljábol. Van egy hibás Technics SU-V660as erősitőm és abban a tápfeszültség +-60Volt. De nem szeretném a trafót kicserélni emiatt. Gondolkodtam hogy a Király Tibor féle 60Volots változatot csinálom meg bele. De ha tudsz valami olyan kapcsit ami 8 Ohmra 80-100Watt környékén van és tranzisztoros vagy FETes és +-60ról is megy akkor mutasd meg légyszives. Köszi.
A VF2-t sokan dicsérik, bár én nem ismerem. Szerintem a 60V-os változata éppolyan életképes mint a többi, de remélem hogy ebben majd egy olyas valaki is megerősít, aki megépítette
Szia!
Abban a leírásban azért van egy-két pontatlan rész, amivel vitatkozni lehet. Maradjunk annyiban a két, vagy egy diódahidas változat közel egyenértékű.. Legalábbis szerintem.
Így helyes a tápegyaég. C7 - C14 kondiknak már majdnem sok a 100 nF, én először 10 nF és 47 nF között próbálkoznék. Igaz 1 greatz hidat meg lehetne spórolni, de így fele akkora terhelhetőségű hiddal, vagy diódákkal is elkészíthető. Brummveszély és földhurok problémák kivédéséhez a kéthidas módszer szerintem előnyösebb. Ügyelj a csillagpontos elrendezésre! (Töltő és kisütó vezeték - táp. kimenet csatlakozások az elektrolit kondenzátor beforrasztási pontjai legyenek. Esetleg olvasd el Király Tibor Vf 2 erósító szerzőjének honlapján leírtakat amit a tápegységről leír.
Sziasztok!
3886T erősítő ic hez ha valakinek volna egy müködő kapcsolási rajza nagyon megköszönném,metr amikkel találkoztam elég furcs dolgokat produkáltak,már vagy három változatot kipróbáltam de vagy a hagszoró bánta vagy a biztik de értelmes zenei hangot nem igazán akart ezidáig kiadni de nem akarom feladni mert ennél már bonyolultabb dolgokkal is megbirkoztam de ez most ki fog rajtam ezért kérem a segítségeteket ha valakinek rajza linke vagy egy jó ötlete volna.
Jó leírás de én sok erősítőt megépítettem egy Greatzel és nem volt brumm négyszögjel stb. bár van alapja de ha az audiotechnikában bevált módon van megépítve csillagpontos földelés, hidegitő kondik már a dióda hídon az egy greatz jó az asszimetria elkerülésére, ha a tápodnál az egyik oldal máshogy reagál az legalább akkora gond mint a négyszögjel ami persze megfelelő hidegítéssel ki sem alakul. Kondit megfelelő kiegyenlítő tekercs "ellenálás" nélkül nem érdemes használni, kisímítja a teljesítményt nem lesz a cikkben leírt impulzus jelenség az egy diódahiddal épített tápom több mint 10éve brumm mentesen müködteti az STK végfokomat amivel sok buli is lezajlott, de nem ment tönkre sem a toroid sem a kondi, és 0 brumm. Persze pár db. 100n-os kondival több kell hozzá.
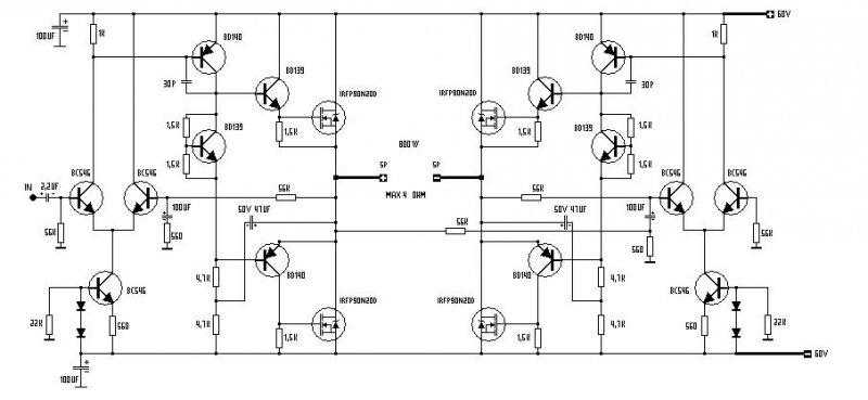
Tudna valaki olyan fet-es rajzo(ka)t feltenni,amely 2X60V körüli tápról 200W környékén teljesít,és a lényeg,h ne komplementer,csak N-csatornás legyen a kimenőkör.Ennek a kivételével:
Szia!
Hehe. Ez a förmedvény rendszeresen előkerül. Tessék ez jó, megy +-60V-ról is. A tranzisztorok MJ340-350 legyenek. Bővebben: Link
Nagyon köszönöm,de miért is förmedvény az előző rajz?
ha kifejtenéd,érdekelne.
Szia!
Időről-időre megjelennek ezek a rajzok a fórumokon. Szerintem ez úgy született, hogy valaki látott egy működőképes kapcsolást, és úgy gondolta ő is tud alkotni valami működőképest. Vagy talált egy elméleti kapcsolást, és úgy gondolta van elég tapasztalata átültetni a gyakorlatba. Ami ezen a kapcsoláson helyből szemet szúr: - 120V a tápja a BD139-140-es tranzisztorok 80V-osak. - A feszültség erősítő a végtelenségig leegyszerűsítve. - Hogy a kivezérelhetőség jobb legyen kondenzátoros feszültség után-húzást alkalmaz. De pont fordítva, ide PNP tranyós differenciál erősítő jobb lenne, és alulra egy NPN feszültségerősítő, ha már így oldotta meg. - Hiányzik a kapcsolásból az összes stabilizáló és gerjedésgátló elem. - A nyugalmi áramot illik beállíthatóra csinálni. Hirtelen ennyi. Elég összehasonlítani egy bevált kapcsolással, és látja az ember, hogy ebből szépen kispóroltak amit csak lehetett.
Jogos az okfejtésed,a konstrukció egyszerűsége nekem is szemet szúrt elsőre,épp ezért lettem rá kíváncsi...nos,én megépítettem két már példányban,a dolog működik,a rajz szerint híd-üzemben is,kipróbáltam,de én csak szimplán használom.(minek 800W??) Így szimplán 2x55(pláne 60)volt tápról tudja a Quad teljesítményének a dupláját(min.200W sinus),és azonos minőséget,de (!!),teljesen más hangfekvésben zenél,szinte ellentéte a másiknak.Az alkatrészköltség,-és bonyolultság viszont össze sem mérhető.S ha valami egyszerű,az nem feltétlenjelent rosszat... Tény,ha valaki biztonságra törekszik,a BD-ket érdemes lecserélni nagyobb fesz-tűrésű típusokra,ezek úgy 2x45V-ig használhatók.És igazad van,a kapcsolás eléggé gerjedékeny,tehát lenne mit finomítani rajta...Viszont egyszerű,s a feteken kívül filléres dolog,főleg ha azt nézzük,teljesítményben mennyit tud.
A két,1,5k-s ellenállás helyére 3,3-as trimmert alkalmazva a nyug-áram jól állítható,de kis figyelem szükséges,a poti"vége"felé lesz optimális.Ha csak szimplán használjuk,ez szerintem szükséges.A rajz alapján majdnem nulla lesz,de a konstruktőr úgy gondolta,ha marad is némi kereszttorzítás,a híd-üzemmód miatt ez kioltódik.A rajz szerint nem a minőségre van a cucc kihegyezve... Ha valaki jobban bízik a fix ellenállásban,akkor a felső tag(nálam)3,3kohm,az alsó 510-560 között.
Szerintem az is egy ökör nagy hiba, hogy az első végfokon végig szalad a jel és csak utána kapja meg a másik végfok. Valamikor már kitárgyaltuk, hogy ez a megoldás nem a legjobb mert veszteségek keletkeznek amiért késik egy picit a jel.
Sziasztok!
Tudnátok nekem olyan oldlakat linkelni, ahol tudok venni jóminőségű aktív (esetleg passzív) mélynyomókat? Olyant, ami nem ilyen gagyi mint a sal, somogyi, hanem ami tényleg erőteljes mélyeket ad. Köszi előre is!
Láttad a topik témáját?
Egyébként is ott a google.
Sziasztok.
Elégett a aQuad-405ös erősitőmben egy 22 Ohmos ellenállás, de sajna nincs itthon csak 20 Ohmos. Nagy baj lenne ha ezzel helyettesiteném? -táp bemenetnél volt.
Sziasztok szerintetek ez a rajz életképes vagy kukábavaló?
Sziasztok!
Egyszer már kérdezték ezt, de ahogy láttam nem kapott választ: Van nekem is itthon 3 db BD436-os, egyenként 36 wattos tranzisztorom (gain 85 és 475 között asszem) Tudtok olyan erősítőt/végfokot, amihez ez jó?
A tranzisztorhoz választanál erősítőt?
A gombhoz meg kabátot? Ha erősítőt akarunk építeni, akkor szerintem ne 3 db otthon lapuló 60 Ft-os tranyó legyen a kiindulópont.
Szia!
Bocsi hogy ide tettem fel a kérdést, de én nem nagyon értek az ilyen bolti cuccokhoz, és azért nem keresek a google-be, mert a tapasztaltabbaktól szeretném megkérdezni hogy mindenképpen jót vagyek Nem tudom mi számít jó márkának a subládákban
Itt az adatlapja, az ícének. Lehet hogy működik, de én nem állnék neki. Egyszerűbben is lehet jó végfokot csinálni és a fene tudja hogy ez milyen...
Ez az ajánlott kapcsolása:
Szerintem ebben a témában kéne keresned a választ. És még egy tipp: rögtön elsőre ird le azt is hogy milyen célra akarod használni, milyen rendszert akarsz csinálni vele, vagy milyen meglévő redszerhez szánod, na meg azt is hogy mennyi pénzt akarsz rákölteni.
Szia!
Ez a kapcsolás 4 ohm-ra kb. 160W-ot tud, de ne vágj bele, mert ezt az IC-t már rég nem gyártják. Nem is biztos, hogy beszerezhető, vagy a későbbiekben pótolható lesz.
Szia!
Ha megengeded válaszolnék egy-két dologra a felvetésed kapcsán. Idézet: „Így szimplán 2x55(pláne 60)volt tápról tudja a Quad teljesítményének a dupláját” Egy erősítőnek a teljesítményét a tápfeszültség és a terhelő ellenállás szabja meg. Az erősítő kapcsolása csak minimális mértékben szabja meg a kimenő teljesítményt, ez a kivezérelhetőség, amiben a Quad nem jeleskedik, de ez az erősítő még annyira sem. Idézet: „.Viszont egyszerű,s a feteken kívül filléres dolog,főleg ha azt nézzük,teljesítményben mennyit tud.” Egy erősítő filléres dolgokból áll. Egy kis BC kb. 5-7 Ft, az ellenállások, kis kondenzátorok, szintén pár forint, sőt egy jó műveleti erősítő is kapható 30-40 Ft-ért. Ha az erre az erősítőre szánt összeget megfejeled 100-200Ft-tal akkor egy jobb erősítőt kaphatsz. A minőségi végtranzisztorokat, és FET-eket pedig ígyis-úgyis meg kell fizetni. Idézet: „de a konstruktőr úgy gondolta,ha marad is némi kereszttorzítás,a híd-üzemmód miatt ez kioltódik” Rosszul gondolta. Mivel a híd két oldala ellen-fázisban van vezérelve, a kereszttorzítási hiba ugyanúgy összeadódik mint a hasznos jel amplitúdója. Idézet: „kapcsolás eléggé gerjedékeny, tehát lenne mit finomítani rajta.” Pont az ilyen hibák, és pl. a nem megfelelő tranzisztorok miatt nem javaslom a megépítését. Ha valaki kifog egy olyan tranzisztor ami nem tolerálja a nagyobb feszültséget, vagy egy masszív gerjedést a hangfalak tömény füsttel nyugtáznak, hát a delikvens majd csak áll leforrázva. Ha pedig ezt a kapcsolást kiegészítem a hiányzó elemekkel, akkor megkapom azt a kapcsolást ami le lett csupaszítva, de akkor nem célszerűbb azt megépíteni?! Ennek ellenére nem írom(írtam), hogy ez az erősítő működésképtelen, vagy használhatatlan. Lehet, hogy egy olyan emberke, akinek már nagy tapasztalata van áramkörök építésében, jó paneltervvel össze tudja hozni. De a tapasztalat az, hogy az ilyen áramkörök után-építésénél sok gond adódhat, és ilyen hibák a kapcsolásban(nem megfelelő alkatrész, gerjedés) okozzák az olyan fejtörőket, hogy rendesen működött, és egyszer csak úgy megpusztult az erősítő. Megjavítva megint megy, majd a leglehetetlenebb időben megint megadja magát. Nos ezeket nem csak e-miatt a kapcsolás miatt írtam le, hanem ha valaki erősítő építésbe kezd(és kezdő) legyen egy kis támpontja, mi alapján válassza ki a megfelelő kapcsolást. Remélem nem írtam hülyeségeket..
Úgy voltam vele, hogy ha már egyszer itt van ez a rohadt sok alkatrész, kezdjünk vele valamit
Sajnos ilyen speckó alkatrészekből mint IC-k, tekercsek, tranyók, kevés van, és nem is igazán jók (videóból valók, nem igazán tudom hogy milyen gitáros cucchoz lennének jók).Viszont megtaláltam ezeket a végfok tranzisztorokat, meg úgyis van egy raklap felesleges kondim meg ellenállásom, gondoltam csinálni kéne belőle valamit...
Szia!
Ezek a tranzisztorok annyira alacsony feszültségűek ráadásul PNP-sek, nem igazán erősítőbe való. Max. pár wattra elég, de elég nehéz PNP-s végtranzisztorra kapcsolást találni.
Ha ez számít valamit, egyetértek mindenben veled.
|
Bejelentkezés
Hirdetés |





Ha csak a meghajó BD-k fesztűrése jelent akadályt, akkor tegyél bele helyettük pl MJE 340 et, bár erre a kérdésre közvetlenül KDmestertől kéne kérned a választ. Egyébként +/- 60V-ra sok jó kapcsolás létezik. Mire kéne? HiFi-re, vagy diszkózni?








