Fórum témák
» Több friss téma |
- Ez a felület kizárólag, az elektronikában kezdők kérdéseinek van fenntartva és nem elfelejtve, hogy hobbielektronika a fórumunk!
- Ami tehát azt jelenti, hogy a nagymama bevásárlását nem itt beszéljük meg, ill. ez nem üzenőfal! - Kerülendő az olyan kérdés, amit egy másik meglévő (több mint 17000 van), témában kellene kitárgyalni! - És végül büntetés terhe mellett kerülendő az MSN és egyéb szleng, a magyar helyesírás mellőzése, beleértve a mondateleji nagybetűket is!
Köszi!
Pontosabban hogy jeressej rá, hogy össze tudjak dobni egy áramkört vagy stb.? Mert Google ba rákerestem és csak a programozás van mindenhol
Hello!
Valaki itt már készített PLC-t. De egy feladatra nem érdemes fejleszteni ilyen dolgot, mert az sokkal összetettebb és nem lesz moduláris, ahogyan szeretnéd. Ha ilyen kérdéseket teszel fel, akkor abból azt látom nem vagy olyan jártas a témában, hogy meg tudnád valósítani. (PLC harwer, keretszoftver, PC szoftver...) Vagy készítesz valami PIC-AVR készüléket egy speciális feladatra, vagy veszel egy gyári univerzális PLC készüléket. Rengeteg fajta létezik. Nem amatőr áron, az igaz, de... Szóval az ember vagy az alkalmazását fejleszti, vagy az eszközt. De egyszerre a kettőt, szinte soha nem kifizetődő. (Esetleg ha csak analóg jeleket akarsz feldolgozni, (meg néhány digit jelet) akkor van a National-nak, erre a célra PC-be illeszthető kártyái. Anaóg és Digital ki-bemenetekkel. Ezek ma már grafikusan is programozhatók.) üdv! proli007
Van egy kis jártasságom az elektronikában, most a digitális elektronikáa akarok átállni mert az analóg már nem elégíti ki az igényeimet. Amúgy autó softwereket programozok már 6 éve de az teljesen más. Akarok csinálni egy ilyen "eszközt" ami nagyban segítené a munkámat. Az ár nem számít, csak én akarom csinálni.
Köszi az eddigi segítséget! Eddig akikkel beszéltem, semmit nem mondtak, csak árat, hogy mennyiért csinálnák meg, az meg nem jó nekem. Köszi! Leslie.
Bocsánat ha nem eléggé érthető...
Szóval adott egy bestar tipusú időzítő relé, ami szuperál tökéletesen. De az indító jelek között kell 1-2 secnek lennie, különben nem kezdi újra az időt. Az indító jel viszont gyakoribb, így amikor lejár az időzítés, a relé nem tud alapállapotába kerülni és nem kezdi újra az időzítést. Igen valóban azt kellene megoldani, hogy az indítójel kimaradjon pár másodpercig. Ezt kellene valahogy megoldani. Az jó megoldás hogy x másodpercig nem engedem oda a jelet, de a kérdés, hogy hogyan oldjam meg (nem vagyok túl képzett ezen a területen) Köszönöm szépen.
Nemnagyon értek a témához, de ha van egy jeled aminek a frekvenciáját akarod csökkenteni, akkor egy egyszerű bináris számláló clock bemenetére kötöd.
Kimeneti bitek: 0: 2es osztás, 1: 4es , 2:8as, 3:16os. Sziasztok! Picit bonyolult,de próbálom elmondani. van két távvezérlőnk, az egyik az enyém a másik a feleségemé.Az enyémet a feleségem kimosta,és tönkre ment.Amikor kaptuk a távvezérlőket( egy hivatal) aláírattak egy papírt,hogy a távvezérlő elvesztése esetén 50000 forintot kell fizetni.A kimosott távvezérlő teljesen szétment,bár tudok venni helyette másikat,de nincs bekódolva. Kérdésem az lenne,vajon ha veszek egy másik távvezérlőt akkor megtudom-e tanítani a feleségem működő távvezérlőjérő az enyémet? A távvezérlő tipusa( ezt a neten tudtam megnézni),ha minden igaz: master round,434 mhz,4gombos,ugrókódos üdv :józsi
Hello!
Akkor ha jól értem, szimulátort szeretnél készíteni a szoftver teszteléséhez. (Ha az ember feszültséget akar mérni, akkor nem kezd el multimétert gyártani..) Ha a pénz nem számít, akkor semmi estre nem fognák gyártásba, mert ha egy univerzális dolgot veszel, az másra, vagy máshoz is használható, nem úgy mint egy egyedileg gyártott-tervezett valami. Egyedi gyártású készüléknek akkor lenne értelme, ha pld. egy sorozatban gyártott készüléked végtesztelését és minősítését kellene megoldani. De minden esetben akkor ki vagy szolgáltatva a gyártónak. Nem esik teljesen a profilomba, de ha mérés-vezérlést szeretnél készíteni, akkor a Modicon Quantum PLC-t ajánlanám (a Schneider-nél készséges segítőkre is találsz), ha mérésadatgyűjtőt, akkor a National Instuments SCXI rendszerét, amit USB-n csatlakoztathatsz a PC-hez. Mindössze a funkciókat, a csatornaszámokat, felbontást és sebesség igényt kell eldöntened. Ahogy látom, a programozás, meg nem lesz gond. üdv! proli007
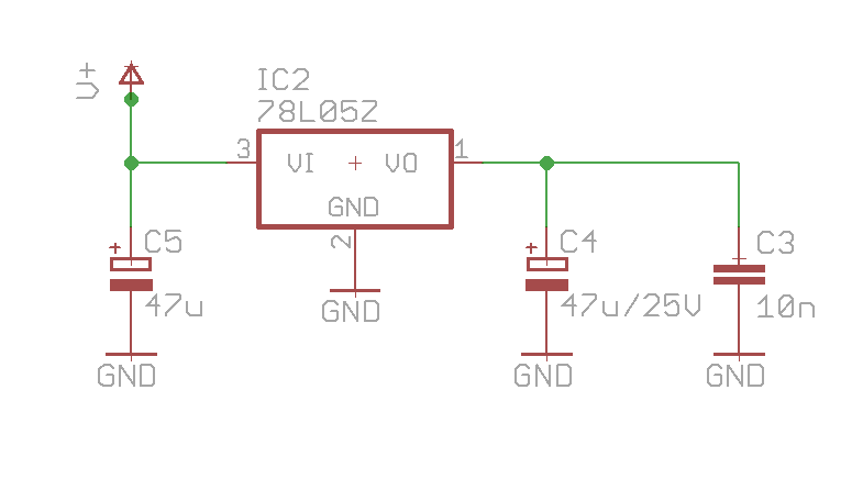
Stabil 5V-ra lenne szükségem. Az alábbi kapcsolást találtam hozzá.
A kérdéseim: Ha jól gondolom legalább a kimeneti feszt biztosítanom kell. 5V-nál így nem elég a 4db ceruza akksi 4,8V-ja? Az adatlapon azt láttam, hogy 3.3-9V kimeneti fesz között max 30V-ot bír ki így nyugodtan ráköthetek 24V-ot is akár két autó akksiról is? (Persze csak pár mA-el terhelem) Ha az áramkör más részeinek nagy lesz a terhelése akkor a 47µF-es (C5) kondit kéne kicserélni mondjuk egy 100µF-esre? (Motorokat fogok vezérelni ami akár 4-5 A-t is felvesz és ez a fesz. stab az AVR-nek biztosítaná a stabil 5V-ot) Ha nem 5V, hanem 3.3V-ot akarok vele előállítani akkor egyszerűen csak kicserélem az IC-t és kész? (Jók ezek a kondik hozzá?). Előre is köszönöm.
Ha aksira kötöd akkor az első 47µF nem fontos, mert azt nem kell szűrni, viszont egy 100nF osat beszoktunk rakni azért oda. A kimeneten se nagyon kell pufferkondi de 100µF et rakj be.
Az ilyen ICknek ha jól emlékszem a stabilizált fesz+ 1,25V tápfesz szükséges legalább, tehát 6 ceruzaelemmel már jó vagy. Ha 3,3V ot akarsz akkor arra nemtudom, hogy van e ilyen stab, de az LM317 az egy állítható stabilizátor. azzal meg lehet oldani. Üdv.
Van 3,3 V -os stab IC, SMD tokozásban.
Egy digitális vezérlőáramkör tápellátásához valószínűleg elég ez a kapcsolás, nem kell módosítani (de ha már pl. ledes kijelző is van az áramkörben, akkor nem elég). Az L -es sorozatú stab. IC -k ugyanis kis teljesítményre vannak készítve, tehát nem nagyon tudod az áramkört terhelni (78L05). Nagyobb terheléshez más stab. ic kell. A sima 78 -as sorozat 1 A kimeneti árammal terhelhető, de vannak nagyobb áramra tervezett stab. ic-k is. A bemeneti feszültségnek kb. 2-3 Volttal nagyobbnak kell lenni minimum, mint a kimeneti, vagyis a 4db ceruza akksi nem elég, még az 5 se nagyon..
Szia! Új adót a vevővel kell megtaníttatni, máshogy nem működik. Azért, hogy a mosásban üzemképtelenné vált, nem fognak ennyire megvágni, de biztosan visszakérik a régi adót... Komoly helyen az adó-panelt egyedi azonosítóval látják el, a vevőt pedig "belülről" is szabotázs-védetten szerelik fel. Szóval, nincs mese, vallani kell.
sziasztok, keresőt használtam, de nem találtam olyat amiből okosabb lettem volna, úgyhogy a segítségeteket kérem:
hogy lehet megoldani, hogy olyan 230AC-s vezetéken amin rajta van a hálózati áram, át tudjak küldeni valamiféle vezérlő jelet, esetleg digitálisan kommunikálni. Ez az egész egy elektromos kapuhoz kellene, a kapu és a kaput nyitó gomb között 250m van... Köszönöm!
Sziasztok. Érdekelne engem egy egyszerű léptetőmotor vezérlő elektronika. A fordulatszám lényegtelen egyszerű léptetőmotor teszthez kell, hogy jó e a motor. Azt hiszem unipoláris a motor 6 kivezetéssel. Odáig eljutottam, hogy bizonyos sorrendben feszt kapcsolva a vezetékekre elkezd forogni a motor. Olyan vezérlő érdekelne ami egyszerű áramköri elemeket tartalmaz nem mikrovezérlőket lehetőleg cél ic-ket se. Mindössze olyat szeretnék, hogy bizonyos időközönként a tranyók kapnak jelet. Nem értek annyira hozzá, de csak kondikkal és tranyókkal meg lehet csinálni?
Sziasztok!
Szeretnék készíteni egy kis érzékelőt, amin lenne egy-két szenzor, egy pic és egy bluetooth modul. Úgy akarnám, hogy mobilra írnék egy java alkalmazást, ami kérdezgetné bluetooth-on keresztül a szenzorok értékét. Tudnátok kicsit segíteni? Milyen elérhető árú bluetooth-os kommunikációs modulok léteznek? Esetleg tudnátok konkrét típust ajánlani ami olcsó és alkalmas a feladatra? Köszi Zoli
Sziasztok!
Mit jelentenek a szines karikák az ellenálláson?
Sziasztok!
Csináltam egy ventillátor szabályzót, és hozzá egy ledes visszajelzőt. Ezt a "kapcsolások" "pc tuning"-ból vettem. Ott le van írva minden ha valaki segíteni szeretne. Az a problémám hogy amikor el kezdem tekerni a potit, a ledek szépen sorba el kezdenek világítani, ahogy kell, de a ventillátor csak akkor indul el amikor már a 7. led is világít. Elindul a venti, ahogy tekerem a potit nö a sebessége, de még talán 20%-on sincs és már világít mind a tíz led, mintha már maximumon pörögne. Abba kellene egy kis segítség hogy, hogy lehetne úgy megcsinálni, hogy a tizedik led, csak akkor világítson amikor tényleg a maximumon pörög a venti.
Üdv!
Mit jelent az hogy egy ellenállás megnyúlik? Megnő az értéke? És ez minek köszönhető? Vagy ez magától történik? Előre is kösz!
Hello!
Egy linket azért betehettél volna. Mert ahogy látom, egy motor szabályzót építettél meg és egy LM3914-es kijelzőt. - De a Led-es kapcsolás jól van méretezve, annak 12V körül kell maximumot jeleznie. Ha ez nem így van, akkor valamit elrontottál, pld. az R3/R2 bemeneti 5,6kohm/860ohm-os osztó értékeit. üdv! proli007
Hello!
Így van. Túlterhelésre, esetleg megrepedezik a lakk rajta, és a levegő korrodálja a vezető réteget. Ettől is megnyúlhat az értéke. (Régen szénréteg ellenállás esetén elég gyakori volt, főleg a 0,125W-osnál.) üdv! proli007
Üdv!
Csináltam egy változtatható erősítésű előerősítőt számítógépbe NE5532-vel, egy halk hangkari miatt. A tápot az alaplapi csatiról veszem, +12V és -12V -ot. Annyi a probléma vele, hogy kikapcsoláskor a leálló motorok zavarait hallani a kimeneten. Hogy tudnám ezt kiküszöbölni?
Üdv!
Sorozatban gondoltam gyártani. Nagyvonalakban annyit a felhasználásáról, hogy ha egy szonda romlik akkor ne a 100-200e Ft ot kelljen kifizetni hanem egy átmeneti megoldást találni míg nem megy teljesen tönkre. PL ha egy sonda már csak a fele jejet adja ki akkor megszorozni 2 vel az egész tartományt. Mutatok egy programot ami egy ilyen eszközt programoz. Csatoltam...
Szia!
Régebben én is akartam csinálni és megtaláltam őket: ROXracing Kb 18e Ft ért tudsz venni elektronikát ami elég reális ár és 110% ban kimeríri az igényed. Üdv: Kallós
Helló!
Ezt építettem meg, de úgy látom hogy mindent ugyanúgy ahogy le van írva. A 10. lednek akkor szabad világítania amikor 12V -ot kap? Gondolom akkor éri el a venti rpm-je a maximumot. Nem?
Sziasztok!
Megtudná valaki mondani, hogyan tudom kiszámolni, hogy U feszültségről, R ellenálláson keresztül C kondi mikorra töltődik fel X feszültségre? Kössz: uli
Köszi, megvan a hiba.
Újabb méréseim alapján kiderült hogy fel cseréltem az R2-t az R3-al. most már OK!
Tau = R * C, ez egy időállandót ad meg, másodpercben értve.
1 Tau idő alatt a folyamat 63 %-a megy végbe. Az egészhez tul. képp elsődlegesen a feszültségnek nincs is köze. Tegyük fel, van egy 10 V-os teleped. Van egy 100 k ohm-os ellenállásod sorbakötve egy 1 µF-os kondenzátorral és ezt rákapcsolod a telepre. Ekkor az időállandó 0,1 sec-ra adódik, tehát 0,1 másodperc múlva közelítőleg a teljes tápfesz. 63 %-ára töltődik fel a kondenzátor, azaz 0,1 sec-kel a rákapcsolás után 6,3 V lesz mérhető a kondin. A továbbiakban a "maradék" feszültségnek kell a 63 %-át venni és azt hozzáadni az előbbi feszültséghez, azaz ismét 0,1 sec elteltével, összesen 0,2 sec után: 6,3 V + (3,7 V * 63 %) = 6,3 V + 2,331 V = 8,631 V lesz mérhető a kondin 0,3 sec-nál már 8,631 V + 0,8631 V = 9,49 V lesz mérhető a kondenzátor kivezetésein. Ebből egy kis okoskodással visszaszámolható, hogy X értékre hányszoros vagy hányad Tau értéknél fog feltöltődni.
Sziasztok!
Lenne egy elméleti kérdésem. Mellékeltem egy képet, és arra lennék kíváncsi hogy, hogy lehet kiszámolni a következőt (példával kezdem hogy legyen egyértelműbb): tegyük fel a tápfeszültségem 12V, a potencióméterem 10kohm, és én ezzel a potencióméterrel szeretnék egy feszültség intervallumban szabályozni pl.3-5V. Hogyan kell megválasztanom az R1, R2 ellenállások értékét hogy ez nekem működjön? Sokat gondolkoztam és számolgattam de nem jöttem rá, és mindig elcsúsztam valahol. De nem azt szeretném, ha valaki ezekre az értékekre kiszámolná, mert ezeket csak példának okáért adtam meg. Arra lennék kíváncsi hogy mi az eljárása, levezetése ennek, ha egyáltalán lehetséges. Köszönöm előre is, és remélem helyesen írtam :bummafejbe:
Egyszerűbb, mint gondolnád. Ha a potin 3-5V feszt akarsz, akkor a 10k-s potin 2V esik. Ez már egyértelműen meghatározza az osztó áramát. I=Up/Rp, vagyis I=0,2mA. Az R1 értéke: Ut-Upot felső/I, vagyis5V/0,2mA, ami 35k. Az alsó ellenállás R2=Upot alsó/I, vagyis 3V/0,2mA, ami 15k-ra adódik.
Ez csak terheletlen állapotra igaz. |
Bejelentkezés
Hirdetés |






Újabb méréseim alapján kiderült hogy fel cseréltem az R2-t az R3-al. most már OK! 





