Fórum témák

» Több friss téma
Fórum » Erősítő mindig és mindig
Mielőtt kérdezel, a következő két dolgot ellenőrizd! I. A helyes tápfeszültségek megléte. II. A kimeneten van-e egyenfeszültség. Élesztés.
Lapozás: OK   368 / 2580
(#) mofesa válasza lapose hozzászólására (») Szept 24, 2009 /
 
Köszi szépen.A kérdés még az lenne,hogy a tranzisztorokat érdemes-e nagyobbra kicserélni,a HQ-nál megvannak a helyettesítői.A másik meg az,hogy a kimenő ellenállások hány watosak legyenek.A huzal menetszámát és vastagságát még megtudom határozni.
(#) steelbird válasza mofesa hozzászólására (») Szept 24, 2009 /
 
Cseréld, mert a HQ -nál manapság az összes teljesítménytranzisztor utángyártott vacak, negyedannyit sem tud. 4 db HQ -s tranyó = 1db gyári.
(#) highand hozzászólása Szept 24, 2009 /
 
Hello!
A múltkoriban volt szó a hibajavítós erősítőkről. Említettem, hogy pár éve az egyik High And Show-on bemutattunk egy ilyen elrendezésű erősítőt, ami TDA 2030-akkal működött. Most a kapcsolást újra megterveztem, mert tényleg az egyik legolcsóbban előállítható High And hangnak tartom. Az igazság az, hogy már elfelejtettem a hangját, így őszintén meglepett, amikor a próbanyákos kivitel megszólalt. Igazából nem is torzítás mentessége, hanem a hangzási karaktere és a sztereója megdöbbentő. Ilyen mélyhangokat csak irgalmatlanul drága alkatrészekkel lehet elérni egyébként.

A vicc az, hogy a passzív, hibajavító ág valamilyen mértékben segít az elérhető kis teljesítmény korlátain is, ugyanis, amikor a master erősítő klippbe megy, akkor ugyan a slave, a hibajavító ág megszűnik hibajavítósnak lenni, de azért "sima erősítőként" a klipp miatt hiányzó tartalmat simán pótólja, így kommersz erősítő módjára ugyan, de a klasszikus hídból kivehető feszültség jelenik meg a hangszórókon.

Magyarul fél kimenő feszültségig az erősítő extrán jó, utána pedig csak átlagos. Nagy dinamikájú csúcs felvételek esetén a kommersz hangú nagyobb feszültség tartományban dolgozó szakasz amúgyis csak a beütések miatt kell.

Tök "csövesen" szól, na.
(#) KD mester hozzászólása Szept 24, 2009 /
 
Nos a témához kapcsolódóan itt van egy "ideális tranzisztor" kapcsolástechnikával tervezett erősítő fokozat. 100V-pp kimeneti jelet képes produkálni 20Khz-en 0.001% thd-val (MS7szimuláció).

Ez szintén hibajavítós kapcsolástechnikának tekinthető, csak az elemi erősítőeszközök szintjén történik a hibajavítás. Azért is ideális tranzisztor kapcsolástechnika az elnevezése. A gyakorlatban is jól hasznosítható az elv. (A legutóbbi végfokomban pl: szintén felhasználtam az elvet jó eredménnyel.)

Az elv lényege, hogy megfelelő munkapontban egy szimmetrikus emitterkövető képes 0.001%-torzítás allatt lekövetni a bemenetére adott jelet. A lényege, hogy az emitter ellenálláson keletkező torzítatlan áramot kell ismét feszültséggé alakítani egy 1-2 nagyságrenddel nagyobb ellenálláson hibátlanul, így nagyon jó feszültségerősítőhöz jutunk.
(#) KD mester válasza KD mester hozzászólására (») Szept 24, 2009 /
 
Kísérletképpen RIAA korrektor is készült belőle, de aztán a másik kapcsolástechnikánál kötöttem ki RIAA korrektort illetően...

Itt meg egy hibaáram visszacsatolt áramgenerátor van szintén a fenti elvvel. Ezen a legkönnyebb belátni a működési elvet:
(#) KD mester válasza KD mester hozzászólására (») Szept 24, 2009 /
 
A RIAA kapcsolása meg törlődött a fenti hsz-ből:

RIAA.jpg
    
(#) macera2 válasza highand hozzászólására (») Szept 24, 2009 /
 
Hello highand!
Említed, hogy a „múltkoriban volt szó a hibajavítós erősítőkről”. Mikor volt az a múltkoriba? Mert nekem teljesen új a módszer, és szeretném megismerni. Hazudnék ha azt mondanám, hogy minden világos a küldött kapcsolás körül. Elég régen hifiztem. Persze akkor is voltak ilyen nagyságrendben, kis torzítású, ravasz kapcsolások, igaz, hogy ekkora kimenő szinttel még nem találkoztam. Jó volna tudni a kapcsolás harmonikus / intermodulációs torzitását, szint és frekvencia függvényében. Amiről nem nagyon szoktak beszélni, bár szerintem legalább olyan fontos mint az eddigiek, az az impulzusátvitel. Szintén szint és freki függvényében. Ezt persze szkópon kellene látni, mert szép dolog a számítógépes szimuláció -első nekifutásra- de az igazi mégis csak a spec. műszer.
(#) highand válasza macera2 hozzászólására (») Szept 24, 2009 /
 
Ez már nem szimuláció csupán, ahogy ígértem megépítettem, jelen pillanatban is azt hallgatom, éppen az utolsó mohikán zenéjében lévő hegedűket szeretném kihallani és megjegyezni.

Az elvet részletesen tárgyalta valamelyik rádió technika évkönyv, illetve itt korábban én is bemutattam, 2 hete kb.

Ha leírod, hogyan mérjem az impulzus átvitelét, akkor lemérem neked.

Mit szeretnél látni? - egy fényképet éppen csinálhatok a Tetronix-ról a próbanyákkal.
(#) Milan90 válasza Daemon09 hozzászólására (») Szept 24, 2009 /
 
Idézet:
„Hogyan tudom megnézni? Melyik lábakat hogyan nézzem?”

Megnézed, hogy zárlatos-e. A lábai között szakadásvizsgálóval zárlatot keresel (=sípol). Ha nem sípol, attól még persze lehet rossz, de azt ennyire nem egyszerű megállapítani.
Amúgy te most a táp, vagy a végfok fetekről beszélsz?
Amúgy bocs a késéséret, csak új billentyűzetet kellett vennem. A régi nem szerette az ásványvizet.
(#) macera2 válasza highand hozzászólására (») Szept 24, 2009 /
 
Hello highand!
Én ezer éve hifiztem! Akkori munkahelyemen tele voltunk profi embargós műszerekkel. Többek között HP automata torzitásmérő, Wandel, Tektronix, messplatcc, stb. Amit tudok ezen a téren, azt akkoriba szedtem fel. Pusztán a kíváncsiság sarkall, hogy mennyit fejlődött azóta a terület? Az akkori infóim szerint a zenészek „vak teszttel” letesztelték az egyes erősítőket, és kiderült, hogy minden paraméterében 1nagyságrenddel rosszabb csöves erősítő „szebben szól”. Nem tudták miért. Ekkor jöttek a különféle vizsgálati módszerek, fűrészjelre ültetett szinusz, impulzusátvitel, kapacitív terhelés, stb. Nekem ilyen emlékeim vannak. Az impulzus átvitelt meg azért tartom lényegesnek, mert a valóságban is ilyen a terhelése az erősítőnek. Hiába kicsi a torzítás, ha az erősítő kap egy lökést, és ennek hatására beleng, akkor ez kimegy a hangszóróra. Csak egy javaslat, hogy hogy lehet ezt vizsgálni: hajtsd meg a bemenetet egy 1 v-os TTl impulzus sorozattal (nem kötelező a 2 ns-os felfutás), -ha nincs funkció generátor- és szkóppal megnézed, hogy mi van a kimeneten. Felfutás, túllövés, tetőesés, az esetleges lengés mennyi idő alatt csillapodik stb. A jó impulzus átvitel a fáziskarakterisztika linearitására is utal. Nem kell itt fényképpel bizonyítani semmit se, de tapasztalataidról azért beszámolhatnál.
(#) M.Béla hozzászólása Szept 24, 2009 /
 
Sziasztok!

Utánépítek egy erősítőt,és a védelemmel van egy kis baj,ugyanis nem tüntették fel a tranyók típusát,és kapcsolás sincs róla csak a beültetés alapján tudok következtetni.A kép alján odaírtam hogy szerintem melyik-melyik,de jó lenne ha ránézne valaki.

Köszönöm.

VÉDELEM.JPG
    
(#) troby válasza M.Béla hozzászólására (») Szept 24, 2009 /
 
Helló szerintem ez a kapcsolás megfelelő lenne hozzá.
Mivel ahogy elnézem az erősítőd ez a 300 vagy 400W os To-3 as tranyókkal felépített. És az oldalon amúgy fent van a kapcsija.

vedelem.JPG
    
(#) mofesa válasza steelbird hozzászólására (») Szept 24, 2009 /
 
Köszönöm mindenkinek az infókat.Ha sikerült,jelentkezem.
(#) M.Béla válasza troby hozzászólására (») Szept 24, 2009 /
 
Köszi!

Az oldalt nem ismerem nekem máshonnan van a rajz,esetleg belinkelnéd?
Kössz.
(#) KD mester válasza macera2 hozzászólására (») Szept 24, 2009 /
 
A módszerről:Bővebben: Link
(#) highand hozzászólása Szept 24, 2009 /
 
A félreértések elkerülése érdekében:

Én nem ismerem az előző post-ban leírt módszert és nem azt használom.
(#) KD mester hozzászólása Szept 24, 2009 /
 
Teszek fel egy erősítőt is, hogy legyen má az is itt:
(#) highand válasza macera2 hozzászólására (») Szept 24, 2009 /
 
Meghajtottam 10kHz-s négyszögjellel, szép sávhatárolt nem lengő a válaszjel. Tranziens torzítás alatt nem tudom mit értsek, gondolom egy viszonyszám érdekelne, de mit viszonyítsak, mihez? - ha ezt leírod szívesen megmérem, de nem lesz másik erősítőről mért érték ezzel a módszerrel, tehát nem tudjuk összehasonlítani semmivel sem.

Magát a torzítást - 80 dB-ig tudom mérni hitelesen pillanatnyilag - régi SB hangkártyával - azt tudja 28Vpp-ig 8 ohm-on ( ennél sokkal jobb lehet valóságban) Mindenesetre generátorom van -140-ig, de mérőm nincsen. Kalibrálatlanul úgy szoktam mérni, hogy a mérőjelet kiteszem a hangszóróra és azután a kimenő jelet leosztom az erősítéssel, kiegyenlítem a bemenőjelhez képest a fázist és azután kivonom egymásból. A maradék effektív értéke egy fajta THM jellegű adat, na ez piszok jó tud lenni a hibajavítós erősítőkön.

Számomra a hang is fontos, de annak a karakterét már leírtam.

(#) wtc hozzászólása Szept 25, 2009 /
 
Sziaszotok!
Van egy 2x120W-os erősítőm 4 ohm-os és van benne 4 végtranyó,(vagy IC de szerintem tranyó) csak arra lennék kíváncs, hogy tényleg képes-e ekkora teljesítményt leadni. A tranyók: 2db C3519 (70Y) és 2db A1386 (79y) és nemtaláltam róla semmit. ha valiki tud erről adatot mondani, hogy ezek képesek-e erre a teljesítményre akkor nagyon megköszönném.
Köszi előre is!
(#) CIROKL válasza wtc hozzászólására (») Szept 25, 2009 /
 
(#) troby válasza M.Béla hozzászólására (») Szept 25, 2009 /
 
Szia de persze csak azt hittem nem akarod közzétenni, gondoltam én sem: Bővebben: Link
(#) M.Béla válasza troby hozzászólására (») Szept 25, 2009 /
 
Köszi!

Ahogy nézem elég korrekt dolgok vannak fent,főleg a Fet-esek tetszenek,lehet meg is csinálok egyet-kettőt.
találtam hozzá egy másik linket amin fent van mineden
Bővebben: Link
(#) macera2 válasza KD mester hozzászólására (») Szept 25, 2009 /
 
Kösz a linket. Tanulmányozom. :kalap:
(#) fricihun hozzászólása Szept 25, 2009 /
 
Sziasztok. Szeretnék építeni egy 2.1-et. Körülbelül 2x15-25W lenne a 2 hangfal és még hozzá kéne egy 40-50W-os sub. TDA7265-öt nézegettem a 2 hangfalnak és van eddig egy aluláteresztő szűrő. Tehát kéne valami erősítő ami meghajtja a subot és egy előerősítő hangerőszabályzóval, hangszínszabályzóval. Tudnátok valamit ajánlani? Kezdő vagyok szóval ne túl bonyolúltat
Köszönöm szépen.

Üdv. Frici
(#) wtc válasza CIROKL hozzászólására (») Szept 25, 2009 /
 
Köszi! Akkor biztos lehetek benne, hogy annyi az erősítő teljesítménye
(#) macera2 válasza KD mester hozzászólására (») Szept 25, 2009 /
 
Hello KD mester!
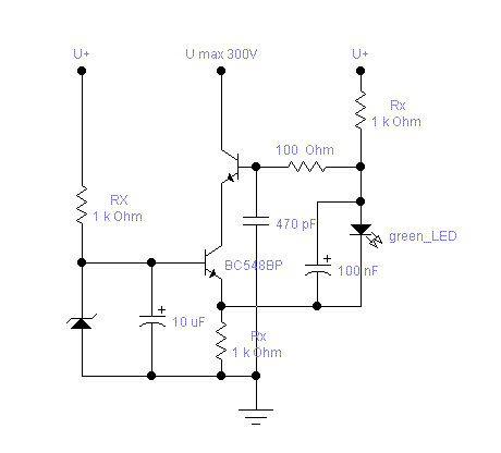
Sorry, de már megint nem értek valamit. A küldött kapcsolási rajzon, ugyan nincs számozott alkatrész, de talán így is eltudom mondani a gondom. Nevezetesen, a bemenő dif. erősítő első tranyójának kollektorába kellene egy R ellenállás, a következő fokozatot az erősített bemenő jellel így lehetne vezérelni. De R helyett ott két sorba kötött dióda van. Gondolom referencia feszültséget állít elő. Igaz, hogy ha a két diódát R-el helyettesítjük, akkor ugrik a DC beállítás. Akkor most a "vagy ez vagy az" az elv működik?
(#) steelbird válasza M.Béla hozzászólására (») Szept 25, 2009 /
 
Hello Béla!
Ha ennyre építgetős kedvedben vagy, kipróbálhatnád ezt az egyszerű kapcsolást is, mit tud, csatolom a képet.

100WPFA.jpg
    
(#) csezoli21 hozzászólása Szept 25, 2009 /
 
Helló
Nekem olyan kérdésem lenne hogy ha az erősítő üzemel és a keverőt ki vagy be kapcsolom közben akkor a hangszóróvédő áramkőr leválasztja a hangszórókat, ilyenkor mi történhet? Rossz lehet ez a végfokoknak? mivel így valami végig megy bennük,...
kipróbáltuk egy 180W(rms) somogyi 40cm es hangszóróval és valahogy többre számítottam hangerőre,... Mi lehet a gond? Olyan mintha nem hajtotta volna meg azt a hangszórót,... Segítségeket hozzászólásokat előre is köszönöm! Helló
(#) sound.man válasza csezoli21 hozzászólására (») Szept 25, 2009 /
 
Azért mert a somogyinak nincs érzékenysége. Amúgy meg ne kapcsold ki a keverőt ha megy az erősítő.
(#) steelbird válasza csezoli21 hozzászólására (») Szept 25, 2009 /
 
Vagy kikapcsolás előtt vedd le nullára a végfok hangerőszabályzóját, ez a minimum. Ekkora lökéseknél akár a végfokod is bánhatja....
Következő: »»   368 / 2580
Bejelentkezés

Belépés

Hirdetés
XDT.hu
Az oldalon sütiket használunk a helyes működéshez. Bővebb információt az adatvédelmi szabályzatban olvashatsz. Megértettem