Fórum témák

» Több friss téma
Fórum » PIC kezdőknek
 
Témaindító: Placi84, idő: Okt 3, 2005
Témakörök:
- A PIC ÖSSZES Vdd és Vss (AVdd és AVss) (tápfeszültség) lábát be kell kötni!
- A táplábak mellé a lehető legközelebb 100nF-os KERÁMIA kondenzátorokat kell elhelyezni.
- Az MCLR lábat, 10kohm-mal fel kell húzni a Vdd tápfeszültségre.
- Külső kvarc használatakor 4MHz-ig XT, a fölött pedig HS konfigurációt kell beállítani.
- Stabilizált tápegységet kell használni, a kapcsoló üzemű "telefon töltő" adapterek okozhatnak hibákat.
- Programozáshoz, használj lehetőleg PICKIT2 vagy 3 programozót. Kerülendő a JDM (soros porti) programozó.
- A PIC adatlapja (PDF), tartalmazza a lábak kiosztását és a PIC minden paraméterét. Az adatlap ingyen letölthető!
- Egyes PIC típusoknál az RA4 nyitott nyelőelektródás (Csak lefelé húz L szintre, H szintet nem ad ki!)
- Ha a PGM lábat digitális ki-/bemenetnek használod, az alacsony feszültségű programozási lehetőséget le kell tiltani.
Lapozás: OK   21 / 1222
(#) (Felhasználó 20218) válasza Norberto hozzászólására (») Szept 25, 2009 /
 
Örülök is, a magyar árral semmi bajom. Mint ahogy az is tény hogy ha otthon összeraknám az sem lenne olcsóbb és még nem is lenne 100% hogy működni fog...
(#) icserny válasza (Felhasználó 20218) hozzászólására (») Szept 25, 2009 /
 
Hogy jó vásár-e, azt majd neked kell eldönteni. MIndenesetre jó és hasznos eszköz a PICkit2, csak dícsérni tudom.

Még azt érdemes meggondolni, hogy valamelyik demókártyával kombinálna nem "mégjobb-e" a vásár? (valamelyik starter kitre gondolok, én a DIP tokozást favorizálnám, esetleg a Low Pin Count USB-t...)
(#) (Felhasználó 20218) válasza icserny hozzászólására (») Szept 25, 2009 /
 
Én most tanulgatom ezt a szép PIC-es világot. A demokártya az mire jó? Úgy tudom elképzelni hogy hasonló mint a protoboard és egyszerű programokat lehet vele tesztelni... jól gondolom?
(#) potyo válasza (Felhasználó 20218) hozzászólására (») Szept 25, 2009 /
 
Igen, pontosan arra, kipróbálni egyszerűbb dolgokat. Meg lehet lenni nélküli is, de ha kb. ingyen van a pickit2 mellé, akkor miért ne.
(#) (Felhasználó 20218) válasza potyo hozzászólására (») Szept 25, 2009 /
 
Hát, ha jól nézem akkor nem annyira van az ingyé... A PG164120 a sima PICkit2, a DV164120 (ha nem tévedek) amihez vannak ilyen cuccok is, kerek 3000HUF a különbség. Protoboardot megy egyébként is akarok venni...
(#) potyo válasza (Felhasználó 20218) hozzászólására (») Szept 25, 2009 /
 
Van néha akció, olyan is volt, hogy olcsóbb volt demópanellel együtt a pickit2, mint csak önmagában.
(#) icserny válasza (Felhasználó 20218) hozzászólására (») Szept 25, 2009 /
 
Persze, hogy nincs ingyért, csak a kettő együtt kevesebbe kerül, mint külön-külön. Ezért mondtam, hogy MOST érdemes megfontolni. Ha úgy látod, hogy nem kell, akkor nem kell...

A demókártya és a protoboard közötti határ egyébként elmosódik, mert van olyan demókártya, amin hagytak helyet az építkezésnek...

(#) (Felhasználó 20218) hozzászólása Szept 25, 2009 /
 
Köszönöm az infókat! Azt hiszem a demopanel helyett maradok a protoboardnál, hacsak nem jön be egy akció.
(#) MolnarG hozzászólása Szept 26, 2009 /
 
Sziasztok!

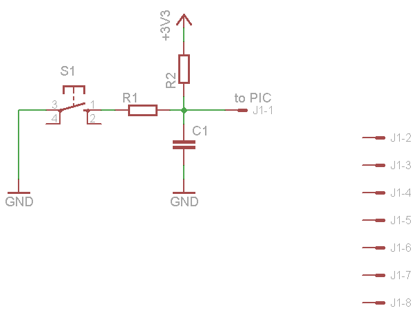
A mellékelt prell mentesíőtbe milyen R és C értékeket szokás használni?

prell.png
    
(#) Hp41C válasza (Felhasználó 20218) hozzászólására (») Szept 26, 2009 /
 
Szia!
A PicKit2 valamint az ICD2 kifutó típusok, új fejlesztésekhez a Microchip a PicKit3-at ill. az ICD3-at ajánlja. A PicKit2-t és az ICD2-t nagy árkedvezménnyel "Last Minute" akcióval árulják. Ha valaki az eredeti ICD2-t visszaküldi, az ICD3 árából 25% kedvezményt kap...

Szia
(#) icserny válasza MolnarG hozzászólására (») Szept 26, 2009 /
 
Az a kapcsolótól függ (hogy pl. hányszor rúg vissza, s hogy milyen időállandóval kell integrálni).

Tipikus értékek:
R1 = 470 Ohm - 1 k
R2 = 10 - 20 k
C1 = 470 nF - 2 uF

R1 << R2 (tipikusan egy nagyságrenddel kisebb), hogy a nyomógomb zárása biztonsággal lehúzza a bemenetet.>>
(#) MolnarG válasza icserny hozzászólására (») Szept 26, 2009 /
 
Egy ilyen típusú nyomógomb lenne.
(#) (Felhasználó 20218) válasza Hp41C hozzászólására (») Szept 26, 2009 /
 
Szega! Elgondolkodtató amit mondasz, végülis csak 2rugóval több a PicKit3. Az ICD3-nak számomra elég meredek az ára. Jelenleg semmi hasznosat sem művelek a kontrollerekkel csak a magam szórakoztatására próbálom tanulgatni, ahhoz csak elég a PicKit3!? Mit tud az ICD3 amiért ennyivel drágább?
(#) (Felhasználó 20218) válasza MolnarG hozzászólására (») Szept 26, 2009 /
 
Speciális IC-re nem gondoltál? Ez egyszerűen megoldja a problémát. A 6816-os egy nyomógombot tud, a 6817 viszont már kettőt, és van még egy olyan változat is ami 8at kezel (6818)... Beszerezni nem egyszerű, én szegedi vagyok itt egyik bolt sem tartott, viszont a gyártó (MAXIM) teljesen ingyen küldött free sample darabokat.
(#) Hp41C válasza (Felhasználó 20218) hozzászólására (») Szept 26, 2009 / 1
 
Szia!

Csak a PicKit2 árával kapcsolatban írtam, a gyártónál akció van. A PicKit3 bőven elég. (A Pickit2-t előbb utóbb nem fogják frissíteni az újabb kontrollerek kezelésével...)

A különbségekről itt lehet olvasni...

Szia
(#) (Felhasználó 20218) válasza Hp41C hozzászólására (») Szept 26, 2009 /
 
Na igen, nem tartalmaz olyan különbséget ami számomra érdekes.
(#) sityu39 hozzászólása Szept 26, 2009 /
 
Üdv mindenkinek.

16f877-en tanultam és ezt használom áramköreimhez. Assembly nyelven írom a pic programjaimat.
Át szeretnék térni a 18F pic család használatára, de néhány ponton a tanácsotokat kérném:
- Ha az USB-t szeretném kihasználni a windows alatt, mely prog. nyelvvel kellene barátságot kötnöm? (régebben foglalkoztam TPascal-al, de delphi-re már nem jutott időm)
- ha utánépítek egy PIC KIT 2 égetőt, egy OSHON-os LPT-s égetővel fel tudom-e programozni a 18F2550-t?
(#) MolnarG válasza (Felhasználó 20218) hozzászólására (») Szept 26, 2009 /
 
Aha jónak tűnik! Szoktam rendelgetni én is a maximtól, majd legközelebb beszerzem tőlük. És ha ezt az IC-t használom akkor nincs szükség a programba delay-re? (Még kezdő vagyok a uC világában)
(#) potyo válasza Hp41C hozzászólására (») Szept 26, 2009 /
 
A Serialized USB mit takar?
(#) (Felhasználó 20218) válasza MolnarG hozzászólására (») Szept 26, 2009 /
 
A pdf-ben az 5. oldalon a jelleggörbe jól mutatja hogy tökéletesen prell mentesíti a jelet, tehát "tökéletes" nyomót valósít meg, így nem hinném hogy bármiféle delay kellene a programba. Bár az elején erről nem volt szó hogy kontrollerhez kell, mert akkor teljesen felesleges akár RC kapcsolást vagy IC-t használni, hiszen programból lekezelni "ingyen" van és nem kell alkatrészért szaladgálni, forrasztani és elegánsabb is. A kontrollerekkel én is csak rövid ideje barátkozok, még csak nagyon alap programozási fogásokat ismerek, de szerintem nem bonyolult egy debounce rutin, és hát a google a barátunk!
(#) Hp41C válasza sityu39 hozzászólására (») Szept 26, 2009 /
 
Szia!

Pic: A USB a 18F szérián legegyszerűbben c nyelven, a C18 fordítóval kezelhető, a gyári demo ezen íródott.... Student verzió letölthető. Bővebben: Link
PC: Ha a Pascal-t ismered, a Delphi a legjobb választás. Ki kell egészíteni a komponens könyvtárat a Delphi Jedi csomaggal, abban benne van az USB kezelése. Bővebben: Link

Működik...

Szia
(#) sityu39 válasza Hp41C hozzászólására (») Szept 26, 2009 /
 
Köszönöm a válaszokat :kalap:
(#) icserny válasza sityu39 hozzászólására (») Szept 26, 2009 /
 
Idézet:
„Assembly nyelven írom a pic programjaimat.”

Majd elmegy tőle a kedved, ha végigkínlódsz egy veremkeretes lokális változó kezelést, rekurzív szubrutinhívással bonyolítva...

Idézet:
„- Ha az USB-t szeretném kihasználni a windows alatt, mely prog. nyelvvel kellene barátságot kötnöm?”

Tulajdonképpen mindegy, mert vannak kész példák Visual C++ 2005 Express-hez, Visual C# 2008 Express-hez, Delphi-hez és Visual Basic-hez is. A virtuális soros portként látszó eszközökkel meg közvetlenül a Hyperterminal (vagy a putty.exe) segítségével is kommunikálhatsz - ha olyan típusú a feladat.
(#) (Felhasználó 20218) válasza icserny hozzászólására (») Szept 26, 2009 /
 
"Majd elmegy tőle a kedved, ha végigkínlódsz egy veremkeretes lokális változó kezelést, rekurzív szubrutinhívással bonyolítva" Ebben igazad van. Viszont egy ismerősöm mondta, akinek 10éves tapasztalata van PIC-ekkel, AVR-ekkel és másokkal, hogy aki nem tudja assmeblyvel programozni az sosem fogja megérteni hogy mik zajlanak a uC lelki világában. Igazából ő úgy szokta csinálni hogy "C" nyelven írja a nagyon bonyolult dolgokat és a többit meg a "C"-be beágyazott assembly sorokkal rendezi.
(#) potyo válasza (Felhasználó 20218) hozzászólására (») Szept 26, 2009 /
 
Érdekes, aki komolyan foglalkozik az ilyesmivel, mind azt mondja, amit mi is itt a fórumon, hogy muszáj ismerni a kontrollert "belülről" ahhoz, hogy komolyabb cuccokat lehessen rá írni. Szóval hajrá
(#) (Felhasználó 20218) válasza potyo hozzászólására (») Szept 26, 2009 /
 
Na igen, az alap mindenhol elengedhetetlen. Például anno én számítógépezni is egy 286XT gépen kezdtem DOS-szal, még Win 3.11 sem volt rajta. És most amikor Windowst használok akkor is tudom mindig hogy mit is csinál a háttérben. A fiatalabbak akik Windows-on nevelkedtek meg nem értik hogy honnan tudok dolgokat.
(#) sityu39 válasza icserny hozzászólására (») Szept 26, 2009 / 1
 
Assembly
Tény és való, volt mikor sokat vesződtem vele, de a végeredmény miatt azt mondom megérte. Előfordult, hogy a megírt assembly utasítássorokat is 5-6szor átnéztem, hogy lehet tömörebbé tenni, vagy ezerszer hibakeresés miatt, de hát amatőrként, kevés memóriával, elavult pic-el, hiányos tudással nem lehet mindenki profi.
(#) icserny válasza (Felhasználó 20218) hozzászólására (») Szept 26, 2009 /
 
Idézet:
„aki nem tudja assmeblyvel programozni az sosem fogja megérteni hogy mik zajlanak a uC lelki világában.”

Ez igaz, de ha már érti, akkor nem muszáj használnia... Most éppen olyan tananyagokat fordítok (és dolgozok át), amelyekben egymás mellett ott van a C kód és az assembly megvalósítása. De a végén a komolyabb programok már csak C-ben lesznek...
(#) sityu39 válasza icserny hozzászólására (») Szept 26, 2009 /
 
Látom nem érted. 16F877 volt az első picem amit assembly-ben kezdtem el programozni, mert volt egy könyvem és az alapján indultam el. Csináltam egy Oshon-os LPT-s égetőt, és örültem az első ledvillogtatós áramkörömnek. Majd tanultam és programozgattam. És örültem, hogy ezzel az egy nyevvel és ezekkel az eszközökkel már megszereztem egy tudást, amit használni is tudok!
Tudtam, hogy vannak fejletteb módszerek és eszközök, meg PIC-ek, de azt is tudtam, hogy azok sokkal bonyolultabbak.
Mára jutottam el arra a szintre, hogy fejlettebb pic-el és prg nyelvvel foglalkozzak. De ezt fentebb le is írtam.

Egyébbként egész jó az a piccolo link.
(Érdekes, hogy ott is Assembly-vel kezdődik a tanulás )
(#) icserny válasza sityu39 hozzászólására (») Szept 26, 2009 /
 
Hogyne érteném! Csak arra akartamfelhívni a figyelmet, hogy egy szinten túl úgy elbonyolódik a dolog, hogy nem érdemes assemblyvel szenvedni tovább.

Az első PIC programot én is assembly-ben írtam, mert egy szoftveresen megvalósított SPI DAC vezérlést végzett, amelyhez természetesen illett az a nyelvezet.

A másodikat azonban CCS C-ben ütöttem össze, mert semmi kedvem sem volt egy próbaprogram kedvéért zöldfülűként az UART kommunikáció és printf() függvénnyel végzett konverzió assembly nyelvű megírásával szenvedni. Van tehát, amikor a bonyolultabb az egyszerűbb.

Mellesleg a hetekben nézegettem (megint) a JALLIB honlapját. Sok szép dolgot összehoztak JAL nyelven is.

Idézet:
„Érdekes, hogy ott is Assembly-vel kezdődik a tanulás”

Nem véletlenül, hiszen Bob Reese kitűnő könyvének ( amelyet vezérfonalul használok hozzá) pont ez a címe: Az assembly-től a C ig...

Az assembly programozást azért is érdemes megtanulni, mert egyrészt a C fordítóknak sem árt néha a körmére nézni, másrészt a hatékony C programozáshoz is tudni kell, hogy mi zajlik a háttérben.
Következő: »»   21 / 1222
Bejelentkezés

Belépés

Hirdetés
XDT.hu
Az oldalon sütiket használunk a helyes működéshez. Bővebb információt az adatvédelmi szabályzatban olvashatsz. Megértettem