Fórum témák
» Több friss téma |
- Ez a felület kizárólag, az elektronikában kezdők kérdéseinek van fenntartva és nem elfelejtve, hogy hobbielektronika a fórumunk!
- Ami tehát azt jelenti, hogy a nagymama bevásárlását nem itt beszéljük meg, ill. ez nem üzenőfal! - Kerülendő az olyan kérdés, amit egy másik meglévő (több mint 17000 van), témában kellene kitárgyalni! - És végül büntetés terhe mellett kerülendő az MSN és egyéb szleng, a magyar helyesírás mellőzése, beleértve a mondateleji nagybetűket is!
Szia!
Jó jó hogy elektronika de miért pont nyák levilágító? Fogsz egy sima üveglapot és csinálsz neki egy kis tartót/keretet. Alá be lehet tenni kis teljesítményű fénycsövet vagy esetleg kisteljesítményű izzót és készen is van. Ha olyan nagy szabású a dolog akkor akár egy kis üvegasztalt is lehet csinálni amihez kényelmesen oda lehet ülni. Rövid munka idejére pedig nagy segítség lehet az ablaküveg. Sok sikert Üdv Kicsa
Pont ezt írta hogy nincs otthon üveglap, vagy lehet ez csak nálam látszódik a hsz-ben?
Bence: Szerintem tegyél bele egynelőre valami nagyfényerejű ledet, és azzal még pont látható lesz a sorvezető vonala. Egynlőre csak tedd bele azt' jóvan, később jobban is megcsinálhatod, de most haladj azzal a rajzal mert beszélni akarok veled
Kicsa: Az ablaküveg jó ötletnek tűnik, nem próbáltam ki, mert már megoldottam. (Igen Sprofan jól látta, nincs itthon semmilyen üveglapom. Ha lenne már megoldottam volna.) Az ablaküveggel az lehetne a probléma, hogy nem fogna a toll. Mivel bal kezes vagyok, így jobban megdöntöm a tollat mint a jobbosak, már sok toll így is csak szaggatva és nehézkesen fog. Ha meg egyenesen vízszintesen illetve még lefelé is tartanám, egyátalán nem fogna. De azért köszi a tippet.
Sprofan: Igen, tudom led, meg bármilyen izzó, csak annyira sok most a tanulni való, hogy nem akarom ilyenekkel húzni az időt. De már megoldottam. Most csinálhatok egy újat, mert nagy hibát ejtettem a jelenlegi jegyzőkönyvbe ![]() Most megyek vissza tanulok, holnap dolgozat, jegyzőkönyveket csinálok, stb...
Szia! Azt, hogy a cikkben a képen konkrétan melyik típusú nyomógomb van, csak a szerző tudná elárulni. Feltehetőleg ezt azért nem tette meg, mert - ahogyan az előttem szólók írták - teljesen mindegy. A "problémád" abból fakad, hogy a többnyire kapható nyomógombok, melyeket Proli007 is belinkelt, 6x6 mm-esek, a próbapanelek raszter-sűrűsége pedig 0.1 coll ( tehát 2,54 mm ). Ebből következik, hogy a lábakat - kiegyenesítésüket követően Neked kell beállítanod, hogy a likakba becsússzanak. A másik megoldás, amit Zoli barátom javasolt. Azt kell mondjam, aki itt elakad, kár is belekezdenie... Esetleg cipeld el a próbapanelt a kedvenc üzletedbe és kérd meg az eladót, hogy kísérletezze ki, melyik gomb illik leginkább bele. :hide:
Javaslom, az egyik oldalon lévő lábak levágását vagy aláhajtását, ekkor a megmaradt 2 láb durván két raszterre van egymástól és feltehetőleg simán becsusszannak a likakba. Természetesen az egymás melletti lábak maradnak, melyek egy oldalon helyezkednek el.
Ezt elnéztem,az eleje maradt meg. Amúgy nálam is látszik hogy nincs üveglap
Szóval bocsika.Az üveglapot pedig tapasztalat alapján mondtam : Nem is oly rég történt : koli ablakkeret leakaszt,ölbe fektet...alá a kis halogén izzós asztali lámpa,tetejére az eredeti lap a műszaki rajzzal...rá az üres lap és hajrá. Szebence! Kitartást a jk-hez,én is szívok velük rendesen! De ez a felsőoktatás már csak ilyen Üdv Kicsa
Nekem is van itthon egy halom ilyen nyákba ültethető gomb, a próbapanelba is simán belemegy. Olyan széles mint egy IC foglalat és a lábai úgy vannak elrendezve hogy a két láb közt egy raszter üresen marad.
Üdv!
Hello!
Idézet: „Olyan nehéz megérteni, hogy nekem a kapcsoló mérete, vagy adatlapja kell, amivel megrendelhetem.” Hát ha nem mondod ki nyíltan, akkor számomra tényleg nehezen érthető. De most már, hogy a felhasználói adatlapodat is megnéztem, kezdem érteni mi a gondod. Sajnos jó hírekkel nem tudok szolgálni. Az elektromechanikus alkatrészgyártók, nem nagyon törődnek az idők folyamán kialakult raszter mérettel, ami a colos dolgokhoz kötődik. Egyéni méretben és legtöbbször metrikus mértékkel tervezik a cuccokat. Mentségükre legyen mondva, nem gondolnak arra, hogy próbapanelbe fogod dugdosni. Nyákra meg megtervezi az ember gond nélkül. Tekintettel, hogy mi kis felhasználók vagyunk, ki vagyunk szolgáltatva a disztribútoroknak. Azok pedig azt rendelnek csak amit el lehet adni nagyobb példányban. Még az adatlapokkal is szűkszavúan bánnak. Így sokszor zsákbamacskát veszel. De én is jártam hasonlóan, a Vaterán rendeltem ilyen nyomógombot (20ft/db) kinézetre pont olyan volt mint a másik, csak sokkal kisebb volt. Amúgy nagyon ügyes, és 1*2 raszteres. Csak pont abba nem ment bele amihez szántam. A lábak szélessége is általában 0,7mm-es, ami nem éppen a próbapanelbe való. De nézd meg egy tényleges gyártó adatlapját pld. itt. Egyébként csak az informatikusok esnek pánikba, ha két ellenállás lábat kell beforrasztani üdv! proli007
Helló!
Hűha! Idézet: „Megnéztem még pár ilyen jellegű egyszerű kapcsolást, de eléggé homály van most a fejemben.” Hát alapvetően ezzel a kijelentéseddel tudok egyetérteni. :yes: Kicsit elmisztifikálod a dolgokat. De ha ilyen dolgokra adod a fejedet, akkor kissé el kell mélyedni a műveleti erősítők lelki világában, és oszlani fog a homály. - Az Elektret mikrofon (én is elírom, de ez olyan mint a hamis éneklés, nem tudsz róla leszokni) alapvetően egy piezoelektromos kis fólia, amiben a hang rezgés hatására töltések ébrednek. Ezt erősíti fel e Fet tranyó, de aminek a Drain ellenállása már a mikrofon tokján kívül van (kétlábú mikrofon esetében). Ezen az ellenálláson áll be (a Fet munkapontjából eredő áram hatására) egy egyenfeszültség, amire rá szuperponálódik a váltó jel. Tekintve, hogy a munkaponti feszültség nem állandó, a számunkra hasznos váltófeszültségű hangjelet egy kondival választjuk le. - A sávszélesség és a dinamika tartomány nem ugyan az. Míg az első frekvencia addig a második amplitúdó paraméter. A jel dinamikája, a leghalkabb és a legerősebb hang aránya. Tekintve, hogy ez 1:1000 arányú is lehet, sokszor csökkentik a jel dinamikáját. Erre szolgál egy dinamika kompresszor, ami tulajdonképpen egy bemeneti jelnagyságától függő változtatható erősítésű eszköz. A jel átlaghangerejét próbálja állandó értéken tartani úgy, hogy ha halk a jel növeli az erősítést, ha hangos csökkenti. Viszont nem mindegy, milyen milyen frekvencia tartományra és hangerőre szeretnéd működtetni a kapcsolásodat. Vagy hogy egyszerűbben fogalmazzak, mi a célod vele. - A mikrofon nem érzéketlen, sőt népszerűségét, pont az egyszerű felépítése, érzékenysége és kis kimeneti impedanciája adja. Erősíteni azért kell, mert a komparátor offset paraméterei már egybeesnek a mikrofon által szolgáltatott hangfrekis jellel. Ezért nem DC hanem AC csatolt erősítőt kell használnunk. (és persze a Fet munkaponti vándorlása miatt is) - Értem, hogy komparátorra van szükséged, de az annyiszor fog átváltani, ahányszor a hangfrekvenciás váltóáramú jel átlépi a komparálási küszöbértéket. - Az invertáló és neminvertáló erősítőnek meg vannak a sajátosságai, de semmi esetre sem az, hogy egyik érzékenyebb a másiknál. Alapvető különbség, hogy (mint neve is mondja) az invertáló fázistfordít, a neminvertáló, pedig azonos fázisban erősít. A neminvertáló bemeneti ellenállása lehet magas, míg a másiknál a visszacsatolás tagja fogja meghatározni. A neminvertáló kapcsolás erősítését a visszacsatolásban nem lehet egy alá vinni. (Ez a frekvencia függő elemeknél számíthat.) - Igen a fázisfordítás miatt "fordítva fog működni", csak hogy itt vátóáramú jel van, így nem sok a különbség, mert nem a hangfrekvenciás jel pozitív félhullámában fog billenni, hanem a negatívban. (Ami szinte azonos eredményhez vezet) - Mint írtam, ez nem kondenzátor, és egyéb iránt sincs olyan, hogy a hangra a kondenzátor ellenállása csökken. Ha kondi lenne, akkor is a kapacitása változna. És ha belső töltéssel rendelkezne, akkor azok a hang hatására ki-be mászkálnának a hang nyomásának ütemében. Így a kondin látszólagos áram folyik a töltő-kisütő áram azaz a hang hatására. - A második rajzodon a szaggatott ellenállások a műveleti erősítő munkapontját hivatottak beállítani. Ennek valahol a két tápfeszültség között kell lenni, mert itt féltápfeszültséges üzemmódban van. Ha szimmetrikus a tápfeszültség, akkor lehet a bemenet a GND-n, de ha bele gondolsz, az is pont a féltápfeszültségű pont a plusz és mínusz táp között. Gondold el, hogy a váltakozó áramnak plus és mínusz összetevője is van. Az erősítő mind két felét felerősíti. Ha a bemeneti jel a GND-hez képest vezérli az erősítőt, akkor annak kimenetének a plus és minusz felé is kellene mozogni. De hogy menjen a mínusz felé, mikor a GND-nél nincs alacsonyabb tápfeszültség. Ezért állítják a bemeneti osztóval féltápra a bemenet (és kimenet) munkapontját, hogy ahhoz a feszültséghez képest tudjon a kimenet fel-le mozogni. Azaz a plus és minusz félperiódust is erősíteni legyen képest. Ha nem így van, akkor az olyan mint egy egyenirányító, csak plusz periódus jönne ki. - A tranzisztoros kapcsolás sem tehet mást, mint felerősíti a jelet, és a komparátor szerepét a tranyó bázis-emitter nyitó küszöbfeszültsége oldja meg. Ez kb. 600mV, tehát a felerősített jelnek ezt kell meghaladnia. És akkor hogy értsd, hogyan is működik az általam feltett kapcsolás: - A mikrofon által keltett áram, az R2 ellenálláson feszültséggé alakul. A C2 kondi ennek egyenfeszültségű tartamát leválasztja. - Az U1b erősítő munkapontját, alapvetően az R4/R6 feszültségosztó kb. féltápfeszültségre állítja be. Mivel az erősítő egyenáramú erősítése egyszeres, a kimeneten is a féltápfeszültség jelenik meg. - A komparátor + bemenete ezt a féltápfeszültséget kapja, míg a - bemenete ennél egy kicsit kisebb feszültséget, az R5-ön létrejött 280mV feszültségesés miatt. Így U1a kimenete alapból magas szinten van (kb. 10V). - Ha a felerősített hangfrekis jel negatív periódusa (U1b kimenetén) nagyobb lesz, mint 280mV, akkor a komparátor átvált és triggereli az 555-ből felépített monostabil multit. Így a rövid kis impulzust az kb. meghosszabbítja, hogy a relé képes legyen behúzni ez idő alatt. - Az U1b erősítését közepes frekin az R7/R3 aránya határozza meg. Az erősítés így 10-szeres. Ha a komparátor billentéséhez 280mV kell, akkor az erősítő bemenetén már csak 28mV. Így az áramkör erősítését az R7/R3 és R5 változtatásával lehet korrigálni. - Tekintve, hogy a taps egy nagy dinamikájú pillanatnyi löket, a mikrofon ezt a nagyságú jelet játszva leadja. Viszont, hogy az áramkör más zajokra ne legyen érzékeny a frekvencia átvitelt korlátozzuk. Alacsony frekvenciás átvitelt a C2 és R3, míg a magas frekvenciás átvitelt a C4 és R7 határozza meg. (f=1/2Pi*R*C alapján) - R1/C1 és R4/C3 szűrési szerepet tölt be, hogy a tápfeszültség zavarai ne jussanak be az erősítő bemenetére. üdv! proli007
Én még nem vagyok felsőoktatáson, csak középiskola technikuma
Úgy jó ha le tudod szedni az ablakot, a mostani, újat, amit 1 vagy 2 éve szereltettünk be, azokat már nem lehet leszedni.
Huh, nagyon szépen köszönöm a bő magyarázatod. A legjobb az lesz ha megyek és megépítek pár kapcsolást bővűlt ismereteim alapján. Még egy kérdésem lenne. Nem invertáló mikrofon erősítőknél miért van itt ez a kondenzátor? Én csináltam volt már erősítőt, féltápfeszest, és nem raktam oda kondenzátort, és szépen működött, igaz, hogy nem elektret mikrofon volt a jelforrás. Az az érdekes, hogy csak ilyen jellegű kapcsolásnál láttam ezt a kondenzátort (mindenhol ott van), viszont más nem invertáló erősítésnél, ahol nem elektret mikrofon van, sehol sincs. Nem tudom mi szerepe itt a kondenzátornak. Amúgy, azt hiszem minden világos így, hogy leírtál mindent aprólékosan. Mégegyszer nagyon köszönöm végtelen nagy türelmed.
Ha +- tápfeszültséges lenne, akkor R4-et földre kellene kötni.
De ez virtuális +- tápfeszültséges. az R2 R3 állítja be a műveleti erősítőnek. Egyenfeszültségként ez van a 3, 2 és 6. kivezetésen. Erre van ráültetve a váltófeszültségű hangfrekvenciás jel. Ha R4 földelve lenne, az elhúzná a visszacsatolást. Tehát kellett egy olyan alkatrész, amely az egyenáramot nem engedi át, de a váltóáramot igen. ( Neked a hangfrekvencia a lényeg, elég csak arra figyelni, azt bevonni a visszacsatolásba. ) Ilyen alkatrész a kondenzátor. R4 alja egyenáramúlag virtuális földön van, váltóáramúlag földön. Házi feladat: számold ki, a legkisebb frekvencián ( 20 Hz ) mekkora ellenállása van C2-nek. És az hogyan aránylik VR1 és R4-hez. Azon a frekvencián egy olyan ellenállással helyettesíthető.
Kezdem érteni a dolgokat nagyjából azt hiszem
Köszi neked is.
Hello!
Mindíg azt kell nézni, hogy a kondi egyenáram szempontjából szakadásként viselkedik (mint ha ott sem lenne), váltóáram esetén pedig rövidzárként. (Az utóbbi persze nem igaz, csak végtelen kapacitással vagy frekivel lenne az. Pontosabban Xc=1/2Pi*f*C az impedanciája) Tehát a kapcsolásod esetén, az áramköröd erősítése Au=(VR1/R4)+1. De R4-el sorba van kötve a C2 Xc impedanciája. Tehát egyenáram esetén R4 végtelen nagy, így az IC egyenáramú erősítése egyszeres. Váltóáram esetén, pedig (C2 rövidzárnak nézve) (VR1/R4)+1. Ha VR1 teljesen fel van szabályozva, akkor Au=(100k/3,9k)+1 azaz 26,6-szoros. Az erősítő munkapontját, az R2/R3 osztó 4,5V-ra állítja be. Mivel egyszeres az egyenáramú erősítése, a kimeneten is 4,5V mérhető. A mikrofon felől, a C1-en keresztül, már váltófeszültség érkezik, ezt az erősítő már 26,6-szorosára erősíti. Ha a C2 kondit kihagyod, akkor a 4,5V-ot is 26,6-szorosára erősítené, tehát a kimeneten 119V lenne. De mivel a táp csak 9V és a kimenet még ezt sem közelíti meg, ilyenkor a kimenet "kiülne" a tápra, azaz 8V körül lenne és nem tudná erősíteni a mikrofon jelét. Kettős tápfesznél nem lenne gond C2 hiánya, akkor csak az IC Offset (kb. 3mV) hiba feszültségét erősítené 26,6-szorosára, így a kimeneten átlagosan 80mV hibafeszültség lenne mérhető, ami nem befolyásolná nagyon a mikrofon jel erősítését. A C1 kondi is leválasztja a mikrofon munkaponti feszültségét, mert azt is erősítené az IC. A kimeneti 0,1µF-nak is elsősorban leválasztó szerepe van, hogy a váltófeszültségű kimenetre ne jusson ki az IC 4,5V feszültsége. üdv! proli007
Na most esett le a tantusz, értem. Heureka. Köszönöm szépen a magyarázatot, most megértettem az egész lényegét. Köszi szépen
sziasztok
Nagyon kezdő vagyok építettem egy kis ledes dolgot de nem nagyon tudom, hogy ez végülis sorosan vagy párhuzamosan van kötve. Ebben szeretném segítségeteket kérni. válaszotok előre is köszönöm
Szia!
Kellenének áramkorlátozó ellenállások a LED-ek elé. Elemtartó az a fekete doboz? A második képen a hutalozás mintha el lenne kötve. A kapcsolónak milyen szerepe van? Rajzold le a kapcsolásod, úgy könnyebb tájékozódni. Egyébként a LED-ek párhuzamosan kapcsolódnak Idézet: „A lábak szélessége is általában 0,7mm-es, ami nem éppen a próbapanelbe való.” Igen, de a lábak keresztmetszete nem kör, hanem lapos (általában), és a próbapanelbe éppen belefér, ha megfelelő irányban teszi bele az ember. Kérdés, hogy ekkor megfelelően beköthető-e az áramkörbe.. De, ha Topi megoldotta, akkor másnak is megy majd.
Szia
Szóval a dolog ott kezdődik, hogy szereztem egy LED szalagot na mármost ezt szeretném bekötni az autóba. azaz elvileg 12v -ról menne és ehhez probálgattam egy kis minta dolgot csinálni,hogy valójában képes vagyok e összehozni egy ilyet amiben kapcsoló is van. Igazából pont az a gondom hogy nem tudom értelmezni a kapcsolási rajzokat, hogy az az életben mit is jelent azaz hogy a - és + hova kell kötni.ha erre tudsz valami netes dolgot ahol mondjuk a kapcsolási rajz egy kis képes dologgal is illusztrálva van azt szívesen venném. A második kép szerintem csal ott a fekete és piros kábel nem ér össze a kapcsolónál.... Ha te nem erre gondoltál akkor hogy rossz akkor írd meg nyugodtan, hisz ezért írtam. Adott két 24 cm es LED szalag, ezeket szeretném elvágni és 4-et csinálni belőle,és rákötni a 12v-ra. Szerinted szükség lesz ellenállásokra.? Illetve két kapcsoló lesz betéve 2 szalag egy kapcsoló... ekkor szerinted a led szalagokat sorosan vgy párhuzamosan kell kötni.? Ja igen és ez a képen akkor lenne soros kapcsolás ha a Led + lábáról az áram a másik Led + lábára menne?
Sajnos az alapokkal sem vagy tisztában. A HE segít. Számtalan topic foglalkozik LED-ekkel.
A LED-szalaghoz adnak tápegységet, és leírást is, így könnyű bekötni laikusnak is.
Hellósztok.
Olyan mozgásérzékelő-típust keresek, aminek maximum 1 méteres a hatósugara, 10-20 cm széles csíkban érzékel. van ilyen, vagy hasonló paraméterekkel rendelkező érzékelőtípus? Ja és a méretének kicsinek kell hogy legyen esetleg árat ha tudnátok mondani és hogy hol kapok. (esetleg miből lehetne kiszedni ) Válaszokat előre is köszi.
Hello!
Nem ismerek ilyen eszközt, csak azért írok, mert már több helyen írtad, és figyelmeztetés lesz a vége. De gondolom válasz azért nem érkezett, mert nincs eléggé meghatározva (elárulva) a feladat, mert a hatótávolság érthető, de a 10-20cm-es sáv már nem hiszen ez a térben érzékel. Valamint az, hogy mit érzékelsz, és hogy az adó és vevő egy pontban kell elhelyezni vagy sem... Viszont nem írtad, mit értesz mozgásérzékelő alatt. Általában a köznyelvben ma a passzív infrát jelölik így. Annak hatósugarát és látószögét alapvetően az előtte elhelyezkedő "tört optika" határozza meg. De hasonló készülékkel találkozol a budiban a férfi piszoárnál. Ez gyanúm szerint aktív reflexiós infra aminek megint csak az optika lesz a lelke. Aztán lehetne, ez egy lift ajtóban használatos vonal infra, ami tényleg egy 10-20cm-es csíkban érzékel. (De rajzát még ezeknek sem láttam, de gondolom az adó-vevő kialakítása szintén a lelke a dolognak) proli007
Sziasztok!
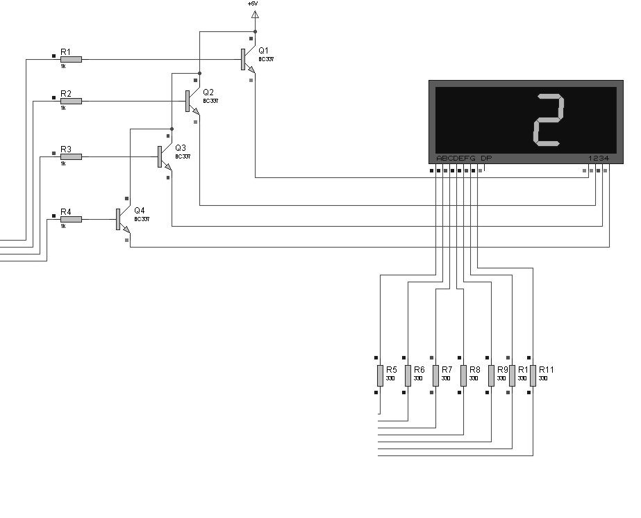
Ismét a segítségeteket szeretném kérni. 2 db 1 digites 7 szegmenses közös anódos kijelzőt vezérlek PIC-el (multiplexelt meghajtással), 2 db bc 337-40 tranzisztorral, melyeknek a bázisai 1 kohm-on keresztül kapcsolódik a PIC-hez. A 7 szegmensek többi pontja a PIC lábaihoz 330 ohm-on keresztül. Hasonlóan a mellékelt ábrához. A kijelzés működik, de egy igen zavaró jelenség is tapasztalható közben. Az első digit 7 szegmensébe halványan "belelátszik" a második szegmens amikor az éppen vált. Az időtényezőt állítottam 5 ms - 15 ms között, de ugyanaz a jelenség, amennyiben nagyobb értéket adok meg úgy már nem látszik folyamatsonak a kijelzés. Az kijelzést előszőr delay-el, majd megszakítással oldottam meg, de ugyanaz történt. Hogyan lehet ezt kiküszöbölni? (Amennyiben kérhetlek titeket egyszerűen fogalmazzatok, mert kb 1 hónapja kezdtem el a témával foglalkozni.) A készülék próbapanelon van összerakva ha ez számít valamit. Előre is köszönöm.
Szerintem az a baj, hogy a digitek léptetésénél nem változtatod azonnal a szegmensek adatait is, s ezért még egy picit látni.
A digitek léptetése és a kijelzés az alábbiak szerint történik.
if kijelzes=11 then begin portc:=4; portc:=2; case szamlalo_tizes of 0 : PORTd :=192; 1 : PORTd :=249; 2 : PORTd :=164; 3 : PORTd :=176; 4 : PORTd :=153; 5 : PORTd :=146; 6 : PORTd :=130; 7 : PORTd :=248; 8 : PORTd :=128; 9 : PORTd :=144; end; end; if kijelzes=22 then begin portc:=4; portc:=1; case szamlalo_egyes of 0 : PORTd :=192; 1 : PORTd :=249; 2 : PORTd :=164; 3 : PORTd :=176; 4 : PORTd :=153; 5 : PORTd :=146; 6 : PORTd :=130; 7 : PORTd :=248; 8 : PORTd :=128; 9 : PORTd :=144; end; kijelzes:=0; end; A portc:=4 a te ötleted alapján tettem be, hogy amikor vált akkor egy nem használt lábra küldje ki az aktuális számot, de sajnos az eredmény még mindig az, hogy váltásoknál halványan belelátszik a második szegmens.
Itt a bibi!
A case előtt már portot váltasz, majd valamikor kiírod. Először egy változóba tedd a kiirandó értéket, aztán rakd ki. if kijelzes=11 then begin case szamlalo_tizes of 0 : digit2 :=192; 1 : digit2 :=249; 2 : digit2 :=164; 3 : digit2 :=176; 4 : digit2 :=153; 5 : digit2 :=146; 6 : digit2 :=130; 7 : digit2 :=248; 8 : digit2 :=128; 9 : digit2 :=144; end; portc :=2; portd :=digit2; end; És így tovább.
Sziasztok
Építek egy érdekes fény effektet, kellene a bemenetére tenni egy szűrőt, ami csak a mély hangokat engedi át. Találtam ezt. Ezt már régebben megépítettem, és rendesen működik is, csak most nem tudok negatív tápfeszt szolgáltatni a szűrőnek (szimpla tápos lesz a készülék). Vannak a neten negatív tápfeszt előállító kapcsolások pl 555-tel, ehhez a kapcsoláshoz is alkalmazható lenne? (a tápfeszem stabil 12V) A szűrő kimenetére menne egy 555-ös, Schmitt trigger, tehát elvileg nem is lesz terhelve. Köszi |
Bejelentkezés
Hirdetés |





Szóval bocsika.






