Fórum témák
» Több friss téma |
Kell még egy felhúzóellenállás a tranyó kollektora és a pozitiv tápfesz közé. 1-3.3k közti, és a bázisellenállás is lehet nagyobb.
Amúgy meg használhatnád a válaszgombot, mert nem tudni kihez is szólsz....
Okés értettem ezentúl használom...
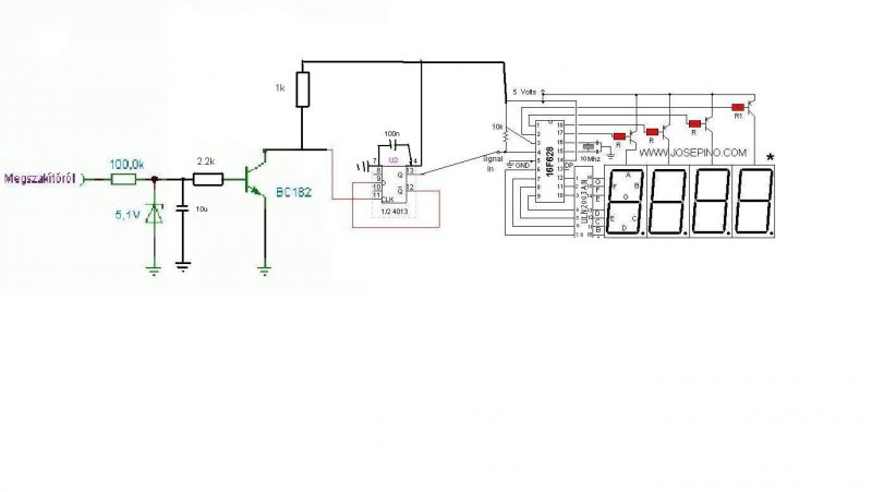
na de akkor megint nem világos a tranyó kollektorára adnom kell +5V -t? és ha igen akkor ide tegyek be egy legalább 1k-s ellenállást? Na csak a tisztánlátás kedvéért... én igy képzeltem ezt el... tejes egészében... Bővebben: Link Kérlek javítsd a rajzot ahol kell és akkor teljesen egyértelművé válik, hogy miképp is kellene megépítenem... és többet nem zaklatlak a hülye kérdéseimmel... és köszönöm, hogy ennyire segítőkész vagy...
A cd4013 tápja nincs feltüntetve, de természetesen kell, anélkül nem működik. A táplábaira forrassz ~47-100nF kerámiát.
Igy csináld:
ok tehát akkor csak annyi kell már h plussz egy 1k -s ellenállás és a bc182nek azon keresztül 5v... és ennyi?
csak mert nem raktad a képre kerámiákat amiket mondtál, hogy azokat hova kell... vagy honnan kell tápot adni a 4013-nak
Ugyanazt az 5V tápot kell a cd-nek is kapnia. A 14-es láb +5V, a7-es test. Ezekre a lábakra forraszd rá közvetlen a kerámiakondit.
Tehát akkor igy lesz teljes az össz kép ha jól értem?
és az uln2003 9es lábára akkor megkérdezem már h nem kell semmi?
Háhá... akkor köszi mindent... akkor igy kell megcsinálnom az egészet és menni fog...
Nég egyszer köszi a segítséget... holnap neki is fogok és megépítem ugy ahogy a képen van...
Eagle-ben elkezdtem tervezni neki a nyákot...de mikor berakom a BC182 -t akkor ilyet rak oda: lásd - melléklet
Ez normális... ennek a lábainak egybe kell lenniük... gondolom nem...de azért megkérdezem már...
Na a helyzet az h megépitettem de el sem indul... nemtudom mi lehet a baj... elvileg teljesen e kép szerint csináltam a nyákot...
Bővebben: Link de semmi... nekem közös katódos kijelzőim vannak és igy elvileg a pic 3-as lábát gnd-re kellene tenni de... ugy tudom h az unl2003 meg invertál.. igy mégse oda kell... ezért a pic 3-as lábát +5v-re tettem ... az a baj h semmit nem csinál ... nemtudom mi lehet a baja... valszeg h nemtudok nyákot tervezni... nincs valakinek ehhez egy megtervezett nyákja? vagy a kapcsolással lehet valami baj? Valakinek valami ötlete? Nem tudok sok infóval szolgálni mert mondom semmit nem reagált az elkészített mű... ja de kinyirta a picemet, hogy rohadna meg... Szeretném ezt megépíteni de addig nem fogok már hozzá amíg nem lesz egy 100%nyákterv meg kapcsolás... mert eléggé szarul esett mikor egész nap küszködtem vele és semmi reakció... na meg a picek se olcsók nekem mivel rendelnem kell... Szóval ha valakinek volna valami jó ötlete... vagy anyaga (nyákterv) akkor megoszthatná itt velem... Előre is köszi a válaszokat...
Igen.. semmi gond nem volt a programozással...
Egszerűen nem tudom, hol lehet a gond.. lehet h a kacspolás nem jó... nem tudom... kellene egy nyákrajz amire ha ráépítem akkor tuti jó lesz... mert ez igy nekem nem jön össze
Senkinek nincs rajza? Sajnos sehol nem találok... pedig az érdekes, hogy elvileg nem kevés ember megépítette de senki hozzáértő nem csinált rajzot...
Jó lenne ha valaki megosztaná, mert szerintem nem csak rajtam segítene... Vagy csak én vagyok ilyen béna, hogy nemtudok egy nyákrajzot megcsinálni?
hali
keresek olyan vállalkozó kedvű egyént aki tudna nekem fordulatszámmérőt csinálni egy 4ütemű 1 hengeres trafós gyújtású 12vos motorhoz 4 számjegyű kijelzővel kijelzőt (ledes) tudok adni hozzá köszi
Üdv!
Egy fiat puntoba szeretnék "fordulatszám mérőt" csinálni PIC-el. A cél igazából nem a konrét érték meghatározása lenne, csak az alapjárat és egy magas fordulatszámérték meghatározása. Arra gondoltam, hogy a generátorról venném le a feszt, ezt behatárolnám 0..5V közé és ezt az ADCvel feldolgoznám. A generátor indukált feszültsége közel lineáris ugye? Szerintetek ez így megoldható?
Sziasztok!
Működő 7-szegmenses ford. szám mérő után kutatok. Nézegetvén a hozzászólásokat, egy már kitiltott felhasználó írta hogy a ford. szám mérés megoldható 7107-el is. Nekem ez jó lenne. Ez ügybe tudna nekem valaki segíteni kapcsirajzal? Előre is köszi! Peti
Sziasztok!
Az imént sikerült elkészíteni a Tachometer 2 rajza alapján a nyákot, beleraktam minde alkatrészt, pont úgy, ahogy a rajzon volt, és első bekapcsoláskor sajnos egyetlen szám karaktert sem lehet felismerni!!! Az elején mutat folyamatosan ugyanolyan karaktereket egymás után, mintha 0-tól visszafele számolna, mint kijelző ellenörző, megáll a hiányos 5-ösnél (Ez a bal oldali számjegy) a többi 8-as marad Valaki megépítette ezt a kapcsolást? És ha igen, mit látott elsőként?! Köszi Üdv.
hello én is most építettem meg a josepino-s tachometer2 öt próbapanelon összedugdostam de semmi nem történik vagy jel nélkül ne is várjak semmit ?
PIC16F628-20/P használok a programozás elsőre sikerült. azt is kipróbáltam hogy kijelző nélkül csak Táp, föld, oszcillátort kondikkal adtam neki meg a közös anódos üzemódos 5 Voltot a 3 as lábra de a kimeneteken semmi változás nem mérhető hogy lehetne ellenörizni mi a baj ha feltesszük a program biztosan jó ? üdv Thomi
Ha az ábra alapján készítetted, akkor kérdés, hogy pl az Oszcillátor házát lehúztad-e Testre! Sajnos nálam ez tipikus jelenség volt, hogy hol van frekvencia, hol nincs...
A másik ötletem az, hogy próbáld meg, nem 5V-al, hanem alacsonyabb feszültséggel, pl 4,5V-al! Nekem 5V-os stabkockával meghalt! Betettem egy diodát a pozitív ágba, ugye ilyenkor -0,6V esik a Diódán, és az IC máris megkapta a 4,4V-ot, amivel hajlandó volt műköni! Ezek nálam is előfordultak!
A proci config bitjei is lehetnek ludasok.Sok kellemetlenséget okoztak már nekem.különösen az icprog volt hajlamos a config biteket elcsalni.
Hmm, én WinPic800-assal írtam meg!
Melyik Config bit lehet a hibás?! És ha most csinálnék egy ilyet, már PicKit2 Clone-al csinálnám! Kérdésem az lenne, hogy ha jól gondolom, akkor az elvi működése a következő képpen néz ki! Van egy bemenő frekvencia, amit egy számlálóval mérek! Egy másik számlálót elindítva, mérem 1 másodpercig, ami megszakítást okoz! Kiveszem a számlálóból az értéket (Ameddig elszámolt), azt szorzom 60-al, és kész van a Fordulatszámmérő? Ha így van, akkor eskü, készítek egyet házilag! 5 Segmenseset!
Az elv lehet kb ez,annyi finomítást azért beletennék, hogy az utolsó/utolsó 2 számjegyet eltüntetném.
A motor nem egy fix frekvenciás generátor ezért gondolom az utolsó jegy olyan sűrűn változik hogy értelmetlen kijelezni. Az is fontos, hogy milyen tartományban mérsz PL 3000 körül ha a számolt értéked egyet változik a kiirt érték 2940..3000..3060 lehet csak .ez a helyzet a fordulatszám növelésével javul.de mindíg csak 60 osztható számot tudsz kiíratni. A picnél az mclr meg a boden bitre gondoltam.Esetleg az oszci típusát nem állítottad be.
Ha az emlékezetem nem csal, az a HEX fájlban benne van! Mármint a Config érték!
És igazad van, az utsó 2 számjegy elhagyható! Esetleg ha pontos akarok lenni, akkor esetleg 5 másodpercenként vegyem a jelet?! csak akkor meg önmagába túlcsordul a Timer... Majd kierül!
köszi srácok
kipróbáltam a kisebb tápot illetve a oszci földelést egyikse müködött aztán kitéptem a két 33pikos kondit és egyböl beindult a cucc :S nem értem mért ... beraktam most két 22 pikost és megy vele már csak egy két digittel van bajom de lehet hogy a pic nemtudja meghajtani rendesen mert egy szegmens 16mA-t szeretne magának szép napot
Örülök, hogy elindult, de erős kérdőjel van elöttem! Ha 2 digit jól működik, akkor nem hiszem, hogy a másik kettőnek az lenne a baja, hogy a PIC nem képes több áramot leadni!
Demultiplexer üzemmódban elméletileg, minden Segmens megkapta a saját teljesítményét, amit a PIC le tud adni! Vagyis, mindíg 1 kijelző kapja meg! Mivel gyors a frissítés, ezért maximum halványabb lesz! Javaslom, nézd meg a panelt, szakadás, zárlat... Illetve még azt, hogy egyformák-e a kijelzőid! Üdv.
egyben 4 digites kijelzőt használok, sajna egy szegmens rossz volt ezért volt hiányos a kép ez kihatott a többig digitben is a szegmensekre.
Kipróbáltam egy kocka Lada-án és az lenne a bajom hogy 6000-8000 ret mutat alapjáraton(szivatóval mert hideg volt szal 1500 RPM volt kb), a megszakítóra kötöttem egy 1k ellenálláson és tranzisztoron keresztül az egyik kép alapján amit ide linkeltetek Szamarához az hiszem. az lenne kérdés hogy most ez leosztja X -el a mért impulzust ? mert ugyebár a megszakító többször jelez egy fordulat alatt.. (a digitek jó sorrendben vannak bekötve)
Hello!
Az első gond az, hogy 4 ütem van, de ez csak 2 fordulaton teszi meg! A kismegszakító azért nem jó, mert ott a trafóból visszacsapódó áram is generálhat egy impulzust! Azért raknak rá kondenzátort, hogy be ne égjen a kalapács! Javaslom, hogy a főtengelyre tegyél egy jeladót! Ez, ha pontos és megbízható értéket akarsz, akkor fénysorompós megoldáson kondolkodj, illetve ha kevésbé, akkor elég egy mágnest rászerelni egy tekercsel, vagy egy REED cső-vel! Bár, a REED cső nem annyira gyors Egyébként érdekes, mert nálam, ha a trafó 1m-es körzetébe került a PIC azonnal meghülyült, és folyton reszetelte magát Ez az ötletem, gondold végig, próbáld ki!
hmm a reset nálam is megvolt de aztán abbahagyta egy idő után, hmm furcsállom hogy nem osztja le azt hittem jó lesz mert az josepino oldal úgyirta hogy 4 hengeres motorhoz való :S
köszke az ötletet |
Bejelentkezés
Hirdetés |











