Fórum témák
» Több friss téma |
Fórum » Csöves erősítő készítése
Ne feledd betartani a fórum viselkedési szabályait, és a topik megmaradásának feltételeit. [link]
A téma átmenetileg fagyasztva lett, hozzászólni nem tudsz!
Sok szerencsét én eddig még nem találtam ott semmi használhatót. Tavaly nyáron viszont volt kint egy ember aki 50Ft-ért osztogatta az új Tungsram csöveket dobozukban. Vettem 2 EF184-et akkor még nem tudtam hogy mire jók, dísznek vettem
Most tudnék válogatni közöttük, de azóta se láttam kint egy csövet se
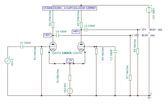
Ez a rajz rossz . Milyen célra ajánlanád ezt a kapcsolást ? Ha már ott van a program , szimuláhatnád és jelezné , hogy " irregular circuit ".
Bemenetre generátort tegyél és állítsd be a kívánt szintekre és kéne még min . egy ellenállás is (2 jobb lenne) .
Az a baj, nem találom se a frekigenerátort, sem a tesztelést. Hol van ez a programban? Tegnap kérdeztem a témájában a programnak, de nem válaszoltak.
T&M gomb és megtalálod a műszereket .
ANALYSIS adja a teszt lehetőségeket . (Mint említettem a bemenetre generátor kell , a kimenetre egy terhelés és az anódba ellenállás .)
[off]És hol adjam meg a frekigenerátornak, hogy hova adja a jelet? Rakjak olyat, mint az előző rajzon volt?
Generátort megtalálod (táptól jobra a második) és kösd be , már említett módon állítsd be a frekvencia és a kimeneti szinteket.
Javítottam a rajzod , így próbáld .
[off]Köszi!
Szia !
Szerintem pedig működnie kell , 40V eff. kivehető abból a kapcsolásból (1,5V eff. bemenet esetén), utánhúzva még több és ennek elégnek kéne lenni .
És akkor a triódák csak szabadon lógnak, vagy befogod őket?
Akkor Te nem azt a kapcsolást próbálod . Pontos értékekkel próbáld , -50V és + 280V és a megadott ellenállásokkal . A Triódák anódjában a 270K ellenállások nem közvetlenül a tápra , hanem a rajzod szerint , utánhúzva kell bekötni ...
Azt mondta lenin, hogy : csatolni, csatolni, csatolni.
Jók a csatolókondik? Hogy a p.-ba húzza ela munkapontot egy teljesen DC leválasztott fokozat? Arra meg figyeljél, hoyga PCL-ekben a trioda és pentoda között olyan szórt kapacitások vannak, amik mindenféle káros csatolást okoznak sajnso ... (tanítom a halat úszni )
Gondoltam , hogy variálsz , -50V nélkül nem megy .
Nagyon kis torzítás mellett ez a kapcsolás kihajtaná a végfokod . Ezeket a feszültségeket kéne mérned , ha jól rakod össze .! Csinálj -50V -ot , könnyeb mint még 2 csövet berakni . De ha bonyolítani akarod akkor nosza .. . Csövek duplázása hibás elgondolás , még rosszabb lesz . Idézet: „Ha közé teszem az illesztő fokozatot, akkor azonnal gerjed, és semmivel nem áll le” Keresztbe kötve nem próbáltad? Tehát A pcl86 triódája B pcl86 pentódáját hajtja és B pcl86 triódája A pcl86 pentódáját.
Ha nem a kapcsolás szerint próbálod , elhagyod a -50V feszülséget , akkor mégis csak variálsz , nem azt építed és csodálkozol , hogy nem hozza az elvártakat .
Ez a megoldás lenne egyszerű és olcsó . A -50V előállítható akár a fűtés feszültségének felhasználásával is . Csövek nem "bűnösek" , csak a kapcsolással van baj . Persze úgy csinálod ahogy akarod , csak nem értem miért bonyolítod ha nem kellen .
Küldtem privát mélt, ha tudnál rám szánni egy kis időt nagyon megköszönném !
Ezt mind értem .
Csak azt nem értem miért nem csinálod meg , ezzel a meghajtással , alig kell változtatnod a kapcsolásodon . Az a fránya -50V nem lehet akadály , így maradna továbbra is egyszerű és hozná hangerőben és minőségben is az elvárásaid . Én nem látok benne semmi praktikát , a minusz feszültség nem számíthat annak .
Hála a jó égnek nem lett igazad
![]() Találtam egy kis doboznyi csövet a nagy kupac vacakba ![]() 20 db csövet 200ft-ért odaadták! mind Tungsram, 4 db újan dobozába.Meg egy ezresért volt egy trafó, csak nem teljesen értem... Valaki segítsen! A csatolt képen látható. Ezen hol a bemenet?
Grat, én többször is voltam kint de soha nem találtam csöveket. Merrefelé voltak? Majd jövőhéten kimegyek én is, hátha lesznek még. Milyen csöveket vettél?
A börtön sarkán ahol a sok ócskaság van...
Aztmondta ez az összes. PCF80,PCF802,PCL85, PCL805 2 db, PY88 3db, PCL86 3db, PCL82, PCL84 4db, EF80, PCF802, ??200, ??83
A"0" és a "220" vagy a "0" és a "380" a bemenet az az a primer és a 6V a szekunder azaz a kiment. Így érthető? Természeztesen a 380-as tekercs két fázis közé értendő.
Ha kicsi cső akkor PCH200. Foglalatok is voltak a dobozban? Én egy PCL85 triódájával csináltam a katódkövetőt. PCL86 ból meg jó kis erősítőt csinálhatsz ha szerzel kimenőt. PCL82 ből is lehet csinálni.
ECL82 és a PCL82 csak a fűtésben tér el egymástól. Elég érdekes trafó én ilyent még nem láttam, szerintem köss 12v váltót a 440 és 0 kivezetésre és mérj feszültséget a 220 0 kivezetésnél.
foglalat sajna nem volt.
trafót mindj mérem, csak először felirtozom meeg dobozolom a csöveket
Tedd bele őket hungarocellbe és rakd ki egy polcra, nekem is ott vannak, szerintem jól néznek ki, de vigyázz a festékkel nagyon könnyen lejön.
Akkor én is jól láttam, hogy csak 6V-ot ad. Tehát 6V-on 10A-t ad a trafó.
Hát Marcee, ezzel egykét csövecskét felfűthetsz!
jajah, az lesz majd
![]() hát a festék valóban könnyen lejön. de filccel rájuk írtam. ha kell azt le tommosni körömlakklemosóval...
de ha a 0 és 220 helyére +4,5 -4,5et kötök, akkor 0 és 440 közt lesz 18V. =>220ból tudok 440et csinálni..
Na, azt nagyon gyorsan felejtsd el!!! Az ott van a fázison, és életveszélyes!!!
|
Bejelentkezés
Hirdetés |


Most tudnék válogatni közöttük, de azóta se láttam kint egy csövet se

) 






