Fórum témák
» Több friss téma |
Fórum » Propeller Clock
Igen a szabályozásnál én is a 3x-os ledeket tarottam kritikusnak mert szerintem nem lehetne az eredeti kapcsolásban úgy szabályozni őket,hogy a fényerő egyenlő legyen a külön tranyóval hajtott egyes ledek-el
Szerintem kell mindnek külön tranyó!
Szia!
Elbírja a tranzisztor a 3 led áramát (3* 10 - 20mA) is, elég ha külön ellenállásuk van... Szia
Átterveztem a rotort párhuzamos,földelt emiteresre és persze tettem a 10K ellenállásokat mert ugy tudom azok kellenek a földelt emiteres megoldásnál
A fetet és a műveleti erősítőt hová gondoltad? A nyák kissé zsúfolt de még mindíg vasalható szerintem ha végleges lesz akkor legyártom!
Szia!
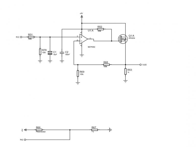
A led-ek és a földelt emitteres tranzisztorok közé, a kollektor körbe kell egy-egy ellenállás. A led-ek közösitett tápját egy p-mos fet (irf9z34n) szabályozza. A fel gate-jét a 28 lábú pic pwm kimenetéről vezéreljük a Wand óránál. A pwm szűrése és a háromszoros erősítés igény miatt kell egy lm358 erősítő a pic és a fet közé. (ld. pickit2 Vdd előállítása). A fénymérőt a pic egyik analóg bemenetére kötött fotoellenállást (fotodiódát) alkalmazó feszültségosztó valósítja meg. Megoldható a fényerő szabályzás a pic kihagyásával is - a fotoellenásos osztó a fel gate-jét a műveleti erősítőn keresztül (esetleg közvetlenül is) vezérelheti. Szia
Köszi! Valószínű megpróbálkozok a pic nélkülivel azt könnyen meg lehetne oldani. Úgy vannak az ellenállások ahogy írod átkerültek az emiter-ről a collektorba és minden lednek van külön! A hármas ledeket egy tranyó hajtja meg három ellenállásal meg a külső kör két led is ugyanígy lesz azt rosszul terveztem mert csak egy ellenállása van de javítom! Valószínű nem tudom kikerülni,hogy ne legyen kétoldalas a nyák de így majd lesz rajt icsp is legalább
Szia
Az erősítőt szerintem tervezd rá: táp a +15V, föld a közös föld, a kimenet egy 100 ohm-on megy a fet gate-jére. A fet source kivezetése a tápon van, a drain megy a led-ekre és egy 10K-val a földre. Az erősítő negatív bemenete lesz a vezérlés, a pozitívra egy visszacsatolás jön a drainről egy feszültség osztóval. Ha a pic-et kihagyod, akkor az osztót a fotoellenálláshoz kell igazítani. (pic kimenete csak 0..5V, igy a 15 volthoz 20K-10K kellene.) Javaslom még a fet gate-jét egy 100k-val a tápra húzni (ha nincs bent az erősítő lezárja a fet-et). Szia
Kösz! Kikísérletezem,hogy lenne a legjobb!
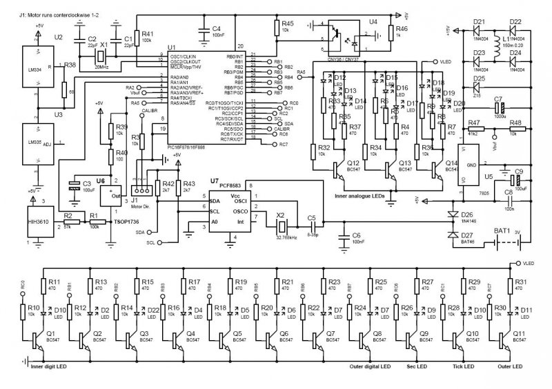
Hali! A 20 ledehez dip28 pic-es órához van valami nyákterved amiből lehetne tovább fejleszteni mert nekiálltam de szinte lehetetlennek tűnik a panel elkészítése egyoldalas módon! Az eleje az kész van 21 led van bent és földelt emiteres is és nem lett szélesebb sem mint a vicsys féle de a "hátsó része nagyon zsúfolt lesz ha nem akarom batár nagy méretűre tervezni
Szia!
Egy próbanyákos verzióm van hőmérséklet, páratartalom, buffer feszültség méréssel, de nincs rajta a fényerő szabályzás. Próbáltad már úgy, hogy a dip28 tok 90 fokkal el van fordítva, a B port néz a ledek felé? Szia
Most hosszában van de lehet,hogy elfordítom
Az elején próbáltam de nem tartottam ki mellette lehet pedíg úgy lenne a jó Sima optotranya lenne bent azt,hogy kössem be?
Szia!
Ez még egy régebbi állapot, a páramérő még nincs rajta (a quartz-cal átellenben az optocsatoló mellett kapott helyet). A TSOP alatt az RTC elemei, a 7805 mellett a két TO92 tok a hőmérő. (A dip20 tok alatt jól elférnek elleállások, a 20 - 19 lába között pedig a tápszűrő 100nF..) Ha fotottranzisztor lesz, akkor a föld és az RB0 láb közé kell betenni. Egy felhúzó ellenállás kell neki a pic tápjára. Szia
Kösz! Kísérletezem! Ellenállásnak szerintem minden smd lesz
Így több hely marad felül!
Sziasztok
Ha a Philips TV-m távirányítója "hülyíti" a propeller clockot akkor mit tudok csinálni? Úgy tűnik nem csak az 552-es kód viszi. üdv
Szia!
Egy lehetőséged van, a prop628.asm-ben bekapcsolod a címfigyelést. Ebben az esetben a Keys.asm-ben a most hasznát távi címét be kell írni, (URC-nél talán jó a 0x14, de jó lenne ezt pontosan tudni...). Ezután már nem lehetne ütközés. (A PHILIPS RC5 kódokat használja a propeller programja is). Szia.
Szia!
Olyan szerencséd van, hogy a TV által használt kódot alkalmazza a propeller óra is. Megoldás az, amit Janocsi is ajánlott: Be kell állítani az órában és a bázisban is a cím figyelését (32 berendezés csak nincs már..), be kell állítani a keys*.asm -ben a címet (ha jól emlékszem az eredetiben:
Mind a propeller, mind a bázist le kell fordítani, beégetni. Ha a cikkben szereplő távirányítót építetted meg: Az rc5send.h-ban ki kell javítani a 0x1D = 29 -re vagy az új címre.
Le kell fordítani, beégetni .... Már meg is és nem zavarja a tv, ha a tv címe nem 29. Ha nem az ajánlott távirányítót használod: A bökkenő az, hogy meg kellene tudni, milyen címet használ a TV és milyen címet adjunk az óranak. Ezt kisérletezéssel vagy a girder programmal, vagy a bővített bázissal lehet meghatározni. (Az ajánlott bővített bázis minden általa értelmezhető RC5 csomagból a címet és a parancskódot elküldi soros vonalon a PC-nek, függetlenül attól, hogy neki szót-e. A TV-nek szóló parancsokat is kilistázná a kezelő program, a tv címét egyszerően le lehetne olvasni....) Szia
Szia
Kísérletezgetés marad, felírogattam, hogy milyen kóddal megy a TV és a PC is. (0026, 0027, 0073, 0191, 0192, 0193...) elég sok. Hol találom azt a kódot a bázis és propeller .asm-ben ahol engedélyezni kell a címfigyelést? Urc-1 es távirányítót használok. Az az elképzelés, hogy ezzel az egy távirányítóval kapcsolom a TV-t és a PC-t egyaránt. A PC 552 es kódját rátanítom az AUX-ra, a tv-t meg a TV-re, szerintem logikus elgondolás, kérdés, hogy működni fog-e, de az majd kiderül. szia
Kivettem a ";"-t a
És ezt beégettem a propellerbe, most nem reagál az 552-n kívül másra, viszont a külső kört és a digitális módot nem lehet ki- ill. bekapcsolni. Úgy tűnik a Keys.asm -be is bele kell nyúlni.
Szia!
Találtam az "archivumomban" Somogyi URC1-es távihoz Keys.asm-et. Azt hiszem Taki33-tól kaptam még tavaly valamikor, de Neked ez éppen jól jöhet most. (Ebben még nincsennek benne az új parancsok kódjai, azt még először be kell majd konfigurálnod, a mos használt keys-ből átmásolva, billentyűkre kódolva)! Szia.
Szia!
Talán az lenne a szerencsésebb, ha a mostani keys-ben írnád át az URC1-hez azt a néhány parancsot. Pl.: BLU LINE F1 EQU 0x30 helyett EQU 0x32, Digital Time F2 EQU 0x29 helyett 0x36, stb. Csak a hozzá tartozó kódokat kell módosítani. Szia
Szia
Bejött a dolog, 1 az 1-be átraktam azt a Keys.asm-t amit küldtél, köszi. Viszont van egy észrevételem, az miért van, ha megnyomom a 9-es gombot, a kijelzett szöveg fordul lassan az óra mutató járásával megegyező irányba néhány fokot, aztán eltűnik minden? És bármilyen kódra állítom a távirányítót produkálja ezt a jelenséget, így a 9-es gombot akkor nem nagyon tudom használni, de ezt leszámítva minden ok. üdv
Szia!
A 9-es gomb valószinűleg a bázis programban kapcsolja le az IR LED-et (?!) (Ez egy korábbi megfigyelés eredménye volt). Emiatt már nincs index figyelés, és felborulnak az egy fordulatból értékelhető számított adatok. Olyan mintha lekapcsolnád a propellert, de forog tovább. Azt a 9-es gombot, (NUM 0x09), valami hasznosabb funkcióra kellene felhasználni, árírni. Szia.
Szia
Most kapcsolok, hogy a bázist még nem is módosítottam! Így nem csoda, ha a másik kód is viszi. üdv
Szia!
Megnéztem ezt a Keys.asm-et, és úgy találtam, az a NUM 0x09 kód a Vol_DN-hez, (Másodperc hátra), lenne eredetileg rendelve. Valami miatt a másodperc hátra most a 0, (0x0A) nyomógombhoz van rendelve. Ezt a "szépséghibát" ki tudod javítani úgy, hogy a VOL_DN EQU 0x0A kódot, 0x09-re módosítod. Így, ha véletlenül is megnyomod, a másodpercet fogod állítani vele. Szia.
Szia! Haladok a tervezgetéssel
Lenne egy két kérdésem a rajzal kapcsolatban Szóval kell a 7805-os stabilizátor vagy elbírja a 78l05 is, az LM335 1-es lábát nem kell bekötni HIH3610 hol szerezhető vagy mi jó helyette amit kapni emberi áron is és milyen a tokozása mert lehet azt most nem rendelek egyelőre ha drága vagy nincs a ledek fényerőszabályzása még nincs megtervezve de a nyákon már földelt emiteres az egész ezt kéne akkor még beletervezni a PIC-et is rá lehetne kötni meg lehetne fototranya vegyesen ha már tervezem a panelt! Elég sűrítetten néz ki de talán sikerül az egyoldalas! Minden ellenállás smd lesz!Rajz
Szia!
-Lehet 78L05 is. -HIH 3610 a Lo*ex ben volt, most nem látom a listájukon csak a HIH4000-004-et, kb. 4.5kFt. - Ha fototranzistor lesz, akkor R46 elmaradhat. Az optocsatoló helye ventilátor függő. (Már megbántam a résoptót, alig találni kerek házas ventilátort.) - Az LM334 és LM335 is kapható so8 tokban. Az LM335 1. lábát nem kell bekötni. - A pic programja nem változik - a földelt emitteres és az áramgenerátoros táplálás ugyanúgy vezérelhető. Az ellenállások értékére majd figyelni kell, főleg ha eltérő színű ledeket alkalmazunk. - A külső led körében nálam egy led van, a fényerejét az ellenállásával be lehet állítani. - Mivel a PWM jel az RC2 lábon jelenik meg, a fényerő állítós verziónak egy kicsit eltér a kiosztása. - MCP6001, MCP601 egy erősítőt tartalmazó típus van smd-ben (de dip8 tokban csak a dupla kapható). Szia
Köszönöm! Ha kész lesz a terv majd felteszem,hogy neketek mi a véleményetek róla!
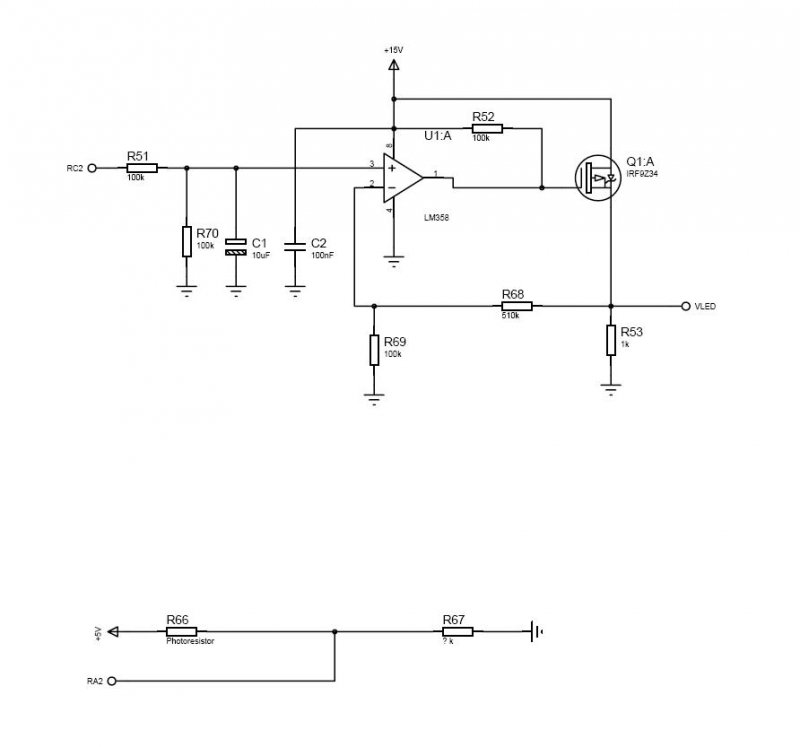
Valami nem stimm
A ledek meghajtása 15V-ról működik az eredetiben te az 5V-os tápról rajzoltál a fetre tápot
Szia!
Ezt elfelejtettem javítani, amirok átvettem az áramgenerátoros - fényerő szabályozós verzióból... Szerencsére a fet működik 15V-ról is, de az erősítőt LM358-ra kell cserélni (van so8-ban is).Szia
Na nagyjából kész van de lesz mit finomítani rajt! A jumper mi célt szolgál? Egyedül az nincs rajt! Azt,hogy vasalható lesz e nem tudom de ki fogom próbálni de most abbahagyom mert kifolyik a szemem két egész nap csináltam
A ledek meg a fototranyók még nem jól állnak most vettem észre kell rajtuk forgatni.
Szia!
Nagyon tetszik... Még nézegetem.... |
Bejelentkezés
Hirdetés |




Szerintem kell mindnek külön tranyó!




Szerencsére a fet működik 15V-ról is, de az erősítőt 
A ledek meg a fototranyók még nem jól állnak most vettem észre kell rajtuk forgatni. 


