Fórum témák

» Több friss téma
Fórum » Muzeális készülékek-alkatrészek restaurálása
Lapozás: OK   78 / 588
(#) Imi65 válasza Doncso hozzászólására (») Okt 23, 2009 /
 
TAF3 vezérlőrács.......
(#) Gafly válasza Doncso hozzászólására (») Okt 23, 2009 /
 
Valamint attól hogy PU bementről szól, az AB2 demodulator és köre is lehet hibás, ne csak az ACH1 környezetét nézd...
(#) Doncso hozzászólása Okt 23, 2009 /
 
Huhh, hát nemmindennapi élményem volt az elmut 10-20 percbe, az első :

Az történt, mondom kiszaladok , megmérem a feszültségeket, erre ahogy bekapcsolom, rezeg az AZ1 és villámok mászkálnak benne, mondom huha, és izzik az egyik anód , na mondom ennek annyi, csere, a másik is izzik, na mondom itt komoly a baj, észre vettem, hogy az ACH katód csatija leszakadt és összeért az anódfesszel, vagy nem tudom mivel, de épp megláttam ott egy pici szikrát, na ezt egyből rendbe raktam, kiderült, hogy az ACH nem is kapott katódjára semmit, no , ezeket rendbe téve, bekapcs, majd fesz ellenőrzések, és bakker, elkezdett gerjedni a hangszóró, mondom mi a fene, az állomás tekerőhöz érve meghallottam azt amire azóta várok, hogy nekiláttam, azt a középfrekis, vagy nem tudom hogy is mondjam ,nálam AM sáv süvitését, háát mondom ilyen nincs, tekergettem, és befogtam az első adót, valami szlovák, vagy mi, de nem is ez a lényeg, hanem hogy megszólalt a 71 éves technika.
Hát most nagyon boldog vagyok, megvan a neheze
(#) küzmös Gergely hozzászólása Okt 23, 2009 /
 
Sziasztok! Jó is az ha valami régi készüléket élesztgetünk,javítgatunk.. majd a sokadik próba után szinte váratlanul beindul.. ez a legjobb az egészben.. legalábbis szerintem Én inkább tv-kel foglalatoskodom ott kép is van Szóval az Orion Oretta tévékészülék sorfrekvencia problémáját megoldottam egy a sorfreki elé szurt 200kohm-os ellenállással.. tudom kicsit "kókány munka" de bejött.. a dobváltó kapcsolgatásával is stabil,ha össze is törik azonnal helyreáll
(#) moltam válasza Doncso hozzászólására (») Okt 23, 2009 /
 
Remélem én is tudok még szerezni valami csöveset
A szomszédban van egy orion tv hátha meg tudom szerezni Eddig amim van az az RFT Prominent 203 és egy FISHER Studio Standard VCR ez nem olyan régi de legalább ez is van.
(#) Doncso válasza moltam hozzászólására (») Okt 23, 2009 /
 
Mármint rádióra gondolsz restaurálás céllal? Mert akkor ajánlom a vaterát, tele van 2-3-4000 ért gyönyörűszép darabokkal.
(#) moltam válasza Doncso hozzászólására (») Okt 24, 2009 /
 
Lehet venni fogok 1et. Ja és még van egy KÉKES tv m (rokonoméknál Nyirtasson.) Ahhoz tud valaki rajzot?
(#) Imi65 válasza moltam hozzászólására (») Okt 24, 2009 /
 
Tessék figyelmesen átnézni, a sasszi akár fázison is lehet.
(#) Doncso hozzászólása Okt 24, 2009 /
 
Üdv urak. Akadt egy kis problémám, amivel nem nagyon tudok, mit kezdeni, az történt, hogy beállítottam egy sávot a készüléken, szól, teljesen jól, de ha elveszem a kezem elhallgat nem értem miért, ha ráteszem az ACH1 záróhengerét, akkor aztán pláne, ha közel nyúlok az ACH1-hez, vagy van még egy alu henger benne egy tekercsel közepén egy csavarka, ha ha ehhez közelítek akkor is szól, de ha elveszem a kezem akkor elhallgat teljesen. Mi tévő legyek, van ötletetek? Nem akartam eltekergetni, olvastam, hogy azzal nagyobb galibát lehet csinálni, inkább kérdezek előtte. Megjegyzem , a rádiófrekihez és egyéb rádiós dolgokhoz krumpli vagyok.
Előre is köszönök bármilyen ötletet.
Egyébként szépen alakul a dolog. A doboz megkapta az első lakkot, szépen sikerült, a sasszi már egész szépen néz ki, ahhoz képest hogy mennyi idős, a skála nagyon szép, szóval alakulgat.
Üdv.
(#) Imi65 válasza Doncso hozzászólására (») Okt 24, 2009 /
 
Lehet, buta kérdés, de antennát dugtál bele? Ezek még igénylik, nincs beépített antennája...... :nemtudom:
(#) Doncso válasza Imi65 hozzászólására (») Okt 24, 2009 /
 
őőő, izé, hát szóval heh .

Megpróbálom,

Köszi.
(#) Doncso válasza Imi65 hozzászólására (») Okt 24, 2009 /
 
Hát, be kell látni, néha a leg alapvetőbb dolgokon elsiklik az ember, hát még én. Szerencsére mindíg kisegítetek, egy antenna és máris más a helyzet . Azért egy dolog még egy picit nem világos, hogyha az ACH1-es vezérlőrácsára, azaz a tetején lévő kivezetésre teszem az antennát sokkal hangosabb stabilabb és biztosabb a vétel mint az antenna dugóba.
Ezt a pontot és az antennát elvileg egy 20R és egy 30p soros kapcsolása köti össze, ezen veszítene a jel az intenzitásából? Létezik?

Csatolok egy képet a jelen állapotról, rengeteget dolgoztam vele, szinte minden nap, volt is baja, kondik, KH, stb, de már üzemel, igaz még bőven akad tennivaló, de először az üzembiztos működés a cél, közbe az esztétika, a végén a kozmetika
Remélem tetszik azért, mert engem nagyon elvarázsolt ez a világ.
(#) Doncso válasza (Felhasználó 13571) hozzászólására (») Okt 24, 2009 /
 
Köszönöm az elismerést, ilyenkor mindig jobban esik a munka is , ha másnak is tetszik amit csinálok.

Akkor ha jól értem, ez normális dolog, ha a rácsra teszem erősebb a jel. Akkor használom a rendes antenna csatit, végülis azért van, egy kicsit halkabb ott, de nem érdekes, maximum feljebb tekerem a hangerőt. Volt még egy pici zúgás, de tudod amiről ma beszéltünk, hogy a gerjesztő tekercs a fojtó, és egyben egy lépcső is, oda tegyek egy ellenállást, nos ez megtörtént, és eltünt a maradék zaj is, egyszerűen szuper lett. Igaz kisérleteznem kellett vele, mert 1k túl sok volt 100R meg kevés, de sikerült belőni.
De remélem sikerül egyszer lőnöm a börzén egy gerjesztettet amin ott vana kimenő is, mert jelenleg egy 220-as trafó a kimenőm, más nem volt itthon. De ezzel is remekül üzemel.
Lassan jöhet a politúr, nem érdekel mennyi munka, megkapja tőlem, mert egy ilyen készülék aztán igazán megérdemli.
(#) Müszi válasza Doncso hozzászólására (») Okt 24, 2009 /
 
Látom az AZ1-esem, ott virít
Amúgy szép munka Papa
(#) Doncso válasza Müszi hozzászólására (») Okt 24, 2009 /
 
Az AZ'-esed megmentette a projectet, ugyanis ami ebbe volt elhalálozott, még ma egyszer belepróbáltm de hulla, majd odaadom dísznek, bedugom és szikrázik a belseje, lilán villog, villámlik, majd ujra szikra, szép szép, de odavan már az. Ha nem lett volna itt a tiéd, nem tudom honnan akasztottam volna hirtelen.

Amúgymeg mit keresel itt? Nyomás az asszonyhoz

Köszönöm az elismerést.
(#) Gafly válasza Doncso hozzászólására (») Okt 25, 2009 /
 
Szerintem told fentebb a hálózati trafón a feszültséget (azóta pl. megemelkedett a hálózati feszültség 230V-ra). Inkább kicsit alá legyen fűtve mint fölé...
(#) Doncso válasza Gafly hozzászólására (») Okt 25, 2009 /
 
Oppá, erre még nem is gondoltam, mondjuk most épp leválasztóról működik, ami nem más mint 2 egyforma trafó szembe fordítva, így kb 210-220-ról megy, de ha hálózatra kötöm erre mindenképp oda fogok figyelni.
Köszi ,hogy szóltál.
(#) Müszi válasza Doncso hozzászólására (») Okt 25, 2009 /
 
Még fél óra és az lesz
(#) küzmös Gergely hozzászólása Okt 25, 2009 /
 
Sziasztok! Van egy Orion Mátra (AT-2061) tv-m. A malomkerék repedt volt,ezért csak halkan dolgozott a sorvégfokozatban.. kép nem volt.. cseréltem a malomkereket,majd bekapcs és ugyanaz.. pedig működött szerintem,mert a képcsőcsatit kivéve,letéve a földre rendesen pörkölte a füvet a képcső viszont nem fűt,pedig a 7-8 volt fűtőfesz is megvan.. gyanús a képcső is..na mind1.. történt viszont hogy a második próbánál pukk és kicsapta a kapcsoló melletti biztit,e mellé még elégett.. elporladt egy 100k-os 10W-os állított kivitelű ellenállás is.. cseréltem de semmi.. ekkor kivettem a BU-326-A-t B-E közt 4,1ohm B-C,E-C közt 165-165ohm szerintetek ez jó? Néztem a sormodulon lévő BU-406-D-t is ezt ugyan nem forrasztottam ki és úgy mértem,meg a BD 136-os kicsit is azon egyik méréshatáron sincs semmi ellenállás a lábak közt
(#) Imi65 válasza küzmös Gergely hozzászólására (») Okt 25, 2009 /
 
Ez egy pumpatranzisztoros tápegységgel rendelkező TV. A bizti a hálózati főbiztosító, kiégése zárlatot jelez. Ezt követi egy diódahíd, majd egy 100 µF -es kondi. Ezt követően van az általad említett 100 Ohm (nem 100k) 10W, majd egy újabb 100 µF -es kondi (az előbbivel egy házban). Ezután a sorkimenő primer tekercse, majd a BU326, és végül annak emitterkomplexuma (a booster beállító trimmerrel). A BU406D már a "másik oldalon van, ennek zárlata esetén nem indul be a TV, de nem ver ki biztit, és nem ég meg a 100 Ohm . A kis BD már végképpen nem a primer körben van, az a sönt stabilizátor tranzisztora.
Valaha - ha nehezen tudtuk megállapítani, mi a fenéért nem indul, akkor a sormodulon lévő 470 µF -es kondira 24V 3A terhelhetőségű tápegységet kapcsoltunk, ekkor a hálózati rész nélkül is be kell induljon, ha a készülék egyébként jó. Ilyenkor a BU326 kollektorát le kell forrasztani.
(#) küzmös Gergely válasza Imi65 hozzászólására (») Okt 25, 2009 /
 
Bocsi tényleg elírtam 100ohm.. holnap átnézem az általad leírt kört.. egyébként 24V-os DC tápom sajnos (itt) nincs,csak esetleg... akkutöltőm van bár az kevés lesz.. na mind1.. egyébként mikor még ment,már akkor is zavart a képcső.. a hátamögé fordítottam egy másik gépet és átdugtam a másik gép képcső nyakáról a csatlakozót és úgy indítottam a másik gépet egy pillanatra hogy "zárt"-e az áramkör,de nem indult. Egyébként a BU-k is szállnak ezekben a gépekben... a 326-A-n mért értékeim szerinted jók lehetnek?
(#) Imi65 válasza küzmös Gergely hozzászólására (») Okt 25, 2009 /
 
Őszintén megmondom, én DVM-el soha sem mérek tranzisztort, kizárólag mutatós műszerrel. Ezért nem tudom megmondani, a mért értékek jók-e.
A BU326 bázisába (egy mipolán csőbe húzva) van egy 10 Ohm, fél W ellenállás, az meg szokott szakadni, a 10V-os Z diódát is cseréld. A diódahíd előtt még van egy 4,7-6,8 ohm -os áramkorlátozó ellenállás, de az ritkán ég le (inkább a 100 Ohm ). A beindulásért a bázisra csatlakozó - és + pufferról érkező - RC komplexum töltőárama a felelős. Nagy valószínűséggel a BU szállt el, de nézz körül jól.
(#) küzmös Gergely válasza Imi65 hozzászólására (») Okt 25, 2009 /
 
Ja a biztit cseréltem,de semmi életjel
(#) Imi65 válasza küzmös Gergely hozzászólására (») Okt 25, 2009 /
 
Persze, hiszen megszakadt a 100 Ohm, így már a 2. pufferen sincs feszültség.
(#) küzmös Gergely válasza Imi65 hozzászólására (») Okt 25, 2009 /
 
Most nézem a BU-k árait 440FT és 129FT +szállítás.. vagy ezt bármelyik debreceni elektronikai áruházban is árulják még? Veszek 2-2db-ot minimum
(#) küzmös Gergely válasza Imi65 hozzászólására (») Okt 25, 2009 /
 
Fúú... én meg elnéztem és azthiszem nem csak félreírtam hanem a félreírásnak megfelelően tényleg 100k-ost tettem be....
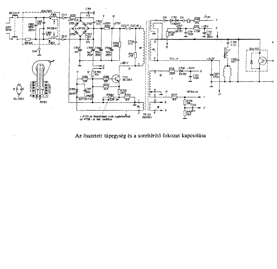
(#) Imi65 hozzászólása Okt 25, 2009 /
 
Itt a tápegység rajza.
(#) küzmös Gergely válasza Imi65 hozzászólására (») Okt 25, 2009 /
 
köszi szépen
(#) oregtamas0202 válasza Imi65 hozzászólására (») Okt 26, 2009 /
 
Szervusz Imi65.Ezért voltak hordozható TV-k a pump. táposok. Mert a BU-t helyszínen csak bátor ember merte cserélni.Mint írtad, BU leköt és külső zárlatvédett tápró indít és megfigyel. Majd jó működés után 1/2 Óra és 2A MAX áram felvételnél újra állít és úgy a BU rákötés és ismét melegedés és beállítás. Tisztelettel:Öreg T
(#) moltam válasza Imi65 hozzászólására (») Okt 26, 2009 /
 
Csak annyi a baj hogy nincs valami jó állapotban...
Az előlap műanyagja (amin a kezelőszervek voltak) hiányzik, a sorkimenő is hiányzik és az összes cső sincs meg.
Következő: »»   78 / 588
Bejelentkezés

Belépés

Hirdetés
XDT.hu
Az oldalon sütiket használunk a helyes működéshez. Bővebb információt az adatvédelmi szabályzatban olvashatsz. Megértettem