Fórum témák
» Több friss téma |
Fórum » USB-s hangkártya PCM2902 IC-vel
Ha samplet-t kuldenek ingyen 1..5db-ot akkor penzert miert csak 25...20000db-ot hajlandoak kuldeni????
Szerintem ez az utalnak minket urban legend, abban viszont igazuk van az embereknek, hogy a ceg pozitiv hozzaallasaval nem illik visszaelni. Tehat foloslegesen nem rendelni mintat! Ki mondta, hogy utalnak minket? Ha ez egy konferencian elhangzott akkor az a ceg orokre elasta magat. Ilyet egy ceg nem mond. Ha egy munkas akkor az nem tukrozi a ceg hozzallasat a dologhoz. Ha tenyleg "utalnak" minket mert sokat rendelunk akkor ne kuldjenek. Ha azt mondtak,hogy nem eri meg ingyen mintat kuldeni mert nincs belole akkora hasznuk utana akkor ne kuldjenek. Erosito: Egy fulhallgatot epphogy megtud hajtani. Kell ra erosito mert kozepes hangeron a melyek torzitanak. Egyszeruen a kimenet nem birja szusszal.
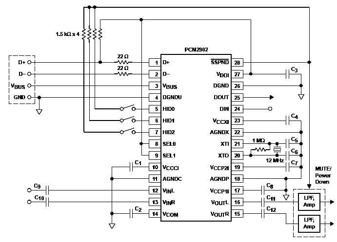
Nekem megjöttek az IC-k, nagyon gyorsak voltak! Most már csak a stab dolgot kell megoldanom :S Ötlet?
Elso korben ne tegyel oda stabot
! Van olyan kapcsolas ahol nincs.Egyebkent is a stab (ha jol emlekszem) csak egy belso referenciafeszultseget allit be. De mivel van belso referencia ezert nem is igazan szukseges. Azert arra ugyelj, hogy tegyel szurest az usb-tapra!!! En probapanelen epitettem meg de teleszortam 100nF-val meg 12pF-val. Igy elkerulheto a PC-feloli zaj osszeszedese, meg az IC-bol jovo is szurodik. Idézet: „Szerintem a magyarok azért rendelnek ennyi mintát, mert nem lehet megkapni nálunk a dolgokat. Vagy ha igen akkor 20-szoros áron. És a TI vagy Maxim 1000 darabjával küldi többnyire, ha vennél. Az pedig milliós tétel és kinek kell 1000 db IC otthon. Szóval jobb híján marad ez. Amúgy én kiadnám érte simán azt az 5 dollárt, ha valahol lehetne kapni.” Teljesen jól látod a helyzetet... Idézet: „Ha tenyleg "utalnak" minket mert sokat rendelunk akkor ne kuldjenek. Ha azt mondtak,hogy nem eri meg ingyen mintat kuldeni mert nincs belole akkora hasznuk utana akkor ne kuldjenek.” Na, ez nem ilyen egyszerű...nem fogunk olyan marha nagyokat nevetni, ha egyszercsak egyre több cég mutatja majd a középső ujját Mo felé... Sőt! Nem is beszélek többek nevében. Maradok csak saját magamnál: én pl. marhára nem tudnám vigyorgó fejjel elviselni, hogy Mo. felé pl. a TI vagy MAXIM többet EGYÁLTALÁN senkinek nem küld mintát...(max csak cégeknek)
Probalt mar valaki az IC-vel felvenni? Vajon DC-t is atviszi? Letezik valamilyen szoftveres korlatozas erre? Lejatszasnal vajon tud DC-t?
En itthon probaltam felkotni az egyik bemenetet tapra de a felvevo programnal nem jelent meg a DC szint. Vajon valahogy ra lehet venni, hogy DC-t is atvigyen???
Üdv!
SzVSz a helyzet nem ilyen aggasztó. Kevesen foglalkoznak hobbielektronikával, és azok közül (viszonylag) kevesen rendelnek IC-t potyára. Gondolom logikus, hogy ha valaki céges névre rendeli, akkor az esetleges statisztikában nem magánszemély lesz n+1 megrendelőként bejegyezve. Egyébként nem országonként, hanem régiónként nézik a bevételt, és pl. ezért nem küld automatikusan a Microchip sem. Másfelől ez presztízskérdés is a cégek részéről. Továbbá a pofátlan megrendelőket maguk a cégek kapcsolják le. Idézet: „Kevesen foglalkoznak hobbielektronikával, és azok közül (viszonylag) kevesen rendelnek IC-t potyára.” Én ebbe nem lennék olyan biztos ![]() Idézet: „nem országonként, hanem régiónként nézik a bevételt” Országunk milyen régióba tartozik? Magyar régióba? Nem értem...Szlovákia miben különbözik Mo-tól ilyen téren?
Ha ez számít, énis cégre kértem, és nagyon hamar ide is ért. Szűrést én is terveztem, de a minőség miatt gondolkozom a dtabon.
Nekem is megérkezett
Milyen nyák tervezőt javasoltok amivel lehet hozzá nyákot tervezni?
Melyiket ismered? En azzal csinalnam amelyiket ismerem.
Ha egyiket sem tudod kezelni akkor amatoroknek Eagle. Ha kesobb profi akarsz lenni akkor Protel vagy valami hasonlo kaliberu.
Hali!
Én most szeretnék építeni ezzel az IC-vel, haver adott kettőt (vajon honnét lehet neki, ha csak így osztogatja). Láttam volt már aki megépítette, ezért a paneltervét szeretném elkérni. Így kevesebb a hibalehetőségem. Milyen feszültségek optimálisak ehhez és mekkora az áramfelvétele? (Tudom nem lehet valami nagy, csak a stab IC miatt kérdezem)
Én OrCAD-el fogom majd a nyákot tervezni. Ti milyen kondit raktok a ki és bemenetekre? Én 68µF-ra gondoltam, valahol mintha ezt láttam volna. Meg nekem kevésnek tűnik a szűrő kondik száma az adatlapi kapcsolásban. Szerintem egy ilyen analóg áramkörbe többet szokás beletenni.
Hi. Én is megépítettem a 2. (fesz.stab nélküli) kapcsolást, nyákot terveztem hozzá Eagle-ben, csatolom, hátha jó lesz valakinek. Egy kis gondom van vele, hogy közel max hangerőn elkezd torzítani. A kimeneten 10µF-os kondik vannak. Nem tettem be extra szűrést. Rendeltem még TPA302 és TPA6110-ás erősítőket, azzal együtt remlélem jó lesz. Ja és a nyákot sikerült filctollal megrajzolni és pillanatpákával forrasztani csak egy nagyító kellett
Max hangeron hogyan probaltad? Mire kototted? Erosito v. fulhallgato? Siman fulesre kotve nalam is torzit.
En oda raktam zsurokondit ahol a tap vagy foldhoz csatlakozik valamilyen alkatresz. Nyakon ez ugy nezne ki, hogy ahol van pl. egy kondi ami foldre megy oda lehet rakni melle egy 100nF...22pF kondit a fold es tap koze.
Fülhallgatóval próbáltam, erősítővel tényleg nem torzít. De viszont még van egy halk pukkogó hang a mély hangok miatt.
Szerintem a fülsenél azért torzít, mert 32 ohmos a legtöbb. Erősítőnél meg más a meghajtás, mint egy sima fülsenél. Amúgy vonal kimenetet ír az adatlap, tehát nem is kell fülessel jól szólnia.
Idézet: „32 ohmos a legtöbb” Nem is igaz, mert az én profi fülesem 100 ohm-os
Ilyen nagy terhelest a PCM kimenete nem tud rendesen meghajtani. Vagy halkan kell halgatni a zenet vagy kell egy levalaszto fokozat.
Terhelve (fules volt rajta) raneztem szkoppal. Szinusz jelet adtam a kimenere progival es teljesen elkente. Fules nelkul szep szinusz jott ki belole. Talan majd csinalok kepet rola.
Ha meglesz az IC manapság valamikor, és összerakom az áramkört, legfeljebb csak kipróbálásra rakom rá a fülest...
A jelenlegi hangkártyám kimenete se látott már évek óta füles-csatlakozót. Erősítővel nyomulok, mióta az megvan (5 éve kb.).
Hali!
Maganba kaptam egy levelet, hogy a hang ki/be csatolo kondik mekkorak legyenek. En 10µF-val illetve 47µF-al probalkoztam. Azt hiszem az utobbit raktam be. De en fulesen hallgatom.
Hi
Ha rákötök egy erősítő ic-t (TPA302) a kimenetre akkor a kimeneti kondik maradjanak? Mert az erősítő bemenetére is kell kondi és így azok sorba kötődnek, másrészt a kondik polaritásával mi a helyzet ilyen esetben? Az erősítő adatlapján nem volt megadva konkrét érték, csak képletek és az alapján számoltam ki. Jó lesz így a kapcsolás?
Sorba kapcsolt kondik kapacitasai repluszolodnak. Szerintem az erositonek es nem fog nagy gondot okozni. Nem 1µF lesz a kondi hanem 0.9uF. Szerintem ez elhanyagolhato.
A kondik polaritasa. Szerintem a polarizalt kondik nem jok, de azert elmennek ezzel is. A problema az, hogy egyik iranyba nagyobb a szivargo aramuk. Nem illik forditott feszultseggel tolteni oket. Megoldas lehet, hogy ketto db polarizalt kondenzatort sorba kapcsol az ember. Egyiket igy masikat ugy modszerrel (back to back). Szerintem a kapcsolas jonak tunik.
Összeraktam a hangkártyát. A stabilizátor nélkül raktam össze. A kimenetekre 10 mikrós elkót tettem. A többi pedig 1 mikrós és nem elkó.
Teszek fel képet. Próbapanelra raktam össze.
Gory: Az aljarol is tudnal kepet csinalni? Kivancsi vagyok ra, hogy te hogyan csinalod. Labakat hajlitod vagy onnal osszeforrasztod a vezeto retegeket.
Én ónból "nyákot" csainálok mindig ha próbapanelra kell dolgozni. Pazarlósnak tünik, de nem az és egy stabil konstrukció lesz legalább belőle. Meg nem kell egymilló átkötéssel vesződni. Ezen pl csak 3 van helyhiány miatt, alkatrészlábból.
En is igy szoktam. Aztan idovel atszoktam a 3*1 -es probapanelra. Azon 3 pont ossze van kotve. De most vettem itthonra dugdosos probapanelt is. Azon keszitem el legeloszor a cuccokat.
Én nem szeretem a 3*1-est. Sokat kell vagdosni a rezet. Inkább ezt használom. Van breadboardom is (dugdosós) de ritkán használom, mert minden löfög benne.
Üdv!
Hogyha ezzel az IC-vel mikrofont szeretnék csinálni akkor miket lehet lehagyni a kapcsolásról? Tehát csak bemenetre kellene (mono). köszi. |
Bejelentkezés
Hirdetés |




! Van olyan kapcsolas ahol nincs.




