Fórum témák
» Több friss téma |
Fórum » USB-s hangkártya PCM2902 IC-vel
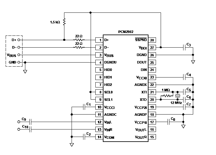
3 nyomogomb plusz a felhuzoellenallasok. A stereo kimenetrol a kondikat. A tobbire szukseged lesz.
A mikrofon bemenetre a mikrofon jelet sztm erositened kell. Szoval kell majd oda valami eloerosito szerintem.
Köszi, akkor ez így jó lesz?
Az erősítést TL071-el gondoltam. Ha mono lesz akkor csak az egyik bemenetre kötök rá (pl. V in L), a másik meg csak "lóg"?
Igen jonak tunik!
A gombokkal csak a hangerot lehet valtoztatni es a nemitast. Felvetelnel erre gondolom nincs szukeged. A masik bemenet amugy is csak ugy "log" mivel ott van egy kondi. De belul nyilvan van valami gyenge huzoellenallas, hogy ne logjon. Persze ha gondolod lekotheted foldre a kondit. Ha ugysem teszel oda semmit akkor a kondi sem kell.
Na végeztem a vizsgákkal tegnap, és végre összedobtam ezt az USB- hangkártyát.
Meg kell, hogy mondjam kellemeset csalódtam, mert nem vártam túl sokat tőle, viszont nagyon rendben van a hang amit produkál! Rákötöttem az 5.1-es Logitech rendszerre, és nem volt hiány se basszusból, se magasból. Annyiban el kellett térnem az eredeti kapcsolástól, hogy a Vddi lábra menő C3-as kondit 47µF-ra cseréltem. Az adatlapban 1µF körül adták meg az értékét, de nekem azzal nem ismerte fel a gép (ismeretlen hiba lépett fel a harverben, vagy valami ilyesmi üzenetet dobott). 3.6V-os stabilizátort nem használtam, de így sem tűnik túl zajosnak. Viszont lenne egy kérdésem: próbálta már valaki az SPDIF digitális bemenetet? Arra lennék kiváncsi, hogy USB nélkül képes-e dekódolni arról a bemenetről.
Na tettem rá egy TDA7050-es (low-voltage)füleserősítőt, USB-ről kapja az is a tápfeszt. A zajszűréssel még akadnak gondjaim... a gép felől nagyon jön a zaj, persze csak akkor hallani ha halk
A Sennheiser fülesem még nem volt így kihajtva torzítás nélkül...
Szia!
Próbálj a kábelre tenni egy ferrit gyűrűt vagy ilyen rápattintható kockát. Esetleg a kábelt tekerd rajta át kétszer is, háhta ez segít a zajok kiszűrésében. Nem biztos,csak egy ötlet... én régi p1-es ekből szedtem ki ilyen gyűrűket és kockákat...
Tap es fold koze tegyel 12pF-kat meg 100nF-okat. Rogton ahol bejon meg ahol csatlakozik valami IC-re
A kondik nem segítettek, de a TDA7050 cseréje igen. Mielőtt rászántam magam a cserére, már a rádióadók is tisztán bejöttek rajta
Én is elkészítettem a puritánabb változatot stab IC nélkül. TPA302-es erősítővel. Viszont én azt tapasztaltam, hogy a PCM2902 igen melegszik. Szerintetek ezt természetes? Egyébként panel is készült hozzá...
A csatolmányban lévő LAY kiterjesztésű fájlt Sprint Layout 5 nevű programmal lehet megnyitni!
Hi!
Én is csináltam egy új nyáktrvet, szintén TPA302-vel, és fesz. stabilizálóval. Nekem tökéletesen működik. Egész kis méretre sikerült összenyomni ![]() A csatolmányban lévő BRD kiterjesztésű fájlt az EAGLE nevű program 4.16-os verziójával lehet megnyitni!
Valaki nem csinált a PCM2902-eshez makrót a Sprint Layout 4-es verziójához?
Nem osztaná meg velem? köszi!
Valaki nem tudna valamit javasolni a TPA302 helyett??
Ezt nem lehet kapni, rendelni ingyen pedig nem akarok... Olyan kellene, ami jól működik a PCM2902-vel....
Erősítőnek bármi jó, de szerintem egyszerűbb, ha rendelsz.
Csatolom az eddigi összes verziót, amit csináltam; lehet válogatni
Sziasztok!
Mostanában hol lehetne hozzájutni pcm2902-höz ? Próbalkoztam rendelni a ti.com-ról, de mindig "cancelled" lett a vége (lehet,h nem jól csináltam vmit)...
olyat keress ott, hogy "free sample"
sajna már nem emlékszem pontosan, hogy mit kellett kitölteni. vagy lehet, hogy törölték és nem lehet belőle rendelni?
lehet hogy sokan probaltak belole szerezni ingyen a regiobol, es ez feltunt nekik, igy letiltottak, vagy csak kiemelt ugyfeleknek kuldenek...
ez van...
Mostanába nincs ebböl az ic-böl valakinek pár felesleges darab???
Van 3 db-om, 1 kell belole... nemvolt meg lelki erom megepiteni.
ez az IC használható CSAK mikrofonhoz? mármint nem fog összeveszni a PCI-os hangkártyával? tehát használható mellette? (az PCI-os hangkarin a fules ezen meg a miki)
Vagy ez vagy az.
Ha bedugod az USB-s hangkártyádat, akkor az lesz az alapértelmezett, a másikat nem tudod használni semmire. Legalábbis nálam így van.
Dehogynem lehet egyszerre használni!
XP alatt Vezérlőpult >>> Hangok és audio eszközök (vagy valami ilyesmi menüpont) >>> Ott van egy olyan fül, ahol egyesével be lehet állítani, hogy pl. lejátszáshoz az egyik kártyát használja (pl. egy PCI foglalatba tett profi kártyát), hangfelvételre pedig egy másik eszközt használjon (pl. az alaplapi integráltat). Legalábbis szerintem nagy esély van arra, hogy egyszerre lehessen használni a kártyákat...és mivel ez a PCM-es az USB-n keresztül kapcsolódik a géphez, így IRQ ütközés sem lehetséges olyan sűrűn... Amúgy én a hétvégén fogok valószínűleg szórakozni ezzel a PCM2902-vel, egy külső 24 bites DAC társaságában...mivel a laptopom hangkártyája semmire se jó...
Először is üdvözlök mindenkit.
Két kérdésem is lenne: Lehet e ezt az ic-t usb nélkül is használni? Pontosabban digital be és analog sztereó ki. Persze kapná a tápot. Második hogy lehet e venni valahol, mert ha megy usb nélkül nekem kellene 3db. (3 db pcm jel be, és 6 analog ki). Gondolom könnyen kitalálható hogy mihez kell. A kérdés persze olyanhoz szól aki ki tudja próbálni, mert biztosra szeretném tudni. Vagy tud valaki esetleg pcm->analog átalakító ic-t?
Esetleg a Cirrus Logic CS8414 (S/PDIF vevő) és CS4334 (I2S DAC) párost tudom ajánlani. Nagyon szép hangja van.
Ha közvetlen vonali kimenet kell, akkor DAC-nak a MAX5556 tökéletes (szintén I2S). A csipcsap kft forgalmazza. A PCM2902 nem megy USB nélkül, hiszen a digitális be és kimenet konfigurálása azon keresztül történik.
Köszönöm a segítséget, ez a két ic helyett gondoltam volna őket(mégsem 6 db-ból hanem 3 ból ált volna),
de a szép hang az első. Igazából egy érdekesebb szerkezet kellene, de arról még nem is hallottam: 3db stereo pcm bemenet (s/pdif) és 1 db 6 csatornás digital kimenet (audigy-->kenwood digitális erősítő). Tudom hogy eltér a témától, de valaki hallot már ilyenről?
Szia.
Nem értem minek akkor neked audigy, ha nem az analóg részét használod. A digitális kimenete minden hangkarinak egyforma, vagyis tehetnél bele egy 2000Ft-os alármilyen karit is, annak is jó a digit kimenete. Az audigy-nek az analóg része a király. Nekem is volt, de nem használtam ki, ezért adtam túl rajta.
A digitális kimenete egyforma, a többi remélhetőleg nem, azért én maradnék az audigi2-nél!(de ha meg szeretnék válni tőle akkor is ott lenne az alaplapi kari,1-1optikai és 1-1 koax ki és bemenettel és ez sem fogná vissza jobban a gépet egy cmi8738 nál, bár az alaplapi és az audigy "egyforma" digit kimenete szerintem nem is hasonlít, ezen nem a dvd lejátszást értem közvetlenül a digitális kimeneten keresztül,az szerintem se különbözhet) Nem is ez a lényeg. Alap esetben analógként használom, de ettől függetlenűl szeretném ha a 3 db spdif jelemet össze tudtám "gyömöszölni" egyetlen dolby digital jellé, főként a megoldás érdekelne, és ha olcsón meg lehetne oldani akkor el is készíteném. Persze ha nem gond. Én még nem találkoztam olyannal aki megvált volna az audigijétől, csak úgy, én a live 4.0-ámat is sajnáltam....
Nekem is au2 volt, de nem is gondolkodtam, amikor az új lapomat megvettem, ezen egy 7.1-es live van alapból.
Én úgy toom, hogy egy s/pdif kimeneten akár 4.0-ás hang is kimehet, így csak 2db-ra van szükséged. wiki
Nekem is kezdi felkelteni az érdeklődésemet ez a hangkari. Most rendeltem én is hozzá ic-t, remélem kiküldik.
Az erősítőmben nagyon pöpecül nézne ki egy ilyen. |
Bejelentkezés
Hirdetés |










