Fórum témák
» Több friss téma |
lenne egy erősítőm ezekkel az adatokkal milyen elő erősítőt csináljak hozzá amivel jól működne? és nem is zúgna?
Wireless(or wired) microphone set Brand: KOK Modle: AT -309 wireless microphone can also be used as an ordinary microphone. You must have a MIC Socket for this item on your stereo,DVD player etc... 2 of these mics can be used at the same time without interference! specifications: Microphone sensitivity:-72db Frequency: 100-10000Hz Output impedance: 600 ohm Operating votage: 2 x 1.5v AA battery Effective: distance: 30M Accessaries: 1 receiver 1 wireless antenna 1 wire for wired microphone(4m x 5.5mm with 1/4" jack plug) itt egy kép róla http://thumbs3.ebaystatic.com/pict/1103412032784040_4.jpg
Ez még egyszerűbb és jobb.Bővebben: Link
Az INA 166UA -ra gondoltál? Miben jobb? Hogy drágább (kb 2500 Ft) az tény, de hogy jobban megérné egy 300 Ft-ból megépíthető minénőségi előfoknál, azt kétlem. Akkor sem kéne, ha be lehetne szerezni
Amit anno Toroid társunknak ajánlottam, azt régóta használom, és bizony nagyon tudja a dolgát. Most OPA 604 van benne, de ez már csak ízlés kérdése, 071-gyel is hozza a formáját.
Ez simán veri az INA -t: LINK
(2,4 Euro)
Ez nekem is az egyik kedvencem
Ezek a 6-7száz Ft-os OPA-k, még éppen megérik az árukat, persze a felhasználástól függően.
Hi!
Segítséget kérnék. Gyártottam egy mikrofon erősítőt. Az a problémám hogy zúg vele az erősítő. Csatolom a sematikot meg a panelt is. Az lenne a konkrét kérdés hogy miként közösítsem a mikrofon földjét az erősítő földjével? A hozzáértők pedig adhatnának ötleteket , hogy hol lehet hiba a panelben. Kösz!
Milyen mikrofont raktál a bemenetére? Ez szimmetrikus bemenetű előfok és dinamikus mikihez való. A kimenete asszimmetrikus, tehát a gnd-jének az erősítőn lévő bemeneti csatlakozó gnd-jéhez kell csatlakoznia.
Nem tudom hol sikerült rátalálni erre a rajzra, de ez így messze van a jótól. Érdemesebb lenne jól bevált kapcsolásokat utánépíteni, esetleg kisebb-nagyobb módosításokkal. Mellékelek egy Dynacord keverő rajzot. Szerintem nyugodtan lekoppinthatod az egyik csatornáját. Ez még viszonylag egyszerű is.
Ok!
Ez jó rajz. De meg tudnád mondani hogy mennyi az U2 feszültség a tranyoknál a mikrofon erősítőben?
Persze hogy meg, az U2 az +15V, az U1 pedig -15V. Van a doksin táprajz is ahol írják
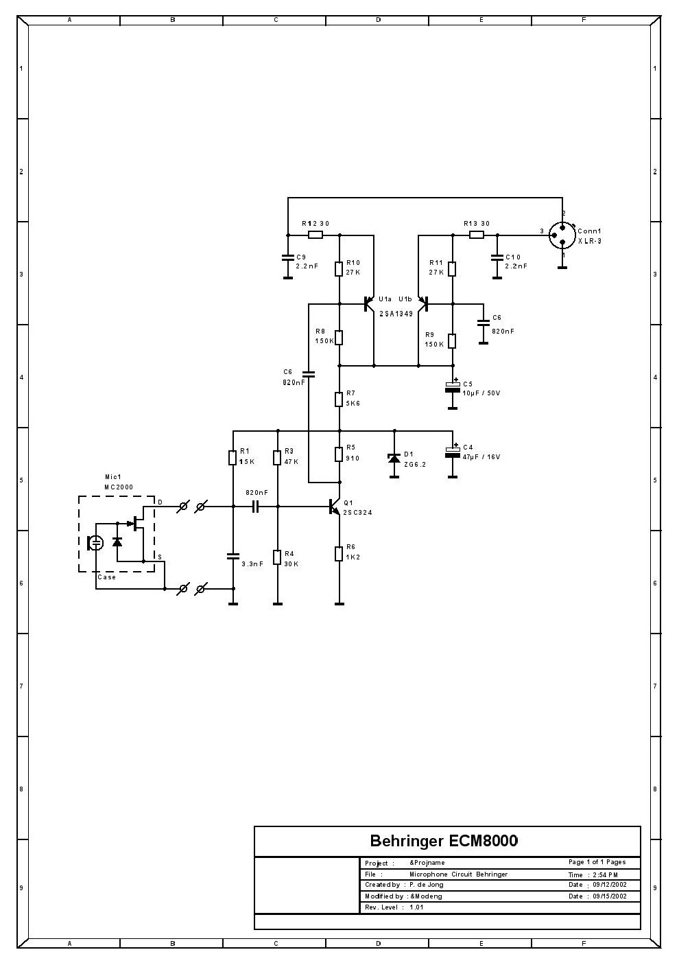
A +24V az elején a 47µF-os leválasztókon az fantomtáp, nem szükséges belerakni, csak ha kondimikrofont is akarsz használni. Akkor viszont kapcsolhatóra kell csinálni.
hi!
Elkezdtem megtervezni a panelt a dynacord-os mikrofon erősítőnek. Kis segítség kellene . Összeraktad már ezt a kapcsolást? Dinamikus mikihez mit lehet ebből kihagyni? Bejelöltem , hogy én mit hagynék ki . Kösz a segítséget előre is.
A privát üzenetedre válaszoltam. Amit bejelöltél, vonal bemenetet és mélyvágó fokozatot kihagyhatod, a negatív tápágban a diódák nem tudom minek vannak ott, de lehet hogy megvan az oka, amit csak a dynacord-nál tudnak
Sziasztok!
Szeretném a segítségeteket kérni... Van 1 hangvezérelt ccfl csövem, kicsit már variáltam rajta, hogy ne csak villogjon hanem a hangok ereje függvényébén ne gyújtson be teljesen hanem csak részben, ugye ez a csőre jutó fesztől függ... előerősítő után van 1 potim a kivezérlő tranzisztor előtt hogy ne nyisson ki teljesen, csak a zene függvényében, ettől pont a munkapont köré került a mic jele... ez rendben is volna de így észrevehetőbb hogy a mélyebb hangokra nem érzékeny, szgéppel equalizerrel kiderült hogy az 1KHz alatti hangokról tudomást sem vesz... A kérdés hogy hogyan lehet 1 1szerű electret mikrofonos előerősítőben megvariálni hogy "lejjebb" is érzékeny legyen.... 10Kohmmal előfeszítve és 100nF-dal megcsapolva működik most a cucc, aztán feszosztó és a bázisa a tranyónak, szal rém egyszerű, de mégsem tudom mit kéne hozzátenni vagy a meglévő részeken módosítani hogy alsóbb tartományban is érzékeny legyen... Előre is köszönöm a segítséget!! Pisti
Még annyit hogy a problémamegoldás másik közelítésből is jó lehet, szóval ha a középtartományt csillapítjuk kicsit az is yo megoldás lehet... Akkor csak a kövi fokozat érzékenységét kell növelnem de arra van már 5letem... Még1szer kösszi annak aki segít...
Sziasztok!
Elég régen volt ebben a topikban az utolsó hozzászólás, de azért remélem valaki olvassa a témát. Ezt a kondenzátor mikrofon előerősítőt szeretném megépíteni keverővel, fantomtáppal üzemeltetve. A keverő tudja a fantom tápot. Az lenne a kérdésem, hogy melyik pontot (Vcc, Output, 0 V) az XLR csatlakozó melyik pontjára kell kötni? XLR: 1. GND 2. + fázis 3. - fázis Az biztos, hogy a 0 V=GND, illetve, hogy a keverőből a 2-es, 3-as lábakon van rajt a fantom táp. Kell valami ilyesmi leválasztás (stabilizálás) ? Előre is köszönöm a segítségeteket, és ha valakinek van tapasztalata vagy ötlete ezzel a kapcsolással kapcsolatban , írja meg.
Szia!
Ha a keverődnek 48V-os fantomtápja van, és szimmetrikus bemenete, az általad linkelt kapcsolás nem jó hozzá. Olyan kapcsolás kell, aminek a kimenete szimmetrikus, és el tudja viselni a 48V-ot. Mintának csatolok kettőt.
Köszi szépen a választ, de leírom egy kicsit bővebben a problémámat.
Van egy ehhez hasonló kinézetű asztali kondenzátor mikrofonunk a suliban. Illetve csak volt, mert valamiért elromlott. Amikor még működött kellett neki a fantomtáp. Na most ennek a hátulján vagy egy xlr csatlakozó, ahova megy be a kábel. Szétszedtünk az alján lévő "tartót", és ebben azon az xlr csatin, ahol jön be a kábel, össze van kötve a középső és valamelyik szélső csatlakozó (1-3 vagy 2-3). Most nem tudom megmondani, hogy melyik, holnap majd hazahozom és tudok csinálni róla képet. És azt hittem, hogy esetleg nekem is össze kell kötnöm a két jelkábelt (+, -) És ezt a mikrofont teljesen újra szeretném építeni, új mikrofon kapszula és előerősítő áramkör. Remélem érthető amit írtam. Ha minden igaz, akkor úgy kell asszimmetrikussá tenni a kábelt, hogy össze kell kötni a GND-3-as csatlakozókat, és a 2-esen megy a jel. De mivel a 2,3-on van a fantom, azt egyszerűen rövidre lehet zárni a GND-vel? Mert most mintha így lenne, de lehet, hogy a 2 jelbábel van összekötve.Ezt nem teljesen értem.
Sziasztok!
Egy olyan kapcsolást szeretnék építeni, ami a mikrofon kimeneti jelét egyenlő szinten tartja. Ez az AGC (automatic gain control). Na szóval azt szeretném kérdezi, hogy ki az, akinek már volt dolga ilyen kapcsolással, vagy épített már ilyet? Tudom, a google képkeresőbe beírva ezeket a kulcsszavakat, kidob vagy 10 találatot, de én azt kérdezem, hogy van-e valami bevált, működő kapcsolás? Kinéztem egyet, ami szerintem nekem jó lenne. Na és ebben a kapcsolásban a mikrofon helyére lehet kötni majdnem vonal szintű jelet? Bocsi, ha egy kicsit sokat kérdeztem. Előre is köszi a választ!
Hordozható mikrofon előerősítő
Sziasztok! Itt találtam ezt a Topi féle mikrofon előerősítő kapcsit. Egy kicsit bizonytalan vagyok abban hogy a P1 potméter lineáris vagy logaritmikus legyen? A másik hogy jól gondolom-e hogy ez dinamikus mikrofonhoz jó!? Előre is köszönöm a segítséget!
Nem lehetek ennyire gyökér...
Most hogy mégegyszer megnéztem a leírás, látom hogy oda van írva hogy lineáris... Ezer bocsánat! és BUÉK!
Üdv!
Ez kondimikihez nem jó, mert akkor egy ellenálláson keresztül kéne a mikrofonnak a tápfesz, csak dinamikushoz, vagy egyéb gyenge jelekhez. Üdv!
Az szuper, mert nekem pont dinamikushoz kellene! Köszi a gyors választ!
Tovább agyaltam ezen az erősítőn... Ha step-up konvertert használok akkor USB-ről meg lehetne táplálni? Mekkora többletfogyasztást jelenthet egy ilyen konverter?
Most csak a lustaság beszél belőlem, valaki nem készítette el esetleg ennek a Topi féli miki erősítőnek a nyomtatott ármaköri rajzát? :lookaround: Egyébként gityó erősítőnek lesz. Szerintetek megfelel?
Sziasztok!
Egy egyszerű kérdésem lenne. Nem vagyok túl gyakorlott az analóg áramkörtervezésben. Egy elektret mikrofonhoz szeretnék erősítőt csinálni opamppal (az erősített jelet aztán mintavételezném egy atmellal, nem hangszóróra kötném) A mellékletben van a kapcsrajz. A lényeg, hogy szeretnék neki adni egy kb 2.5 voltos offszetet, hogy akörül lengjen a hangferkis jel. Így a nulla, pont az AD dinamikatartományának közepére esik (a tápfesz 5 V). Ezt szolgálja a neminvertáló bemeneten a 10k-10k osztó. A bemeneten, mint mondtam egy electret mikrofon van, aminek a másik kivezetése értelem szerűen földre van kötve. A problémám az, hogy a kimeneten kapásból a táp jelenik meg, nem az offszet. Ezek szerint valamit nagyon nem jól csinálok. Mi lehet a para? Válaszotokat előre is köszönöm!
Sziasztok!
Én is mikrofon erősítőt akarok magamnak csinálni, végig is olvasgattam a topikot, és végül a lentebb csatolt (mikrofon1.png) képről az 1/b kapcsolást választottam. három kérdésem lenne ezzel kapcsolatban: - A C pont mit jelöl? - Az A és a B a jack dugónak a pozitív és a negatív pólusát jelentik? - Ha igen akkor miért kell őket rövidre zárni? ![]() ha én nézek el valamit akkor légyszi világosítsatok fel hogy akkor most mit és hova mert én erről azt hittem hogy a tápot a mikrofon csatlakozóról kapja, úgy mint a másik csatolt képen (mikrofon2.png) lévő kapcsolás.vagy inkább a 2.-at építsem meg? a hangkártyám amúgy 2.4V-ot ad le. (de USB-ről tudok venni 5V-ot is) Előre is nagyon köszi a segítséget :worship:
Szia!
Nincs rövidre zárva semmi sem a "b" rajzon, csak az árnyékolások vannak összekötve.
Még annyit, hogy az A-pont a pozitív tápfeszültség, a B-pont a hangfrekvenciás kimenet, a C-pont pedig a test, vagy más néven GND, föld, negatív.
Köszönöm szépen!
![]() akkor ugye így értelmezzem:
Igen, jól értelmezted. Ezt az elrendezést, amikor az emitter van a földre kötve, úgy hívják, hogy közös (vagy földelt) emitteres kapcsolás.
Hogyan működnek a bipoláris tranzisztorok? |
Bejelentkezés
Hirdetés |





A +24V az elején a 47µF-os leválasztókon az fantomtáp, nem szükséges belerakni, csak ha kondimikrofont is akarsz használni. Akkor viszont kapcsolhatóra kell csinálni. 


Most hogy mégegyszer megnéztem a leírás, látom hogy oda van írva hogy lineáris... Ezer bocsánat!
és BUÉK! 









