Fórum témák

» Több friss téma
Fórum » AVR - Miértek hogyanok
 
Témaindító: pakibec, idő: Márc 11, 2006
Témakörök:
WinAVR / GCC alapszabályok:
1. Ha ISR-ben használsz globális változót, az legyen "volatile"
2. Soha ne érjen véget a main() függvény
3. UART/USART hibák 99,9% a rossz órajel miatt van
4. Kerüld el a -O0 optimalizációs beállítást minden áron
5. Ha nem jó a _delay időzítése, akkor túllépted a 65ms-et, vagy rossz az optimalizációs beállítás
6. Ha a PORTC-n nem működik valami, kapcsold ki a JTAG-et
Bővebben: AVR-libc FAQ
Lapozás: OK   164 / 841
(#) mitulabattyi hozzászólása Nov 11, 2009 /
 
Üdv mindenkinek!
Van egy ilyen atmel chipem: AT49F002T
Hogyan tudnám programozni?
Eredetileg egy asztali számítógép BIOS-a van rajta.
Itt az adatlapja. DIP tokozású.
A segítséget köszönöm.
(#) Dudus válasza mitulabattyi hozzászólására (») Nov 11, 2009 /
 
Kell egy olyan EEPROM író, ami kezeli a típust, vagy egy olyan alaplap, amiben ugyanez az IC van, de foglalatban. A gépet elindítod, a BIOS frissítő elindítása előtt kicseréled erre a memóriára és elindítod az írást....
(#) mitulabattyi válasza Dudus hozzászólására (») Nov 11, 2009 /
 
Igen, de én nem találtam olyan programozót, ami szerintem jólenne hozzá.
Párhuzamos portról szeretném programozni.
Egyáltalán nem értek az avr-ekhez, de érdekel a dolog.
Gondoltam, ha már itt van ez a példány akkor nem veszek másikat.
(#) Dudus válasza mitulabattyi hozzászólására (») Nov 11, 2009 /
 
Ez egy ATMEL által gyártott EEPROM, nem mikrokontroller.
(#) ato01 hozzászólása Nov 11, 2009 /
 
Sziasztok.Abban szeretném kérni a segítségetek hogy,valaki ha tud egy normális rajzot atmega16-hoz(printer portos letöltő kábelét)légyszi tegye fel nekem.
Már megőrülök annyi félét találtam,és nemtudom hogy,melyiknek áljak neki.Szinte mindegyiken másképp van bekötve az lpt csatlakozó. Én csak egy darab avr-t szeretnék be programozni.Nagyon fontos lenne.Eléggé kezdő vagyok,úgyhogy nem veszem zokon a szájbarágós magyarázatot sem
A válaszotokat előrre is nagyon köszönöm!
Üdv,Attila
(#) ato01 hozzászólása Nov 11, 2009 /
 
Ezt ki próbáltam,nem működik
(#) gtk válasza ato01 hozzászólására (») Nov 11, 2009 /
 
Keresd meg az avr.tavir.hu -n az STK-200 -as programozot.
(#) mitulabattyi válasza Dudus hozzászólására (») Nov 11, 2009 /
 
ohohoho így mindjárt más a helyzet!
Akkor így jártam.
Köszi a választ.
(#) levy_k válasza ato01 hozzászólására (») Nov 11, 2009 / 1
 
Amikor a JTAG-omat építettem, ezt használtam a felprogramozására, és működött!
TwinAVR Programmer
(#) aquafood hozzászólása Nov 11, 2009 /
 
Sziasztok!

Két Atmega8 között szeretnék SPI kommunikációt megvalósítani. Az egyik atmega8 MISO portját a másik MOSI portjával kötöm össze és fordítva is. Valamint az SCK-t összekötöm.
Az adatlap 127-128 oldalán lévő minta kódot próbálom futtatni az egyiken a master programot a másikon a slave programot.
Azonban a slave program while ciklus feltétele nem teljesül, nem kapja meg az adatot.
hol lehet a hiba valaki tudna segíteni?
a segítséget előre is köszönöm!

Mellékelem a programokat
(#) levy_k válasza aquafood hozzászólására (») Nov 11, 2009 /
 
A master-nél a SlaveSelect-et kimenetnek kell definiálni, ezzel én is szívtam már...
A slave oldalra pedig illik kiválasztó (SS) jelet küldeni, vagy ha csak 1 slave van a buszon, akkor fixen lekötni GND-re...
(#) poznamokus válasza ato01 hozzászólására (») Nov 12, 2009 /
 
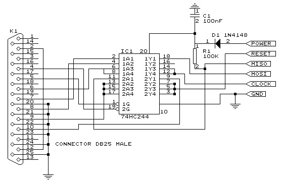
Itt egy rajz az általam használtról. Egyszerűbb még a faéknél is. Élj vele boldogan.
(#) poznamokus válasza levy_k hozzászólására (») Nov 12, 2009 /
 
Ha viszont nem használom a SS jelet, akkor masternél illik felhúzni magasra.
(#) poznamokus válasza poznamokus hozzászólására (») Nov 12, 2009 /
 
Ja és értelemszerűen a 4-6-8-10-es lábakat földre kell kötni a panelodon. És használj 10-eres szivárvány kábelt, arra elég satuban rányomni a 2x5-ös csatlakozót. A DSUB-ra meg fel kell forrasztani a vezetékeket.
(#) HoGyu válasza icserny hozzászólására (») Nov 12, 2009 /
 
Szia icserny!

Az általad ajánlott irodalomat napok óta olvasom, ezért is nem kérdeztem azokat, amiket tudok, de köszi a javaslatokat....
Nem értem, miért mondtad, hogy drágább az AVR-re a C fordító... és egyébb programok. Én úgy olvastam, hogy a PIC a drágább.
Az interpreteres dolgot azért vetettem fel, mert a bascom leírásában fogalmaztak úgy, hogy processzor közeli koddá fordít. És ezt értelmeztem propelleres múltam után (és a basic miatt) tokenes megoldássá. De ahogy belegondoltam, utána olvastam és mondtad is, biztos, hogy a C fordító rendes compiller.
A legfontosabb kérdés számomra, ami egyben a legérdektelenebbnek tűnt és se itt, se a PIC fórumban nem kaptam választ, hogy Vista alatt mennek-e a fordítók, és égetők. A munkahelyemen ugyan XP, Os/2, linux, és még DOS gép is fut, ahogy most körbenézek, tehát itt nem lenne gond az égetéssel, de ahogy ismerem magam, otthon is járna az agyam, otthon meg Vistám van, ezért érdekelt volna ez. Viszont a leírások zöme még Vista előtti kórból származik, és még említés sincs róla, hogy bárkinek van-e tapasztalata.
üdv.
(#) HoGyu válasza poznamokus hozzászólására (») Nov 12, 2009 /
 
Szia poznamokus!
Ez nagyon sokat segített a döntésben. Érdekes infók, köszi.
(#) HoGyu válasza gtk hozzászólására (») Nov 12, 2009 /
 
Szia gtk!
Igazad van, fordítva akartam írni. És úgy értettem, hogy olvastam, hogy egy utasítás a PICnél átlagosan 2-4 órajel, míg az AVR-nél egynek írták. Komolyabban nem mentem bele, hogy tényleg így van-e.
(#) levy_k válasza poznamokus hozzászólására (») Nov 12, 2009 /
 
Ez csak akkor van így, ha a master SS-e inputnak van beállítva...
Amúgy pedig minden szépen le van írva az adatlapban, érdemes átolvasni...
(#) icserny válasza HoGyu hozzászólására (») Nov 12, 2009 /
 
Idézet:
„Nem értem, miért mondtad, hogy drágább az AVR-re a C fordító...”

Nem mondtam ilyet, csupán azokat az állításokat tagadtam, miszerint az AVR olcsóbb, és könnyebb a programozásához letölteni a szoftvereket.

C fordító árával ezért sem foglalkoznék, mert mind a PIC-hez, mind az AVR-hez van ingyenes C fordító, amivel el lehet boldogulni.

Idézet:
„Vista alatt mennek-e a fordítók, és égetők”
Nem használok Vistát, ezért nem tudok erre válaszolni. De bármilyen Windowsnál a 64 bites verzióval lehet gond (mellesleg a szoftverek tisztességes gyártója a honlapján feltünteti, hogy milyen oprendszerrel kompatibilis a terméke).
(#) trudnai válasza HoGyu hozzászólására (») Nov 12, 2009 /
 
Idézet:
„A legfontosabb kérdés számomra, ami egyben a legérdektelenebbnek tűnt és se itt, se a PIC fórumban nem kaptam választ, hogy Vista alatt mennek-e a fordítók, és égetők.”


Nem lattam ott a kerdest de azt hiszem nem ide illik Mindenesetre igen, megy, en hasznaltam PICkit2-t es MPLAB-ot, C18-at, USB framework is megy de azzal voltak nemi furcsasagok.
(#) aygo hozzászólása Nov 12, 2009 /
 
Meg építettem ezeket a programozókat és nem működnek együtt az Attiny2313 asal.
Milehet a hiba?
(#) ato01 hozzászólása Nov 12, 2009 /
 
Köszönöm mindenkinek!
(#) vzoole válasza aygo hozzászólására (») Nov 12, 2009 /
 
Tápot adtál a procinak?
(#) poznamokus válasza aygo hozzászólására (») Nov 12, 2009 /
 
Valami kapcsolási rajz esetleg?
(#) aygo válasza vzoole hozzászólására (») Nov 13, 2009 /
 
Igen a tápot megkapja.
(#) aquafood hozzászólása Nov 13, 2009 /
 
Sziasztok!

Atmega64-hoz szeretnék I2C-n illeszteni egy IC-t. Az adatlapba 211 oldalán lévő programmal próbálkozom, de a START küldés sikertelen. A TWSR regiszterben, amiből lehetne következtetni a hiba forrására, olyan érték van ami nem értelmezett.
A SDA, SCL lábakat engedélyeztem az atmega64-en.
Valaki tudna segíteni, hogy mi lehet a hiba?
Köszi!
(#) gtk válasza aquafood hozzászólására (») Nov 13, 2009 /
 
Felhuzo ellenallasok vannak?
(#) aquafood válasza gtk hozzászólására (») Nov 13, 2009 /
 
Nem voltak!
Tettem 10k-ast, de sajna így sem működik!
(#) aygo válasza vzoole hozzászólására (») Nov 13, 2009 /
 
Az nem lehet a baj hogy 74hc244 helyett 74ls244 van
beépítve.
(#) gtk válasza aquafood hozzászólására (») Nov 13, 2009 /
 
Nezd meg az adott ICnel hogy milyen erteku felhuzokat ajanl.
Következő: »»   164 / 841
Bejelentkezés

Belépés

Hirdetés
XDT.hu
Az oldalon sütiket használunk a helyes működéshez. Bővebb információt az adatvédelmi szabályzatban olvashatsz. Megértettem