Fórum témák
» Több friss téma |
Fórum » AM adó kapcsolások, kérdések
Témaindító: amperjozsi, idő: Jún 21, 2009
Témakörök:
Az új téma nyitása előtt a kereső nem véletlenül próbál rávezetni a helyes útra ám!
FM adó BA1410-essel? Hmm, érdekes. Talán saját fejlesztésű IC?
Üdv!
Ha kerestél volna a fórumtémák között, akkor ráakadhattál volna erre a támára, ahol elolvashattad volna skori (353239 sz. hozzászólását) ötletét, ami megfelelő lenne számodra. Arról szól, hogy szerezz egy 1 MHz -es kristályoszcillátort, a tápját egy zsebrádió kimenőtrafó primerjén keresztül biztosítod, a szekunderjére rákapcsolod a moduláló jelet, és kész az "anódmoduláció". A kimenetére egy darab drót antenna gyanánt és kész. Ennél egyszerűbb nincs.
Igen azt ismerem a tll oszcillátoros megoldás, ez is egy jó gondolat, tervben van, viszont honnan szerzek 8ohm 1kohmos trafót, illetve hogy tekerhető az meg mekkora huzalból ideálisan? Brutto 0.36mm es huzalom van nagyobb mennyiségben.
Üdv!
Tesztelt, működik: http://pira.cz/amtx.htm Evvel a 20-25W-al szépen lehet szorni. Bár nem használom, mert az FM jobb... UI:Ha valami nem világos a nyelv miatt, kérdezzetek! Gergő
Köszi ez nagyon király cucc,
Viszont nem felel meg nekem mert erős is meg ezt elemről nem tudom üzemelni! nincsa valami aprókább? 1-2w os dologgal már boldog lennék de nagyon!
Tényleg király cucc! Mikrovezérlővel van felépítve... Azért nem használom, mert az AM nem az én világom... Anno csak azért csináltam, hogy az FM adó melett legyen egy AM is.
![]() 1-2W elég? PLL-es legyen?
Elég bőven, pll is jöhet, te több kapcsolást is szívesen látok! Köszi szépen!
Azt hittem nagy üzem lesz...
Na akkor majd nézek kis teljesítményűt. Viszont ha PLL-es többet fogyaszt nyilván. Ez az elemes mit jelenet? Hány volt? 12V-os autóakksi? Vagy 9-os elem?
Autóakksit nem akarok használni hozzá inkább elemes. De az nem problémás ha több lemet kel lhozzá használni
Azért ezek fogyasztanak!
Kijelzős, nyomogombos freki álltási lehetőség. Nem bonyolult, viszont a mikrokontrollert progizni kell. (valakinek ez probléma lehet) Ez amúgy 300mW-os. Erre kell egy 1-2W-os végfok, azt ennyi!
Jó ez a kapcsolás csak nekem pic nemjön be nem foglalkozok vele.
Nehéz ügy! Lehet PLL-t CMOS és TTL IC-ből is csinálni, de több alkatrészt igényel. Azt hittem ez így ok lenne. A helyedbe azt csinálnám, hogy PLL-t kivenném és egy potival állítani a frekit. 5 éve én is így csináltam az első adómat.
Pl:10K-s poti 1. lába = tápfesz (+) 2. lába = varicap diódára 3. lába = Test (GND) Ha nem világos átalakítom a rajzot!
Nem tlejesen
Megtennéd nekem? Esetleg nincs gy frekvencia mérő alkalmazásod plusszban?
Oké!
Este megcsinálom! Frekimérő alkalmazás? Arra gondolsz hogy lásd a kimenő frekit? Van, de PIC-et vagy AVR-t igényel, mivel LCD-re írja ki az infót! De van 7 segmenses is, de az is PIC-es. Ezért gondoltam a PLL-t kijelzővel, mert akkor rögtön látod hová van hangolva! Ha gondolod felprogramozok neked egy PIC16F84 vagy 628-at, és elküldöm valamilyen formában. Neked már csak be kell tenned a panelba! Este leszek csak!
Köszi nekem az is megfelel PM ben írdd meg az anyagiakat! 1000 köszönet mégegyszer!
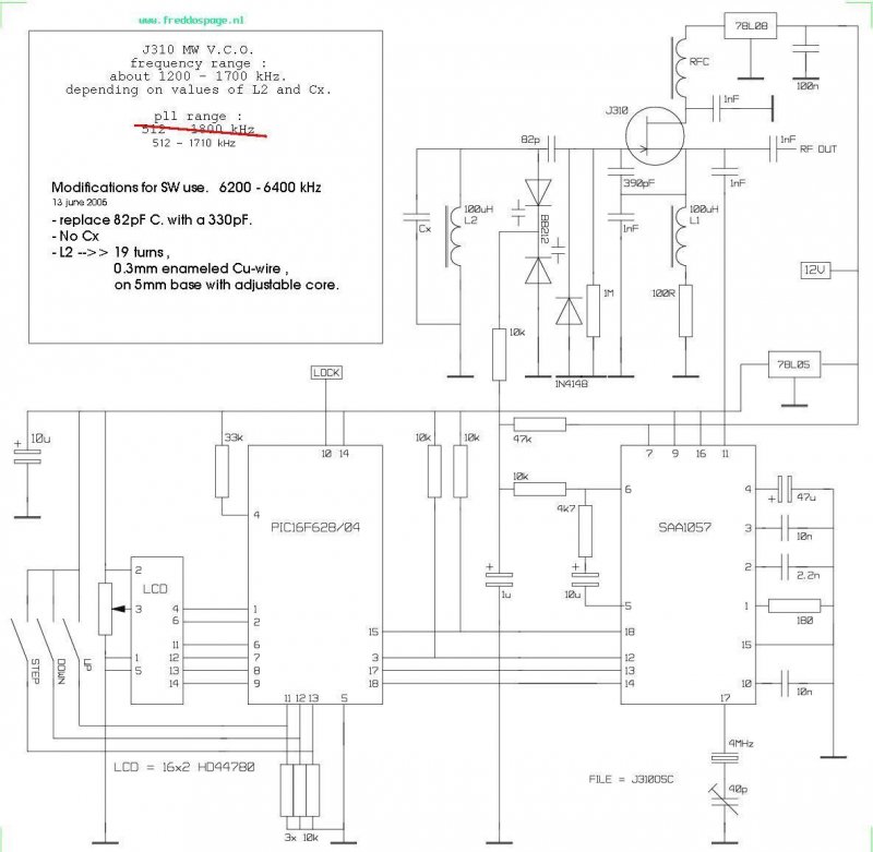
Üdv urak az alábbi kérdéssel, kéréssel fordulok hozzátok: Adott ez a kapcsolás amit megépítettem, bizonyos részei működnek, viszont nem sugároz, illetve a sugárzott jelet nem sikerült befognom. A vevőm alant a képen, kézi hangolású. A mikrovezérlős rész a pll-t működteti, mert az antenna kimenetén mérek feszültséget, illetve multiméter által frekvenciát is tudtam mérni, ami 600-1400 kHz es tartományban volt, itt a multi 10-15 Hz eltéréssel mutatta a beállított frekit. Drót antennát használok hozzá jelenleg. Az audió bemnet a mellékelt ábra szerint lett megépítve bd139 es tranyóval, a kollektor-bázis lábak közt egy 100kOhmos ellenállat van illetve a bázis lábra 1µF os elkó, pozitív fegyverzete a bázis felé. Mi lehet a hiba? Nyákot átnéztem, minden elem helyesen van bekötve, egyedül az audió bemenet résznél nem vagyok biztos a dolgomban! Köszönöm előre is a segítséget!
Azt mondod hogy a műszer mutatja a kimeneten a frekit és a rádióvevő nem veszi közvetlen közelről sem? Ha nincs rajta az audió rész, akkor olyan adót sem találsz a sávban, ami "csöndben van"? Tehát kösd vissza ahogy a gyári kapcsolás van, és nézd meg hogy úgy csöndes adót találsz-e.
Bocs hogy ilyen későn, sajnos csendes adót se találok, igazából tömör a lefedettség. Jónak tűnik a beültetés, illetve úgy általában a kapcsolás? Ha a vasmagos tekercset cserélem egy elenállás tokozású 100mH ra az job lenne?
Üdv!
Ha nincs moduláció az adódon, akkor egy AM műsorvevőn nem is fogod hallani, de ha van rajta térerőmérő, hangolásjelző, azon láthatod. Ahhoz, hogy a modulálatlan vivőt meghalljad, BEAT oszcillátort kell alkalmazni, aminek a frekvenciája KF frekvencia + vagy - 1 kHz. (pl.)
Elvben ha nem lenne moduláció, akkor nem kellene, vagy nagyon eltérő frekvenciát kellene mérnem az antenán nem?
Nem értem a kérdésed.
Az AM esetén mindíg van vivő, tehát az adó kimenetén egy diódás mérőfejjel tudsz RF -et mérni (indikálni), amit a műsorvevőd vesz is, ez látható a hangolásjelzőn (ha van). De nehezen, vagy sehogy nem tudod azonosítani, esetleg az adó ki - be kapcsolgatásával. A műsorvevő demodulátora általában, (kommersz vevőknél mindíg) csúcsegyenirányító, ami a vivő amplitúdójával arányos egyenfeszültséget ad, ezt jelzi a hangolásjelző, és hasznosítja az AGC, de ugyebár hallani, azt nem lehet, csak úgy hogy a KF hez hozzákeverünk mondjuk egy 1 kHz -es jelet, és ezt az interferencia füttyöt hallhatjuk. Vagy AM modulálod az adódat és akkor ezt is hallhatod.
Aha, és akkor ezek szerint a mudoláló egység nincs is rajta a kapcsolásomon?
Bocs, a múlkor fellületesen néztem, a rar -okat. Bizony, ebben egy darab moduláció nincs, nem tudom mire szeretnéd használni, lehet hogy nem is kell, de így nem is fogod hallani a zsebrádiódban.
Egyszerű anód (kollektor) moduációt tudsz csinálni, ha a kimenőfokozat kollektorába a fojtó helyére egy zserádió HF kimenőjét teszed, és a hangszóró kivezetésekre valami hangfrekis jelet kötsz. Szkópon nézheted a mod mélységet.
Erről a hf kimenőről képet tudnál adni? Nem tudom pontosan mit takar, esetleg elég oda is egy 100mH induktivutás?
|
Bejelentkezés
Hirdetés |




Viszont nem felel meg nekem mert erős is meg ezt elemről nem tudom üzemelni! nincsa valami aprókább? 1-2w os dologgal már boldog lennék de nagyon!


Megtennéd nekem? Esetleg nincs gy frekvencia mérő alkalmazásod plusszban? 





